Fórum témák
» Több friss téma |
Üdv mindenkinek akinek Sanken IC-vel szerelt elektronikus áramköre van illetve aki ilyen iC vel szerelt kapcsolásokat akar épiteni vagy csak hozzá szólni van kedve ide irjon.
Nekem konkrétan egy 1977 ben épült JVC JA-S11 erösitöm van amit szeretnék felujitani de sajnos nem találtam hozzá kapcs rajzot. Az ic-n csak annyi a felirat hogy S 40 W , illetve a gyártója sanken, 7 lábó és +/- 23 voltról megy . meg a bal alsó sarokban 646 os szám van fel tüntetve ha valaki tudna segiteni gyári kapcs rajzban megköszönném de csak azért kéne a gyári ha esetleg tönkre menne az ic akkor tudjam helyettesiteni.
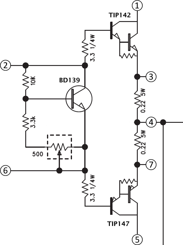
Az S40W nem STK, köze sem nagyon van hozzájuk technológiáját leszámítva, hiszen ez Sanken, míg az STK a Sanyo vastagréteg-hibrid megoldása. Az IC inkább egy tranzisztor-"array", darlington-modul néhány egyéb alkatrésszel. A kapcsolása: klatty
Az alul lévő méretezési táblázat alapján esetleg megpróbálható utánépíteni, de nyilván a tranzisztorokról nem sokat tudunk, ami működés oldaláról a végfok tanulmányozását követően nem nagy probléma, hangminőség tekintetében viszont esetleg hallható. Külföldi forrásból biztosan beszerezhető. A többi Sx0W végokmodullal nem valószínű, hogy egyszerűen (hangminőség!) helyettesíthető az eltérő méretezés miatt. Megelőzésképpen a hőkontaktust, majd a forraszokat érdmees átfutni, elkókat cserélni, csatlakozók, szabályzók, kapcsolók kontaktjait pucolni, forraszait ellenőrizni.
Üdv
Megnéztem a kapcsolást amit küldtél és azt szeretném kérdezni hogy a diagramnál van egy s 60 wos darlington azzal helyetesithetö a 40 es? Mert müködik az erölködö csak ha netán lefüstölne akkor beleépithetem e? Meg ha nem lennék pofátlan akkor még azt szeretném kérdezni hogy ennek az erölködönek a gyári kapcsrajzához van e? valami linked. A JA-S11G-s az megvan de sokban különbözik töle tehát a nem G-s kellene. Hanem a sima JA-S11 é Elöre Kösz
Üdv!Bár a témát látva elég régi
de azért felteszem az erősítőd PDF-jét és az IC-t is. A hozzászólás módosítva: Okt 8, 2014
Üdv! Itt egy megoldás az Sanken S 40W IC-re.
|
Bejelentkezés
Hirdetés |




de azért felteszem az erősítőd PDF-jét és az IC-t is.


