Fórum témák
» Több friss téma |
Sziasztok!
Segítségre lenne szükségem, mert egyáltalán nem értek a fénytechnikához ![]() Szükségem lenne egy olyan villogó LED-re ( 2 szál hajlékony LED modul(topvábbi adatok szálanként: DC12V, 15 darab legújabb generációs SMD LED, mindössze 100mA áramfelvétel/modul, 120 fokos szórt zöld fény, 1,2W, IP65 kültéri kivitel), ami egy érintő kapcsoló segítségével kapcsol be. Találtam a fórumon érintőkapcsolót és villogó LED-et is, de nem tudom összerakni a kettőt illetve nem tudom melyik villogó LED és melyik érintőkapcsoló működik rendesen... A villogás sebessége mindegy az érintőkapcsolónál kellene a két tüske érintkezésével kapcsolódnia és indítani a LED-ek villogását mindaddig, amíg a két tüske érintkezik... Van esetleg valkinek ilyen jellegű terve, vagy tud nekem segíteni a külön működő részek összerakásában? Előre is köszi a segítséget!!
Ha megmutatod, melyik részekre gondoltál, akkor igen!
Szia!
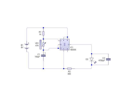
Ajánlom ezeket: Led Stroboszkóp Érintéskapcsoló A Led stroboszkópot könnyedén átalakíthatod a neked megfelelőnek. Csatoltam egy kapcsolást az összekötésekről. Szia!
Nem igazán értem ! Tulajdon képen egy kész gyári
led sort szeretnél után építeni?
Vagy kész gyári led sort szeretnél összeálitani? Amit egységenként vettél?
Igen, tulajdonképpen vennék egy LEDsort, amit úgy kellene bekötnöm, hogy bekapcsolás után villogjon vagyis a két tüske összeérintésével csak fogalmam sincs hogyan kellene csinálnom
Ezt a kettőt találtam, vagyis volt több, de nem tudom, hogy azok megfelelőek-e ahhoz, amit én szeretnék. Szerinted?
Akkor neked jó a második kapcsolás (egy pici átalakítással) az ic 4-es lábát egy kapcsolón keresztül kösd a + ra és tegyél rá még egy kb 1k ellenállást aminek a másik vége a gnd-re megy . Ha megnyomod
a kapcsolót elindul a villogás a ha elengeded leáll Az r2 ellenállást a ledsor feszültségéhez éa áramához kell kiszámolni . És a kimenetre nem kell a kondi.
Szia!
A "LED stroboszkóp" című kapcsolást építsd meg a következő módosítással. A sebességállító rész fölösleges, ezt vedd ki, és helyette kössél be egy NPN tranzisztort (pl. BC 547, BC 182, stb) úgy, hogy kollektora a táp pozitív pólusára, emittere a C2 kondi baloldali pontjára csatlakozik. (Ez volt a sebességállító rész csatlakozási pontja.) Ha a bázist és a +Utáp-ot újjal való érintéssel összekötöd, akkor a vibrátor működni kezd. (A c1 kondi kapacitását egy kicsit nagynak érzem, de lehet, hogy nincs igazam.) Az elmondottaknak működniük kell, de ha mégsem, akkor BC 517 Darlington tranzisztort kössél be az említett módon, az tökéletes lesz! Üdv: Göndör
Sziasztok, Tudna valaki segíteni?
Livolo érintőkapcsolót szereltünk be, újonnan kialakított fürdőszobánkba. Ezzel lehetett működtetni a mosdó fölötti világítást (LED). Eddig. Mostanra azonban, két hónapi működés után bemondta az unalmast, és nem kapcsol. Korábban, rögtön a legelső működésnél már volt ilyen eset, de akkor az izzó ki -és vissza kötése megoldotta a hibát, most azonban ez sem használ.
Biztosan a kapcsoló a hibás és nem a LED (tápja)? Ha igen, akkor a kapcsolóra kell legyen jótállás, vidd vissza a boltba, ahol vetted.
Idézet: „Livolo érintőkapcsolót szereltünk be, újonnan kialakított fürdőszobánkba” Ennek a kapcsolónak nem igazán a fürdőszobában lenne a helye,hanem azon kívül!ÉLETVÉDELMI és BIZTONSÁGTECHNIKAI okokból helyedben én átgondolnám ennek a kapcsolónak az alkalmazását vizes/párás helyiségben. Lehet , hogy jól mutat és -Cseppálló kivitelt írnak róla, de ettől még nem alkalmas erre a célra. Pláne azért nem mert kapacitíven érzékel. Így az egész eszköz rendszer mégis valamilyen formában kapacitív csatolásban van az elektromos hálózati energiával. Engem ez zavar ebben, hogy vannak olyan elemei amik ezt a kapacitív leválasztást végzik.
Sziasztok!
Segítségeteket szeretném kérni. Vásároltam egy érintőkapcsolót és az vele a probléma,hogy lekapcsolt állapotban villognak az égők! 4 ledes izzóra van kötve, kaptam a kapcsolóhoz egy cbb 21-es kondenzátort ami nem lett felhasználva,de gondolom nem ez az oka a villogásnak. Ha valaki tudna segíteni nagyon megköszönném. Erről a kapcsolóról lenne szó: http://www.anrodiszlec.hu/product_info.php/products_id/20425 Üdv. Krisztián
Nagy valószínűséggel kell a kondenzátor, az izzóval párhuzamosan kell kötni.
Köszi! Akkor a kondit bekötöm a kapcsolón található L1 és Lin foglalatba igaz?
Ha az L1 a "kimenet", akkor a kondenzátort az L1 és az N közé. Mielőtt beépíted, fényképezd le a kondenzátort, nem biztos, hogy megfelelő típusút kaptál.
Csináltam képet a kondiról és a kapcsolóról,gondolom így mondtad a bekötést .
Nem, nem így gondoltam. A kondenzátort a kapcsoló kimenetére és a nullára kell kötni. Ha a kapcsolóál nincs nulla, akkor valahova az izzó(k) közelébe.
Úgy is lehet, csak akkor még jobban fog villogni.
![]() A CBB21 adatlap alapján, én inkább egy X2 kondenzátort tennék oda (ha elfér), vagy 630V-osat. De és óvatos duhaj vagyok, meg nem értek hozzá. A hozzászólás módosítva: Dec 15, 2019
Köszi a segítséget! Igaz nem teljesen értem,nagyon fogyatékos vagyok
ki szedten a spotot ott van a nulla és a fázis,akkor oda kössem be a kondit? Csináltan képet!
Így kösd be. De persze előtte áramtalanítsd a hálózatot!
Ok. Megpróbálom köszi
Sikerült! Köszi mindenkinek. Viszont nem tudom mennyire normális,hogy felkapcsolt állapotban kerregő hangot ad a kapcsoló,nem olyan hangos de azért kicsit zavaró.
Ugyan nem villogtatásra kerestem megoldást, hanem ki/be kapcsolásra, illetve dimmelésre, de belefutottam valamibe.
Nagyjából ILYEN kapcsolót vettem, amiről a rugót nem használom, a tövéhez csatlakoztatott huzallal csatlakoznék ahhoz az alu-profilhoz, amibe a led szalag is kerül. Ha szalag nincs behelyezve az alu profilba, akkor tökéletesen működnek a funkciók az alu profil érintésével. Ha a szalagot beteszem a helyére, akkor nem működik. Ha a szalag az alu profilban van, de a kapcsoló eret megérintem, esetleg másik fémhez van csatlakoztatva és azt érintem meg, akkor megint csak működik minden funkció helyesen. Arra gyanakodtam, hogy esetleg kérdéses minőségű a szalag és valahol hozzáérhet az alu profilhoz. A led szalaghátulján és oldalán végig ragasztottam szig.szalaggal, illetve az aljára tettem egy szivacsos kétoldalú ragasztót (kb 1 mm). Visszahelyezve az alu profilba ismét nem működik sem a ki/be kapcsolás, sem a dimming. Hol lehet a baj?
Elég nagy a kapacitás az alu csík és a ledek között. A te általad bevezetett zavarjelet egyszerűen kisöntöli.
|
Bejelentkezés
Hirdetés |













ki szedten a spotot ott van a nulla és a fázis,akkor oda kössem be a kondit? Csináltan képet! 






