Fórum témák
» Több friss téma |
Fórum » Oszcilloszkóp számítógépre
deguss ! Régebben én is megszívtam a forraszvízzel. Én csak a nyákot futattam be ónnal, de ZnCl úgy beleeszi magát a nyákba hogy nem lehet eltávolítani. Hiába sikáltam percekig.
Csodálkoztam hogy nem müködik a kapcsolás, míg meg nem láttam az áthúzásokat, mivel a ZnCl vezetőanyag. Most már csak forraszgyantát használok. Vagy a vezető lábakra viszem fel közvetlenül illetve minden nyákot úgy készítek el, hogy fenyőgyantát oldok fel alkoholban. Ezt a kulimászt vékony rétegben fölviszem a nyákra, majd ezután egy lapos forraszheggyel Weller pákával nagyon vékonyan beónozom, majd kifúrom. Persze megvárom míg az alkohol elpárolog.
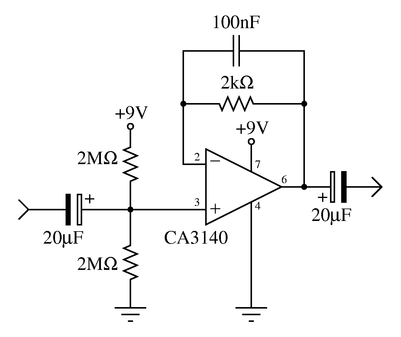
A kapcsolást leszimuláltam. Hibát benne nem találok. Mivel az eredeti kapcsolás csak a nagyimpedanciás illesztést végzi el, ezért én kicsit kiegészítettem, hogy a bejővő feszültséget csökkentse le a 1/10-re. A kivezérlési tartománya ezeknek az IC-knek a tápfeszültségi tartományig terjed. Használj nyugodtan TL071-et TL072-öt vagy TL074-et esetleg a kiszajú NE5532-öt NE5534-et ha nem müködne a CA-as IC. Ezek nagyon olcsók. Egy Quad 405-ös erősítőbe különféle műveleti erősítőket próbálgattunk. Kiderült hogy a TL071-el jobban szól , mind a NE5532 vagy NE5534-el. Most nem tudom fejből melyik az 1műverősítős változat. Nagyon meglepődtünk. Visszatérve az eredeti témára itt a kétféle változat.
Szia bbatka!
Igen jól néz ki, köszönjük a rajzokat. A 2. kapcsolás annyiban különbözik, hogy arra nagyobb feszültséget köthetek? Vagy az mit csinál? Hogyan lett belőle 2 csatorna? Üdv. deguss
Nem két csatorna csak betettem még egy invertáló műveleti erősítőt ami leossza 1/10-re a bemenő feszültséget. Az első műveleti erősítő a nagy bemeneti impedanciát biztosítja a második pedig a feszültség osztását. A=R5/R4 az erősítés. A másik gondolatom hogy én vagy tantálkondikat tennék be a 22µF-os kondiknak vagy a létező legnagyobb fóliás tipust. Minél nagyobb az értéke, annál jobban fogja az alacsony frekvenciát átengedni. Szóval az elko szóba sem jöhet.
A "Számítógépes áramkörszimuláló programok" fórumban találsz egy ftp-s címet. Idönként elérhető. Onnan tudod letölteni a programot, amivel leszimuláltam. "Multisimulátor 8"
Köszi.
Norberto ftp szerverére gondolsz? Ok, megnézem.
Sziasztok!
Olvastam ezeket az írásokat, mert nekem is jól jönne néha egy oszcilloszkóp! De végül is nem találtam választ arra hogy melyik kapcsolás működik helyesen! Ez működik (lásd melléklet)? Vagy ha nem működik akkor tudnátok csatolni egy működőképes kapcsolást? Köszönöm szépen.
A csatolt verzió is működik. Én kicsit módosítottam hogy ossza le 1/10-re a bejővő jelet. Hisz egyébként mi értelme ennek a kapcsolásnak?
Lásd 6 hozzászólással feljebb.
Ez a
Idézet: kapcsolás elsősorban egy inpedancia tranzformétor szerepét tölti be. Így a bemeneti ellenállásának nagynak kell lenni, hogy a jel ne torzuljon, valamint a mérnikívánt berendezés "nehangolja el", és ezt a jelet 1/1 ben viszi át a kimenetére. Tehát ez a kis kapsolás szedi le a jelet a mérni kívánt áramkörről úgy, hogy a jel minnél kisebb métrékben torzuljon, valamint a feladata az, hogy a mért áramkör működési paramétereit ne modosítsa. Persze az osztóval is müködőképes, csak ott a kimeneti jel nem 1/1 hanem 1/10, tehát tizedrésze lessz! „soundcard_input_sch.gif”
Persze értem az illesztés lényegét, csak őszintén bevallom nem igazán hiszek abban hogy pontos méréseket lehet végezni hangkártyával. Viszont relatív megfigyelésekre tökéletes.
Szerintem a rajzban van egy nagy hiba. Méghozzá az amit az oszcilloszkópon is látni lehet: megfordítja a jelet! Ami 100%-os hibát jelent. Nem lehet, hogy nem az invertáló bemenetére kellene küldeni az 1. ic kimenetének a jelét? De javítsatok ki, ha tévedek.
jaja
én is úgy látom hogy a második fokozat invertálja a a jelet és nem pont 0,1 az erősítése R6 miatt 1/11 az nem 0,1 hanem 0,0909 de lényegtelen ugyse pontosak az R-ek valszeg a E24 es sorból adnák úgyis......sztem csak egy kis hiba csúszott be ... átfirkálom ha kell...?? csá
Így már jobban néz ki
Ó hát semmi gond , csak a monitort kell fejreállítani.
Szóval igazatok van. Nemtom miért sikerült ilyenre, mert hát ezt a dolgot én is tudom. Egy kicsit szétszórt vagyok. A kijavított rajzban van egy kis hiba. Azzal sajnos még nincs megoldva a dolog hogy átkötötted gulyi, mert míg invertáló kapcsolásnál A=R2/R1 addig neminvertáló kapcsolásnál A=1+(R2/R1). Inkább 2 invertáló kellene a neminvertáló mögé. Sajnos nincs egyéb ötletem. :nemtudom:
ehh télleg ....
pedig nem szoktam ennyire benézni na mindeggy 3 műverősítő nélkül valszeg nem fog menni max kihagyni a 2. fokozatot és egy feszosztót beficcenteni
jah és sztem 9V cs-cs jelnél nagyobbat nem tudnánk mérni (mer annyi a táp) sztem egyszerűbb lenne 2*9 voltos elemmel vagy mivel akarjátok
ha trafós akko meg -+15V és akkor 30V cs-cs jel is belefér. és ha -+gnd akkor a első fokozat bemenetén a 2*R kihagyódik (nem kell felezni a tápot) marad a csatolókondi .. kimaradhat a C2 ami a két fokozat között van ami nagyobb Fmin-t eredményez és már csak a 10es osztás marad kérdéses..
Meg lehet próbálni ezt a dupla tápos megoldást. De először csak demo panelen csináld meg. Szerintem két invertáló kell. Az első 1/5-li. A második meg megfelezi a jelet.
hogyan lehetséges számítogépen oszciloszkopot létrehozni?, ha valaki tud ajánlani programot, és kábel bekötést(bemenő jelnek) akkor azt nagyon megköszönném
Van 1 hasonló topic!Ott nézz szét!
(Alacsony költségű digitális oszcilloszkóp)
Hát kezdésnek használhatod a hangkártyádat, ami max 44,1kHz és 16 bit felbontással mintavételez. (nagy pontosság)
Gúglizz rá: Sound Card Oscilloscope (Sound Card Scope...) http://www.zeitnitz.de/Christian/Scope/Scope_en.html http://www.dxzone.com/cgi-bin/dir/jump2.cgi?ID=3428
A LineIn nálam ki szokta bírni az 5V-ot, de azt mondják 1V-nál nagyobb feszültséggel nem szabad ingerelni.
ez a baj........nekem kéne olyan szkop ami nagy feszt is kib ir....szamitogepen persze....notebookomra.
Téma nyitás előtt miért nem használtad a keresőt?
Van már ilyen topic: Oszcilloszkóp számítógépre Persze,ha az oszcilloszkópot egy "l"-lel írod, akkor nem is találod meg!
hát mindenféleképpen használnod kell egz illesztő áramkőrt amivel majd természetesen mérhetsz nagyobb feszeket is.
A Rádiótechnika 2006/7-es számában találsz egy illesztőkapcsolást.
(Vagy a http://xoscope.sourceforge.net/hardware/hardware.html címen - azonosak) Az előző számokban pedig egyéb "virtuális" műszerről is találsz infót. :yes: |
Bejelentkezés
Hirdetés |






megnézem. 
de lényegtelen ugyse pontosak az R-ek valszeg a E24 es sorból adnák úgyis......




