Fórum témák

» Több friss téma
Fórum » Kapcsolóüzemű táp autóba Hi-Fi-hez
Lapozás: OK   25 / 148
(#) Baliszoft hozzászólása Márc 6, 2009 /
 
Szia!

FET meghajtás semmi extra. Az MC34151 csinál mindent, annak a PDF-jében leírt tanácsokat követtem. Amúgy másodszorra már én sem választanám ezt a meghajtót. Kb 1 másodperces rövidzár kicsinálja. A másik ellenérv, hogy invertáló és hiába van felhúzva a bemenete hardveresen (ellenállással), induláskor egy pillanatra összenyitja a két FET-et. Amúgy ez elhanyagolható idő, úgyhogy marad így (egyelőre).

dcdc6.jpg
    
(#) emmzolee hozzászólása Márc 8, 2009 /
 
Hello

Megépítettem a cimopata félefet vezérlést. A BD139-el, és a BD140-el.
Nem sok minden változott a kimenő jelemmel. Akkora túlövés van ezzel is az elején mint állat. Ilyenkor persze nem használom a zeneres kiegészítőmet, hanem csak úgy, ahogy a cimopata rajzán volt. Szerintem nem jó valamelyikérték ez egyik alkatrésznél, vagy nem tudom mi van. Kicseréltem már az ic-t másikra, és azzal is ugyan ez a helyzet.

Hy
(#) Baliszoft hozzászólása Márc 9, 2009 /
 
Érdekes, nekem sehol sincsen számottevő túllövésem, pedig a FET vezérléssel nem foglalkoztam túl sokat. Bár a szkópom nem egy csúcstechnológiás darab (régi ruszki matuzsálem), azért látom rajta, hogy mi a helyzet. Amit én észrevettem az az, hogy a négyszögjel felmenő ága után még egy ideig csörög vagy mi, "ringing" (nem tudom mi a magyar szakkifejezés erre) jócskán, de érdekes módon az egyik FET-nél kb 2x akkora mint a másiknál. Nekem a 2 FET a trafó két ellenkező oldalú átlós sarkában van, és az egyikhez hosszabb úton jut el az áram. Nem is a gate vezérlés hossza számít igazán, hanem a táplálás. Közvetlenül a FET mellé telepítve a puffer kondikat ez az effekt ha nem is szűnt meg, de negyedére csökkent. Így a puffer kondik most nem egy kupacban vannak, hanem szétszórtan, viszont szebb a jelalak sokkal.
(#) emmzolee válasza Baliszoft hozzászólására (») Márc 9, 2009 /
 
Hello

Az én szkópom is ruszki matuzsálem

Azért jó arra, hogy látszódjon a jel.
Azt jó tudni, hogy ha panelra kerül a cucc, akkor szebb lesz a jel alak, mert ha ezt a túllövést csillapítani akarom (mindegy milyen módszerrel), akkor kétszer annyit fogyaszt a tápom üresjáratban. Az meg ugye rontja a hatásfokot. Meg az is a bajom, hogy ha nagyok a túllövések, akkor az is át indukálódik a trafón, és a szekunder oldalon a puffer kondinak van ideje fogyasztás nélkül föltöltődni csúcsig, és az meg már nagyon sok! (60V) ha nem lennének ilyen csúcsok, akkor meg tudna állni szerintem 38V-nál. Nekem az pont jó lenne. Az a baj, hogy amit rá akarok tenni végfoknak, az nem bír 40V-nál többet, mert a védelme lekapcsol. Ezért kínlódok vele, hogy jó legyen. Na meg persze a hangnak is jót tenne egy nyugodt táp(tüskétlen). Azon is gondolkoztam, hogy a pufferrel párhuzamosan beteszek egy zenert a szekunder oldalon, és a tüskék által megnőtt feszt nem engedem vele felfutni, de ez az utolsó eshetőség. Előtte ki akarom próbálni a LOW ESR kondikat mindenhova! El is mentem venni, de az Elektro Konthában nem volt semilyen.

A másik dolog, amit a következő tápomnál biztos, hogy változtatok, az a trafó. Tuti, hogy toroidot fogok használni, mert sokkal könnyebb vele dolgozni.

Hy
(#) Baliszoft válasza emmzolee hozzászólására (») Márc 9, 2009 /
 
Ja, hogy nincsenek kondijaid?
Szerintem akkor ne is csodálkozz .

A toroidon én is erősen gondolkodom, bár túl sok problémám az etd-vel sem volt, kivéve, hogy épp csak elfértem rajta. Mondjuk nekem viszonylag nagy a szorzóm (5x).
(#) cimopata válasza emmzolee hozzászólására (») Márc 9, 2009 /
 
Addig mindig is maradnak a túllövések amíg nincs rövid induktivításmentes összeköttetés a fetek és a trafó közt
Mint mondtam már, puffereket a trafó és a fetek tövébe!

Ha toroidot fogsz használni, javaslom a nyáktervemet, megfelelő a kialakítása erre a célra.
(#) Baliszoft hozzászólása Márc 10, 2009 /
 
Halihó!

Nyomatom a tápomat a tervezett maximális terhelésemmel folyamatosan. 5x 100W-os izzó kb 136W-ot vesz ki belőle kb 100V-on. A hatásfok kb 83%. Minden "zsír", viszont egy venti kell neki, mert a bordák is és a trafó is melegszenek nélküle. A ventivel a bordák kellemesen langyosak (testmelegnél egy picivel melegebb), viszont a trafóm melegebb ennél, talán az 50C-ot is eléri.

Mennyi a max ajánlott / elviselhető hőfok a trafónak?

IMAG0097.jpg
    
(#) Baliszoft hozzászólása Márc 11, 2009 /
 
Még egy keresztkérdés? Mit lehet a trafóba fújni/önteni, hogy ne zizegjen? Van olyan PWM % ahol folyamatosan rezonál és sípol. Nem hangos, de akkor is. Maradjon csendben.
(#) didyman válasza emmzolee hozzászólására (») Márc 11, 2009 /
 
Metróval menj tovább a lehel térre és lomexnél vegyél.
(#) didyman válasza Baliszoft hozzászólására (») Márc 11, 2009 /
 
A vas, vagy a tekercsek zörögnek? Impregnálni kell, erre alkalmas anyaggal (pl. Titeron 31), de lehet kísérletezni műgyantával és más lakkal is. A hang lehet jele nem kívánt rezonanciának is, szkóppal érdemes lehet meglesni, mi történik olyankor.
(#) Baliszoft válasza didyman hozzászólására (») Márc 11, 2009 /
 
Szia! Szerintem a vas nem zörög, elég izmosan össze vannak nyomva a kapcsokkal. A szkópon semmi feltünő nem látható amikor sípol, minden rendben. Szépen lassan állítom minimális kitöltéstől maximálisig és egy kifejezett PWM értéken megjön a hangja. Továbblépve abbamarad. Egyelőre nem tulajdonítok neki jelentőséget, de mindenféleképpen "szépséghiba". Talán nem mindenhol elég feszes a tekercselésem, ez lehet a baj.
(#) emmzolee válasza didyman hozzászólására (») Márc 11, 2009 /
 
Hello

Vágom Ismerem a helyet. Oda még nem volt időm elmenni.
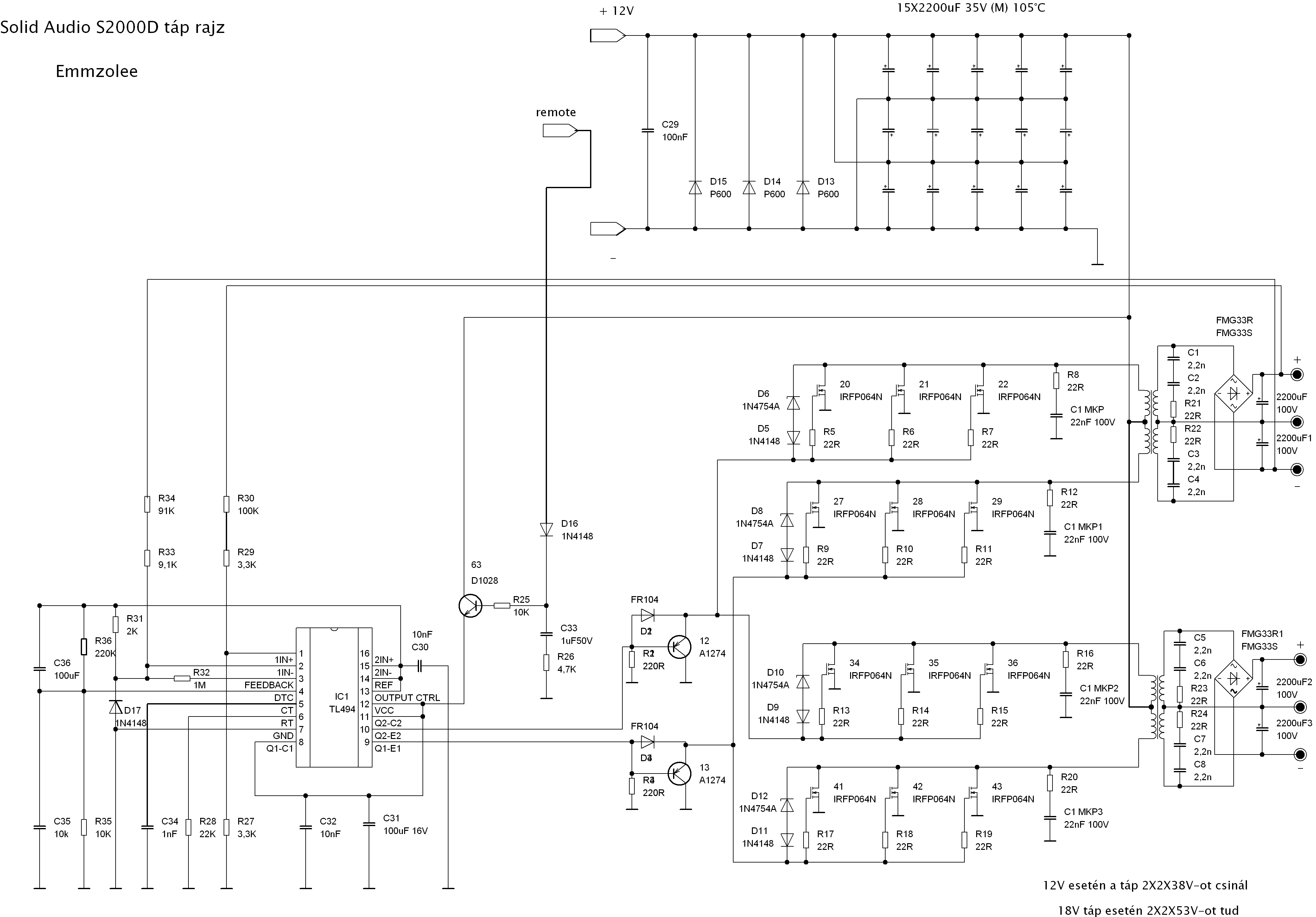
(#) emmzolee hozzászólása Márc 11, 2009 /
 
Hello elkészültem az Solid Audio S2000D kapcsolási rajzával.

Ez a táp 12voltból csinál 26.8KHz-en 2X38V-ot duplán.

Ezzel az erősítővel jártam régebben autohifi versenyre, és rengeteg első helyezést értem el vele.

2280W hasznos teljesítményt mértünk a hangszóró kimeneten. és 200A-es biztosítékot ajánl a gyártó az erősítő, és az akksi közé.

Szóval fölteszem a rajzot, de még nem teljes, de így már működik. At teljességhez hiányzik még a hővédelem, meg egy műveleti erősítő, ami az üzermi és a protekt ledet intézi, arra nem volt idegem majd később.

Akit érdekel
(#) emmzolee válasza emmzolee hozzászólására (») Márc 11, 2009 /
 
Itt egy link az erősítőről!



Egy csomó fénykép kívül belül.



Teszek föl képet a bevetésről.
Az autóban 153.9dB-t sikerült produkálnunk ezekkel az erősítőkkel. a tápellátás 3db100AH-akksi volt terhelés alatt 11.8V volt az akksiban, és a hangszórókra került teljesítmény 3506W volt. Ez 2 erősítő paralell kötése esetén volt.
(#) Baliszoft hozzászólása Márc 12, 2009 /
 
Tök jó ennyi FET et és tranzisztort látni egymás mellett


Seggítséget/tanácsot kérnék simét. Sűrűn hullanak a FET-jeim (már amikor nem én nyitom őket egymásra). Amit észre vettem az az, hogy menet közben minden OK, de újraindításnál már kétszer halt meg egy FET, úgy, hogy onnantól kezdve folyamatosan nyitva marad, gyakorlatilag rövidzárlatot okozva ezzel.

A gate vezérlésemen nincs semmi védelem. Dióda / Zéner dióda párosítás javítana valamit a helyzeten? Mondjuk pl úgy mint a lent linkent rajzon is van.
(#) cimopata válasza emmzolee hozzászólására (») Márc 12, 2009 /
 
Igen komoly és szép darab.

Úgy látom a végfokozat is kapcsolóüzemű. IRF9640 ből ítélve P-N csatornás feteket használhatnak. Elég szép darab.

Igy ilyen komoly erősítőnek nem a kapcsolás a titka hanem a jól kivitelezett nyákterv
(#) Baliszoft válasza cimopata hozzászólására (») Márc 12, 2009 /
 
Én is olcsó kapcsoló feteket fogok használni a végfokomhoz, pedig csak sima egyszerű mosfet erősítő lesz.
(#) emmzolee válasza cimopata hozzászólására (») Márc 13, 2009 /
 
Hát igen sok a hasonlóság az erősítők fölépítésében
Van egy oldal, ahol az erősítők belsejét és külsejét lefényképezik, és leírják az alapvető paramétereit.


Ezen a linken 1777 erősítőről találtok képeket, és leírást!

Itt lehet látni azt is, hogy vannak olyan jól sikerült elektronikák is, aminek a gyártási jogát több hifi gyártó cég is megvette.

Azért nyomatok egy képet egy 8800Wos erősítő tápjáról is

inside6.jpg
    
(#) Gyurka78 hozzászólása Márc 13, 2009 /
 
Sziasztok!

Egy kis segítségre lenne szükségem toroid trafó tekerésével kapcsolatban. ETD trafóval már csináltam tápot az müködöt remekül, de most a toroiddal sehogy nem akar. Nyugalmi árama 2A felet van és ha terhelem leél a táp ,ETD trafóval meg müködik.Hogy kéne tekerni a toroid trafót?
(#) cimopata válasza Gyurka78 hozzászólására (») Márc 13, 2009 /
 
A toroid amit használsz valószínűleg sima porvasmag és nem ferrit. Ennyi.
(#) cimopata válasza emmzolee hozzászólására (») Márc 13, 2009 /
 
Ezt az oldalt bátran lehetne ajánlani bármelyik autóhifistának aki nem hiszi el hogy átvágták
(#) Gyurka78 válasza cimopata hozzászólására (») Márc 13, 2009 /
 
Ferritnek vetem , kiprobáltam több kapcs.tápból bontottal is és nem volt jó semelyik.
(#) cimopata válasza Gyurka78 hozzászólására (») Márc 13, 2009 /
 
Szkóppal ellenőrizted a jelalakokat?
Nincs-e egymásranyitás stb...
(#) emmzolee válasza cimopata hozzászólására (») Márc 14, 2009 /
 
Hát igen azért is jött létre az az oldal.

Nagyon hasznos nem?



Voltam a Lomex-ben LOW ESR kondit venni. Vettem egy csomó minden mást is mert nem tudtam ellenállni. Holnap szerintem neki is állok.
(#) cimopata válasza emmzolee hozzászólására (») Márc 14, 2009 /
 
Igen, nagyon hasznos kis oldal!

Ellenállni meg bizony nekem is nehéz
(#) Baliszoft hozzászólása Márc 15, 2009 /
 
Azt hiszem rájöttem miért hullanak a FETjeim. Amikor rá van akasztva 5db 100W izzó az indulásnál túl nagy áram megy keresztül rajtuk és ezt egy idő után megunják. Van soft start a programomban, de ezek szerint nem túl soft. Egy ilyen PWM vezérlő IC mennyi idő alatt fut fel "üzemi kitöltésre"?
(#) otisz hozzászólása Márc 15, 2009 /
 
sziasztok!szeretnék építeni egy erősítőt autóba és kéne nekem kapcsoló üzemű táp max150w-ig nyákrajzel együtt!ha valakinek van megköszönném, nagyon sürgős lenne!köszi!
(#) Baliszoft hozzászólása Márc 16, 2009 /
 
A V2.0-ás trafómon nem tudtam máshogy megoldani a kivezetést. Nagyon gáz? Ha álló csévetestet használnék akkor a primernél lenne ugyanez a helyzet.

IMAG0102.jpg
    
(#) Baliszoft hozzászólása Márc 17, 2009 /
 
Lenne még egy "érdekes" kérdésem.
Ezen az oldalon: http://www.bcae1.com/trnsfrmr.htm azt írják, hogy az Uprim (ami a trafóegyenletben van) az kétszerese a primer oldal tápfeszének. Ha ez igaz akkor a primer (és szekunder) körök száma is kétszereződne. Eszerint rosszul használnánk a trafó méretező képletet vagy az oldal téved???
(#) cimopata válasza Baliszoft hozzászólására (») Márc 17, 2009 /
 
Idézet:
„A V2.0-ás trafómon nem tudtam máshogy megoldani a kivezetést. Nagyon gáz? Ha álló csévetestet használnék akkor a primernél lenne ugyanez a helyzet.”


Majd elválik.

Idézet:
„Ezen az oldalon: http://www.bcae1.com/trnsfrmr.htm azt írják, hogy az Uprim (ami a trafóegyenletben van) az kétszerese a primer oldal tápfeszének. Ha ez igaz akkor a primer (és szekunder) körök száma is kétszereződne. Eszerint rosszul használnánk a trafó méretező képletet vagy az oldal téved???”


Nem tudom miért számol így. Igaz, hogy a feteken 2x-es primer feszültség jelenik meg, de az már egy ellentétes gerjsztés a trafóra. Teljesen jó az általunk használt 12V.
A képlet ami alapján számol a program jó, csupán nem 24V a primer.
Tehet kamionhifit méretez
Következő: »»   25 / 148
Bejelentkezés

Belépés

Hirdetés
XDT.hu
Az oldalon sütiket használunk a helyes működéshez. Bővebb információt az adatvédelmi szabályzatban olvashatsz. Megértettem