Fórum témák
» Több friss téma |
Szevasztok!
Azt szeretném kérdezni lehet-e a winchester müködését egy led helyett kivezérlésjelzővel mutatni, és ha igen akkor hogy??
közvetlen HARDWARE-ről nagyon bonyás... de létezik erre egy kapcsolás és program párhuzamos portra, igyekszem előkeverni...
Szerintem nagyon egyszerü a dolog!
A HDD töltését jelző led vilogásval töltesz egy kondit és annak a fesz-ét méred a kivezérlés jelzővel! Persze a Ledet helyét le kéne választani valamivel. Legalább valami tranyóval.
Hy! Szerintem ez jó lesz, elvégre kimondottan erre találták ki
Szisztok!
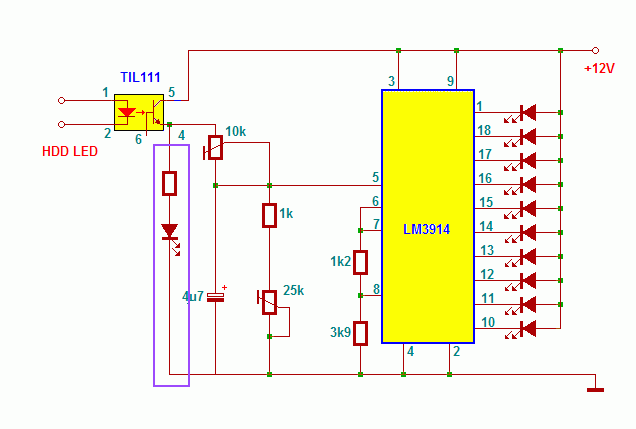
A rajzról kérdeznék: A HDD lednél azt a 4 számmal ellátott dióda-tranzisztor dolgot hogy kell megvalósítani? Az ott fototranzisztor akar lenni? Azt nem lehetne valami kontakt dologgal csinálni? A két potival pedig kalibrálom ugye? Mint egy megszokott audio kivezjelzőnél.. üdw BLOKKMETAL
Szia!
Az a LED meg fototranzisztor, ez egy optocsatoló. Abban egy led és egy fototranzisztor található meg, amelyek elektromosan több kV-ra is el vannak szigetelve, de optikailag látják egymást. Úgy kell megvalósitani, hogy bemész a boltba, és veszel egy CNY17-es optocsatolót A két potival meg kalibrálni lehet. Azért van optocsatolóval, mert igy egyszerűen rá lehet kötni a HDD LED-re, vagy helyette. (inkább a HDD LED helyére kell kötni mert amúgyse világítana, mert az optocsatolóban lévő LED az infra LED, és annak a nyitófeszültsége valahol 1.5V körül kezdődik. A PC előlapjában lévő LED szinétől függően 1,6-2V a nyitófeszültség, ezért nem is fog világitani, mert ha párhuzamosan vannak kötve, akkor az infra LED-en eső fesz, kevés lesz a begyújtáshoz)
sziasztok!
itt vannak a nyáktervek, ha valaki meg akarja építeni őket! az első képen meg van jelölve(sárgával), hogy hol vannak az átkötések, a másik meg maga a nyákterv
Hali!
Köszönjük szépen a rajzokat! Megvan még ez .lay formátumban? Azért kérdem, mert onnan könnyebb kinyomtatni.
Tegnap este mikor elnézegettem a gépem sötétben miközben tölött feltünt a hálókártya ledje.Ami ugyebár forgalom nélkül világít folyamatosan, és ha forgalom van elalszik.Ha jol vettem ki eddig, akkor letöltési sebesség függően villog. Szerintem egyszer ki kellen próbálni, megépíteni egy hdd-s led kijelzőt, csak a bemenetrére egy invertáló kapcsolást rakni és máris internet forgalom mérő lenne belőle.Lehet kötni routerre, switchre, vagy háló kari ledjére.
Mirt szoltok hozzá?
Szia!
Szerintem működne. Én megépítettem ezta HDD terheltség jelzőt ez alapján: Bővebben: Link. Igaz a NYÁK-ot hozzá én terveztem, meg próbapanelra raktam.
Üdv!
Itt egy átkötés nélküli nyák 46x24mm-es ugyanerre a kapcsolásra.
ez szép
de már megcsináltam (meg azért kezdő vagyok )
meglehet oldani azt hogy az eredeti HDD LED, meg ez is működjön? mert az optocsatolóra (a bemenetre)párhuzamosan rákötöttem a sima HDD LEDet, de nem világít. biztos azért, mert szétoszlik az áram.. vagy miért?
Nem teljesen úgy, de meg lehet. Az eredeti ledet vedd ki. Az optocsatoló kimenetére tegyél egy ledet ellenállással.
Az ugyan úgy fog villogni mint az eredeti led.
értem, köszi, de így nem terhelek túl valamit?
az optokaput tudnád max tulterhelni de az többet kibir ennél.
párhuzamosan vagy sorosan kössem az optocsatolóra?
Párhuzamosan arra a lábra ami a trimmer potihoz megy.
Esetleg utána újra kell állítani a potikat.
az a baj hogy nagyon ingadozik a feszültség
a kapcsit mellékelem
Üdv. Próbáltad már oda rakni ahová én berajzoltam. (gakorlatilag semmi nem baja nem lenne csak feljebb kell szabályozni a potit hogy elegendő fesz jusson az IC 5ös lábára, és led is világítson!) Azt is meg lehetne oldani hogy két optoval kapcsolgatnál, egyikkel a ledet amásikkal meg az IC-t
köszi, majd megpróbálom ezt is
szvivesen!
Üdv mindenkinek! Sikerült találnom egy alapműszert, de nem tudok vele mit kezdeni. Gondoltam, beteszem a gépbe, mint HDD foglaltság mérőnek. A kérdésem az hogy hogyan valósíthatom meg? Eddig ott tartok, hogy az alaplapi HDD LED csatlakozóján a LED-et kiveszem, és helyette töltenék egy kondit, aminek a feszültségét mérném a műszeremmel. Ez így jó lesz?
Üdv
Én is megépítettem ezt a kapcsolást, és tesztpanelen tökéletesen működött, bár ha tölött a winyó akkor melegedett az IC rendesen, de azért kibírható módon. Aztán átraktam sormaratott nyákra és sok szenvedés után kb itt is működik, csak annyi problémám van vele, hogy egy kis idő után (kb 15mp) A jelszint lecsökken és meg egyre lenetbb kb 5 ledig. Vajon azért van, mert melegszik az IC? (nem értem mert tesztpanelon is melegedett és mégse..) vagy valami más passzív alkatrész hibája lehet? ui: az átkötések, megszakítások rendben vannak, már elég sokszor teszteltem..
Üdv
Megépítettem ezt a kapcsolást, és tesztpanelen tökéletesen működött, bár ha tölött a winyó akkor melegedett az IC rendesen, de azért kibírható módon. Aztán átraktam sormaratott nyákra és sok szenvedés után kb itt is működik, csak annyi problémám van vele, hogy egy kis idő után (kb 15mp) A jelszint lecsökken és meg egyre lenetbb kb 5 ledig. Vajon azért van, mert melegszik az IC? (nem értem mert tesztpanelon is melegedett és mégse csökkent le) vagy valami más alkatrész hibája lehet? ui: az átkötések, megszakítások rendben vannak, már elég sokszor teszteltem.. ha kell rakok fel képet
A tápfesz rendben van?Van megfelelő szűrése?Ic lábainál a forrasztások közt nincs zárlat esetleg??Nem kapott estleg fordítorr polarítást??
tápfesz a gép tápjának 12V-ja és rendben van, a kézikönyv írta hogy ha 6" -nál nagyobb a led kábele akkor rakjak be egy 10mikrós elkot és be is raktam, de nem segített. polaritással nincs baj, mert tényleg rendesen működik, csak bizonyos idő után visszaesik a szint (everest hdd test megy alatta hogy a max szintet be tudjam lőni..)
|
Bejelentkezés
Hirdetés |


















