Fórum témák

» Több friss téma
Fórum » Elektronikában kezdők kérdései
- Ez a felület kizárólag, az elektronikában kezdők kérdéseinek van fenntartva és nem elfelejtve, hogy hobbielektronika a fórumunk!
- Ami tehát azt jelenti, hogy a nagymama bevásárlását nem itt beszéljük meg, ill. ez nem üzenőfal!
- Kerülendő az olyan kérdés, amit egy másik meglévő (több mint 17000 van), témában kellene kitárgyalni!
- És végül büntetés terhe mellett kerülendő az MSN és egyéb szleng, a magyar helyesírás mellőzése, beleértve a mondateleji nagybetűket is!
Lapozás: OK   487 / 4057
(#) nagy_david1 válasza sprofan hozzászólására (») Ápr 21, 2009 /
 
Bocsi az elírásokért pl helyesírás és nem mp3 hanem mp4, de valami lefagyott nállam s nem tudtam javítani. Ha valamit nem tudsz kiböngészni újraírom.
(#) robbbb hozzászólása Ápr 21, 2009 /
 
Sziasztok!

2010es SMD ellenállásból kellene nekem pár darab
/150R,1K,1.5K,3.3K,4.7K,10K,270K,470K,2.2M/
A lomex oldalán nincs mindegyikből raktáron.
Tud valaki olyan helyet ahol kapható/rendelhető?
Estleg nincs otthon valakinek elfekvőben?

Köszi előre is a segítséget!
(#) jdani válasza (Felhasználó 13571) hozzászólására (») Ápr 21, 2009 /
 
Akkor megpróbálom egy NE-vel. Meg tudnád rajzolni nekem, hogy hogy legyen a táp?
(#) sprofan válasza nagy_david1 hozzászólására (») Ápr 21, 2009 /
 
Hát igazság szerint lemeríteni nem fogja, mivel egy napelemről van szó , a másik nagyon régi mp3-amat simán töltötte, arra rá mertem ereszteni de ezt már féltem kicsit. Van frankó 6V-os pici aksim is, azt tudnám vele tölteni amikor nem épp az mp4 van rajta.

Köszönöm mindkettőtöknek.
(#) nagy_david1 válasza sprofan hozzászólására (») Ápr 21, 2009 /
 
Szerintem az ekkoracska aksival való töltést mindenképp mellőzd, viszont nagyon kis helyen pl egy LM317-essel megfelelően beállítva szerintem működtetheted nyugodtan. Esetleg beteszel még egy diódát s akkor visszafele nem fog biztos élni az mp4-ből semmi ha kisebb a feszültseg (nincs nap), s az ic gondoskodik hogy többet ne kapjon még ha sivatagba vagy se
(#) sprofan válasza nagy_david1 hozzászólására (») Ápr 21, 2009 /
 
A frankó pici kis aksit úgy értettem, hogy egy robogóba valóhoz képest egyébként 2,5Ah-s. Már kinéztem magamnak a KA78R05 IC -t(Low Dropout), olcsó és adatlap szerint jó is lessz nekem.
(#) nagy_david1 válasza sprofan hozzászólására (») Ápr 21, 2009 /
 
Értem mire gondolsz, ez már elég kéne legyen szerintem, de puding probája az evés. Amúgy én is ilyen IC-vel csináltam, csak más gyártótol.
(#) jdani válasza (Felhasználó 13571) hozzászólására (») Ápr 21, 2009 /
 
igy tuti a működés? amugy kösz, a rajzot
(#) kiskacsa2009 hozzászólása Ápr 22, 2009 /
 
Sziasztok!
Valaki meg tudná mondani nekem azt, hogy a
-74 LS 138
-74 HC 138
-74 HCT 138
között mi a különbség (Az árát leszámítva)?
Válaszotokat előre is köszi!
(#) kiskacsa2009 hozzászólása Ápr 22, 2009 /
 
Sziasztok!
Szeretnék építeni egy kivezérlésjelzőt, de nem ledekkel, hanem izzókkal.
És azt szeretném megkérdezni, hogy hogyan oldható meg úgy, hogy nem kell reléznem?
Gondolkodtam mér ezen, de arra jutottam, hogy drága lenne 20-at venni belőle.
Optocsatolóval, meg gondolom nem művelhetem ezt, vert minden másodpercben cserélgethetném.
Tehát mit javasoltok?
Válaszotokat előre is köszi!
(#) gg630504 válasza kiskacsa2009 hozzászólására (») Ápr 22, 2009 /
 
(#) MolnarG hozzászólása Ápr 22, 2009 /
 
Sziasztok!

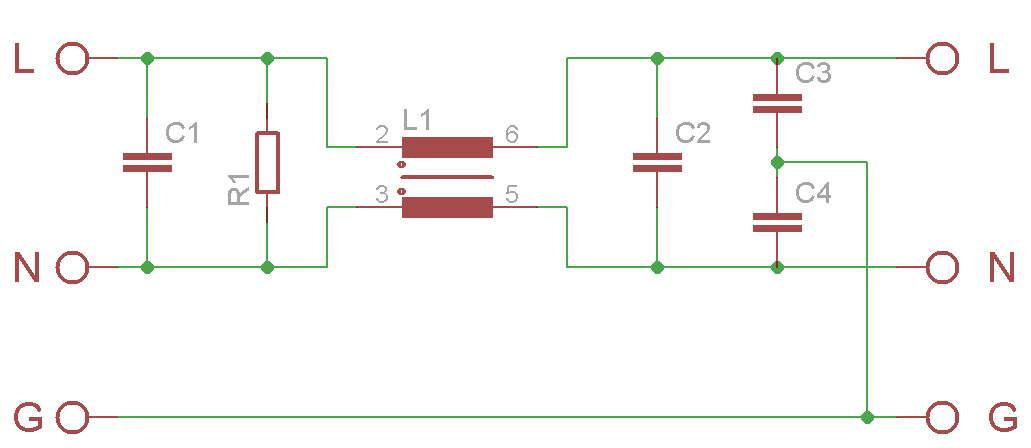
Szeretnék csinálni egy emi filtert. Tudom, hogy lehet kapni készen is, de érdekel, hogy hogyan kell méretezni. Egy erősítő tápjának trafója előtt lenne. A trafó 150VA teljesítményű. Mekkorák legyenek az L, C és R értékek? A HQ-ban lehet kapni 17mH-től 70mH-ig kész szűrő tekercseket, ezekből szeretnék választani.

emifilter.png
    
(#) wg_kezdo hozzászólása Ápr 22, 2009 /
 
Van egy áramköröm amibe led-et akarok tenni de előtét ellenállás nélkül.
Ha az elem pozitív csatlakozójánál megmérem, hogy a leddel együtt mekkora áramerősség megy át és ez mondjuk 20mA akkor felesleges az előtét ellenállás ugye?
(vonatkoztassunk el az extrém esetektől 3V-os lapos gombelemről megy és egy AVR egyik lábáról kapja az áramot a led.)
Vagy ha az AVR pozitív sarka elé teszek egy ellenállást akkor az elég lenne?
(a cél a lehető legkevesebb alkatrészből megépíteni az áramköröm)
(#) hc-hefi hozzászólása Ápr 22, 2009 /
 
Sziasztok.

Szeretnék venni egy kicsi, 5 colos TFT kijelzőt (felbontás első körben nem lényeg, inkább a mérete számít), amit rá szeretnék tenni PC-re úgy, hogy külön monitorként lássa. Jó lenne, ha plug and play lenne, mert az elektronikához annyira nem értek.
Ilyesmiről lenne szó:
Bővebben: Link

Sajna ennek a szállítási költsége ide az országra majdnem annyi, mint a kijelző ára. Hol tudnék ehhez hasonlót venni itt magyarországon?

A hozzászólás író ablakban a LINK gomb nem díszítő elem, nem bánt, nyugodtan lehet használni! Frankye
(#) El_Pinyo válasza wg_kezdo hozzászólására (») Ápr 22, 2009 /
 
Szia!
Elméletileg lehetséges a LED előtét ellenállás nélküli meghajtása, de ebben az esetben ez megvalósíthatatlan, azt is elmondom, hogy miért. Nemrég rákerestem neten a LED nyitó irányú karakterisztikájának egyenletére, de sajnos nem jártam sikerrel, annyit találtam, hogy gyakorlatilag matematikailag azonos a hagyományos diódákéval (paraméterektől eltekintve).
Ez pedig így néz ki: I=I0*exp((U/UT)-1) , ebből U is kifejezhető. (I a diódán átfolyó áram; I0 a szaturációs (telítési- hagyományos Si diódáknál ez 10^(-13) A körüli) áram; U a dióda kapcsain mérhető feszültség; UT a termikus potenciál = kT/q). Az egyenletből látható, ha a nyitó feszültséget elérjük, az áram gyorsan nő, majdnem rövidzárként viselkedik. Tehát ez annyit jelent, hogy ha ráakasztod közvetlenül az AVR kimenetére áramkorlátozás (ellenállás) nélkül, akkor az olyan, mintha rövidre zárnád a uC kimenetét. Vannak olyan uC- ek (PIC- nél legalábbis), amelyeknek van programozható feszültség referenciájuk, viszont ezek terhelhetősége nagyon kicsi, emiatt szükséges pl. egy feszültség követő OPA- as kapcsolás. Szóval meg lehet oldani, de nem lesz kisebb helyigényű, mintha csak egy ellenállást kötnél a LED-el sorba.
A táplábra kötött soros ellenállás pedig azért nem jó, mert ha nagyobb áram folyik át, akkor több feszültség esik rajta, ami reseteli majd az AVR-t.
Hasonlóan a gombelem esetén, ha mondjuk max. 20 mA- t képes 3 V kapocsfeszültség mellett leadni, akkor a telep belső ellenállásán fog lejátszódni az előbb említett folyamat, és megint csak reseteli az AVR- t.
Szóval szerintem maradj csak a soros előtét ellenállásnál, SM alkatrészben elég picike az úgyis.
Bocs a regényért!
Üdv.
(#) kiskacsa2009 válasza wg_kezdo hozzászólására (») Ápr 22, 2009 /
 
Egyébként 8 ellenállás nem borítja fel a költségvetést!!
(#) wg_kezdo válasza El_Pinyo hozzászólására (») Ápr 22, 2009 /
 
Nem teljesen értem amit leírtál.
Nekem eddig jól működött 48 órán keresztül folyamatosan világított és semmi baja nem lett egyik alkatrésznek sem. Az AVR nem resetelődött nem melegedett és az elem is simán bírta.
Az ellenállást csak azért kéne odatenni mert itt sokan "sírnak" azért, ha nincs rajta és ezt el akarom kerülni.

Smd kizárt mivel egy olyan eszközt akarok készíteni amihez a lehető legkevesebb alkatrész kell és halandó is el tudja készíteni.

Amúgy érdekes, kipróbáltam:
Rákötöttem a gombelemet egy ATTiny45-re
Majd 3 lábára 3 db led-et (nagy fényerejű 3mm-es fehér ledek).
Ha világít mind a 3 akkor kb 3mA-t vesznek fel, ha nem akkor 0,7mA-t.
Rákötöttem külön az egyik lábról a leden keresztül a negatív pólusra. Így 1 mA-t mértem.
Resetről szó sincs szépen villognak.
Akkor most nem értem lehet, hogy ezek az alkatrészek nem olvasták azokat a könyveket ahol a fentiek le vannak írva?

Vagy csak annyira beleverték mindenki fejébe az iskolába az előtét ellenállást, hogy már nem is gondolkodik arról kell-e?

Vagy rossz a műszerem?
Vagy rosszul mértem?

Nem kötekedni akarok, de valóban érdekel miért van ez így és valóban szükséges, hogy ellenállás nélkül lehessen megépíteni amennyiben lehetséges
(#) wg_kezdo válasza kiskacsa2009 hozzászólására (») Ápr 22, 2009 /
 
Nem a ktg, hanem a hely és a forrasztások száma a lényeges.
(fogadjuk el, hogy a cél a lehető legkevesebb alkatrész ).
(#) El_Pinyo válasza wg_kezdo hozzászólására (») Ápr 22, 2009 /
 
Akkor egy keresztkérdést feltennék én is. Mekkora a nagy fényerejű Ledek nyitófeszültsége? Mert ez amit írtál, hogy csak 1 mA- t vesz fel, az azt jelenti, hogy nagyon közel van az AVR kimeneti portjának feszültségéhez. Amit írtam az nem a könyvek okosítása, hanem a fizikai működésükből adódik. Próbáld csak ki azt, hogy mondjuk 5 V- ra rakod rá a ledet, de combos legyen a táp, úgyértem bírja a nagyobb áramot is és vele sorba mondjuk egy 100-200 mA- es biztit, mert nem árt. Vagy a biztosító fog kiolvadni, vagy a LED megy tönkre.
Egyébként is hiányosan adtad meg az adatokat. Én hagyományos, mondjuk piros Ledre gondoltam.
(#) wg_kezdo válasza El_Pinyo hozzászólására (») Ápr 22, 2009 /
 
"(vonatkoztassunk el az extrém esetektől 3V-os lapos gombelemről megy és egy AVR egyik lábáról kapja az áramot a led.)"

Ez elég pontos adat:
3V, lapos kis gombelem (nem hiszem, hogy sok fajtája van amit lehet kapni, de CR2032 vagy mi pontosan).

Igazad van piros leddel más az érték:
12,4mA-t vett fel egy 5mm-es snassz mezei piros led. Reset nem történt.

Direkt írtam, hogy nem általános esetet, hanem konkrétan ezt a megoldást szeretném kielemezni mert a levegőben nem USB-ről kap tápot hanem csak erről a kis elemről. (Amúgy helyzetjelző lesz egy repülőn ezért is kell a kevés alkatrész stb...stb...).

Ha két elemet rakok bele vagyis kb 6 V-al hajtom meg akkor valóban felmegy 50mA-re, de 1 db 3V-os elemről volt szó.

Szóval a kérdés, ilyen esetben kell előtét ellenállás vagy nem? .
(#) wg_kezdo válasza (Felhasználó 13571) hozzászólására (») Ápr 22, 2009 /
 
Köszönöm. (kb 5x tettem fel ezt a kérdést itt a fórumon, de eddig soha nem kaptam rá választ és mivel ugyanazt nem lehet megismételni ezért nem is mertem feltenni. Most már legalább tudom, hogy 3,6V-on nyitnak rendesen.)

Amúgy igazad van halványabban is világítottak. Rákötöttem két darab elemet (6V) és nagyon megnövekedett a fényerejük.
A átfolyó áram megnövekedett kb 60mA-re (ezt az elemek + sarka és az AVR 8-as lába között mértem).

Resetről szó sincs szépen villog megfelelő sebességgel.

A kérés még mindig adott. Szükséges-e az előtét ellenállás, ha így is csak 50mA-t vesz fel?
(#) kiskacsa2009 hozzászólása Ápr 22, 2009 /
 
Sziasztok!
Azt szeretném megtudni, hogy a használt vas -klorid maratási sebességét hogy lehet megnövelni?
Válaszotokat előre is köszi!
(#) El_Pinyo válasza wg_kezdo hozzászólására (») Ápr 22, 2009 /
 
Én a Ledre gondoltam, amit nem közöltél. A resetet meg arra írtam, ha az AVR táplábára kötnél ellenállást. A gombelemnek, meg valószínű, hogy nem 20 mA a rövidzárási árama, hanem sokkal nagyobb, tehát a belső ellenállása kisebb, emiatt azon kevesebb feszültség esne. Arról fogalmam sincs, hogy mekkora tápról képesek elmenni ezek az AVR- ek, tehát a reset csupán feltételezés volt, biztosra azért nem állítottam. Az érdekes, hogy sima piros LED- nél ennyit mértél, elképzelhető, hogy ekkora tápnál ennyire tudnak kinyitni a kimeneti Mos tranzisztorok. A nagy fényerejű ledeket használhatod nyugodtan, azok biztosan nem teszik tönkre az AVR- t.
(#) kobold válasza wg_kezdo hozzászólására (») Ápr 22, 2009 /
 
Sokszor megkérdezed még ezt? Ha azt mondják neked, hogy igen, mert az adatlapokban szerepel egy bizonyos terhelhetőség úgy a ledekre, mint egy mikrovezérlő kimenetére, akkor az nem tetszik, mert helyigényes, drága, munka van vele, stb. Ha meg azt mondanánk, nem kell, lenne nagy "ereszd el a hajam", amikor egy-két alkotás füstbe megy.
Amit eddig válaszoltak neked, azt egy dologgal egészíteném ki: mindent megtehetsz az alkatrészekkel, amíg belül maradsz a gyárilag meghatározott paramétereken (áram, feszültség). Azon túl semmi garancia nincs a helyes, vagy a hosszabb ideig tartó helyes működésre - vagyis kispórolhatod azt a pár ellenállást, de ha ezzel úgymond semmibe veszed az adatlapok ajánlásait, ne csodálkozz semmin - és véletlenül se tekintsd általános törvénynek azt, ha így vagy úgy mégis működik.
(#) El_Pinyo válasza kiskacsa2009 hozzászólására (») Ápr 22, 2009 /
 
Szia!
Fel kell melegíteni az oldatot. De azért egy bizonyos elhasználtsági szint után érdemes friss oldatot készíteni.
Vigyázz, mert a melegítésnél intenzívebb a klór gáz fejlődés, jól szellőző helyen csináld!
Üdv.
(#) kiskacsa2009 válasza El_Pinyo hozzászólására (») Ápr 22, 2009 /
 
Az mondjuk nm megoldás, hogy mondjuk sósavat rakok bele?
(#) kiskacsa2009 válasza kiskacsa2009 hozzászólására (») Ápr 22, 2009 /
 
Még valami a régi oldatot fel lehet "frissíteni"?
(#) wg_kezdo válasza kobold hozzászólására (») Ápr 22, 2009 /
 
Most sem kaptam határozott választ csak körítést, de tudom meg kell köszönni és köszönöm is.
Amit kiderítettem, hogy 6V-al 2db nagy fényerejű lednél max 30mA folyik át. Ellenállás nélkül.
Az előtét ellenállás dolga tudtommal, hogy biztosítsa a maximum átfolyó áram mennyiségét.
Következtetésem, hogy ha a maximum valami miatt szabályozva van (mind1 miért) akkor szükségtelen még egy helyen berakni valamit.

Amúgy kipróbáltam most repültem az új helyzetjelzőkkel nagyon jól láthatóak, szépen villognak és a függőlegesen pörögve lefelé jövetben sem resetelt a chip.
Most ráteszem addig amíg lemerül a két elem, ha ezután sem lesz semmi baja akkor szerintem el lehet fogadni működő készüléknek?

(Cikket szeretnék írni erről ezért kérdeztem, hogy ne írjak bele hülyeséget ).
(#) El_Pinyo válasza wg_kezdo hozzászólására (») Ápr 22, 2009 /
 
Látom neked aztán muszáj mindenkivel összeugranod, nem tudom tán lételemed lehet-e?
Idézet:
„és a függőlegesen pörögve lefelé jövetben sem resetelt a chip”

Ha elsőre nem volt világos, és másodikra sem, akkor talán harmadikra felfogod. A resetet a táplábra tett ellenállásra mondtam eshetőségként, valamint ha a gombelemed belső ellenállása 150 Ohm lenne (3V/20mA), de ez nyilván nem áll fenn.
Jó lenne, ha az ilyen gúnyos hozzászólásrészleteidet sürgősen megtartanád magadnak, nem azért próbáltam meg segíteni, hogy utána gúnyolódjál. Köszönetet pedig nem várok, tőled biztosan nem. Engem aztán teljesen hidegen hagy, hogy te használsz-e előtétet vagy nem. Az sem érdekel, ha a 30 mA kinyírja a portot, kívánom, hogy legyen vele szerencséd és ne következzen be a dolog.
Aztán ha meg mégis akkor meg így jártál.
Szevasz.
(#) kobold válasza wg_kezdo hozzászólására (») Ápr 22, 2009 /
 
Idézet:
„Most sem kaptam határozott választ csak körítést”

Erre idézném magamat:
Idézet:
„mindent megtehetsz az alkatrészekkel, amíg belül maradsz a gyárilag meghatározott paramétereken (áram, feszültség)”
.
Ha ez neked nem határozott válasz, az baj. Fordítás magyarról magyarra: ha az elemek felépítése, működése garantálja azt, hogy nem lép fel olyan mértékű terhelés, ami az adatlap szerint már kerülendő, akkor nincs szükség további védelemre. Nyisd ki az adatlapot, tanulmányozd a kimenet fizikai sajátosságait, majd vond le a következtetéseket. Mindezeket elhagyva, tapasztalati úton csak annyit mondhatsz: nálad éppen kibírta, nem ment tönkre.
Tudom, hogy azt szeretnéd olvasni, nem kell az a csesznye előtét - de ilyet csak akkor ír le bárki, ha legalább egy sorral (az adatlapból) alá tudja azt támasztani.
Idézet:
„Az előtét ellenállás dolga tudtommal, hogy biztosítsa a maximum átfolyó áram mennyiségét”

Biztosítás helyett jobb lett volna korlátozást írni, vegyük úgy, hogy csupán rosszul fogalmaztál.
Idézet:
„ha a maximum valami miatt szabályozva van (mind1 miért) akkor szükségtelen még egy helyen berakni valamit”

Na, itt van az eb elhantolva: a következtetés igaz, de hogyan akarsz megbizonyosodni arról, hogy a kiindulási alap igaz-e? Megint csak adatlap - és ha ott megtalálod, hogy szándékosan sem tudnád tönkretenni azt a kimenetet, akkor hajrá. De ha nincs benne, ne várd már el, hogy megerősítsük...

Mindenki örül, ha működik valami egyszerűbben is, csak nem biztos, hogy a jó dolgot tanulja meg belőle. Természetesen írhatsz olyan cikket, ami az előtét-ellenállást száműzi a kontroller mellől, majd megmutatja az értékelés, hogy ez a többieknek mennyire jön be. Ha tankönyvet írnál, a lektor úgyis belekötne.
Mindenesetre, mielőtt tajtékosra ütögeted a billentyűzetet, érdemes lenne megnézni a "nagyok" (értsd: az oldalon ténykedő profik, illetve gyártók, elismert szakik) kapcsolásait, alkalmazási segédleteit, hogy ők vajon hogyan, és miért úgy csinálják.
Következő: »»   487 / 4057
Bejelentkezés

Belépés

Hirdetés
XDT.hu
Az oldalon sütiket használunk a helyes működéshez. Bővebb információt az adatvédelmi szabályzatban olvashatsz. Megértettem