Fórum témák
» Több friss téma |
Az nagyon nem jó, a maximum +-40V (adatlap szerint 50, a gyárikaban meg általában 44 szokott lenni, de maradjunk a biztonságos 40-nél)
Poti: Hogy hová? ha van előerősítő akkor az elé, ha nincs akkor pedig a bemenetre, egyik szélsó láb a bemenő jel, másik láb a GND a középső pedig megy az IC felé. Talán a 47K-val jobban jársz ( amúgy 10 vagy 22k lenne az igazi) Esetleg megoldás lehet az, ha rákotsz az egyik secunder tekercsre egy olyan áramkört ami egyenirányítás után szimmetrikus tápfeszültséget állít elő. Így kaphatnál 25x1,4= 35V-ot nagyából. Kérdés hogy a trafó elbírja-e. Vagy esetleg megjátszhatod még azt is, hogy párhuzamosan összekötöd a 2db secundert, és arra az egyenirányítás majd szimmetrizáló. üdv
Találtam is egy jó kis kapcsolást neked.
Bővebben: Link
+ és - között oké a 76V, ha a + és 0, valamint 0 és - között egyformán ennek a fesznek a fele van.
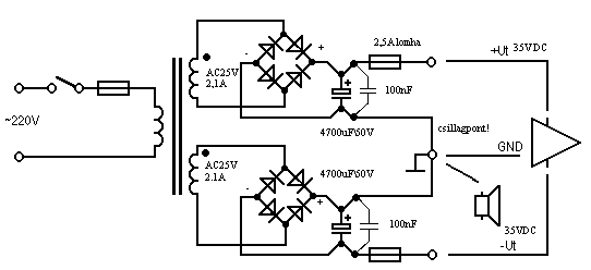
Na most akkor mégis jó amit csináltam? Az előző képen amit belinkeltem, ha ráadom a 230at, akkor a graetz hídnál a + és - lábaknál mindkettő oldalon egyforma a feszültség, vagyis 38,3 volt, a végén 76.6volt.
Nincs előerősítőm, tehát a poti bal lába a in+, jobb lába in-, de nem értem a középsőt, hogy ic felé? Közvetlenül az ic-re vagy valamelyiik lábra? Kösz a segítséget!
Poti egyik szélső lába lesz a bemenet, a másik szélső lábát le kell földelni, a középsőt pedig a végokozat bemenetére kell kötni, azaz a 220nF-ra. De megjegyzem: szerintem ilyen alapok nélkül, mint a "hogyan használható egy potenciométer feszültségosztóként" nagy merészség belevágni még egy ilyen egyszerűnek mondható utánépítésbe is.
Apropo: a táppaneledről mutatsz kapcsolási rajzot? Mert elmondásod alapján úgy sejtem, hogy 2 db 25V-os és 2 db 18V-os szekundertekercse van.
Oké! Nincs képesítésem, nyomdász vagyok, de érdekel az elektronika és senki nincs a közelembe aki ért hozzá. Igen a trafónak 2db 25v és 2db 18v kimenete van
25*1.41=35,2
70 voltnál nem nagyon kellene többet mérni 6 voltal többet biztosan nem. A 18 voltos szekunder tekercseket hagyjad szabadon.Estleg késöbb jó lehet előerősítő ,védelem ,kivezérlés mérő táplálására. A mérésnél figyelj oda ,hogy ha a transzformátor szekunderén mérsz akkor a műszert 200V AC állásba tekerjed. Ha a gretz után akkor DC -re. A primert meg nagyon alapossan szigeteljed le , nehogy megrázzon. Ez lehet a eltérés oka , ha igy csináltad akkor az amit korábban zupp is említett: A szekunder tekercseket fázishelyesen kell bekötni.A lényeg az hogy amikor a trafót tekerik akkor van a drótnak egy kezdete ,és egy vége. Rajzon ezt egy pontal is szokták jelölni. Lóg egy kék vezeték a trafón , ha az egy árnyékoló lemezhez van csak forrasztva akkor kössed be a csillagpontba.Jah melegen ajánlott védőföldeléses dugvilla használata , a zöld vezeték a majdani fémházra ,és a csillagpontra is . Egyébként szép lett a nyák , és szerintem jól működik. Ha mégsem ez akkor a műszered pontatlan ,a táp jó.
Ha kell teszek fel képet az én trafómról hogy hogy kell bekötni.
Köszönöm az infókat kipróbálom aztán írok mire jutottam. Két műszerrel mértem különböző készülékek és mindkettő ugyanazt mérte.
Én csak arra próbáltam rávilágítani ,hogy egyenfeszültség mérésénél nem e váltófeszültség állában volt a műszer ,illetve vagy fordítva.
Na kipróbáltam és komoly hangja van, nincs torzítás, búgás, el sem hiszem hogy sikerült. Egy bajom van, ha kikapcsolom, 2sec. után kiad valami hangot, ez mi lehet?
Köszönöm mindenki segítségét! Most agyalok valami új projekten.
Ha jól tudom akkor koppanásgátló kellene bele. Ez megfelelő?Bővebben: Link
Itt van egy relé ezt használhatom a kapcsoláshoz, bár jól látom, hogy más a lábkiosztása? De ha van valakinek egy egyszerű és olcsó kopp. gátló kapcsolási rajza azt megköszönném.
Valami olyasmi . De elméletileg nem koppanhat ,ha jó rajz szerint készült a végfokod. Van róla rajzod ,vagy lefotóznád?
Ha drága hangfalat használsz akkor mindenképpen kell, ha valami SAL vagy más kínai akkor felesleges.
Hát mnc hangfalakat használok meg később bővíteném sztereóra ugyhogy gondoltam csinálok kopp gátlót meg hát szoktam dj-skedni aztán az ott használt hangfalakat megvédeném. Itt a rajza:Bővebben: Link
Kicsit rossz a netem , azért küldem el mégegyszer tehát itt van ez a relé, ez jó a majki féle kopp. gátlóhoz?Bővebben: Link
Elméletileg jó de ,mindenképpen győzödjél meg, arról ,24 voltos egyenáramú ,és legalább kétmorzés legyen.A rajzon olyan van ami 4 morzés ,de kettesével párhuzamossan.
mod: Esetleg ez
Rámértem mindkét oldalon lévő kimenetekre a trafón és 25V feszt mértem mindkét oldalon.
bocs félreértettem, hülyeséget írtam az előbb. Az hogy párhuzamosan 2 morses az azt jelenti, hogy a relé 2ák? Illetve a védelemnek külön kis trafó kell gondolom viszont a védelemnek akkor 24v trafót vegyek, olyanra gondoltam amit a nyákra lehet forrasztani vagy 2*24v veszek és akkor majd a két védelmet evvel az eggyel táplálom?
Arra gondoltam mivel mindenképpen kell vennem trafót, vennék egy 500va 2*24V toroidot, viszont ez a trafó elegendő lenne 2db hidalt tda7294-hez, tehát 2 külön hidalt végfok panelre vagy legyen 600va-s?
Ha toroidot veszel, akkor már 600-ast vegyél, 2x30V AC szekunderrel. Az 500-as nem biztos hogy elég lenne neki, főleg ha teljesen ki akarod használni a teljesítményét. Aztán gondolj arra is hogy előfok is kellhet hozzá, tehát a toroidra még rá kell majd dobnod egy 2x12V-os tekercset is, valami vékony drótból, meg nem ártana rá egy külön 12V a védelemnek, ventillátornak, stb-nek.
Ok! Előfok mindenképpen kell? az előfok tápját, nyáktrafóval is meglehet oldani? A 11:26kor írt kérdésemre is kaphatnék választ?
Ne követelőzz.
Előfok nem biztos hogy kell, miről hajtod majd ?
Persze, nyáktrafóval is meg lehet oldani, de jobb és olcsóbb ha rátekersz a toroidra néhány menetet. A relé kiválasztása nem nagy probléma, lényeg hogy jó legyen az adott védelmi kapcsoláshoz és bírja a terhelést (minimum 6A-es) A hidalt 7294-hez, jó ha csinálsz előfokot. Én TL 072-vel csináltam hozzá egy egyszerű kapcsolást, egy még egyszerűbb táppal és tök jó lett :yes: Ha kell a nyákterv, akkor az is van.
Be is építetted az új erősítődbe? Gondolom most már max ki tudod hajtani.
Hát megköszönném ha raknál fel előfok rajzot+táprajz arról a tl072-ről meg nyáktervt. Relének ez megfelel:Bővebben: Link
Igen benne van, már így szólt a szombati buliban is. Most nagyjából megegyezik az érzékenysége a gyári végfokokkal, és szebben is szól.
Sajnos nem tudom megnyitni a linkedet :no:
Én legutóbb ilyeneket építettem a védelembe. Ezt a kapcsolást csináltam meg duplán, TL 072-vel. A nyákon a tápja is rajta van, szimpla 15V váltó kell neki.
Bocsi hogy közbeszólok, de felfigyeltem a muszály a szimmetrikus táp? mondatra! Hát ha nem szimmetrikus tápot használsz akkor megvan a probléma, ugyanis akkor offset kompenzálással a kimeneten fél tápfesz jelenik megez okozza a recsegést és idővel a hangszóró elhalálozását is. A másik, valószínű, hogy hídba azért nem megy, mert én nem nagyon látom, hogy a másik IC invertálva lenne, tehát ugyanazt a jelet adja ki mind a kettő ami azt eredményezi, hogy amit hallasz az a sztereó jel különbségéből adódik és azért kapcsol ki mert folyamatos torzítást érzékel. A hűtőbordákat nem kell elszigetelni csak az a lényeg, hogy ne érjen rá a panelon semmihez, 4ohm-os hangszóróva mennie kell ugyanis ha valaki utána számol akkor az adatlapja szerint 10 ampert bír a kimenetén, 35V 4ohm az még nincs 10 amper, tehát mehet. Jah és egyébként bár az adatlapja max 100W-nak írja jóval többet el lehet belőle érni csupán annyit kell tenni, hogy nem a tápfessz-t visszük fel a csillagos égig, hanem a visszacsatoló ellenállást igazítjuk a tápfeszünkhöz, nekem 30K-s van és így elértem, hogy 37v-ból a kimeneten megjelenik 33, ami már elég szép teljesítmény, persze plusz és minusz egyaránt. Remélem tudtam segíteni, ha valami kérdés van kérdezzetek engem is egy péárat már építettem, ha pedig tévedtem valahol akkor szóljatok
A 7294 valóban képes extrém nagy villamos teljesítményt leadni, a hidalt +/-43V-ról 300W közelébe is mehet 4 Ohm-on, hatalmas torzítással. Ezt műterheléssel egy-egy teszt kedvéért ki lehet próbálni, legalább 500W / csatorna tápegységgel és brutális hűtővel. Azonban tartósan nem erre való. Szerintem hosszú távon kifizetődőbb lehet a gyári ajánlás betartása ahelyett hogy néhány plusz Watt-ért tuningolásba fogjunk. Ha a hűtőbordákat nem szigeteljük le és ezáltal rájuk vezetjük a negatív tápfeszt, így nagymértékben növeljük a meghibásodás kockázatát is.
jó lesz az is amit ajánlottál, mert amit én néztem csak 5amperes. A lay fájlokat nem tudom megnyitni gifbe fel tudnád rakni nekem köszi. Viszont ebből nekem 24V-os kell?
Hogy hány V-os relé kell az attól függ hogy hogyan van méretezve a kapcsolás amit csinálsz. Én 2 db 12V-os ból csináltam a mellékelt kapcsolást. A LAY-t Sprint Layouttal tudnád megnyitni, bár lehet hogy előtte le kell mentened és a már futó Sprint Layouttal megnyitni. Próbálkozz, de azért mellékelem az előfok nyákját GIF-ben is.
|
Bejelentkezés
Hirdetés |













