Fórum témák

» Több friss téma
Fórum » HDD switch on/off 5.25 panel
Lapozás: OK   1 / 1
(#) ylke hozzászólása Máj 29, 2009 /
 
Hello mindenki!

Egy kis segitseget keresek. Jomagam teljesen hulye vagyok az ilyen "szereld magad" megmozdulasokhoz, ugyhogy egy lelkes resztvevot keresek, aki nemi juttatasert megoldja a problemam. Ami a kovetkezo:

egy haz 5.25-os paneljebe be kene tolni 5 vagy 6 on/off kapcsolot (amennyi belefer, de min. 5) ami a vincsesztereimet kapcsolgatna ki es be egyessevel.

Nemtunik nagy munkanak, es gondolna az ember hogy ezt valaki mar feltalalhatta volna de nem ...

a legkozelebbi cucc ami ehez hasonlo a lamptron hummer:

http://www.legitreviews.com/article/744/1/

ezzel viszont az a gond hogy ugyan a 12V-ot elvagja es rakoti a kapcsolora de az 5V meg fenn akadas nelkul folyamatosan ott figyel a disk-en, es ezzel termeszetesen tonkre is teszi..

Igy nekem ugy tunik hogy egy olyan kapcsolo alkalmazasa kene aminek legalabb 2 input es 2 outputja van amit parhuzamosan kapcsol.

Ahogy neztem ilyen kapcsolo letezik, csak a megalkotott termek hianyzik a piacrol..

Otlet, meglatas, lelkesedes a project irant ??

udv
yLke
(#) zolee1209 válasza ylke hozzászólására (») Máj 29, 2009 /
 
A vinyónak nem tudom, mennyire tesz jót, ha közvetlenül lekapcsolod a tápról... szerintem az is tönkrevágja, ha mindkét feszültséget leveszed a vinyóról. Egy lehetséges megoldás, mivel egy kis kapcsoló nem képes olyan áramot kapcsolni, mint amennyi kell a vinyónak, hogy a kapcsolóval egy relét kapcsolsz, ami célszerűen kétáramkörös. A relére köthetsz LED-et, hogy látsd melyik van bekapcsolva...

szerk.: A képre már nem rajzoltam fel: A relé tekercse az érintkezőket működteti, mely szakítja az 5V-ot és 12V-ot...
(#) ylke válasza zolee1209 hozzászólására (») Máj 29, 2009 /
 
a vinyo taprol valo lekapcsolasa nem problema, mert mielott az megtortenne softveresen parkolo pajara kuldom. Az en gondom ott kozdodik hogy megha akarnam se tudnam ezt a kis panel-t megcsinalni, mert nincsenek hozza eszkozeim az eg vilagon semmi

Lehet rosszul fogalmaztam az elejen, de en igazabol keresek valakit aki ezt a termeket nekem eloallitja olyan allapotban hogy azt mar csak hasznalnom kelljen

ha ez nem a megfelelo hely erre es esetleg tudsz egy ceget ami az ilyen keresek kivitelezesevel foglalkozik azt is nagyon megkoszonnem
(#) zolee1209 válasza ylke hozzászólására (») Máj 29, 2009 /
 
Tudtam, hogy mit szeretnél, de leírtam, hátha valakinek jól jön... Felkereslek privátban, a többit majd ott, mert itt off lenne...
(#) lalca válasza ylke hozzászólására (») Máj 29, 2009 /
 
Esküszöm,ma délelőtt pont ez járt a fejemben!
Én az átkapcsolást szoftveresen oldanám meg,a printer port segítségével.Az előlapra csak 8 ledet tennék,a vizuális visszajelzés érdekében.
(#) ylke válasza lalca hozzászólására (») Máj 29, 2009 /
 
printer port hasznalata nehezkes mert tok ures haz tele vinyoval.. se alaplap se processor se printer port
csak egy sata port multiplier
(#) potyo válasza zolee1209 hozzászólására (») Máj 30, 2009 /
 
Idézet:
„szerintem az is tönkrevágja, ha mindkét feszültséget leveszed a vinyóról.”


Gondolod, minden áramszünetkor tönkremegy az összes merevlemez, ami be volt kapcsolva? Semmi baja sem lesz, ha csak elveszed a tápot, a lemezeket tovább pörgeti a tehetetlenség, tehát a fej nem ér hozzá a lemezekhez, a fejet pedig mágnes vagy rugó visszahúzza a parkolóhelyre, és így már biztonságban áll le a lemezek forgása.

Idézet:

Egy lehetséges megoldás, mivel egy kis kapcsoló nem képes olyan áramot kapcsolni, mint amennyi kell a vinyónak, hogy a kapcsolóval egy relét kapcsolsz, ami célszerűen kétáramkörös.”


Azt az 1A áramot simán tudja szinte bármelyik kapcsoló
(#) witi válasza potyo hozzászólására (») Máj 30, 2009 /
 
Ez így igaz és mivel SATA vinyórol van szó üzem közben is ki lehet venni mint egy pendrive-ot, természetesen ÉSSZEL (végigjátszuk a "hardver biztonságos eltávolítása" című játékot).
(#) Gafly válasza potyo hozzászólására (») Máj 30, 2009 /
 
Attol azert tartanek hogy a tapfesz nelkuli vinyo rajta marad a buszon es lefogja. Esetleg ki lehet probalni hogy lehuzod a vinyirol a tapcsatit es ugy mukodik-e a gep. Ha igen, akkor van csak ertelme tovabbmenni...
(#) ylke válasza Gafly hozzászólására (») Máj 30, 2009 /
 
Ez egy hot swap rendszer.. a controller lekezeli a vinyo veszteseget annak ellenere hogy a data kabel meg mindig be van dugva .. tehat tenyleg csak annyi kell hogy en megnyomom a "safe remove" gomb-ot a vinyo parkolo pajara all.. es itt jonne kepbe az en ho"n vagyott kapcsolom ami elvagja mind2 aram madzagot egyszerre
(#) zolee1209 válasza potyo hozzászólására (») Máj 30, 2009 /
 
Idézet:
„Gondolod, minden áramszünetkor tönkremegy az összes merevlemez, ami be volt kapcsolva?”

Sajnos nem tudom! Az eddig előfordult áramszüneteket kibírta a vinyóm. Nem vagyok számítógép guru, de szerintem nem mondtam semmi rosszat azzal, amikor azt írtam le, hogy
Idézet:
„szerintem az is tönkrevágja, ha mindkét feszültséget leveszed a vinyóról”
Nekem azt mondták, amikor megvettem a gépet, hogy nem tesz jót neki, ha ilyet csinálok a géppel... De végül is mindegy.
Az pedig, hogy én üzembiztosabbnak tartom a relés megoldást az egy szem kapcsoló helyett, az pedig a saját meglátásom eredménye. Mint kiderült, nincs is lehetőségünk karos kapcsolók alkalmazására, de ez már részletkérdés...
(#) tiggersoft válasza ylke hozzászólására (») Máj 31, 2009 /
 
Szia szerintemIlyen kapcsolókkal meg tudod oldani.
Kát áramkörös tehát egyszerre tudod megszakitani az 5 és a 12v-os ágat. Ráadásként világit is ami megkönnyiti a ki-be kapcsolt vinyók megkülönböztetését...
(#) zolee1209 válasza ylke hozzászólására (») Máj 31, 2009 /
 
Szia! Be tudnád ide is linkelni a géped konstrukcióját azokkal a paraméterekkel amiket elmondtál nekem? Akkor tudná mindenki, hogy az ilyen kapcsolók nem jók megoldásnak...
(#) pucuka válasza zolee1209 hozzászólására (») Máj 31, 2009 /
 
Üdv!
Az én gépemben van két mobilkeret, többször előfordult már hogy hirtelen ötlettől vezérelve kikapcsoltam, mondjuk a vinyó nem ment tönkre, de a gép azonnali lefagyással díjazta. Azóta odafigyelek.
(#) fefelektonikus válasza zolee1209 hozzászólására (») Máj 31, 2009 /
 
OFF: [OFF] Nekem regebben volt (es meg mindig megvan) egy Maxtor 120GBos, ATA hddm. Sokszor kihuztam csak ugy a tápkábelt belőle (müködés közben), semmi baja nem lett. Egyszer viszont kihúztam és utánna 1 mpen belül vissza is dugtam, és elkezdett kettyegni. Mechanika nem sérült, csak a kar mozgatását vezérlő chip (vagy még a microcontroller is). Kicseréltem a panelt, helyreállítottam az MBR-t és ment tovább.
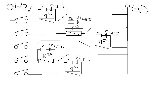
(#) zolee1209 válasza ylke hozzászólására (») Jún 7, 2009 / 4
 
Szia! Készítettem egy előlaptervet. Vetnél rá egy pillantást, hogy jó lesz-e?!

Előlap.jpg
    
(#) ylke válasza zolee1209 hozzászólására (») Jún 10, 2009 /
 
hey,

jol nez ki hajra .. mikor lesz kezzel foghato?
(#) zolee1209 válasza ylke hozzászólására (») Jún 10, 2009 /
 
Igyekszem minél hamarabb elkészíteni, de a munkám miatt kevés szabad időm van. Szeretném, ha legkésőbb hónap végére a kezedben lenne!
Következő: »»   1 / 1
Bejelentkezés

Belépés

Hirdetés
XDT.hu
Az oldalon sütiket használunk a helyes működéshez. Bővebb információt az adatvédelmi szabályzatban olvashatsz. Megértettem