Fórum témák

» Több friss téma
Fórum » Digitális árammérő
 
Témaindító: POWERIVÁN, idő: Aug 28, 2006
Témakörök:
Lapozás: OK   3 / 5
(#) SzervízMacska válasza zoly15 hozzászólására (») Jún 8, 2009 /
 
Idézet:
„Miért, az a kicsike eltérés olyan sokat számít?”

Elég tetemes hiba egy mérőeszköznél, nem gondolod? Csak írd fel egymás mellé a két számot, és gondolkodj az eltérésük arányán!
(#) zoly15 válasza SzervízMacska hozzászólására (») Jún 8, 2009 /
 
Akkor teszek 10X 0.1Ohm ot..
Idézet:
„Elég tetemes hiba egy mérőeszköznél, nem gondolod?”

Bocsi, ez az első mérőeszköz amit én csinálok..
Szóval ilyen téren még semmi tapasztalatom nincs..
De most tanulok evvel...
Köszönöm a választ!

Üdv!
(#) a spojleres válasza zoly15 hozzászólására (») Jún 8, 2009 1 /
 
szia sőt még néha az is számit hogy az ellenálások lábát néha mijen hosszura vágod le nagy áram esetén de ha 10 párhuzamosan van akkor érdemes majdnem egyformára vágni őket és ha árammérőként használod akkor ott nincsen nagy valoszinüséggel fojamatosan igénybe véve vagyis ha 5w os teljesitményt számolsz ki és valojában csak 3-4 w lesz az elkészült ellenálás az se nagy gond csak ne terheld meg nagy árammal fojamatosan mert általában kevesebb áramot mérünk mint a vge a méréshatárnak de viszont érdemes a teljesitményt a méréshatár maximumára tervezni
(#) zoly15 válasza a spojleres hozzászólására (») Jún 8, 2009 /
 
Szia!
Igen erre gondoltam hogy rövid lábak kellenek a soros ellenállás miatt..
Úgy oldottam meg hogy a 10 ellenállás 2sorban van egymás alatt, 2 élére állított nyáklapra vannak a megfelelő helyre fúrva a lyukak, majd beforrasztva..
Majd ez az egység rá egy másik nyáklapra ami akkora mint a panelműszer nyákja, így elfér mögötte..
Az ellenállások eredője 0.01 Ohm 50W úgy gondolom a teljesítménnyel nem lesz gond..
De én folyamatos mérésre tervezem.. Gondolom ekkora teljesítményű shönttel lehet folyamatos üzem..
Most a számoláson valamit elszámoltam mert a 15A-t úgy írná ki hogy 15.0 azaz 15mV-ot kap a 150mV helyett..
De már rájöttem..
Alkotó számításába helyettesítettem be az én adataimat, de a shönt értéke amivel ő számolt (0.05 Ohm)..
Gondolom már nem voltam este mikor számoltam oylan figyelmes..
De rájöttem..
Holnap kiszámolom újra..
Majd jelentkezem!
A segítségeket MINDENKINEK köszönöm!

Üdv!
Zoly
(#) a spojleres válasza zoly15 hozzászólására (») Jún 8, 2009 /
 
igazábol azt a söntöt ugy kellene kiszámolni hogy a müszer feszültség igényét vagyis a 199.9 mV ot kell megcélozni jelen esetben 15 A nél 150mV és igy a müszered fog majd tudni 19.99A mérni
vagyis a 150mV ot osztod a 15 A el = 0.01Ohm
P=0.15Vx15A=2.25W vagyis az 50W bőven elég és a müszered méri majd a 15 A nél a 0.01A is vagyis 10mAmpert
és még egy fontos dolog ha válto áramra szeretnéd mérni akkor kell még hozzá ac/dc átalakito is ha kell ijen akkor irj van hozzá rajzom 3 1/2 digitre pontos
(#) zoly15 válasza a spojleres hozzászólására (») Jún 8, 2009 /
 
Szia!
Köszönöm az infókat..
Én kizárólag DC feszültségen szeretném használni..
(#) zoly15 hozzászólása Jún 9, 2009 /
 
Sziasztok!
Át számoltam az egészet újból...
Most más eredmény jött ki..
De most az R3--> 0 Ohm
R4-->300 Ohm
Lehetséges olyan hogy az R3 0 Ohm legyen?
Vagy valamit elszámoltam?
Kiszámoltam így 2X is de ugyan ez lett a vége..
Alkotó azt is írta, hogy az ellenállásoknak nem az értéke hanem az aránya a fontos..
Szóval ha én beteszek R3 nak egy 10Ohm ost akkor R4-nek már 4K Ohm kell?
Jól értem én ezt?

Üdv!
(#) proli007 válasza zoly15 hozzászólására (») Jún 9, 2009 /
 
Hello!
És szerinted mi, honnan tudjuk meg, hogy mire gondolsz, ha nem utalsz, vagy hivatkozol rá? Csodát már tudunk készíteni, de a gondolatolvasás még sajna nehezen megy. :yes:
üdv! proli007
(#) zoly15 válasza proli007 hozzászólására (») Jún 9, 2009 /
 
Jaj bocsi, a nagy rohanásban elfelejtettem a csatolmányt
Pedig direkt össze is vágtam hogy értsétek miről beszélek..
Most feltöltöm..
De mostanra már sikerült megoldani a problémát.. Egy 10 Ohm és egy 3000 Ohm os ellenállással..
Rakok fel arról is képet..
Még egyszer bocsi azért hogy elfelejtettem a csatolmányt..
De köszönöm MINDEN segítőkész fórumtársnak a közreműködését!
Sok dolgot elárultak ami eddig homály volt..

Üdv!
(#) BlackStar hozzászólása Dec 2, 2009 /
 
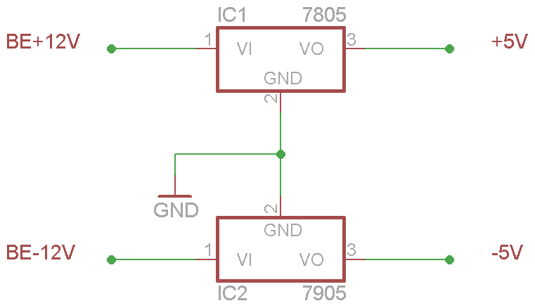
Sziasztok!
A mellékelt elméleti rajzon szeretnék áramot mérni. Sajnos helyhiánnyal küzdök ezért csak egy PM438 panelmérőt tudok betenni. A gondom, hogy két ág van (+5V,-5V). Hogyan tudom ezt egy panelműszerrel mérni? Először PIC (AD) szerettem volna, mert egy LCD kijelző elfér és mind a két ágat külön meg lehetett volna jeleníteni. Sajnos a PIC csak pozitív feszt tud mérni.
A válaszokat előre is köszönöm.

rajz.png
    
(#) zoly15 válasza BlackStar hozzászólására (») Dec 2, 2009 /
 
Hali!
Mi lenne, ha egy váltókapcsolóval váltanál a + és a - feszültség között?
Tudtommal a panelmérő tud negatív feszt is mérni.
Így a kapcsoló egyik állásában tudod a + ág feszültségét mérni, a másik állásban pedig a - feszültséget.

Üdv!
(#) BlackStar válasza zoly15 hozzászólására (») Dec 2, 2009 /
 
Szia!
Ha másképp nem megy, akkor egy kapcsolóval oldom meg. Remélem a panelmérő tud negatív feszt is mérni.
Egy PIC LCD páros lenne az igazi mert akkor egyéb dolgokat is kitudnék jelezni. A negatív feszültség okoz gondot a PIC-nél.
(#) proli007 válasza BlackStar hozzászólására (») Dec 2, 2009 /
 
Hello!
Természetesen tud a panelmérő negatív feszültséget is mérni. De a PIC is tud, ha a bemenete előtt, egy invertáló kapcsolású műveleti erősítőt használsz.. (Pontossága persze ennek az ágnak kisebb lesz, a műveleti (pld. offset) hibái miatt)
Vagy csak egyszerűen feszültségosztót használsz, aminek a teteje a referenciára van húzva. (Ez viszont fordítottan fogja megjeleníteni az értéket. És az AD fél tartományát lehet csak használni)
üdv! proli007
(#) BlackStar válasza proli007 hozzászólására (») Dec 3, 2009 /
 
Szia!
Ha tud a panelmérő negatív feszt mérni akkor nem gond bár szerintem az egyik ág negatív előjeles lesz. Van olyan megoldás hogy mind a két ágnál (+5V,-5V) egyformán jelezze ki. (arra gondolok hogy a -5V-nál ne azt írja ki pl. -0.15 hanem 0.15)? A PIC bemenete előtt lévő invertáló kapcsolás érdekelne. Esetleg lenne ilyen kapcsolási rajzod? Ez a megoldás mennyire nem pontos?
Válaszod előre is köszönöm.
(#) proli007 válasza BlackStar hozzászólására (») Dec 3, 2009 /
 
Hello!
Hozzátéve, hogy fogalmam sincs mit készítesz (mire kell), de nem gondoltam én nagy dologra. Persze ez csak egy elvi rajz, hogy a működése érthető legyen.
- A pontossága, pedig olyan, amilyen a két ellenállásé, egymáshoz viszonyítva. Valamint az IC offset feszültsége. De lehet egy OP07-el jobban járnál, mint a CA-val.
- A 0..-5V jelet, 0..2.5V-ra alakítja. A PIC esetében külön referencia kell, ami célszerűen 2,5V lesz. Mert ha a +5V-ot használnád referenciának, ahhoz hasonlítaná a -5V-ot.
- Ez egy kéttápfeszes kapcsolás, de ha egy tápot (0/+5V) alkalmaznál, akkor Rail-to-Rail erősítőre lenne szükség. (még nem mértem ilyent, de a szokásos féltápos erősítőknél, 0..50mV között túl sok a hiba, mert nem tudják lehúzni a kimenetet.

Nem tudom mi értelme van annak, ha a mínusz feszültség előjel nélkül jelenik meg? Általában fordítva szokott a gond lenni. De ezt az invertáló kapcsolást lehet a DVM előtt is használni. csak jelentősen rontaná a pontosságot, ha ez gond. (A PIC, így is csak 1/1024 felbontással működik)
üdv! proli007
(#) BlackStar válasza proli007 hozzászólására (») Dec 4, 2009 /
 
Nagyon köszönöm a segítségedet.
Azt hiszem marad a DVM negatív előjeles kijelzéssel. Egy kapcsolóval oldom meg a két ág kijelzését. A PIC megoldás csak azért merült fel bennem, mert akkor mind a két ágat egyszerre láttam volna az LCD kijelzőn.
A mellékelt kapcsolásodban ha az R1,R2 értéke egyforma, akkor a kimeneten megközelítőleg ugyan az a feszültség jelenik meg csak fordított előjellel? Sajnos a műveleti erősítők még homályos folt számomra.
(#) proli007 válasza BlackStar hozzászólására (») Dec 4, 2009 /
 
Hello!
Valóban így van, ha a két ellenállás egyforma, csak az IC nem tud 5V táp mellett 5V-ra felmenni. (tehát a kimeneti feszültségnél legalább 2V-al magasabb táp kell) Ha meg a 200mV-ot "invertálod" akkor az offset feszültségnek lesz drasztikusabb hatása.. De az IC kimenetét is le lehet egyszerűen osztani a kívánt szintre.
üdv! proli007
(#) Remci hozzászólása Dec 9, 2012 /
 
Sziasztok!

Van 2db ilyen műszerem, amit még régebben vettem és most felhasználnám. Az lenne a kérdésem hogy a kettőt lehet-e egy tápról üzemeltetni egyszerre, vagy külön tápfeszültség kell a kettőnek? Azt tudom hogy arról a feszültségről nem táplálhatom amit mérni akarok.
(#) proli007 válasza Remci hozzászólására (») Dec 9, 2012 /
 
Hello!
Akkor már majdnem mindent tudsz. Mert csak akkor táplálhatod azonos tápról, ha a mérések Common (negatív bemeneti pontja) a két mérendő résznél azonos helyről jön.
üdv! proli007
A hozzászólás módosítva: Dec 9, 2012
(#) Remci válasza proli007 hozzászólására (») Dec 9, 2012 /
 
Szia!

Igazából az általad rajzolt tápegységbe szeretném beépíteni őket, feszültség és áram mérésre. A rajzot elnézve viszont úgy látom hogy a bemenetek negatívja nem lesz egy. Tehát akkor két külön tápegységet kell nekik építeni. 2X9v-os szekunder feszültségű trafóm van, arról mehetnek ugye? Még régen vettem a műszereket de még nem használtam ilyet azért kérdezem.
(#) proli007 válasza Remci hozzászólására (») Dec 9, 2012 /
 
Hello!
Elvileg lehetne egy a tápjuk, mert a DCP pont lehetne azonos. Csak egy gond lenne, hogy a feszültségmérő negatívnak mutatná a feszt. Sajnos az LCD-s műszernél nem igazán tudod "kiirtani" az előjelet, pedig sok esetben nem lenne rá szükség..
Természetesen a 2*9V-os trafó jó hozzá.
üdv! proli007
(#) Remci válasza proli007 hozzászólására (») Dec 9, 2012 /
 
Szia!

Akkor készítek 2 külön tápot nekik,nem tart sokáig. Még egy kérdés, ha lehet. Az áram méréshez a feszültséget a shunt ellenállásról kell levennem, ami ha jól számolom 2A-nál 660mV. (a shunt 0,33 Ohm ) Ha azt akarom hogy a műszer 2A-t mutasson, akkor a bemenő feszültségnek 20mA-nek kell lennie ugye? Akkor azt a 660mA-t csak egy potméterrel le kell osztanom 20mA-re,igaz?
A hozzászólás módosítva: Dec 9, 2012
(#) proli007 válasza Remci hozzászólására (») Dec 9, 2012 / 1
 
Hello!
Így van, a 0,33ohm ellenálláson 2A esetén 660mV mérhető. A DVM műszer bementi érzékenysége 200mV. Erre a feszültségre kell leosztani a 660mV értéket. (Nem mA-t) De talán legegyszerűbb módszer, ezt két fix ellenállással elvégezni. (Mint ahogy a mellékelt képen látszik.) Az osztásnak nem szükséges abszolút pontosnak lenni, mert ha a műszert csak erre az áram mérésre kívánod használni, és nincs más mérésnél funkciója, akkor az eltérést az osztásnál, a műszer belső referencia feszültség osztójának beállítására szolgáló trimerrel korrigálható. Vagy is jelen esetben nem 200mV-ra, hanem 206mV-ra fog a műszer végkitérést 1999-et mutatni. Mert azt is vedd figyelembe, hogy a 0,33ohm-nak esetleg +-5% hibája is lehet. (Ha nem jó a 206mV a 0,33ohm miatt, akkor teszel bele 1kohm helyett 910ohm-ot, vagy a 2,2kohm helyett 2kohm-ot. Ez kb. 10%-al tologatja a leosztott értéket.)
A feszültség mérésnél is hasonlóan kell eljárni, csak ott (táp kimeneti feszültségétől függően) 20V/200mV-ra vagy húsz volt felett, 20/20mV-ra kell az osztást méretezni..
üdv! proli007
A hozzászólás módosítva: Dec 9, 2012
(#) Remci válasza proli007 hozzászólására (») Dec 9, 2012 /
 
Szia!

Bocsánat, mV-ot akartam írni, csak siettem. Legközelebb 2x átolvasom az írásom.Köszönöm a rajzot, sokat segített. A feszültség mérésnél értem az osztást, a táblázat is írja. Az áram mérésnél keveredtem bele, mert ugye ott 0,1 ohm -ra van megadva a shunt ellenállás érték, a rajzon viszont 0,33 ohm van és bele bonyolódtam a 200mV-os leosztásba.(a 20mV-ot is elírtam) Ezért gondolkodtam potméterben. Na mindegy, most már menni fog. Köszönöm.
(#) tmarcell hozzászólása Máj 12, 2014 /
 
Sziasztok!
Szeretnék építeni egy árammérőt PIC-el. Kerestem a neten kapcsolásokat, de minél többet találok, annál bizonytalanabb vagyok. 6A-t kéne mérni 12V-on (folyamatos monitorozás), nem kell precíziós mérés, egy kb 10mA-es felbontás tökéletesen megfelel. Sönt ellenállásnak van itthon 2db 0,1Ohm 5W. Ha jól vettem ki, ehhez erősítő is kell már, olyat viszont még soha nem építettem. Van egy TL061CP-m, ha jó erre a célra.
Tudnátok segíteni egy kapcsolási rajzzal? Előre is köszönöm!
(#) proli007 válasza tmarcell hozzászólására (») Máj 12, 2014 /
 
Hello! Megrajzoltam, hogyan lehet megoldani. Ha jól értem, a Shunt ellenállás a +12V-on van.
- A PIC 10 bites. Vagy is a referencia feszültségét 1024 bitre bontja. Ha nem akarsz a programban sokat számolgatni (de Te tudod) és az 5V-os tápját használod referenciának, akkor célszerű 10,24A-ig mérni. Vagy is így 6A esetén 600 bit lesz az eredmény. Azzal 10mA-es a felbontás.
- Ha 5V a referencia, akkor egy bit feszültsége 5V/1024=4,88mV. 600 bitre pedig 2,929V bementi feszültségnek kell lenni.
- Ha a két 0,1 Ohm-ot párhuzamosan kötöd, akkor azon 6A áramnál 300mV esik. Ebből kell a PIC bemenetére 2,93v feszültséget gyártani.
- Az áramkör, egy feszültségvezérelt áramgenerátor. A Shunt-ön eső feszültséget beállítja az R3 ellenálláson. Így azon 0,3V/100ohm=3mA áram folyik át. Ez az áram folyik a R6+P1 tagon is. Ennek értékét úgy kell beállítani, hogy 2,93V legyen az eredmény. Természetesen a potival, a Shunt és egyéb ellenállások pontatlanságát is korrigálni lehet.
(#) tmarcell válasza proli007 hozzászólására (») Máj 14, 2014 /
 
Nagyon köszönöm a segítséget!
(#) neoone válasza proli007 hozzászólására (») Szept 8, 2014 /
 
Szia! Tudnál egy kicsit segíteni ezzel a feszültségvezérelt áramgenerátorral kapcsolatban? Én 10A-t szeretnék mérni max. méréshatárként ( lehet a fent írt 10,24A is ). Próbáltam a leírásod szerint számolni az ellenállások értékeit, de teljesen belekeveredtem.
Valamint érdekelne egy olyan verzió is ahol a táp fesz. 3.3V és a mérni kívánt érték max. 10A.
Előre is köszönöm a segítséged.
(#) proli007 válasza neoone hozzászólására (») Szept 8, 2014 /
 
Hello! A működését kell megérteni, akkor már tudod számolni is. Az IC az R3 ellenálláson pont akkora feszültséget állít be, mint ami a shunt ellenállásokon esik. Így az R3-on folyó áram IR3=UR3/R3 lesz. Az emitterben folyó áram megközelítően azonos a kollektorban folyó árammal, így a kollektorba akkora értékű (R6+P1) ellenállás kell, amekkora feszültséget szeretnénk ebből képezni a GND felé. (Természetesen arra ügyelni kell, hogy a maximális áram esetén sem legyen UR3+U(R1+P1) feszültsége, mint a tápfesz. Mert akkor nem tud működni.)
Így már oda-vissza felé számolható a dolog..

Ha pld. ha a Shunt értéke 50mohm az áram 10A és ebből 5V feszültséget szeretnénk elérni, akkor,
- Us=I*Rs=10A*50moh=0,5V.
- Us=UR3=0,5V IR3=UR3/R3=0,5V/100ohm=5mA
- (R6+P1)=Uki/IR3=5V/5mA=1kohm
- Az R6 és P1 értékét a kívánt beállítási tartomány szerint választjuk meg. pld. ha ez kb. 10%, akkor R6-nak 910ohm-ot, P1-nek 220ohm-ot választhatunk.
- Mivel UR3+U(R6+P1)=0,5V+5V=5,5V. V1 bementi tápfesz nem lehetne elvben kisebb, mint 6V. (Tranyónak is szüksége van némi kollektor-emitter feszültség különbségre.

A 3,3V tápfesz alatt mit értesz? Mert ha a V1 feszültségét és a kívánt áramarányos feszültség 0..3,3V, akkor azt nyilván nem lehet megvalósítani így. Ezekkel az eszközökkel, meg pláne. Akkor más utat (kapcsolást - eszközöket) kell keresni.
A hozzászólás módosítva: Szept 8, 2014
(#) neoone válasza proli007 hozzászólására (») Szept 8, 2014 /
 
Szia! Köszönöm az eddigieket. A 3.3V tápfeszültségen azt értem, hogy egy ATX pc táp 3.3V-os részét szeretném felhasználni elektromos nyák galvanizálásra. Itt szeretném mérni, ezen a feszültségen az áramokat.
Következő: »»   3 / 5
Bejelentkezés

Belépés

Hirdetés
XDT.hu
Az oldalon sütiket használunk a helyes működéshez. Bővebb információt az adatvédelmi szabályzatban olvashatsz. Megértettem