Fórum témák
» Több friss téma |
Fórum » PIC - Miértek, hogyanok haladóknak
Nem, nem természetes az ilyen pontatlanság, de nem írtál a többi részletről, pl. hogy miről jár maga a PIC, az órakvarcot mivel rezgeted és hogy számoltatod róla a TMR0-t, a TMR0 túlcsordulásaikor miket csinálsz.
Óra építéséhez a többiekhez hasonlóan én is javaslom inkább a TMR1-et felhasználni a saját, direkt órakvarcokhoz való, beépített oszcillátorával, a programfuttatás pedig mehet a belső órajelről, akár 8MHz-cel is. A TMR1 használata azért is hasznos, mert tud aszinkron módban működni, amikoris a CPU-t elaltathatod egy sleep utasítással, ha éppen nincs semmi dolga, a TMR1 tovább fog számolni. A TMR0 nem tud ilyet, ha alvásba küldöd a CPU-t, akkor leáll a számlálás.
Hogy mi ment tonkre (ha tonkre ment) nehez kideriteni, inkabb csak kovetkeztetni lehet ra -- inkabb arra kellene koncentralni, hogy mitol...
Amugy amit leirtal az inkabb egy latchup jelensegre enged kovetkeztetni. Pl egy bemenetett / MCLR stb fel ill. lehuzo nelkul, direktben rakotottel a Vpp-re vagy valami hasonlo ami ilyet okozhat a PIC-nel. Esetleg ezt egy rovidzarlatos kondi vagy mas alkatresz idezte elo amit ha kicserelsz megoldodik a problema.
Először is köszönöm a válaszokat és a segítséget!
Kipróbáltam másik alkatrészekkel, majd alkatrészek nélkül, de úgy is melegedett a PIC. Ki akartam próbálni másik programmal, törölni még bírtam, de az új programot már nem bírtam bele írni. Sokadik próbálkozás után felmerült bennem a kérdés, hogy a PK2 jól működik-e. Kipróbáltam más PIC-ekkel, azokat sem bírta írni. Végig csináltam a troubleshoot-ot, ez alapján az derült ki, hogy a PK2 VDD vonalat kapcsoló FET-je nem működik. A másik PIC-eken megpróbáltam azt a barbár módszert, hogy manuálisan adok nekik 5v-ot és aztán rájuk csatlakozok a PK2-vel. Ez sikerrel járt, és felismerte azokat(PIC16F877 és PIC18F45K20). Tapasztalatok: jobban oda kell figyelni a próbapanelen való dugdosáskor, pláne hajnali 3 környékén amikor már tompul az ember. Másik tapasztalat, hogy itthoni jáccadozásra majdhogynem jobb az épített égető, hisz a fetet könnyen és olcsón kicserélhetem. Az áramkör kifejezetten egyszerű volt. RD0 10kohm ellenálláson keresztül egy BC337-es tranzisztort vezérelt, mely egy piezó hangszórót kapcsolt, plusz a szűrőkondik a táplábakon. A CCP modul-t tanulmányoztam compare üzemmódban. Többek között eljátszattam vele a magyar népmesék zanéjét Komolyra fordítva a szót, sajnálom ezt a PIC-et, nagyon jól használható típus, kár hogy bosszút állt a PicKit2-n
Ja ez egy clone volt? Amugy az eredeti pk2-n sem nagy ugy kicserelni a kapcsolo tranzisztorokat. Ha jol emlekszem SOT23-3 tokozasuak vannak benne amiket sima 1mm-es hegyu pointer pakaheggyel le lehet kapni viszonylag siman -- csupan arra kell ugyelni hogy nehogy tulmelegitsuk a nyak rezfoliajat.
Igen clone, méghozzá a Szilva féle. Amúgy valóban nem vészesek a SOT23-asok sem. Azt hittem a gyári PK2-ben bonyolultabb kapcsolóelemet cserélni.
Hello !
A segítségeteket kérném. Ha egy progit f84-re írtak, de én f628-cal csinálom meg, akkor pontosan mit kell hozzáírni vagy átírni, hogy jó legyen? Köszi
Hello,
ez a kérdés már többször előfordult, olvasd el a kijelölt hozzászólás alatti reagálásokat: Itt.
Mivel nem tudok PIC-et programozni, ezért nekem ez így kevés.
Ennél nekem kicsit konkrétabb segítség kellene: Pl: Idézet: - A 16F628(A) analóg komparátorai miatt a PORTA reset után analóg. Programból át kell átállítani.„- A 16F84 -ben a ram 0x0C -től kezdődik, a többiben 0x20 -tól. ” ez világos, bár a hogyan még korántsem Idézet: Feltételes fordítási direktívák alkalmazásával a fenti problémák megoldhatók.„- A16F628-ban az adat EEProm ugyan azon a lapon van, mint a 16F84-ben, de más címen - a fordító tudni fogja. vagyis ezzel nincs dolgom? ” na ez tuti kínaiul volt . . .
de jó lenne ha nem csak 1 percig tudnám módosítani amit írok
vagy legalább a törlés megmaradna, ha már félbemaradt valami
Hát ha nem tudsz programozni, akkor ebből nembiztos, hogy lesz valami. De már nem te vagy az első, akinek 16F84->16F628 próblémája van, van itt még néhány találat a keresővel:Link
ok. akkor a következő kérdés:
nekem vagy nem talál semmit a kereső, vagy ha talál valamit, akkor az egy több ezer hozzászólást tartalmazó topic, amivel megint csak nem tudok mit kezdeni. hogyan lehet a találaton belül keresni? (pl hogy hol van az a kifejezés a több ezer oldal közül??)
A "kereső" itt a topikcím melletti K gombot jelenti. Ha arra kattintasz, csak ebben a topikban keres. A csillag helyére megfelelő keresőszavakat kell írni. Pl. 16f84, 16f628.
Csak 3 oldal jön ki...
én mindig beírtam a "rendes" keresőbe, erről K- ról még nem hallottam.
köszi Idézet: „Mivel nem tudok PIC-et programozni” Akkor egyszerű a feladat: - Megtanulsz PIC-et programozni - Összehasonlítod a két PIC adatlapját s rögtön meg tudod válaszolni a kérdésedet. Általánosságban nyilván nem lehet megmondani, hogy "mit kell megváltoztatni", hiszen az attól függ, hogy mi van az eredeti programban... U. i.: ha a kurzot a gombok fölé viszed, akkor kiíródik, hogy melyik mire való.
Konkrétabban azt tudom javasolni, hogy először beütöd google-be a két típust, jobb esetben a microchip honlapján találhatod magad néhány kattintás után, ahol szépen megnyitod a két kontroller adatlapját, első körben megnézed a Data Memory Organization részt, utánajársz annak -pusztán az érdeklődés miatt-, hogy az adatmemória milyen két eltérő funkciójú részből áll, mi az az SFR, GPR, bankváltás, ( persze megjegyzem így forrás, meg hardware -i rajz hiányában elég nehéz bármit is mondani, ahogy azt trudnai írta ). Feltételes fordítási direktívák, vagy feltételes assemblálás azt jelenti, hogy program bizonyos részei benne lesznek -é vagy sem, a feltételtől függően, röviden és nagyon tömören, de, ha semmilyen szinten sincs fogalmad ezektről a dolgokról, mindenképpen tájékozódj egy kicsit, lehetőleg először ne is programnyelv megismerésével kezdjed, hanem a mikroprocesszorok/mikroszámítógépek működésével felépítésével, vagy, ha csak egy adott hardware-t akarsz gyorsan megvalósítani, akkor mindenképp ragaszkodj a szerző által közzétett alkatrészekhez, ugyanis a kicsinek tűnő változtatás is elég sok bonyodalmat illetve kérdéshalmazt fog eredményezni, mint azt tapasztalhattad.
18F97J60 programozási gond még mindig fennáll.
Adott egy kapcsolás, amiben a PIC bekötése EZEN a rajzon alapul. A PIC felismerődik, de a programozás végén az ellenőrzésnél hibát ír, visszaolvasva minden 0 és codeprotekt is van. Építettem egy csak programozó adaptert hozzá, aminek raját mellékelem, ebben még fel sem ismeri a pickit2. Na gondoltam lehet hogy kinyírtam a PIC.et , vettem másikat, uj foglalat készült hozzá felforrasztva, behelyezve az áramkörbe a jelenség teljesen ugyan az, és a programazó adapteren is. Mi lehet a probléma? 100nf kondik megvannak, VCAP 2µF-10µF próbálva. Gondoltam hogy a 100 lábú kemény dió lesz, de hogy még programot sem tudok
Azt megértem, hogy ez érdekel téged, de azt már nem, hogy az ehhez a családhoz tartozó Programming Specification dokumentumot miért nem olvasod el! Bővebben: Link
Én ott az ENVREG lábnál látom a hibát, mármint, hogy lóg a levegőben, ír is valamit a dokumentációban, de ha nem haragszol meg, így éjfél fele már nincs kedvem/erőm lefordítani (plusz az amúgy sem mesteri szintű angolom miatt is ).
Mellesleg, ettől még lehet, hogy más (is) problémás ezzel a kapcsolással, de ez tűnt fel így első ránézésre, erősen javallott ennek a dokumentációnak az áthámozása..
Plusz, Note 1: All power supply and ground pins must be connected, including analog and Ethernet supplies (AVDD,
VDDPLL, VDDRX, VDDTX) and grounds (AVSS, VSSPLL, VSSRX, VSSTX), ez a figyelmeztetés se lehet véletlen, a te kapcsolásodban mintha ez is hiányozna.
De, ahogy nézem ez az ENVREG láb elég jó dolog, vagy külső forrásból táplálod a kontrollert, vagy pedig az "on-chip" regulatorral, ami Vdd -ből nyeri a működéshez szükséges feszültséget.
A regulator akkor kapcsoljuk be, ha az ENVREG lábat Vdd -re kötjük, amellett pedig low-ESR kondenzátort kell kötni a VDDCORE/VCAP láb közé. Ilyen PIC családot még 100 méterről se láttam, ezért ezt a VDDCOREMAX -ot nem igazán tudom a következő mondatokban értelmezni, gondolom ez a rendes adatlapban le van vezetve, vagy még arra tudok tippelni, hogy meg van szabva, hogy programozásnál/ellenőrzésnél mekkora lehet a feszültségintervallum ezeken a lábakon. Ennyire jutotta most az erőmből, utólagos elnézést kérek a modiktől és az olvasóktól a spammért. Idézet: „A PIC felismerődik, de a programozás végén az ellenőrzésnél hibát ír, visszaolvasva minden 0 és codeprotekt is van.” Ha kódvédelmet égetsz be, akkor nem csoda, hogy nem hagyja magát kiolvasni. Pont erre való... U.i.: Az eredeti (OLIMEX) rajzon az ENVREG és az összes táp/föld láb (amelyeket KissZee felsorolt) helyesen van bekötve, azt kellene követni!
Sziasztok!
Van egy 7.22-es Mplab-om, de nincs benne a szimulátorban soronkénti utasítás végrehajtás, csak animált. Az meg elég gyorsan megy. Tudtok olyan verziót, vagy olyan beállítást, hogy a sorokat egyesével hajtsa végre, ha rányomok egy "léptetés" gombra? Így tudnám figyelni a változókat, regiszterek, stb.
Nem én állitottam ba a kódvédelmet, visszolvasáskor 0-t olvas és a codeprotekt is pirosan ki van írva.
Az én programomban kifejezetten ki van kapcsolva a kódvédelem. Csak azért fordultam ide , mert már ötletem sincs hogy mi lehet a gond, ilyen 18F_J PICet pedig még soha nem is programoztam.
Köszön szépen, tehát akkor, a programozóadapterem, nem jó, viszont a panelom amiben a bekötés egyezik az olimex bekötéssel ,az viszont jó.(ELVILEG..)
Ezért lehet az hogy a panelomban leglább felismeri a PICKIT2 a PICET.
Az MPLAB már 8.33 verziónál tart, talán érdemes lenne felrakni azt.
De úgy emlékszem, hogy a 7.22-ben is F7 volt a soronkénti végrehajtás.
Tisztelt Kollégák!
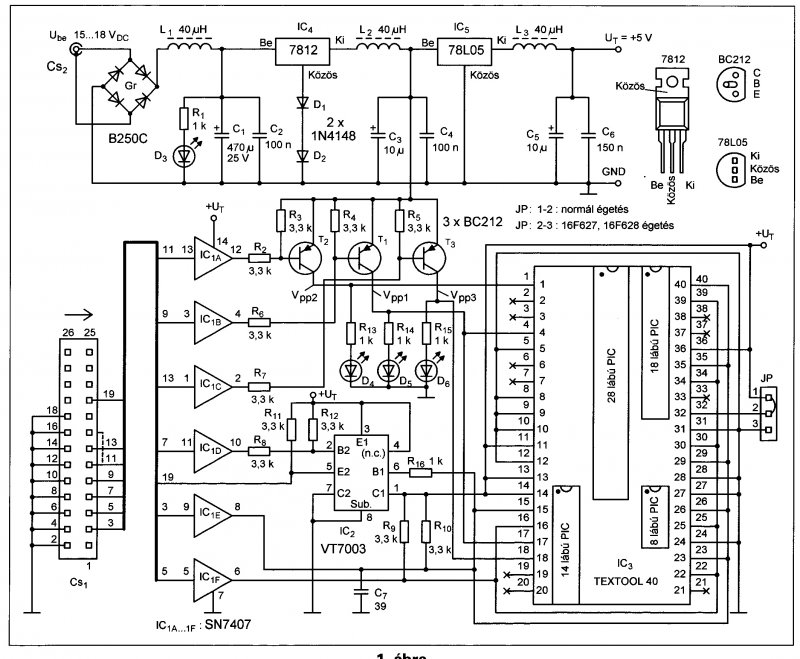
A minap hoztak hozzám egy U*bán féle PROPIC2-őt, amiben az a VT7003-as szörnyűség van. A probléma a következő vele: égeti a PIC-eket mert az én égetőmmel simán vissza tudom olvasni és a tartalma is jó, viszont ha a PROPIC2-vel próbálom visszaolvasni, nem igazán a helyes tartalmat kapom vissza, illetve a verify-ra is errort ad. Én arra VT7003-gyanakszom. A kérdésem az lenne, hogy helyettesíthető-e valamivel. Korább hozzászólásban már olvastam, hogy elvileg 2 tranyó egy tokban, de konkrétan aztán nem lett leírva, hogy tényleg pótolható-e. Csatolom a rajzot. Üdv, Matt
MATT rajzán a tápegység részben miért van szükség a három tekercsre?
Valami zajszűrési célból álmodhatta oda a tervezője, de nem kellenek...
|
Bejelentkezés
Hirdetés |




Komolyra fordítva a szót, sajnálom ezt a PIC-et, nagyon jól használható típus, kár hogy bosszút állt a PicKit2-n
na ez tuti kínaiul volt . . .






