Fórum témák
» Több friss téma |
hali
szeretnek csinalnibiciklire egy9-18voltos 10-15 ledes sztroboszkoppot javaslaitokot elore is varom de legyszi egyszerubb rajzot kudjetek
Szia
Ezért nem tudom minek kellett új témát nyitni ..olvasd át a ledes stroboszkóp témát abban találsz rá választ méghozzá egy 20ledesre ami működik 5V-ról lazánszerk.: az amúgyis stroboszkóp nem pedig "sztoboszkóp"
Ledekkel csak villogót tudsz építeni. Neked egy villanócsőre van szükséged. Az ütős lenne ...
Vegyél ledes strobit kb 4000ft a trafót kiveszed 12voltot adsz neki és már villoghatsz is.
Ha arra kell, hogy világíts magadnak, vagy téged lássanak, arra LED-es lámpát használj! Villanócsővel a bicajon ha meglátnak a kopók, baj lesz belőle. Amúgy is, a villanócsővel téged észrevesznek, de te nem látsz semmit sem szinte, illetve a szembejövőt is megvakítod és ez szabályellenes! Nézz bele a vakuba este és nézz körül!
Bővebben: Link
Bővebben: Link Bővebben: Link Bővebben: Link esetleg még itt Bővebben: Link Bővebben: Link Remélem segítettem.
Szia!
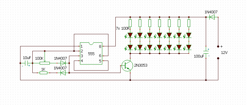
Csatoltam egy kapcsolási rajzot. Ez egy 14 LED-es stroboszkóp ami 12V-ról üzemel. A villogás sebességét a 100k potméterrel tudod változtatni. Szia!
Hello. A 2N3053 helyett jo a BD 138-as vagy mas BD (NPN-re gondoltam)Koszi.
Hali!
Igen, jó a BD138 is oda... csak ügyelj a lábkiosztásra! Apropó, találtam egy jó kis villogtató áramkört. Nagyon egyszerű, simán komplementer tranzisztorokkal. Bővebben: Link Ja és az 1µF-os kondit én kicseréltem 47µF-osra. El lehet vele kisérletezgetni...
Helló szia szevasz vagyok! Olyat szeretnék én kérni tőletek, hogy 6voltra kellene nekem ledes stroboszkóp(motorra). Ha valaki tud kapcsolási rajzot vagy nyák tervet akkor kérem szépen tegye fel hogy hasznát tudjam venni...
Előre is köszi.
Bővebben: Link mehet 6V-ról is
Sziasztok. Nekem is lenne szuksegem egy ledes sztrobi rajzra, csatolom a linket: http://www.youtube.com/watch?v=yteCorz0udY
vagy egy villogo kodlampas dologra: http://www.youtube.com/watch?v=8zFzLj2a0Qw Varom a segitsegeteket.
Üdv! Én ezt megépítettem! Nagyon jól működig. köszi a rajzot! Csak az a baj, hogy gyenge ledekkel csináltam.
Ugy villog ahogy a videon? Vagy legalabb hasonlo?
Esetleg kepet v egy kis videot tudnal feltenni rola hogy hogy villog?
Hello! Itt a video, 1-től 78hz-ig állítható a sebessége! jól működik nekem tetszik! strobi
Ez szuper lesz. Koszi szepen, a heten neki is fogok megepiteni
Sziasztok! Sajnos nem nagyon értek az áramkörökhöz. Ezen az oldalon láttam a rendőrvillogó kapcsolási rajzát. (kék 3 szor villan, majd a piros is 3x; és igy tovább)
Nekem mentőbe kellene. A kérdésem az lenne hogy ezt a kapcsolást 12V-ról lehet üzemeltetni??? nagy fényrejű, lehetőleg nagy leddel lenne elkészítve.(a rajzot mellékelem). Ha nem jó ez a kapcs rajz, kérlek titeket küldjétek el a már átalakított rajzot, hogy a haverral megcsinálhassuk. Illetve még azt szeretném kérdezni, hogy a VCC a hozzátartozó nyilak, a PAD3; PAD4; PAD2 a BLUE írásnál az X -el mit jelent. Csak kérdezem, hogy az X -ek azt jelentik, hogy le kell testelni? Sajnos még soha nem csináltam ilyet, és azt sem tudom hogy a haver mennyire ért hozzá. Esetleg egy értelmezést tudnátok küldeni hozzá???
Hali!
Tisztába vagy vele hogy ez egy mikrovezérlős áramkör?
Sajnos nem! Én nem értek hozzá. Esetleg tudnál mondani valamit? Leginkább azért szeretnék ilyet házilag, mert készen 15-25 e Ft-ba kerül.
Ha tudsz kérlek segíts, mert nem igazán mennek le előlünk, és ebben a villogóban reménykedek hogy majd ér valamit. Segítséged előre is köszönöm.
Ha ennyire nem vagy jártas a dologban, akkor ez nehéz lesz, de ha valakit megkérsz akkor segít, én nem tudok, mert ebbe programot kell "égetni", mrámint a mikorvezérlőbe, és én olyat nem tudok.
Hali!
Ha esetleg nektek az is megfelel, hogy a vörös és kék LED csoportok két villanás után váltsák egymást, akkor egyszerűbb a megoldás. Nem kell hozzá se progi, se PIC, mindössze egy oszcillátor és egy 4017-es nevezetű IC. Ez utóbbi azt bírná csinálni, hogy az oszci minden impulzusára a 10 kimenetére egymás után ad magas szintet (végtelenítve). Ha a vörös LED csoportot az 1. 3. kimenetről, a kéket az 5. és 7. -ről vezérled, a 9. et pedig visszakötöd a reset bemenetre akkor a fent említett két - két villanás jön létre. Ha tényleg 3 villanás a követelmény (KÖHÉM-szőrszálhasogatás vagy ilyesmi) akkor az 54154 IC lesz a te embered, csak az kicsit drágább (cca. 40.- +100 Huf) és nagyobb. Írj ha tudok még valamit segíteni a témában.
Szia!
Hol találtad a rajzot? Ott lehet a kódja is.
Üdv! Nemigazán értelek, vagyis inkább lehet, hogy félre értelek!?
Idézet: „Ha tudsz kérlek segíts, mert nem igazán mennek le előlünk, és ebben a villogóban reménykedek hogy majd ér valamit.” Most ha valódi mentőautóról van szó akkor azon általában szokott lenni villogó nem? De nem tudom, hogy hova kéne! Makett vagy igazi autóba?
Szia! Igazi autóba kell. ugyanis: a kék villogó az autó tetején van. nagy forgalomban az autók hátrafelé egymást takarják, és a visszapillantóban nem lehet közelről látni az autó tetjén levő kék villogót. Ezért szeretnék tenni ledes stroboszkópot a szélvédő mőgé.(öntapadósat, hogy kiszerelhető legyen, és szivargyujtóról üzemeljen)
Vannak olyan mentők amiknek az elején van már úgynevezett toló lámpa ami felváltva villog. csak sajnos a mi mentőállomásunkon nagyon sok az olyan mentő, amiben 400.000 és 800.000 km van. Ezt a sok km-t nem tegnap tették bele, de nem is 2006-ban. 10 éves autókról van szó. (Sajnos) Ezek toyoták, ezek még mindig mennek, bár töbnyire már csak tartalék autók. De a mai autók nem elég megbízhatók, ezért sokszór elromlanak. Tehát egy olyan lámpa kapcs. rajza kellene, ami külön áramról megy (12V), ledes és felváltva villog stroboszkóp szerüen. Előre is köszönöm segítségeteket.
Szia! Megfelelne. Le tudnád rajzolni? A lényeg az lenne hogy kb. 6-6 led villogjon a nagyobb fény érdekében. Köszönöm.
Ezt találtam most gyorsan Bővebben: Link Bővebben: Link2 potik segítségével tudod álítani, hogy mennyit villogjon a piros és hány villanás után váltson kékre!
Mára ennyi telt tőlem! álmos vagyok megyek szunyálni!itt a topik is ahol tárgyalják Bővebben: Link Remélem segítettem! |
Bejelentkezés
Hirdetés |




..olvasd át a ledes stroboszkóp témát abban találsz rá választ méghozzá egy 20ledesre ami működik 5V-ról lazán


megyek szunyálni!
