Fórum témák
» Több friss téma |
Köszönöm!
Bár utólag rájöttem, adatlapot is nézhettem volna... Üdv!
igen, mivel ugyanaz, csak a max233nak nem kell kondi. Adatlap szerint bekötöd jó lesz!
Sziasztok,
Egy Fonera 2200 routerhez szeretnék ttl-rs232 konvertert készíteni, MAX232N típusú ic-t használok, és 1µF os kondikat bár ez látszik a kapcsolásból. A routeren DD-WRT RC5 van. echo "Teszt" > /dev/tts/0 -ra a teszt szót kéne elküldje a pc felé amit hyperterminállal vagy bármi más alternativájával tudnom kéne olvasni, 9600-8N1 elvileg a beállítás ehez képest 115200-8N1 en lehet valamit értelmezni a t-t átküldi a többi karakter mindig más kriszkrasz, több b.raten kipróbáltam nem küldi át normálisan. bootoláskor megpróbáltam felcsatlakozni akkor valami hasonlót kéne lássak: link ehelyett szintén csak kriszkrasz:S Mi lehet a probléma?
Kösd össze a két lábát a max232-nek (routerről TX, RX lehúzva), de az IC-t táplálva. Így ha kiküldessz valamit annak vissza kell jönnie.
Sajnos nem ok, 12,11 es lábat kötöttem össze, úgy hogy lehúztam a router tx rx lábait. teszt sző helyett üket ad vissza... (Terminál teszt RS232-n küldtem ki ezt.)
Lehet hogy az IC vel van valami?
Mekkora a tápfesz?
Az adatlap 4,5 Voltot ír min. tápfesznek.
Rossz volt az IC, kicseréltem és tökéletesen müködik. Köszönöm.
sziasztok
kellene nekem egy max232 bekotesi rajz egy roel gsm 31 kommunikátor programozáaához ha nem nagy gond az amit hozzá adtak az lassu mint a csiga
Sziasztok
Egy kis segítséget szeretnék kérni tőletek. Sikeresen illesztettem PIC-et a PC soros portjához max232vel. (maga az áramkör egy illesztő egység lesz. ) Viszont úgy szeretném megoldani, hogy a PIC és a MAX232 IC működéséhez szükséges 5V feszültséget ne külsőleg kelljen előállítani, hanem a PC soros portjából nyerje ki. Biztosan lehetséges, mert a JDM programozók is képesek 12Vot is kinyerni a soros portból. Úgyis jó lenne, hogy az a feszültség nincs jelen alapból, hanem szoftveresen magas szintre állítanám a sorosport egy nem használt kivezetését, ha ez is egyáltalán lehetséges. ( Bár tudom ezt már informatikai kérdés ) Ha valaki már csinált ilyet, kérem ossza meg velem tapasztalatait, köszi
Ha a programodnak (a PC-n) nincs szüksége handshaking-re, azaz egyszerűen ad és vesz minden egyéb kontroll nélkül, akkor a DTR (4), illetve RTS (7) vonalakon át kaphatsz némi tápfeszültséget.
Ez azonban nem halálbiztos, hogy elég lesz a külső eszközeidnek is, mert némelyik (jellemzően régebbi gépekben található) portból 20 mA is kivehető, míg az újabbakból 5 mA is nehezen. Ráadásul, a JDM is azon szokott megbukni, hogy az újabb portok már nem is érik el a +/-12 V-ot, hanem +/- 5 V környékén vezérelnek ki, laptopon mértem már 3.8 V-ot is. Ez azt eredményezi, hogy a hagyományos feszültség-stabilizátorok (pl. 7805) sem fog működni, mivel ahhoz legalább 7 V kellene a bemeneten. Az alap JDM-ek is ezek miatt jelentenek zsákutcát - sokkal többet ér, ha beépítesz még egy dugót, és az USB-ről veszed a tápot; ahhoz stab sem kell, és garantáltan működni fog.
Ahogy leírtad, tényleg elég bizonytalan tápellátást tenne lehetővé a soros port. Igen, azt tudtam, hogy a JDM-nek is a stabilatlan 12V volt a veszte, de azt hittem, azért az 5V még megvan!!Csodálkozva olvastam azt a bizonyos laptopon mérhető 3.8V-ot!!!
Viszont az USB-s megoldás tetszik, az egy biztos áramforrás lenne. A google szerint 100mA-t elvisel, csúcsterhelésnél 500mA is lehet. Azt hiszem ennél maradok. köszi a tanácsodat
Sziasztok!
egy DVD flash memoriáját újra akarnám írni. Max232 kapcsolásom van hozzá + prg Kérdésem ha valaki csinált már ilyet a bekötés a dvd felé Tx - Tx hez Rx - Rx-hez csatolom-e? Ja és egyáltalán jó-re ez a kapcsolás MTK chip hez
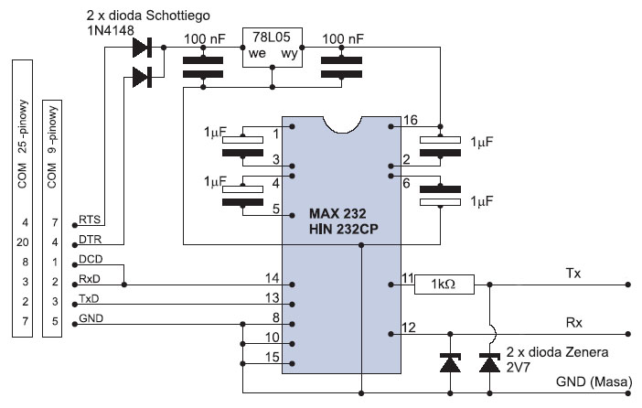
Sziasztok
Lenne egy kis gond ezzel a kapcsolással szerintem, de lehet tévedem. a kapcsolási rajzon 4db dióda van, de a beűltettésnél pedig 5db van jelölve. van egy félkör jelezve de azt nem tudom mit jelöl? Mit kell oda tenni? A másik pedig 232-est azt a beültetés szerint ha jól gondolom-e? hogy a nyákrajz felől kell beültetni a többit pedig rendesen ?
A rajzot tükrözve kell a fóliaoldalra felvinni, és minden egyebet az alkatrészoldal felől kell forrasztani, a MAX232-t is!
Az a félkör pedig a 74L05 TO92 tokban, 100mA-s típus.
Értem
De a beültetési rajzon a d3-al jelzet alkatrészre gondoltam hogy mi lehet az .
A beültetési rajzon jelölt dióda szürkés árnyalata a kapcsolási rajz után következetesen továbbgondolva, schottky dióda lehet... nyugodtan hagyd ki (kivéve, ha ez egy adatkábel, és valamit visszajelez csatlakoztatáskor)
Ez valami adatkábel rajz lenne telefonhoz?
Igen adatkábel MTK chip ujraírására
És mindegy melyik 232 es-t teszem bele ?
Lehetőleg valamelyik 5V-os típus legyen... jó bele a szimpla MAX232.
Jó Chip buherálást ui.: D3-at hagyd csak ki nyugodtan...
Köszönöm az eddigi hozzászólásokat majd jelzem hogy alakult a dolog.
Sziasztok!
Nekem is lenne egy problémám. Egy Pic-es eszköz és a pc van összekötve rs232-n, ha a pc-ből kihúzom a kábelt és az eszközön rajta hagyom akkor egy pár mperc múlva megáll a program valós futása mert folyamatos vételt produkál. Van egy Microchip-es explorer demó panelem a jelenség annál is ugyan az. A kérdésem az lenne ki lehet-e ezt küszöbölni hogy rajta hagyjam a kábelt és működjön? A max232 ttl felőli oldalt már felhúztam de nem segített. A másik oldalt lehet húzni valahova? Elkészült a ketyere . Kérdésem az lenne ,hogy mielőt rákötném a pc-re kell-e valamit tesztelni rajta. (ne hogy a pc-ben kárt tegyen ha valami gubanc lenne vele) A használatát milyen sorrendbe kell elvégezni ? Értem ezalatt Pl: ( Pc bekapcs, Max232 , DVD ?) vagy ( Max232 és a dvd összecsatolom előre aztán a pc ?) A DVD-nek nincs standby állapota ( be kell-e kapcsolni ?) Egy összekötési kapcsolást is csináltam így kötném be .. ( Jó így ?) Ja igen a dvd tx rx -en kívül van egy 3V3- al jelölt láb is. ODa nem kel kötni semmit ?
A föld az össze van kötve még a kapcsolat aktív. A pic-es eszköz felől kap tápot, tehát mikor lehúzom a pc-ről a kábelt és az eszközön rajtahagyom akkor keletkezik a problémám. Én is arra gondolok hogy kósza áramok billegtetik a max232-t. Ez az eszköz autóban van és műszerfal mögött, mindenhogy célszerű lenne rajta hagynom a kábelt, de ki kellene küszöbölnöm hogy ne legyen vétele ilyen esetbe. Mit lehetne tenni? Az Rs232-es vonalat bemenetét 10k -val testre teszem úgy működhet?
|
Bejelentkezés
Hirdetés |















