Fórum témák
» Több friss téma |
Fórum » Kapcsolóüzemű (PWM) végfok építése
ha valaki építeni akar ilyet, akkor javaslom hogy nézzen szét egy-két házimozi erősítő kapcsolásban, nagyon sokban van ilyen általában valamilyen TAS IC van bennük (felületszerelt, és egy kicsi hűtőborda az ism. jegye.)
Egyenlőre még csak papíron van meg, szkennerem meg mincs, és a kapcsolás is otthon van, 60Km-re tőlem.
Amúgy fix háromszögjeles kapcsolás. Háromszöggen: cd4093 200khz, komparátor LM319, a dead time logikát kb. két oldallal ezelőtt csatoltam, fet driver: ir2110. Van külön hibajel erősítő, mert így, hogy nem a komparátort használom annak, szebben szól. Majd ha készen lesz a végleges verzió, azt fogom leközölni. Abban majd az LM319 másik komparátorával (mivel dual) fogom a háromszögjelet előállítani.
Helló!
kíváncsiságképpen, milyen fetekkel kapcsolgatsz? Miből van a kimenő fojtó?
a FETek IRF640, ez van otthon néhány. A fojtó egy sárga kb.: 4 cm átmérőjű, 1 cm falvastagságú sárga toroid. Egy pc tápban volt. Az induktivitásáról fogalmam sincs, mert semmilyen komolyabb műszerem nincs.
A nagyobb teljesítményt csak rövid ideig próbáltam, jobb fet kéne. A hangzással annyi baj van, hogy ha olyan felvételt hallgatok, ami nagyobb helységben lett felvéve pl.: hengversenyterem, templom , akkor a visszhang kicsit fura, nem érzékelem a teret. Kb.: 85% -os kivezérlés felett már zavaróan torzítanak a magas hangok. Lehet, hogy kisebb folytó kéne ?
Üdv!
A betorzítás valószínűleg az alacsony kapcsolófrekvencia miatt van. Ha van lehetőséged jó lenne felmenni legalább 350-400kHz-re. Ha a PC tápos sárga toroid van benne, az sajnos nem lesz jó. Gondolom melegszik is rendesen. Esetleg légréses fazékmag kellene vagy ilyen célra kifejlesztett toroid mag. üdv
Terveztem neki gyorsabb komparátort, maradt az LM319, csak a kapcsolás lett más, és a kapcsolófreki is 320Khz lesz. Ja és nagyobb lesz a háromszögjel amplitudója, úgy 5 V, mert eddig még az ötöde sem volt. Talán csökken majd a torzítás.
A panel hétvégén elkészűlt, de nem volt időm kipróbálni, és azthiszem az érettségi miatt mostanában nem is nagyon lesz.
Sziasztok!
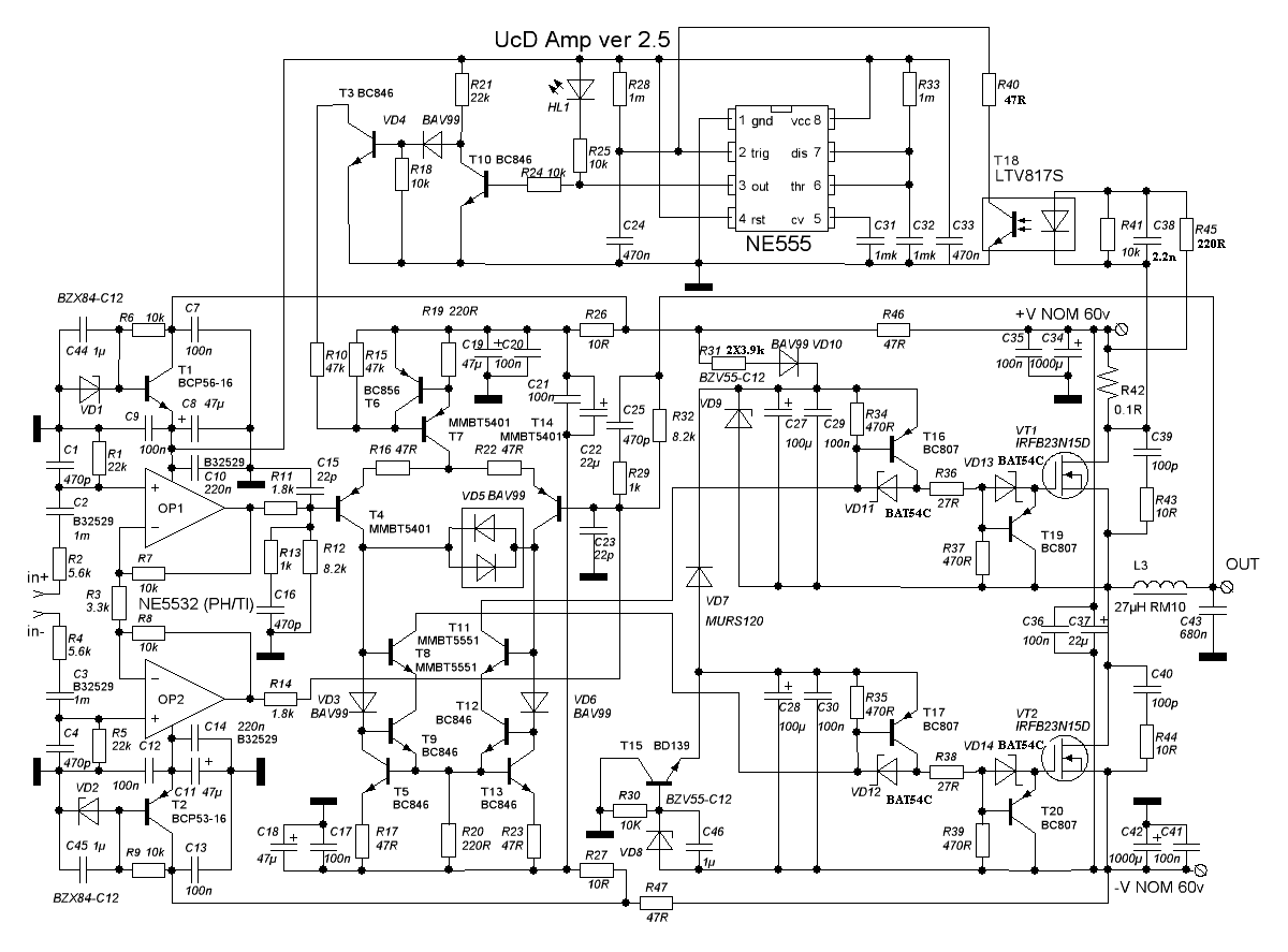
Valaki találkozott már ezekkel a D osztályú végfokokkal? http://classd.ru/circuits.html Konkrétan a 2.5-ös verzió tetszett meg nekem, google translate-tel angolra fordítva viszonylag érthető. Úgy néztem gyakorlatilag mindent meglehet venni Mo-on hozzá kivéve a végfeteket. Paneltervek fennt vannak, elvileg reprodukálhatóak.
Helló!
Thomas10100 megépítette, azt mondta jól szól, de majd jön a többit elmondja ő. A végfeteket külföldről rendeltük a TME-től. + még a kimenő fojtó sem olyan egyszerű eset. Esetleg RM magon kívül javasolhatok T106-2 es toroidot. üdv
Mekkora telj. kéne? Mert 120W-ig van a lomexban DPak tokozású IRFR540Z, ami egy nagyon jó fet.
100W-nál nagyon több nem kell nekem. Itt nála a 2.2-es verziónál használ IRF540Z-ket. Szerintem a 2.5ös verziónak is el kellene mennie vele, annyira csak tán nem más.
Ennél az UCD-nél nem értem, hogy mikor az áramtükör tranzisztora lezár, és a fetmeghajtó tranzisztora nem kap bázisáramot, akkor hogy a fenébe zár le az is rögtön.
Elvileg egy tranyó gyors lezárásához záróirányú BE-feszültség/áram kellene, amit az a tranyó itt nem kap meg. Enélkül pedig a fet még akár több 100ns-ig nyitvamaradhat, ami jókora összenyitást eredményezne. Szimulációk során leteszteltem ezt a fetmeghajtót és valami eszméletlen lassan kapcsol ki. Az említett fet (IRF540Z, IRFR540Z) valóban nem annyira vészes.
Valamit rosszul szimuláltál. Ez egy nagyon gyors meghajtó, ha jól van méretezve.
Idézet: „több 100ns-ig nyitvamaradhat, ami jókora összenyitást eredményezne” Nem, mert alaphelyzetben úgy működik, hogy hol az eggyik, hol a másik van nyitva, és az összenyitást elkerülendő, van dead time is. Amikor kikapcsolod, akkor biztos hogy az egyik fet zárva van, a másik pedig nyitva, és a kikapcsolás alatt a nyitva lévő zár le. Semilyen egymásranyitás nem fordul elő. MaSTeRFoXX: elmegy vele biztos. Csak az irfr540z DPAK tokozásu, nemjó hozzá az a nyák.
Helló
Megcsináltam a szimulálást, íme az eredmények: VM2-ből látszik, hogy nagyon sokáig tart mire nullára csökken, és ugye emiatt lassú a T1 kisütőhatása is.
Na, most itt jön a para hogy most 540z-t nem találok, minden egyéb változatát árulják, csak az 540z-t nem találok most Mo-on...
Keresgéltem N87-es Rm10-es ferritmag után, arra jutottam hogy a RET-nél van N67-es RM10-es és N87-es RM12-es. Az én belátásom szerint talán célszerű ha az RM12-esre méretezem meg azt a 27uH-s tekercset, kevesebb drót kell bele, kisebb a veszteség
Ha nyákot nem akarod áttervezni, akkor hqvideo STP30NF10, diódája kicsit lomhább, de ezis nagyon jó.
Cimo: nemtudom, tina mennyire alkalmas ilyen szimulációkra. Én a valóságban 500mA-s kisütő, és 300mA-s töltő áramot mértem. A félhíd kimenetén pedig kb. 150-150nS a fel, le futás 50% kitöltésnél. ui: próbáld ki R1 helyén 220-270 ohmmal, akkor nem vág a schottky.
Helló!
Én megépitettem ezt a kapcsolást! Vannak vele gondok még, de amúgy szépen szól. Ha többet akarsz megtudni vegyél fel MSN-re. Van pár buktató benne, amit elsőre nem is vettem észre és, tuti te sem
Röviden annyit, hogy a kapcsolásban sima BAT54 van feltüntetve, viszont a NYÁK nem ehhez van készítve, hanem 3dd közös katódú BAT54C-hez és 1 db közös anódoshoz. Mert BAT54-ből 3 féle van. Na én ezzel szívtam 3 hónapig, aztán valahogyan NYÁK tervből rájöttem. Én átterveztem a NYÁK-ot hogy mind a 4 BAT54C legyen, mert ez kapható a HQvideónál. BAT54A pedig csak a Farnellnél.
N67 RM10 nekem nem jött be, nem tudom lehet csak a tekerés volt rossz, de nagyon melegedett nekem a magom. Most tekertem egy T106-2 toroidot, de még nem próbáltam ki. Majd a héten valamikor, mert most lett kész a labortápom. Többit MSN-en
Ha nem titok, akkor kérhetnénk ide is pár információt? Elég érdekes ez a végfok, szívesen olvasnék róla többet! Köszi!
Helló!
Én átrajzoltam a NYÁK rajzot, hogy mind a 4 BAT54 közös katódos legyen, ha kell ezt átküldöm MSN-en. Elöször én is N67 RM10 trafóval csináltam, de nagyon melegedett a vasmag. Még rá kellene szánnom magamat, hogy nekiálljak tesztelni a T106-2 vassal.
Köszönöm szépen az ajánlatod.
Csak arra próbáltam utalni, hogyha nem gond, akkor itt is jó helye lenne a nyáktervnek, és a rengeteg építési segítségnek! Biztosan nem egy hónapon belül fogok belekezdeni egy ilyen erősítőbe, de lehet, hogy 2év múlva összerakom (én, vagy akár más fórumtársad)... És 2év múlva már lehet, hogy nem fog élni az msn-címed, és nem látogatod a HE-t, ergo nem lehet majd elérni Téged, pedig köztudott, hogy Te megépítetted, és van rengeteg tapasztalatod! Meg én egyébként is szeretem olvasgatni a gyakorlati tapasztalatokat, buktatókat, pl. hogy BAT54-ből 3 féle is van, ezt sem tudtam. Köszi, Üdv!
Rendben felrakom ide.
Amúgy nagyon jó kis áramkör, de tervezték volna máshogyan az a NYÁK-ot, mivel ha egyszer összerakod, akkor után pl csak a FET-eket nem tudod cserélni, mivel ott van a csavarjai előtt egy halom kondi, meg a tekercs is, ergo előbb ezeket ki kell szedned. Nem beszélve az smd alkatrészek beforrasztásáról ![]()
Köszönjük szépen!
Sziasztok!
Már rég óta akarok egy ügyes D osztályú erősítőt építeni beszerezhető alkatrészekből. Arra gondoltam, hogy elkerülöm a tranyós/operációs erősítős "házi" komparátoros megoldásokat és egy spéci erre a célra kifejlesztett vezérlő IC-t fogok használni. Kis keresgélés után rátaláltam az igéretesnek tünő IRS2092-re, amelyről kiderült, hogy az újabb generációs IRAUDAMP-ok lelke. Az IC adatlapján található egy ajánlott kapcsolás, amely egy cicoma nélküli változata az IRAUDAMP5-nek. Az SMD kivitelezéséröl a gyártó a következőt állítja: Distortion: 0.005% THD+N @ 60W, 4Ω. Maximális telj. 4Ω-ra: 120W +-35V-ról. Ez simán elég nekem A kérdésem a következő lenne: jó útra tévedtem? Ha sikerülne beszerezni az IC-t akkor építsem meg? Esetleg van jobb ötletetek? Jah és a PC tápból bontott sárga toroid (allítólag porvas, de hogyan tudnám biztosra venni hogy porvas?) alkalmas lenne kimeneti szűrőnek? Mellékeltem az adatlapból kivágott kapcs. rajzot illetve a nyáktervet amit készítettem mellé(Sprint Layout-tal). A nyákhoz csak annyit szeretnék hozzáfűzni hogy a kimeneti LC szűrőt nem terveztem rá mert fogalmam sincs, hogy mit használnék véglegesen. Ezért a nyák alá tervezem beforrasztani a tekercset és kondit, esetleg valamivel rögzíteni, ha lazán fog állni. Előszeretettel várom szakvéleményeteket
Megéri ez neked?
Mert 300Ft-ból összehozható diszkréten és jobban az ami ebben benne van. Idézet: Nem házi, gyáriban is találsz ilyen megoldásokat, és nem véletlenül alkalmazzák.„tranyós/operációs erősítős "házi" komparátoros” Idézet: Diszkrét elemekből spécibbet lehet csinálni, de ahoz érteni is kell „spéci” ![]() Idézet: Nem állítólag.„allítólag porvas” Sárga-fehér, Zöld-kék, Mélykék, Mélyvörös az porvas. Mélyzöld, Rikítózöld, Szürke, Hupilila, Rózsaszín az ferrit.
Mi a külömbség a porvas, és a ferrit között?
Melyiket hol lehet használni? Pl ha én szeretnék aktív sub szűrőben használni tekercset! , akkor melyik lenne a legkevésbé rossz választás? Jah és ez a "300Ft-ból összehozható diszkréten és jobban" ez költői kicsinyítés, vagy tényleg igaz?
Helló!
Az nem annyira, de ez már megéri. Ha diszkét elemekből+IR2110 építeném meg akkor kb. ennek felére csökkenne a vezérlés ára. Ha a FET gate vezérlését is tranzisztorokkal oldanám meg akkor még olcsóbb lenne. Persze ezt illene SMD alkatrészekkel megvalósítani. De itt bejönnek más problémák. Nem biztos, hogy könnyen hozzáférek minden SMD alkatrészhez, megfelelő minőséghez már kell egy jó marékkal belőle és ezt mind sikeresen fel kell forrasztani egy jól megtervezett nyákra. Ezért kedveltem meg az IRS-t, mert az egész kóceráj bele van fröccsentve egy könnyen használható 16 lábas tokba. Ha minden igaz, a végfok megépíthető 2000 ft.-ból. Ez nem egy nagyon rossz ár egy könnyen megépíthető, elég jó minőségű D osztályúhoz.. Ha erősen szeretném diszkrét elemekből építeni, akkor a Philips UM10155_2-je jó lenne kiindulópontnak? (mellékeltem a kapcsolási rajzát) És a PC-s porvas maggal kapcsolatban: tekercselhetem meg? Alkalmas a célra?
Hello!
Én a Lomexba láttam gyürü vasakat (nem tudom, hgoy ferrit-e vagy porvas). Láttam vöröset, kéket, meg világos zöldet, aminek az egyik oldala citromsárga (utóbbiból vetem is egyet, és nem volt drága, 200HUF alatt volt, és a nagyobbik fajta) Nem tudok AL értéket, és semmi egyebet. Az üzletbe sem tudtak róla semmit, de egyszer neten találtam valami táblázatot erre vonatkozóan. Egyébként én úgy tudom, hogy a sárga az egyik legjobb (frekvenciát illetően), és emlékeim szerint a piros az kisebb frekvenciára van. Idézet: Ez egy költői kérdés. „Mi a külömbség a porvas, és a ferrit között?” ![]() Idézet: ~270Ft az össz alkatrész ami benne van a FET-eken, és a kimeneti szűrőn kívül, meg a tápon lévő fóliakondikon kívül, meg van benne egy bontott opto.„300Ft-ból összehozható diszkréten és jobban” Idézet: „illene SMD alkatrészekkel megvalósítani” ClassD-t 200W-nál nagyobban csak SMD-ben érdemes földfóliás nyákon. A Philips UM10155 nagyon jó kiindulási alap, kell bele keresni megfelelő alkatrészeket, pár fölösleges dolgot ki kell szedni, rakni kell bele áramvédelmet, limitert és kész. IRFR540Z-vel nagyot alakít +-40V-ról. PC porvas fel fog forrni, lomex netshopjában van kis kék gyűrü, 43-as Al-el, nemtudom van-e nekik raktáron, de az jó. A turkálóba pedig szoktak lenni komolyabbak is.
Heló!
Alapvetően nem a szín határozza meg az anyagát. Ez gyártótól is függ. Nekem pl van T106-40 es porvasam is és az pl halványzöld fehér. De van T106-2-m ami piros-szürke. Azért ne szálljuk már el egy 300ft költségvetésű erősítővel, mutass már egyet lényszíves. köszi Szerintem kezdésnek már nagyon jó, ha valaki meg tud építeni egy ilyen egyszerűbb ic-set. Aránylag egyszerű.
Heló
A pc-s sárga toroidot sokan akarják sok mindenre felhasználni, de sajnos megint csak azt kell mondjam, hogy erre a célra alkalmatlan. 400kHz már annyira magas annak a vasmagnak, hogy a permeabilításától kezdve a veszteségig... minden tulajdonsága hihetetlenül megváltozik. És majdnem csak radiátorként fog viselkedni. A TME-nél valóban jobb árban van, de fontos az is hogy milyen fetet akarsz belerakni. A mellékelt dokumentumban 100V-os nagyon speckó feteket használtak. Helyette nagyon jól beválhat az IRFB4019Bővebben: Link Ezzel már lényegesen nagyobb teljesítményt is elérhetsz minőségromlás nélkül. Fentebb már leírtam, de akkor újból leírom, hogy és az IRAUDAMP1-ben láttam hogy T106-2 es magot használtak és tényleg nagyon alacsony veszteségű és bírni fogja azt a frekvenciát. |
Bejelentkezés
Hirdetés |










