Fórum témák
» Több friss téma |
Amit ismerek róla: a forrasztópáka koax kábelen keresztül van a tápegységgel összeköttetésben. Igényelt tápfrekvencia 470kHz (SP-200) vagy 5,3MHz (MX500) (típustól függő de nekem a 470kHz-es kéne). A hegy melegítése nagyfrekvenciával történik (hasonlóan az indukciós kemencéhez vagy az indukciós felületedzéshez).
Előnyei: nincs hőmérséklet-szabályzó áramköre. Nincs szüksége kalibrálásra és a hosszú élettartamú hegyek ritkán hibásodnak meg. A rendszerhez tervezett hegyek, változatos formában álnak rendelkezésre a különféle forrasztási feladatok számára. A hegy hőmérsékletét (teljesítményt) másik hegy kiválasztásával lehet elérni. Az egyedülállóan kicsi nyél-hegy távolság előnye a munka pontosságában mutatkozik meg. A fűtés hegy csúcsánál történik, ahol a munkavégzés történik, a nyél még néhány órai folyamatos munka esetében sem forrósodik át. Felfűtési idő: 1-3s! Azért nem veszek tápot hozzá, mert az ára horrorisztikus .Amit ezidáig elértem : 12V-os MOSFET-es tápegységgel kb.: 400-500kHz-el meghajtva még éppen megfogható a hegy (kicsi a tápfesz-teljesítmény, csatolási problémák). (eddig meghalt alkatrészek: -1 db 555-ös IC a régi gyűjteményemből).Amire szükségem lenne:help:: komplett kapcsolási rajz, fényképek egy készülék belsejéről vagy blokkséma néhány alkatrésztípussal bármelyik típushoz. Ui.: amíg csak pillanatpákával forrasztottam Weller pákáról álmodtam, de amikor kipróbbáltam a METCAL-t (két évig használtam valaha munkahelyen) azóta a Weller-re rá se nézek. Néhány cím: www.okinternational.com www.ferrumino.hu Segítségeteket előre is köszönöm.
Szia,
hogyan érted el a hegy melegedését? Közzétennéd a kapcsolási rajzot és az építés közben szerzett tapasztalataidat? Milyen csatolási problémába ütköztél?
Nemsokára rakok rajzot de ahoz fényképezni kell, illetve eszembejutott hogy van a fiókomba egy tápegység (hibás) megjavítom és megpróbbálom beleilleszteni az áramörbe (csak a frekijét nem tudom mert frekimérőm már nincsen). Van neked is ilyen pákád, vagy indukciós kemencéhez kell?
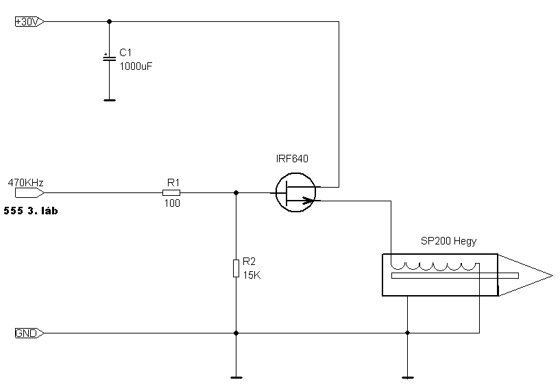
A rajz egyébként nagyon egyszerű (IC: 555, 4 kondi, 2 fet, 4 tranyó, 3 poti, 1 ell. , 1 trafó). Üdv: Zsolti
Csak "wellerem" van és komoly gondom a nagy nyél-hegy távolság az SSOP forrasztásoknál, ezért keresem a lehetséges megoldásokat. Indukciós fűtéssel még sohasem foglalkoztam.
Hogyan juttatod el az energiát a hegybe?
amúgy lehet ezzel az indukciós izével érzékeny processzorokat meg ilyesmit forrasztani?a fesztültség nem tesz kárt benne? nem értek hozzá, még sosem volt ilyen a kezemben....
Szia Zsolt!
Az SP 200 valóban 470kHz-en megy, de az MX-500-as 13,56 MHz-en. Az SP 200 tápjában UC sorozatú táp ic van kommersz fettel a végén(IRF 640).Azt hiszem van bele tartalék panelem, megnézem a pontos tipusát az IC-nek. Nem veszélyes az elektronika, utánépithető. Az MX sorozatú tápok már bonyolultabbak, ezt első körben nem ajánlom koppintani. Egyébként Én a Metcal cuccokra esküszök,a többi (Weller, ERSA) a nyomába sem ér. MX-5000 állomást használok évek óta, előtte egy Weller állomásom volt.Mobiltelcsiket javitok, ehhez sokkal jobb a Metcal, ESD szempotokból, és egyéb (gyors hegycsere,többfajta kiforrasztófej stb) szempontokból is. Üdv ! Luki
Kérhetek az áramkörről fényképet is (panel+beültetési)? (Ha van infód, képed stb. az 500-ról az is jöhet.) Mert gondolom a kapcsolási rajz senkinek nem lessz meg. Amikor a Nokiában (Komárom) dolgoztam ezeket MX-500 használtuk meg a vaspuskát (hőlégfúvó) visszatérve a mérés alapján én is 13,XX MHz-et mértem (Spektum analizátorral) de a neten mostanában (3 évvel a Nokiában végzett mérés után) mást olvastam és jobban hittem a netnek mint a mérésemnek (felharmónikusra gondolván). A tápot nem sikerült szétszednem mivel a csavarok biztonsági torkszok és valaki lenyúlta akkor ezt a csavarhúzót (a rajz egyébként már meglenne
). Először az 500-as utánépítésén gondolkodtam de a páka amit szereztem SP-200-é így alacsonyabb freki kell. Ha a rajza ráfér egy A3-as oldalra akkor nem is bonyolult (valaha a szintézeres készülék amit építettem ekkora volt). Az ESD szempontjából nagyon jó!! a forrasztóhegyek külső része az MX500 nál az egyik hozzávezetés is (2 cstlakozás van) a z SP200-nál külön van a külső fém rész és a belső indukciós rész (3 csatlakozás).
Mennyiért vesztegetnek manapság egy ilyen egyszerűbb komplett állomást?
Nagyon megtetszett...
Ezt írták 2006.10. 09-én árajánlatnak:
/Metcal SP200 (pákával, pákatartóval, szivaccsal) ( ! hegy nélkül ! ) 373 EUR + ÁFA / db vagy 104.440,- HUF + ÁFA / db Metcal MX500S (kétportos állomás, pákával, pákatartóval, szivaccsal) ( ! hegy nélkül ! ) 480 EUR + ÁFA / db vagy 134.400,- HUF + ÁFA / db A Metcal állomások szállítási határideje kb. 4-5 hét. Az ajánlat tartalmazza a telephelyre történő szállítás költségét is. Az ajánlat 30 napig, illetve a forintos árak esetében az árak a devizaárfolyam változását követik. Az ajánlatban 280 HUF / EUR árfolyamoin számoltunk. /Ha bőven lenne zseton nem építenék. A pákarészt két hegy és egy szivacs társaságában 9XXX-ért vettem (így már sokkal jobban megéri) ehez megnézem hogy mi van odahaza a ládában és max 5000-ret hozzárakok akkor van egy szuperjó állomásom . Ez bizony árban is felveszi így a versenyt a többi pákával ugye?
Hát igen,
most már csak egy jó rajz és építéssel kapcsolatos tapasztalatok kellenének.
Hello!
Még jó hogy ültem... megszédültem az árak láttán Persze a jó és korszerű dolgoknak ára van, nekem meg csak ösztöndíjjam... Maga a páka heggyel, nem is olyan vészes... egy weller is 10 felett van (állomás nélkül). Épp ezért nincs is Egyelőre maradok az hódos bolt 1000Ft-os "eldobható" pákáinál (0,8 lábtávolságig az is megteszi, még nem égettem vele oda semmit sem). Ettől függetlenül nagyon érdekel az SP200 állomás utánépítése. Szóval ha lesz valami működőképes konstrukció akkor veszek ilyen pákát 9XXX-ért... Hajrá!
Sziasztok !
Amint lesz időm lefotózom az SP-200 paneljét,és feldobom ide a képet. Üdv ! Luki
Csatolom az általam készített áramkör rajzát. Mint említettem az odahaza lévő alkatrészekből építettem, de nem odahaza hanem ahol a munkahelyem van (magyarul belenyúltam minden alkatrészbe és vittem magammal egy kicsit az áramkörbe ezért potik kerültek a 100-as 20-ra van beállítva a 20k-val a frekit lehet változtatni, a tranyók - ami a kezemügyébe került, a FET meghajtó helyére nem árt ha nagyobb teljesítményűt rakol, a tekercs régi fix frekis monitorokból származnak menetszám és a vasmag ismeretlen (ha jól emlékszem sorfrekis meghajtó egységből távolítottam el), FET enyhén melegszik-nagyobb teljesítményű vagy több darab ph. kapcs. nem árt, védőáramkört is most elhagytam de nem szokásom, a két kondi a végén nem szimetrikus de annak kéne lenni).
A páka hegyrészének a hőmérséklete 100-fok fölé emelkedik!!! Az áramkör áramfelvétele max. 2A. Továbbfejlesztése esetén célszerű más IC-t alkalmazni, a tápfeszültséget megnövelni kb.: 30V-ra és más FET meghajtót alkalmazni (torroid). Ui.: kipróbbálásra tökéletes volt.
csá
mivel a végén egy félhidas konverter van... nagy a freki--> gyors kapcsolás--> nagy Igate csúcsáram.... sztem használjatok max4420 Gate drivert 6A és sztem elég gyors lex mellesleg maximtól ingyé van... kérdés: nem kevés az a 560nF (680nF) habár itt 400 akárhány KHzvan.. ...esetleg a átalakítani ellenütemű konverternek... még egy kérdés : hoil lehet ilyen pákahegyet szerezni , és kb mennyibe kerül csá
nagyon csini és egyszerű! milyenre gondoltál amikor azt írtad, hogy más ic-t használni benne?
Szerintem a minta küldést nem kellene általános gyakorlattá tenni, mert nincs messze amikor a magyar címekre egyetlen sem fog érkezni.
"mellesleg maximtól ingyé van... "
Szia!
Gondoltam már rá hogy gyorsan programozok egy PIC-et és hozzávágok két TC4420-as IC-t (úgy nézem hogy egy a gyökere a MAX4420-al) de jelenleg nincs málam megfelelő torroid (semilyen sincs) . A TALI Bt. meg nem küldött katalógust róla .Először én is így gondoltam, de 450kHz esetében a 680nF az Xc=0.52 ezért belenyugodtam (nem is tudom hogy van-e valami jó anyagú -nagy frekit viselő- a Lomexnél). A legutolsó gondolatom az SG3825 és társainak az alkalmazása torroiddal (FET elszáll IC megmarad) de csak pénteken megyek alkatrész beszerző útra, a jelenleg nálam lévő 240A/5V-os tápból nincs kedvem kivenni. Még Luki válaszát várom illetve fényképeit hogy az eredetibe mit is rejtettek. Ui.: lehet hogy este megpróbálom a TC4420-és PIC16F877 közösítését (én már az SG-ben kezdtem gondolkodni). Megoldjuk trafó nélkül - remélem, kibírja a próbát 12V-ról (más nincs). Ebben az esetben legalább a frekit is fogom tudni, mivel fixen beírom .A www.ferrumino.hu árul de szerintem máshol is lehet venni.
nekem van néhány adatlapom a talitóól :...
(2,5mega) kis torroidok is benne vannak talán jó lex átobom mailba..
Ok. Köszönöm szépen. Megkaptam.
Beszéltem meg írtam a TALINAK, ismét megígérték hogy válaszolnak de szerintem ma sem lessz melőle semmi. Mondjuk előnye is volt mert megmondták hogy postáznak is trafót meg vállalnak trafó készítést minimum 10 darabot (fő profil). Igaz lehet hogy csak anyag kéne és majd megcsinálom én.
Szia Zsolt!
Az eredeti áramkörben UC3823N ic+IRF 640 van . A hegyben lévő tekercs egyik fele földre van kötve , a másik felén kapja a meghajtást a fetről. (Tehát nem kell hogy földfüggetlen legyen a tekercs!) Próbáld meg úgy hogy az 555 közvetlen a gate-en hajtja Fetet, a fet source lába a táp,és a drain a tekercs egyik fele.(a másik föld a hegy fémtestével együtt.) A 12V táp nem elég, az SP-200-ban 2x19 V a trafó szekunder feszültsége! Üdv ! Luki
Szia Zsolt !
Javaslatom a következő: 555 időzitő a klasszikus oszc. beállitásban.Az oszcillátorfreki legyen v. közelitse meg a 470kHz-et. Az ic 3. lábáról mehet a jel a mellékelt kapcsolásra.Semmilyen PIC meg ilyen hülyeség nem kell hozzá. A gyári cuccban sincs semmilyen sallang, egyszerű a kapcsolása. Kimenőrafó(toroid) sem kell, a Tali BT+ az igéret földje, fél év alatt nem tudtak egy emilben visszajelezni, 2 vacak rf fojtó ügyében.Na mindegy ,elmentem a témától. Ha lehet a fet ne 12 V tápot kapjon hanem 24-30V-ot. Az 555 viszont ne kapjon 15-nél többet! A mellékelt kapcsolási rajz Péter barátom(Azza Elektonika) kezemunkája. Üdv ! Luki
egyre jobban kedvet kapok, hogy megépítsem ezt a pákát
hol lehet legolcsóbban venni ilyen hegyet? és kb mennyi?
Itt van 2 kép az SP 200 paneljéről.A hálózati trafó nincs rajt, ez egy tartalék panel.
Üdv ! Luki
Köszönöm.
Visszarajzoltam .A nyolc lábas IC-nek mi a típusa (lábkiosztás miatt), A paneloon az S1 jelű csatlakozási pontról gondolom kapcsolóhoz ment, a 230V-os körben nincs kapcsoló? A FET és a mellette lévő tekercs között mi van (valami ragacsot látok a rajzon kérdőjelet raktam)?
Üdv !
A nyolc lábú ic:LM 358. és nem az oszci frekit állitja , hanem a kimenőkör áramát.A S1 pontra kapcsoló van kötve, ami a közápleágazással kapcsolja (inditja az UC 3823-at.)A hálózati oldal nincs külön kapcsolva. A ragacs csak melegragasztó, rögzitési célokat szolgál. Üdv ! Luki
Sziasztok!
A nyáron kezdtem behatóbban foglalkozni az indukciós hevítéssel. Összeszedtem néhány kapcsolási rajzot, mivel többféle alapkapcsolás létezik. Az eddigiekből arra következtetek, hogy az egytranzisztoros kapcsolás lehet beépítve a pákatrafóba. Ilyen egytranzisztoros kapcsolásokat találtam eddig: http://spark2.uw.hu/ind_fegyt.html Az utolsó kapcsolási rajzon én 3525-ös ic-t használtam, de 555-tel is ki lehet próbálni. Ez a kapcsolás egyébként 286 kHz-el ketyeg, és a MOSFET drénjén 35V-os csúcsok vannak, +12 V tápfesznél. Még áttanulmányozom az ide feltett képeket is. Szerintem nem lesz nehéz megépíteni.
Köszi a linket. Amit legutoljára építettem azt csatolom (jól működik, de a frekvenciája erre a célra kicsi, illetve a teljesítménye is kicsi, de azért arra elég volt hogy a forrasztó ónt megolvassza a páka végén - első prototípus ami erre képes volt). A jelenlegi problémám a megfelelő frekvenciájú vasmag beszerzése (sajnos a kommersz kapocstápok vasmagjai nem ide készültek).
Szia !
Luki küldött egy rajzot, ha kipróbálnád, talán nem kellene tovább kinlódnod a vasmagokkal Forraszthatnál látástól mikulásig Üdv ! |
Bejelentkezés
Hirdetés |




.
: 12V-os MOSFET-es tápegységgel kb.: 400-500kHz-el meghajtva még éppen megfogható a hegy (kicsi a tápfesz-teljesítmény, csatolási problémák). (eddig meghalt alkatrészek: -1 db 555-ös IC a régi gyűjteményemből).
). Először az 500-as utánépítésén gondolkodtam de a páka amit szereztem SP-200-é így alacsonyabb freki kell.
/

és sztem elég gyors lex
. A TALI Bt. meg nem küldött katalógust róla


a rajzon kérdőjelet raktam)? 





