Fórum témák
» Több friss téma |
Üdv!
Igazad van, mindenképp kell dekódoló IC-t használnom, mivel az adóban is - ami egy 434 MHz-s gyári mozgásérzékelő - van egy PT2262 S kódoló IC. Szóval akkor ennek az IC-nek a párjával (PT2272) kellene dolgoznom. Viszont ezzel az a gondom, hogy nem tudom hol beszerezni. Keresgéltem a neten, de egy boltot sem találtam ahol beszerezhető. Megoldható esetleg valahogy másik IC-vel, vagy lehet inkább valami mikrovezérlős megoldásban kellene gondolkodnom?
Hello!
Korábban már én is szembesültem hasonló problémával. Az is kiderült,hogy bizonyos típusú kóder/dekóder IC-k nem is kerülnek kereskedelmi forgalomba,hanem az összeset valamelyik eszközgyártó megrendelése alapján gyártották le. Ezt a problémát mikrokontroller alkalmazásával oldottam meg. Így,ha később még kérnek a termékből,vagy esetleg javítani kell "nem esek kétségbe"! Üdv. Ottó
Hello!
Hát akkor lehet nekem is ez lesz a megoldás bár a mikrokontrollerekben (AVR) még amatőr vagyok de megpróbálkozom vele. Esetleg nem tudsz valami C forrást AVR-hez a jelfeldolgozással kapcsolatban? Köszi! Üdv.
Sziasztok!
Én is akarok csinálni egy adó-vevő párost. DE én már kész dekoderrel szerelt modult szeretnék összekapcsolni Kérdésem az lenne hogy a két dolog működik-e egymással? RXF-4303D4 vevő TX-4R (12) adó az adóból kettőt akarok hozzákapcsolni a vevőhöz. ez nem gond ugye? Másik kérdés a vevőnek a kimeneteit így ahogy van ráköthetem-e avr (ATmega8) bemenetére input jelnek? Köszönöm
Üdv!
Hívd fel őket! Segítenek, értenek hozzá. Én is használtam ilyeneket, csak én sima RX-es vevőmodult. Nem tudom ez miben különbözik. Egyébként megbízható modulok, van amelyik már több mint öt éve üzemel hiba nélkül. Biztos, hogy jó avr-hez, én PIC bemeneteit vezérelem vele. Tökéletes. Nem kell pergésmentesítés sem. Üdv! Tomi
Üdv!
Ismét van egy kis gondom! Beszereztem a PT2272-M4 ic-t és összeraktam a kapcsolást az adatlapjában írtak szerint, de sajnos nekem semmire sem reagál. Ez alatt azt értem, hogy az adatcsomag sikeres vételét jelző 17. lábon nem ad értéket. Mi lehet a probléma? Az adó oldal egy gyári mozgásérzékelő, amiben egy PT2262-S ic van és a címeket egy dip-kapcsolóval tudom rajta állítani. Az oszcillátor ellenállásnak (15-16 pin) milyen értékűnek kell lennie? Előre is köszi a segítséget!
Üdv!
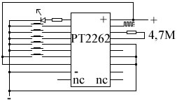
Én 3 párat rendeltem, még nem volt időm megépíteni a kapcsolást. A leírás szerint: 2262nél 4,7M 3,3M 1,2M 2272nél 820K 680K 200K a jó érték. Ha ez és a cím is ok akkor menni kell neki. Az eredményt kérlek írd meg ide.
Üdv!
Hát nem akar működni! Megméretem a gyári adó (PT2262) oldalon levő ellenállást és az ahogy elő van írva 4,7M. A vevő oldalra (PT2272) így 820K ellenállást használtam, de semmi reakció. Próbáltam a BC-NBK vevő modult közvetlen a 14 lábra csatlakoztatva is meg egy NPN tranzisztorral is. Valamit nagyon nem jól csinálok. Előfordult hogy valami oknál fogva nagyon ritkán, de kivillant a vételt jelző led, de semmi köze nem volt az adóhoz. Nem tudom hogyan tovább.
Hali!
Sajnos ilyen IC-k nélkül pedig nem lehet normálisan adatot továbbítani. Kipróbáltam a Topi cikkében szereplő Adó - Vevő modul páros teszt áramkörét, de nem találtam olyan helyet ahol ne villogna a vevő rész.
Én is azokat használom, még a hűtőbe is villogott
![]() Ahoz a modulhoz eredetileg MC145026 és 27 pár ic t használtam, elvileg u. azt tudja csak több külső alkatrésszel, ráadásul azt az ic t nehéz beszerezni mert mindenhol kifutott. Mihent lesz időm összerakom ezeket próbapanelen és kiderül mi a hiba. Hétfőn jön meg a batyu az ellenállásokkal, akkor biztos megnézem (lehet előbb is). Ha instabil az gond, a dekóderen a lednek nem szabad felvillanni ha nincs adás, ha mégis akkor a kódolást át kell állítani egy "szabad" helyre amin nem ad senki a környéken. A cím ugye azonos a 2 ic nél?
Mint ígértem kipróbáltam az ic ket.
Tökéletesen működik az alapkapcsolással, a 680K és 3,3M ellenállás párral néztem meg, címzést nem kötöttem be, lógtak a levegőbe, az adatok is. A VT re tettem egy 470 Ohmot és egy ledet, az adó oldalon mikor megnyomtam a gombot a led világított. A cím egyik bitjét tápra húztam egy 470 ohmmal és így már nem reagált a gombra (ezt vártam). A próbára összemadzagoltam a két ic t, a rádiós modulok kölcsönbe vannak, holnap kapom vissza őket. Szerintem azzal is menni fognak, majd írom. Próbára vedd le a rádió adó és vevő modulokat és a DIN és DOUT lábakat kösd össze egy dróttal, ha így megy akkor a rádiónál van a gond, ha nem akkor az ic nél nem ok valami. A GND t is össze kell kötni.Ha a tápfesz azonos mindkét ic nél (5V) akkor a tápot veheted valamelyik ic ről mindkettőnek. Majd jelezd mi a fejlemény.
Na, szupi!
Igyekszem én is beszerezni az IC párost. Ha lesz lehetőséged modulokkal is tesztelni, feltétlen írd meg a fejleményeket! Üdv.
Üdv!
Siker! Megpróbáltam RF en is és szépen megy. A vevő modulom még kölcsönbe van így RX 3302 modult tettem a vevő helyére, adatlap ITT. A vevő csöndbe van, nem vesz fals adatot. Ha lesz időm rádobok egy egy picet, adó oldal 0 tól sokig számolni fog, a vevő egy LCD re írja majd ki az aktuális számot, a vevő és az adó felől az lcdknek azonosat kell mutatni (szinkronba kell lenniük attól függetlenül, hogy mászkálok az adóval vagy se.). Az MC k nél ez bevált
Örülök neki, hogy működik a cumó!
Ezt a PIC-es teszt áramkört nagyon jó ötletnek tartom! Üdv.
Sziasztok!
Én is kísérletezgettem a RF modulok elhagyásával és az ic-k közvetlen összekapcsolásával, nem sok sikerrel. Viszont megtaláltam hogy mi az oka ennek. A gyári adómnál van beállított cím és ezt kellene valahogy megfejtenem. Így hiába várom hogy a vevő oldalon megfelelő jelzést adjon! Kibogarásztam az adó áramkörét és ha mindent jól néztem, akkor a mellékelt kép szerint van bekötve az ic. Az áramkör egy kis panel tele smd alkatrészekkel. A kép elég gagyira sikeredett Az 1. lábon van egy led amely kb 2-3 mp világít amig van adás. A 2-6. lábakon egy DIP kapcsolósor van. A 7. lábon van egy "jumper" amivel az alacsony tápfeszültség jelzését lehet ki-be kapcsolni. A 8. láb az meg ha jól mértem, az közvetlen a pozitívra van kötve. Az adó csak akkor ad amikor tápfeszt kap. Szerintetek az ilyen formában bekötött adóhoz milyen bekötésnek kell lennie a vevőn? Előre is köszi!
Üdv!
Ha megvan építve a vevő tesztáramkör (ic VT lábán ellenállat+led, adat és cím bitek levegőbe lógnak) akkor az adóval kell ügyködni kicsit. A frekibeállító ellenállás gondolom rendbe van, tehát a cím és az adatbitekkel kell foglalkozni. A DIP kapcsolókat és a jumpert kapcsold ki, cím és adat levegőbe lóg.D0, D1 és D4 (15, 14 és 8 es láb) fixre van kötve de ez nem baj, nem kavar be nekünk. A TE is fix, ezért ad bekapcsoláskor. Az 1. lábon lévő led az az egyik címbiten van, próbára kivenném a ledet vagy az ellenállatot (amelyik könyebben megoldható). Így a cím mindkét oldalon levegőbe lóg, tehát egyezik a cím. Ha ez megvan jöhet a próba. A vevő VT ledjének folyamatosan világítani kell amíg az adó megy. Ha ez nem működik, nem mozdul a VT led akkor RF modul nélkül, közvetlen kapcsolattal kell kipróbálni, modulokat le kell kötni az ickről és DIN DOUT lábakat összemadzagolni. Ez esetbe a tápellátás azonos legyen mindkét ic ugyanonnan kapja a tápot. Így biztos, hogy menni kell neki. Ha ez OK akkor jöhet az RF modulpár, azokon is menni kell neki. A címet ezután szabadon állíthatod, lehetőleg olyanra mait nem használnak a környéken .
Üdv!
Köszi az infó! Ha lesz időm, du. kipróbálom. A ledet könnyű lesz kiiktatni, mert annak is van egy jumper. Remélem most már szerencsével járok
Üdv!
Kipróbáltam és semmi. Mindent úgy kötöttem ahogy írtál, de nem vesz semmit a vevő. 2 adóval is kipróbáltam. A DIP-et kikapcsoltam és az elem kimerülését jelző jumpert lehúztam. Viszont most vettem észre, hogy az 1. láb ahova a led is csatlakozik az fixen össze van kötve a Vcc táppal. Sajna ezt a lábat könnyedén nem tudom leválasztani, mivel smd az ic és ráadásul kétoldalas panelon van. Elég macerás.Így hogy az 1. láb állandóra van kötve, milyen kötés kell a vevő oldalon?
Na, lekínlódtam az 1. lábat a panelról. Így most a D4 közvetlen a tápra és a D2, D1 és a TE pedig közvetlen a testre csatlakozik.
Összekötve közvetlen vezetékkel, egy táppal. A vevőn csak a OSC ellenállás és a led van csatlakoztatva. Próba és semmi! Meg sem mukkan. Lehet hogy a D4 az oka?
Üdv!
A D4 nem gond, lényeg, hogy a cím azonos legyen. ha a dip kapcsolók nyitva vannak és mostmár a 1. láb is levegőbe lóg akkor a vevőnél is minden cím bitnek levegőbe kell lenni. A címbiteket multiméterrel ellenőrizd, csipog e a táp valamely sarkához a cím láb. Ha nem, akkor minden ok. Lehet, hogy valamelyik cím mint az 1. láb is valahova mégis oda van kötve.Egy drótnélküli csengővel ma hozott össze a szerencse, és abba is pont ilyen ic van, smd és 16 lábú. A vímek ennél is ott voltak, dip sort kivettem és megnéztem a vevőmmel, működött simán. A te adód mi tulajdonképen? Mire volt használva eredetileg? Esetleg képet tudsz mutatni róla?
Üdv!
Kimértem a lábakat és sehova máshova nincs csatlakoztatva (a műszer nem sípolt). A ketyere egy gyári, vezeték nélküli mozgásérzékelő. Mellékelek róla képeket.
Üdv!
Lehet hogy a vevőben lenne a bibi? Leforrasztottam a D4, D2 és D1 lábakat is. Csak a táp, az osc ellenállás és a TE lábak vannak bekötve, és megsem vesz semmit a vevő. Ha a DOUTra rakok egy ledet, akkor az adás pillanatában villog, vagyis adja a jelet. Valami nagyon nem ok nálam. Már lassan kezdem feladni
Üdv!
Ne add fel, nekem működik, neked is fog. Próbára a vevő ic táp lábait kösd az adóére és a DIN és DOUT lábakat kösd össze. Ezzel kiiktattuk a rádiós részt (a modulok IN és OUT lábait vedd le a próbáta az ickről). Ha így se megy akkor valami az ick környékén nem ok, ha így megy akkor a rádiós résznél van a hiba.
Üdv!
A próbálkozásaimnál így volt bekötve, ahogy írtad. Közös tápról ment az adó és a vevő is. A DIN és a DOUT is össze volt madzagolva. A vevő és az adó modulok nincsenek rajta, az adóról azt leforrasztottam (a képen amit tegnap küldtem, az egy érintetlen panel volt amit nem forrasztgattam).
Üdv!
Akkor valami az icknél nem ok. A vevő ic új vagy bontott? Hány voltot kap az ic? A VT lábra rá kellene mérni, hány V ot mutat a - és a + hoz képest? A led biztos, hogy jó? Ha leveszed a VT ről és + ra teszed akkor világít ugye?
Üdv!
Az vevő ic új, boltból rendelt. A led is új és világít. A táp az közös az adóéval. Ott 9V-os elem van (gyárilag szerelt) így raktam a vevő ic elé egy 78LS05 tranyót hogy 5V kapjon csak az ic. De próbáltam már 4,5V laposelemmel is tesztelni közös negatívval. Mérni még nem mértem mennyi a fesz a lábaknál. Köszi a válaszokat!
Sziasztok!
A 433 és a 868 MHz es RF modulok között a frekvencián kívül van valami lényeges különbség? |
Bejelentkezés
Hirdetés |






Sajna ezt a lábat könnyedén nem tudom leválasztani, mivel smd az ic és ráadásul kétoldalas panelon van. Elég macerás.








