Fórum témák
» Több friss téma |
ha egyszer fordítva kötöttem be akkor annak már lehet sanyi? vagy még lehet hogy jó az?! mer ezt még egyszer nem láttam villani :S hiába raktam össze akárhogy is ...(igaz nem a rajzod alapján..) azt majd most próbálom a tied. csak nem tom hogy a 25W os ellenállást hogy oldjam meg mer azt nem nagyon kapok...:S:S max veszek olyan 5 Watt körül és sorba és párhuzamba kötök mondjuk 8at vagy 10 et! majd kiszámolom mennyi is kéne...
jah és hogy annak az ellenállásnak muszály 100 ohmnak lennie? vagy lehet eltérő is egy picit?! (ergo mennyi az a pici?)
szerintem nem döglött meg a cső, mert én sem tudtam, hogy hogy kell bekötni /ugyanilyen csövem van, mint neked/ és beforrasztottam valahogy, és működött. Pár óra villogás után ki-ki hagyott, akkor megfordítottam, és még azóta is jól működik. (sajna nem tudom megmondani, hogy melyik láb a +, mert nincs itthon a strobi...)
A cső típusa IFK-120as ha jól tom nekem is ez van csak a régebbi széria. Ahhoz hogy villannyon egyféleképpen lehet bekötni ha fordítva kötöd be sztem elhaláloz. jah nekem 100ohm 17wos ellenállás van benne én 270Ftba vettem csak annak nagy hűtés kell mert nagyon melegxik. Jah az előző sem lehet rossz ha fordíva kötöd be kicsi az esélye h villan. Bár sztem megfexik (lehet h az elektronikát haza vágja vagy rövidrezár). Ami nekem van strobi az jól műxik
oké köszi akkor holnap vhonnan nyomozok minél nagyobb 100 ohmost. azt ha nem találok anyira nagyot akkor négyet sorba és párhuzamba kötök egyszerre és akkor 4 ellenállatnak kell elviselni ugyanazt és az érték pedig marad az eredeti... köszi a segítséget majd írok hogy ha nem megy a dolog!
remélem azér összejön
az a lényeg h 17 W-os legyen minimum. a 100Ohm az nem probléma inkább a 17w de jobb ha nagyobb van. Engem a boltban hülyének néztek h minek oda olyan nagy ellenállás.
jah és a sorbakötésnél figyelj arra is h ne csak az ellenállás mennyen feljebb hanem a teljesítmény is. Sok szerencsét ha minden jó jön össze még a 7végén megírom h melyik láb melyik csak küldj egy képet a csőről úgy h szemből fotózod az egészetEzt nézd meg ez az amit én nyitottam kimondottan erről a strobiról vannak leírások és van 1 pár kép és 1 videó a strobiról
itt van a cső ami nekem van és áll a hozzá tartozó gyujtó tekercs.. a boltba ezt a GLIMM et kaptam! ez jó lehet?!
végig olvastam a topikod .. jóval okosabb lettem... TIC106-om már van. akkor megvan ez a 3 alkatrész... kellenek azok a kondik abból is valamelyik megvan a többit és az ellenállásokat holnap beszerzem és ahogy az oldaladon van a rajz pont ugy fogom kipróbálni... ha vmi ott nem oké akkor azt mondd meg légyszi ha mondjuk vmelyik érték vagy vmi... remélem már összejön mer már régóta szenvedek vele de eddig mindig nehezebb kapcsolásokkal...:S:S [off]Egyszer már feltettél egy képet, akkor azt még egyszer nem kell feltölteni, TESSÉK LINK-elni! szabi83 DSCF4161.JPG
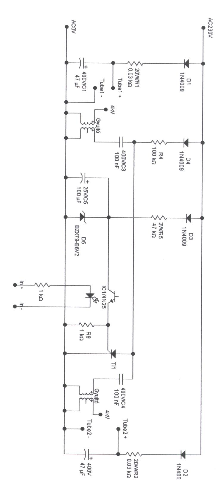
Összefog jönni az a rajz ami ott van fennt az az én verzióm. A gyári rajz az csak körülbelüli értékeket mutat. Nekem a 350 es kondi helyett 400as kellett és az 1Mohmos poti helyett 1.5ös
Sziasztok!
Megpróbálok egy kis elméletet leírni a DjGeorge álltal linkelt rajzhoz. Szóval az alkatrészek értéke, itt főleg az energiatároló kondira és az ellenállásra gondolok,nem kritikus. Annyit tudni kell, hogy minnél nagyobb a kondi értéke, annál nagyobb lesz a villanás fényereje.A vakucső villanáskor 1 rövidzár a hálózat felé, ezért kell az ellenállás, hogy azt süsse a hálózatra.Nyilván minnél nagyobb a villanás ereje annál nagyobb az ellenálláson folyó áram, annál jobban melegszik.Ezért kell olyan batár nagyot berakni. Az ellenállás másik fő feladata a kondi töltése.Ebből adódóan minnél nagyobb az érték, annál lasabban tölti fel a kondit, ezálltal korlátozza a villogási sebességet/frekvenciát is.A komolyabb strobikban ellenállás helyett kondit alkalmaznak.Ezek 1álltalán nem disszipálnak.Hátránya az ilyen strobinak, hogy ezekben un. motorindító kondikat alkalmaznak, amik mérete még az ellenállásoktól is jóval nagyobb.Viszont sokkal biztosabb a villanási freki és persze a fényerő is.Nekem is hasonló a strobim mint DjGeorge-é, csak én ellenállásnak 2sorbakötött 15ohm/10W-os ellenállást használok, és kondinak pedig 47u/400V. Remélem hasznos infókat irtam neketek. Jó strobiépítést. Üdv.:Travolta
Kondin keresztül töltik az energiatároló kondit, ill kondival korlátozzák az energiatároló kondi töltőáramát ?????
Hát ez így izgalmas feladat. Láttál már ilyen megoldást élőben,vagy kapcsolási rajzon ??? Esetleg tudnál mellékelni 1 ilyen kapcsolási rajzot ? Szerintem, félretájékoztattak...szerintem.
Persze!!! Itt a kapcsrajz jah és itt az a strobi amit megcsináltam leírások stb műxik is!!!
Idézet: Szerintem működik 100% ig (jah és semmi sem lehetetlen) „Szerintem, félretájékoztattak...szerintem.”
Nem neked írtam ám !
Semmi kifogásom a Te strobiddal, és annak a kapcsolási rajzával. Én csupán Travolta hozzászólásával nem értek egyet. Pontossan ezzel a mondatával: Idézet: „A komolyabb strobikban ellenállás helyett kondit alkalmaznak” Ui: ajánlom tekinsd meg a honlapomon a dBass menüpontot....
Jah elnéztem
van benne igazság én is kíváncsi lennék rá
Természetesen nem félretájékoztatás, hiszen jómagam koppintottam le ezeket a strobikat javítás közben.A rajzokat 1 korábbi hsz-ban már beraktam, igaz EWB fájlként, de most beszkenneltem nektek.Az egyik, DS250 az álltalam épített strobi rajza, az Astro750 a névnek megfelelő Astro gyártmányú 750W-os strobi rajza.Ehez XOP7-es cső kell, és nem tartalmazza a gyujtó áramkört.A MiniFlash pedig a Zaj-ban is kapható kis fekete dobozzal ellátott strobi rajza, amin jól látható, hogy ellenállás helyett kondit használnak.
Van még az Astro-nak az 500W-os strobija, annak hasonló a kapcsolása a MiniFlash-hez, csak a kondik helyett 10 és 15µF-os motorindító kondik vannak. Ajánlom tanulmányozásra a rajzokat. Természetesen ezeket én is megépítettem és hibátlanul működik mind1ik! Üdv.:Travolta
Először is köszönöm ,hogy +osztodtad velünk a rajzokat !!
Tanulmányoztam őket.... Egyszerű feszültség kétszerező(többszörző) kapcsolás.... Tehát semmi köze az áramkozlátozáshoz...az áramkorlátozást itt rábízták az áramkör, és a villamos hálózat belső ellenállására...(ahogy az én 1700 wattos strobómnál..) Ha valaki nem ért velem egyet, szóljon !
Igy van! Tök igazad van!
Bár én se mondtam, hogy a kondival áramkorlátozza a kondi töltését, csak hogy ellenállás helyet kondit használnak. Itt már a működésre nem tértem ki. De valóban ez 1 feszkétszerező. ![]() Van 1 fórum, aszem a terminálon, ott is van 1 stobis topik, és aszem abban említik, hogy az elektrolit kondi használatát nem árt mellőzni a strobikból!
egy kérdés: a glimm helyére mit tegyek?! van egy ilyen égő szerű vmim! azt vagy neon gyujtót?! abból olyanom van hogy:
4....22W;220-240V de viszont ezen nem tom melyik plusz melyik a minusz?! ebbe kéne a segítség de nagyon?! melyiket és a neongyujtó az jó-e ha azt?!
Üdv! Kiváncsiságból utána számoltam:1µF 50Hz frekin 3180ohm látszólagos ellenállást képez (reaktancia). 2.2uF=1445ohm...47uF=67.7ohm 50Hz-en. Mi ez ha nem áramkorlátozás?
Sikerült hülyeséget irnom,mert nem a körfrekvenciával számoltam. A helyes értékek:1uF=506ohm....2.2uF=230ohm....47uF=10.8ohm.50Hz frekinél. Mégiscsak az előző számitások a helyesek!!!!! Xc=1/6.28xfxC......Vagyis A látszólagos ellenállás értéke a körfrekvencia szorozva kapacitással és ennek a reciproka.
Nah én ellenőrzésképp feütöttem a 4jegyű fügvény táblázatot (golndolom legtöbben ismerik). Az (200.oldal)
1mikrohoz 3184,71-et ír.... Ezzel nincs is baj hogy ekkora a kapacitív ellenállása 50 hz-en, de az áramkört az esetek "nagy" részében nem a nullaátmenetnél dugjuk (kapcsoljuk be). Olyankor mi a szentséges szűzanyám fogja az áramot korlátozni ??? (azt gondolom mindenki tudja, hogy a kondi a feszültség ráadásának pillanatában zövidzárnak tekinthető ) Onnan indultunk el, hogy: - az energiatároló kondit ellenállaton keresztül töltjük(azza korlátozzuk a töltöáramot) Travolta írta hogy Idézet: mint kiderül nem áramkorlátozásra használják (ahogy a szövegből következtettem) hanem a a feszültség többszörzésére...„ellenállás helyett kondit alkalmaznak” A bekepcsolás pillanatában, és minden villanás után, a kondik töltés mentesnek tekinthetőek. Tehát ahogy fentebb írtam, a töltőáram korlátozását Idézet: „rábízták az áramkör, és a villamos hálózat belső ellenállására”
légyszi valaki mondja meg hogy a neon gyújtóból jó-e a 4-22W ig?! (csak kipróbálásra tudom hogy ha melegszik akkor kihagy...)
vagy maradjak meg annál az égőnél?(csak mer nincs hozzá aljzatom és forrasztani nem lehet igy kicsit kacifántos...) jah meg még anyi hogy ugy jó a 25W os ellenállás hogy 8db 5 Wattos sorba és párhuzamba köztve?! plusz még ha kell hűtő!? köszi geri
Valóban igy van.
Neon gyújtó talán, a sima égő biztos nem jó ! Ide neked egy olyan akatrész kell, aminek a kapcsain a feszültség meghalad egy bizonyos értéket (ez 30-100 volt közötti lehet) akkor hirtelen vezetni kezd, ÉS a kacsopfeszülsége nagy mértékben csökken ! És ez a sima izzó nem tudja.
Van ilyen félvezető alapú alkatrész, neve DIAK. Amivel én találkoztam (használtam) az úgy nézett ki mint egy 1N4148 as dióda (tehát üveg tokozású). Fő paramétere az a küszöb feszültség ahol vezetni kezd.Lehet helyetesíteni is 2 tranyó és egy zener dióda megfelelő kapcsolásával is.
Nah szóval olvastam a szöveget a glimmel kapcsolatban : nem drága 100-150 ft a fénycsőgyujtóból szeded ki az semmit nem ér villan 2-3at és már fel is melegedett. a diak az megfelel oda kb 50...80v-os legyen. Amúgy én a zene csúcsaiban elsülő megoldást választotam jobb így mint a hagyományos monoton villogással. Jah és tesztelésként én az ellenállás helyett (25W) hűtőégőt tettem bele az is 25W 89ohm-os (vagy valahogy így volt) az kezdésnek megtette de lecseréltem 17W 100ohm ra
Syasztok
Nekem van egy hobbielektronikás 12V-os 15 W-os villogtató (szoljatok ha kell,beszkennelem) elvileg elakadásjelzőhöz van kocsihoz,és különböző értékű kondikkal lehet szabályozni a villogást! Az lenne a kérdésem,hogy pl egy zseblámpaizzó,nem-e megy tönkre ha másodpercenként 10 szer kapcsolgatja rá,ez a "cucc" a feszültséget? Tudom,tudom erre való a villanócső stb. Azért a zseblámpaizzóra esett a választás,mert ha megnézi valaki,ha ráadják a feszültséget,azonnal kigyullad,ha leveszik azonnal el is alszik nem szépen folyamatosan alszik ki mint pl egy 40 W-os 12V-os halogénizzó a led is jó lenne,de az csak egy pontba világít... (ha sokat rakok akkor nem,de az már pénz) és ez is kérdés,hogy a led,el viseli a villogtatást?
Nem megy tökre, csak folyamatossan fog világitani(enyhe vibrálással)..
Szerintem nem birná azt a másodpercenkénti 10 villanást akkor 1szerűbb lenne leddel csinálni mert az gyorsabban villog szerintem az égő izzószálja ki sem aludna mire ujra feszültséget kap. azaz mint az előzőekben is le van irva vibrálna
jah értem hát először csak a monoton világításost akarom összehozzni azt nézegetni egy ideig aztán utánna esetleg a zenére...
amugy nem sima égőm van hanem olyan alakú csak és glimm nek kaptam no de ne szaladjunk előre. összeraktam a rajz alapján. és az van hogy ez a glimm vmi ez villog vagy folyamatosan ég ilyen kis piros pislákoló vmivel... no de akkor szerzek magamnak diakot ami 50-80 V os... enyit elég róla tudni? ha nem meg kérdeznek keresztbe a boltba én meg majd bólogatok! ![]() de elképzelhető hogy vagy a tekercsem vagy a csövem rossz?
Aszem itthon nem kapni csak 33V-os diakokat.legalább is amikor utoljára kellett nem volt csak ez az egy fajta.de aszem sorba lehet őket kapcsolni,ugyhogy annyitt vegyél,hogy kijöjjön a fesz.
A glimmnek vörösen kell villognia tehát jó ha nem villan a cső akkor ott más is lehet a probléma
|
Bejelentkezés
Hirdetés |




remélem azér összejön


van benne igazság én is kíváncsi lennék rá 








