Fórum témák
» Több friss téma |
Végül is kapható ilyen kondi de szerintem nem ártana nagyobb szórásúra tekerni a magot.
Van vagy 20 bontott tv alaplapom tele ilyen imp. kondikkal. Mivel tv műsz vagyok kitermelem belőle a szükséges tárolót
400V-os nem elég oda?
Szerintem nem elég, bár mások szerint igen. Nálam már robbant 400V-os kondi ilyen tápban, egy terhelős teszt alkalmával. Vitt is mindent, mint a piros hetes. A nagyobb csak jobb lehet, diódából is 600V-os kell bele.
Sziasztok!
Segítség kellene nekem, annyi lenne a lényeg, hogy találkozón kaptam 2 trafót a 3. kapcsoló tápomhoz (v1. és 2. csak tesztelni volt) amin csak 1 középleágazásos szekunder van. Gyárilag 200W-os, és +-30V 2A-en volt használva. Most én is erre szeretném használni, ugyan azzal a meghajtással ami gyárilag rajta volt, ez pedig a TOP250Y integrált ic. Ennek ugye az adatlapjában a kontroll lábra menő jelet egy külön kis tekercs látja el, na a porobléma ott kezdődik hogy ezen a trafón csak 1 primer és 1 szekunder van, akkor hogy oldjam meg? Valahogy gyárilag is megvolt, de az a panel nincs meg. Azt találtam hogy maximum feszültség a control lábon 9V, jó de mennyi a normál? Amikor minden rendben üzemel, mert gondolom úgy állítja be a pontos kimenő feszt, hogy az opton keresztül egy bizonyos feszt. kap, és ha ez megvan, akkor azt próbálja tartani terheléstől függően ha leesik a fesz növeli ill csökkenti. Adatlap Nagyon köszönöm
Üdv!
Ossz le a 320V-ból 10V-ot aztán abból csinálhatsz az optónak jelet.
Szia Cimó!
Csináltam még egy tápot és most tesztelgetem. Működik és terhelni is lehet, de terheléskor nagyon felugrik a frekvencia. Ennek mi lehet az oka? Ezek az adatai: Primer induktivitás: 2620 uH Szórási induktivitás: 32 uH Rezonáns kondik: 100nF - 630V MKP Frekvencia üresjáratban: 63 kHz Frekvencia terheléssel: 268 (!) kHz Egyenlőre csak egyenként mertem terhelni a szekunder ágakat, 8 Ohm-os kantálhuzallal. A 41,5V-os üresjárati feszültség ilyenkor 37,5V-ra esik vissza és 4,7A áram folyik a dróton. Addig nem akarom teljesen leterhelni, amig ennyire "túlpörög". Elszámoltam volna a rezonáns kondikat? Eddig nem csináltak ilyet ezek a tápok. Légyszi segíts! Köszi
Freki mérővel mérted vagy szkóppal? Nem lehet, hogy terhelés hatására tüskék keletkeztek, és megzavarták a frekimérőt?
Multiméterrel mértem a frekit (Maxwell MX-25 306), a trafó egyik mellék szekunderén. Először mérési hibára gondoltam, aztán feladtam a találgatást. Nincs ötletem, meg szkópom se. Tehát elképzelhető, hogy felharmónikusokat mér a műszer? Van valami tipped hogy hogyan mérjek?
Hát én mindig szkóppal mérek, mivel többször tapasztaltam már, hogy a műszer nem azt méri amit a szkóp mér. Én amúgy az alsó FET gate-jén szoktam mérni.
Nagy valószínűséggel tüskék vannak a jelben ahol méred.
Az időzítő kondenzátoron nem mérted? Ct. Ezen jónak kell lennie a frekinek.
A Ct az az 1 nF-os, ami a rajzon a C1 ? Annak a lábaira rakjam a műszert?
Igen, vagy valamelyik gate-source lábra.
Megpróbáltam a kondin mérni, de némi trafócsicsergés után megdöglött az ícé
Ezért valahogy nem is merek már az áramkörben frekit mérni. Kivettem az áramváltót is, hátha az gerjeszt valamit, de nem. A 32uH szórásihoz, mennyi lenne az optimális kondi érték és frekvencia?
Bentvan az értesítések között ez a téma is nem tudom miért nem jelzett hogy írtak... Szóval ellenállásal csináljam vagy mehet oda a soros kondis megoldás is? Konkrétan erre gondolok: Bővebben: Link 15V-os Zener diódával és utána egy 7809-es stabkocka.
Nabasszus... az áramváltó! Azon nem lehetne mérni? Kipróbálom, lesz am i lesz...
Nem kell túlbonyolítani szerintem.
A szekunder oldalon az optó ledje tulajdonképpen az áramra érzékeny. Az ezzel arányos áramot adja majd ki a primer oldalon az optó fototranzisztora. És ha így van, akkor nem baj ha nem stabil feszültségen van az optó kollektora. Tehát tegyél be egy sima ellenállást az optó és a 320V közé. Az adatlap szerint 0% kitöltés 7,3mA-s Controll áram mellett van. Tehát 2db 22k/2W ellenállás sorba jó lesz. + még a Source és a kollektor közé egy zenert optótól függően kisebbet mint amekkora feszt bír az optó CE-je.
Üdv!
Áramváltón is lehet! Ha a Ct lábon nem is a fet Gate-Source-on biztosan tudsz mérni frekit.
ÜDV mindenkinek. Úgy döntöttem kipróbálok én is egy ilyen kapcsolóüzemű tápot de nem ölök bele rögtön ezreket, így mindjárt ide is érkeztem a kérdésemhez, van ez a gyűrű amit felraktam ide megadtam a méreteit, a kérdésem az lenne hogy elég e ez a gyűrű ahhoz hogy kipróbáljam a tápot hogy legalább működik e, és ha igen mekkora teljesítményhez lenne ez elég? A cikkben azt olvastam kerek gyűrű is jó.
Hello!
Az új tápomban nekem is 35uH körül van a szórási és 100nF-os rezonáns kondik vannak. Pontosan nem tudom,de 60 kHz körül van a rez freki, úgyhogy nagyjából a te tápod is jól van beállítva.
sziasztok
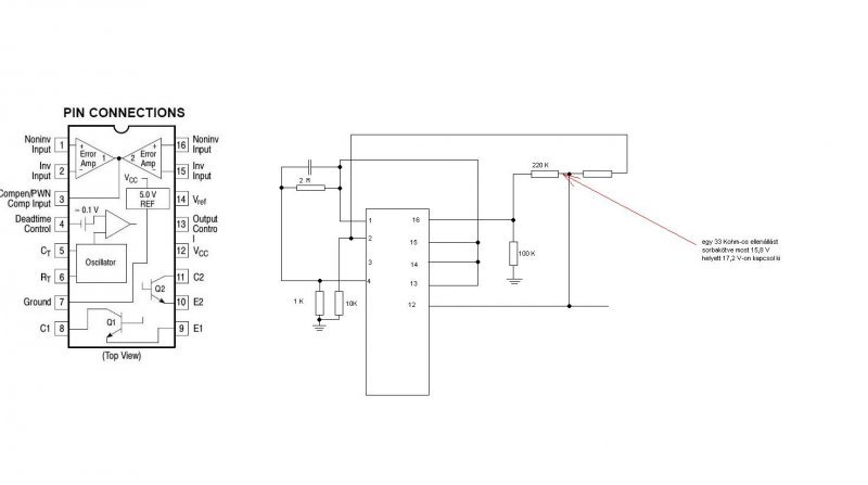
tl494 4-es lábának nullpontra helyezésével bármilyen tiltás kiiktatható ? A képen a piros nyíl helyére sorba kötöttem egy 33 Kohm-os ellenállást, így a tápot 15,5 helyett még 17,2 V-on is be tudom kapcsolni. Ez is mennyire okés ?
Tehát az egyik fet G és S lábára csíptessem a műszert (Maxwell multiméter)? Ez nem fogja befolyásolni a táp működését? Amikor a kondin mértem, akkor csúnya, hangos cirkuszt csinált és az ícé is elszállt, sajnos nem tudtam elég gyorsan beavatkozni. Még jó hogy volt rajta egy 60-as égő áramkorlátnak, különben mentek volna a fetek is. Totál értetlenül állok a jelenség előtt... miért csinál ez ilyeneket? Ugyanúgy csináltam ezt is mint a másikakat, csupán a panel másmilyen és a trafó szórása kisebb. Talán valami alkatrész vagy nyákhiba? Felteszem ide LAY-ban, hátha észrevesztek rajta valami hibát.
A nyákon nem találtam hibát a vezérlés részénél.
De még mindig nagyon kevés a távolság a primer és szekunder rész közt. Egyébként okoz ez bármi zavart hogy nagyon nagy frekit észleltél? Szerintem csak mérési hiba, multiban nem szabad bízni.
Na megmértem a frekit az egyik feten is. Szépen tartja a 63 kHz-et, terheléskor felugrik 80 kHz-re, de rögtön vissza is áll. Már én is arra gyanakszom hogy a multiméterem szivatgat... túl érzékeny lehet a felharmónikusokra. Szabad ilyet csinálnia terhelés váltáskor? Nem lehet hogy az icé tápellátásával van gond? Érdemes lenne szerinted egy 7815-öt beiktatni az ícé számára? Persze csak a következő tápomnál, mert ez már így marad.
Biztosat csak akkor tudnék mondani, hogy ha szkóppal rátudnál nézni.
A frekinek stabilnak kell maradnia. Van neki rendesen táp terheléskor is? Nem esik vissza a 15V?
Sajnos egyenlőre nincsen szkópom :no:
Megmérem az ícé tápját terhelve is...
Hali , erről lenne szó a közepe 12mm átmérőjü henger.
pont mint amilyen széles. és a teljes vas 40 magas. s csévetestben 30mm helyezkedik ebből.
Ilyen tápot szedtem szét én is 5-őt, a készenléti trafórt egy TOP220-as hajtja, azt tedd el, kissebb teljesítményű helyekre jól jöhet.
A toroid magra gondolsz? Épp aban kértem istt segítséget hogy jó lenne e kapcsitápba? Teljesítmény teljesen min1 csak a gyakorlás lenne a lényeg mert nekem itt még egy pár dolog magas, a lényeg hogy amég eljutok oda hogy működőképesre összehozom, akkor már lehet nagyobb teljesítmény fele kacsingatni. Ha egy +- 30v-ost sikerülne összehoznom, ami egy TDA7294-et elhajt már jó is lenne betenném a szobai subládába, DVD-hez.
Én is ahhoz csinálom a sajátom, de szerintem az a kerek mag nem ilyen frekire való, inkább valami zavarszűrőben lehetett szerintem, azzal a pc táp trafóval jobban járnál.
Én áttekerés nékül kihoztam belőle +- 30V-on 3A-t az nekem bőven elég, mert két tápot csinálok a két oldalnak. Persze csak "összedobtam" egy kis nyákon a próbák kedvéért, de mérések alapján igen jól teljesített. Amint láthatod a képen nem egy bonyolult valami ez a 2. verzióról készült ami 120W-os volt, az első kicsit defektes volt (az ic a másik oldalán van a borda miatt, a trafó pedig 1cm kábellel volt rákötve, mert nem volt itthon nagyobb nyákom akkor) |
Bejelentkezés
Hirdetés |




400V-os nem elég oda?
Ezért valahogy nem is merek már az áramkörben frekit mérni. Kivettem az áramváltót is, hátha az gerjeszt valamit, de nem. A 32uH szórásihoz, mennyi lenne az optimális kondi érték és frekvencia? 


(az ic a másik oldalán van a borda miatt, a trafó pedig 1cm kábellel volt rákötve, mert nem volt itthon nagyobb nyákom akkor) 





