Fórum témák
» Több friss téma |
- Ez a felület kizárólag, az elektronikában kezdők kérdéseinek van fenntartva és nem elfelejtve, hogy hobbielektronika a fórumunk!
- Ami tehát azt jelenti, hogy a nagymama bevásárlását nem itt beszéljük meg, ill. ez nem üzenőfal! - Kerülendő az olyan kérdés, amit egy másik meglévő (több mint 17000 van), témában kellene kitárgyalni! - És végül büntetés terhe mellett kerülendő az MSN és egyéb szleng, a magyar helyesírás mellőzése, beleértve a mondateleji nagybetűket is!
Szia!
Idézet: „Tegyük fel hogy nekem a triakk 100W-ot kéne kapcsolgasson, akkor hogy számolnám az ellenállás értékét?” Sehogy. Ha a triak begyújt teljesen kinyit függetlenül az ellenállás értékétől. Az ellenállás értéke a gate érzékenységétől függ. Ha MOC-al vezérled a triakot célszerű a katalógusban megadott értékeket alkalmazni. A triakot az MT1, vagy A1 jelű lábához képest vezéreljük. Vagyis ha az MT1 és a gate láb közé teszel egy ellenállást nem fog kinyitni, hanem az MT1 lábához képest adsz a gate-ra egy gyújtóimpulzust. Nagyon durva hasonlat, de ahogy a tranzisztort a bázis emitterrel vezéreljük, a triakot a gate MT1-el.
Na végre megkaptam a megválaszolatlan kérdéseimre a tökéletes választ, köszönöm. Így már értem miért nem nyit ki. Még egy kérdésem lenne: ha tegyük fel nem kapcsolóüzemben működtetem a triakkot, és a moc-ot csak pl. félig vezérlem meg, és így a triak is csak félig nyit ki, akkor elkezd melegedni? Nemtudom érthető-e a kérdésem. Tegyük fel, hogy teljesítményt szabályozni akarok és nem nyitom ki teljesen, akkor elkezd melegedni (csak azért kérdem, mert a tranzisztor vagy fet igen, de itt frekvencia is van)? Sok helyen láttam, hogy szinte teljesen elhanyagoljak a hűtőbordát, nagy teljesítmények kapcsolásakor is, meg pl nagy teljesítmények szabályzásakor is, ami számomra elég meglepő a "melegedő tranzisztorok megszokása után". Azthiszem ez az utoló fogyatékos kérdésem a triakkal kapcsolatban, aztán miután elpukkantok párat, még lehet visszatérek, de remélem nem kerül rá sor.
Idézet: „Ha a triak begyújt teljesen kinyit” Lapose kolléga pedig leírta. A triak (és a tirisztor) nem tud félig kinyitni. Vagy nem nyit ki, vagy teljesen kinyit. Akár egy kapcsoló. Azt sem kell hűteni, mert vagy feszültség van rajta, és áram nincs, vagy - ha bekapcsoljuk - akkor meg feszültség nincs. A teljesítményt a begyújtás pillanatának eltolásával tudjuk szabályozni.
Idézet: „triak is csak félig nyit ki,” Ilyen nincs. Ha a triak kinyit akkor teljesen kinyit. Teljesítményt gyújtásszög-vezérléssel tudsz szabályozni vele. Ez úgy néz ki, hogy a triakot nem gyújtod be a szinuszhullám elején, hanem valamikor a periódus alatt gyújtod be. Ilyenkor természetesen jobban melegszik, hűteni kell.
Lehet írta, de mint mondtam ez nekem magas, ha nem írodik le konyhanyelven. Köszönöm hogy megfogalmaztad, minden világos számomra így már. Köszönöm mindenkinek az egésznapos fáradozását értem
Itt le is állok a mai tudás gyarapításával, mert nekem ezek már végképp magas dolgok, hogy hol gyújtom be a triakot, és honnan tudom mikor van a szinuszhullám melyik részén. Megfogadom köbzoli tanácsát és ennyi elég az a lényeg hogy tudjak egyelőre egy moc-triak kapcsolással kapcsolgatni dolgokat, és remélem nem fog melegedni, ilyen egyszerű kapcsolással, egyelőre békén hagyok a bonyolúltabb dolgoknak, míg nem szerzek elég tapasztalatot az egyszerűbbek terén. Mégegyszer köszönök mindenkinek mindent.
Miért kellene neked tudni, hol jár a szinuszhullám? Azt az elektronika elintézi.
Üdv! Azt szeretném kérdezni hogy egy 74-es soraztú logikai IC-ről megtudok hajtani közvetlenül egy 5V-os relét vagy inkább iktassak közbe egy NPN tranyót? És a tranyó bázisa elé kell ellenállás? Ha igen mekkora?
Másik kérdésem hogy ezek a relék vajon megérzik-e hogy ha egy 74LS164-es shift register-rel alakítom át a serial jelet paralell-é hogy régi bájt maradéka is átmegy az outputon?(pl. ha a 10010000 sororzatot frissítem, 00111000-ra egy ideig lehet 01001000 is az outputon a shiftelés miatt). A shift registert az USB EXPLORER kiementére kötném rá esetlegesen 1-2 logikai IC közbe iktatásával
Sziasztok, van valaki, aki mélyebben belemerült a lambdaszonda működésébe, esetleg tudna segíteni, hogyan verhetném át az autóm ECU-ját a kedvezőbb fogyasztás érdekében?
Nem, de ha ezt végigolvasod, szerintem már lesz.
Ez nekem nagyon kevés, ennél sokkal többre van szükségem, pl hogyan adhatnék hozza a szonda jeléhez még plusz 200 mv-ot?
Ezt már én is leírtam, az 507734 -es válaszomban:
"A triaknak nincs erősítése, nem nagyon van lineáris karakterisztika-tartománya, meredek a görbéje, vagyis vagy nyit, vagy zár..." Ezek szerint david1, elég felületesen olvasol...
Nem felületesen olvastam el, hanem egyszerűen nem tudtam következtetni. Így utólag már értem mit eredményez a meredek görbe és nem lineáris karakterisztika.
OK!
Ha valakit ez a kérdéskör érdekel:RTÉK '74,75,76,77.
Letölthető:Innen
Nagyon köszönöm, hogy megosztottad ezeket velünk. Megvolt az összes RTÉK-m kivéve a 2008 és 2009. És még nagyon sok jó dolgot letöltöttem, pl. C#-ról és programozásról (idővel azt is szeretném megtanulni kezdő szinten). Mellesleg ha még valakit érdekel, akkor a triak-ról is van cikk a 2004 és 2005 számokban. Mégegyszer köszi.
Nagyon szívesen.Az RT-k meg itt vannak:Bővebben: Link
Üdv:gkari
Hát azthiszem éjelbe belemenő töltögetésbe kezdek. Nagyon pofátlan lennék ha megkérdezném, hogy 2005 után folytatódott-e a hobbielektronika folyóirat és ha igen az megvan-e? Jaj de örülök, hogy sikerült kibővítenem a könyvtáram
Igaz, elírtam az évet, de azt nem tudtam, hogy folytatódott-e mostanáig.
Esetleg vonj ki abból, amihez hasonlítja a kocsid.
Ha mindenképp hozzá szeretnél adni, akkor létezik olyan, hogy összeadó áramkör... :google: A katalizátorra meg vigyázz!
Ez rendben lenne, erre én is gondoltam, csak nem ilyen a kialakítás, mert nincs kapcsoló! Ezek távirányítóval kapcsolható lámpák (relés)! Most pedig azt szeretném megoldani,hogy a gomb folyamatos nyomosára dimmeljen! Szóval kapcsoló nincs!
De közben felvetődött bennem, hogy az megoldás lenne, hogy a triac elé berakok egy relét sorosan? Táv gomb rövid megnyomásra relét meghúz triacot folyamatosan gyújt, 100% fényerő ismételt rövid megnyomásra relé bont és nem gyújt triacot. Folyamatos gombnyomásra pedig dimmel a relé meghúzott állapota mellett, de csak olyan legkisebb fényerőig, hogy nappal is egyértelműen látható legyen, hogy a lámpa ég, tehát feszültség alatt van. Hogy ne lehessen az az eset, hogy nem látni, hogy ég az a lámpa és valaki neki álljon izzót cserélni!
Szerintem félre értettél! Tudom, hogy csak sorban lehet!
A lényeg amit akartam mondani, ugyan az amit te rajzoltál nekem, csak a kézi kapcsol helyett egy relé van! Amit ugyanaz a mondjuk PIC kapcsol ami a triacot gyújtja (Persze külön lábról)! Hiába írom rá, hogy nem szabad! Ez egy emeleti helyiség a megszakítók pedig lent vannak! Tudom jól, hogy senki sem fog lemenni inkább megpróbálja. Annyit nem ér a dolog, hogy agyonvágja az áram. Tudom, hogy akkor már az ő baja én rá írtam, de azért ennél ember barátabb vagyok! Az biztos, hogy bonyolultabb, de gyakorlatilag csak a dimmelős részhez kell megvennem az alkatrészt amit egyébként is kéne ugye, a többit a relés részt pedig kitudom termelni a régi panelból.
Oké! Bocsánat tényleg félre értettük egymást! Nézd el nekem kicsit fáradt vagyok!
Szóval az eredeti gondom az volt, amit abban a kérdésben is írtam amit linkeltem, hogy mindenhol, még a gyári eszközöknél is azt látom, hogy a triac, nem a fázist, hanem a nullát szakítja meg! Tehát gyakorlatilag a hálózati feszültség rajta marad az izzón, csak áram nem folyik! Ebből adódik a kérdésem! Amire viszont már a rajzal válaszoltál, hogy a fázist is megszakíthatom a triac-al? A rajzod alapján igen. A másik, hogy kellően megbízható e egy triac ahhoz, hogy ilyet rábízzunk?
Üdv!
MNX: Tudnék segíteni, ez a szakmám, és csináltam is ilyen boxot. De ha hozzá adsz akkor szegényítesz a keveréken, csökken a teljesítmény és növekszik a fogyasztás akár 20-40% al. Nekem 2 évembe és nem kis pénzembe van ez a fejleszés. De tudok segíteni. Pontosabban mit szeretnél. Dúsítani vagy szegényíteni? Spikk: Összeadó áramkőr működik közös GND-n?
Sziasztok!
Adott egy 3 fázisú lakás, földelőszonda van és nincs összekötve a nulla föld, kérdésem hogy a nullák külön vannak "egy fekete csatlakozóba két oldalrol szemben" amire az van írva hogy 63A 550V ez mi??? Ez helyett lehet sínre csatlakoztatni. Szabad-e egy sínre kötni a nullát és a földet jelenesetben???
Sziasztok. Szeretnék venni egy forrasztópákát nyákforrasztáshoz. A mostanival nehezen lehet forrasztani apró dolgokat. Az egy ilyen Bővebben: Link
Mi a véleményetek erről?Bővebben: Link Ehhez kell valami speckó cucc? Mármint ha az állomást nem venném meg akkor milyen tápot készítsek neki? Kell hozzá valami különleges táp vagy egyáltalán mi kell hozzá? Ez kikapcsol egy bizonyos hőmérsékleten vagy az állomáson kell állítani rajta?
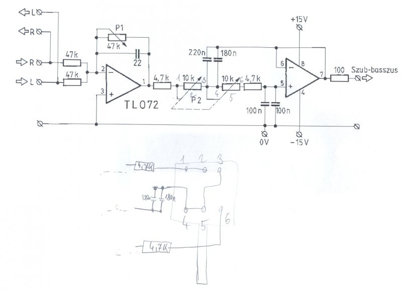
Sziasztok!
Szeretném, ha segítenétek az 1000mester magazin Subfilter -ben. Napok óta összeraktam és keresem miért halkabb, mint a sima jel? Esetleg rosszul csináltam meg a beültetési rajzot? Ott a sztereó poti bekötése sem egyértelmű számomra... /Bocsi, csak azért írtam ide, mert nem túl keresett a Subfilter topic./
Az a poti így ahogy van a nyákrajz nem stimmel a kapcsolási rajzzal.
Inkább így kösd ahogy a képet mellékelem. Ja és nézd úgy a rajzot, mintha a poti egy-az egyben be lenne ültetve a nyákba.
Sziasztok!
Tegnap meg ma is építettem a 2 ledes villogót próbapanelen ,de sehogy se akar működni :no: Már 2 kapcsolási rajzot próbáltam innen az oldalról már vagy 20x újra meg újra bekötöttem. Nem tudom mi lehet a baja mindent jól kötök be próbapanelen is figyeltem ,de semmi Nem tudjátok mi lehet?
Sziasztok!
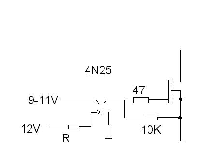
A képen látható kapcsolásban mekkora legyen az optocsatoló ellenállása? 10K körül? |
Bejelentkezés
Hirdetés |




Itt le is állok a mai tudás gyarapításával, mert nekem ezek már végképp magas dolgok, hogy hol gyújtom be a triakot, és honnan tudom mikor van a szinuszhullám melyik részén. Megfogadom köbzoli tanácsát és ennyi elég az a lényeg hogy tudjak egyelőre egy moc-triak kapcsolással kapcsolgatni dolgokat, és remélem nem fog melegedni, ilyen egyszerű kapcsolással, egyelőre békén hagyok a bonyolúltabb dolgoknak, míg nem szerzek elég tapasztalatot az egyszerűbbek terén. Mégegyszer köszönök mindenkinek mindent.

:no: Már 2 kapcsolási rajzot próbáltam innen az oldalról már vagy 20x újra meg újra bekötöttem. Nem tudom mi lehet a baja mindent jól kötök be próbapanelen is figyeltem ,de semmi
Nem tudjátok mi lehet?

