Fórum témák

» Több friss téma
Fórum » Inverteres hegesztőtrafó
 
Témaindító: Gabi, idő: Aug 12, 2005
Lapozás: OK   66 / 566
(#) hátor hozzászólása Okt 15, 2009 /
 
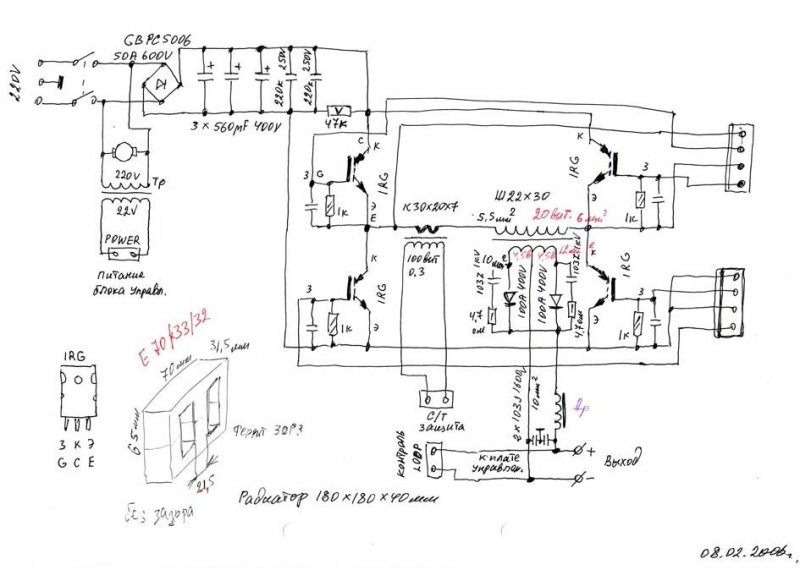
Sziasztok ! Mostanra értem el odáig ,hogy trafó tekercselésbe kezdjek . Megvettem a magot + a csévét E65 3C9 Al : 8600 . A kérdésem az volna ,hogy van gyári litz huzalom 17 x 0.15mm sodrat -elegendő -e ,ha 4 ilyen szállal tekercselem meg a primer oldalt /130A -es gép primer 20 me. / ? - a rajz szerint 28 szál 0.35 mm kellene hozzá ! A szekunder oldalt milyen huzallal érdemes ? Előre is kösz .
(#) mex válasza hátor hozzászólására (») Okt 15, 2009 /
 
Hello.
Nagyon kicsire adódik az eredő keresztmetszet, kevés a 4*17*0.15 huzal. Számszerűleg 1.2 mm2.
A 28*0.35-ös huzallal pedig 2.7 mm2 adódik.
(#) hátor válasza mex hozzászólására (») Okt 15, 2009 /
 
Köszi ! Ezek szerint 9 szál sodratra volna szükségem. És a szekünder ,mert van 2 x 5 mm es vörösréz sinem /folytótekercs volt /,de az nehezen alakítható .
(#) mpisti válasza hátor hozzászólására (») Okt 15, 2009 /
 
Az duplán pont jó!
(#) erdgab válasza hátor hozzászólására (») Okt 15, 2009 /
 
Saját tapasztalat alapján mondom,én készítettem 0,24 és 0,4 mm huzalból is a primernek sodratot,nem biztos,hogy még egyszer elkészíteném 0,24mm drótból,inkább a vastagabbat választom,a vékony nagyon macerás,a végeredmények között pedig nem tapasztaltam semmi különbséget.Figyelmeztetnék halkan,tessék vigyázni a tekercseléssel,mert éppen hogy ráfér a magra! Lehet a szekunder 20mm2,ha egyáltalán elfér,de nem sokat ér,ha a primer marad 2,7mm2.Elég a 19 menet primer is,a gép mehet 35-40kHz frekvencián,ha maradunk az eredeti elképzelésnél.Szintén csak halkan mondom,hétfőn készítettem 16mm betonvasból egy sűrű rácsot,10 szál 2,5mm elektródát használtam el egyfolytában és az első gépemmel dolgoztam (Maci130A),ebben EE65 mag van a rajznak megfelelő menetszámokkal és vezeték keresztmetszetekkel STB. semmi gond nem volt.
(#) mpisti válasza erdgab hozzászólására (») Okt 15, 2009 /
 
Szia Gábor!
Miért 35-40kHz-es frekvenciára tervezitek a gépet?
A gyári kisebb gépek(110-160A) általában 50-55kHz környékén mennek, és nem igényelnek semmi extra anyagot. A 35-40kHz-re valóban megfelel a 0,4mm átmérőjű huzal , de a szakirodalom( Udo Leonhardt Thiel : Schaltnetzteile) a 0,2mm körüli átmérőt javasolja, mert ennél a méretnél 100kHz-ig még nem érvényesül a skin hatás. A nagyobb átmérőjű huzalnak a térkitöltése is rosszabb, ezért azonos keresztmetszet mellett nagyobb hely kell neki. Több gyári géppel találkoztam,ahol a primer is tömör drót volt, 2,6mm átmérővel(jellemzően olasz gépek)de a primer menetszám csak 12!menet volt. A szekunder pedig 4. Ezeknél a primer két sor,a szekunder pedig felül 1sorba. A 180A-es EP-SYSTEM szekundere egyébként a dupla 2,5x4mm laposréz. A 180A-t 60% Bi-vel tudja! E-E 70-es magon.
Ja, és 85kHz-en ketyeg IRFP 450-el.
(#) erdgab válasza mpisti hozzászólására (») Okt 15, 2009 /
 
Szia Pisti!
Ez mind igaz amit mondasz (!) ,nincs is semmi ellenvetésem,én azt írtam "ha maradunk az eredeti elképzelésnél",már mint az orosz rajznál.Láttam én is tömör huzalból készült trafókat,csak még én nem készítettem ilyet,de fogok majd és már én sem maradok a 35-40kHz frekinél,aminek némiképp az IRG4PC50U is határt szabott.A kisebbik gépem (Bocs) közel 50kHz megy és BUP304-ek vannak bent,igaz a többi gépemben is azok vannak.Csak egy-két példa a mellékletben,hogy Téged erősítselek.
(#) mpisti válasza erdgab hozzászólására (») Okt 15, 2009 /
 
Szia!
A kép3.jpg az EP SYSTEM nemde?
(#) erdgab válasza mpisti hozzászólására (») Okt 16, 2009 /
 
Háááát ... nem tudom Itt a tesója is.
(#) mpisti válasza erdgab hozzászólására (») Okt 16, 2009 /
 
Szia Gábor!
A p4160044.jpg jelű képen szereplő gép 180A-es változatáról beszéltem. A mellette szereplő íráson is látszik a 60% Bi jelzés, ami a maximális áramára vonatkozik.
A másik az egyszerűbb kivitel, mint látszik, csak 35% Bi-t adtak meg hozzá. Ez mindkettő EP-SYSTEM gyártmány.

Hol fotóztad őket?
(#) jati válasza erdgab hozzászólására (») Okt 16, 2009 /
 
Bocs, hogy kihagytam csak később jutott eszembe, hogy a tiédről rajzoltam és is csak reggel jöttem haza a munkából és fáradt voltam mikor azt írtam.
A gépem pedig parkolópályán, alkatrészhiány miat.
(#) erdgab válasza mpisti hozzászólására (») Okt 16, 2009 /
 
Szia Pisti!
Egy orosz oldalon találtam,több gép is ki van állítva,végül is ez egy bemutató "vásár" lehetett.
Itt:

Bővebben: Link
(#) erdgab válasza jati hozzászólására (») Okt 16, 2009 /
 
Kedves barátaim jati és többiek!
Semmi gond nincs azzal,hogy Ti használjátok és a hibákat kijavítjátok a célszerűség vagy elektromos ok miatt a paneljaimon,sőt örülök neki,ha olyat adhatok ami néktek is jó lehet.Csak a további vitákat megelőzve írtam amit írtam,a vég kifejlet panel akár közös szerzeménynek is tekinthető!
Sajnálom,hogy parkol a géped,gondoltam,hogy ilyen ok lehet.
(#) mpisti válasza erdgab hozzászólására (») Okt 16, 2009 /
 
Nos,az általad ajánlott linken az orosz oldalt böngészve rájöhettem, hogy mi egy igen drága ország vagyunk. Az említett gyártó kiállított paneljei mellett szerepel az ár is, ami a magyarországi árnak kb. az egyharmada. Azt hiszem ehhez nem kell kommentár. Az orosz oldalon szereplő áron nálunk tescos szemetet lehet venni, ami egyszer használatos, az EP SYSTEM gépeket meg a kevésbé tehetős vállalkozások naphosszat nyúzzák.
Bocs az OFF-ért.
(#) Tubi56 válasza mpisti hozzászólására (») Okt 16, 2009 /
 
(#) kivancsi4 válasza erdgab hozzászólására (») Okt 16, 2009 /
 
Üdv mindenkinek.Napi rendszereséggel látogatom az oldalt, és olvasom a hozzászólásokat. Régebben én is belefogtam a tervezésbe, építésbe, de aztán több okból (főleg a lustaság) abba is maradt a dolog. A fórumra feltett fényképeket nézegetve, új elgondolás alapján, elkezdtem tervezni ismét. A panelterv más kialakítással van, mint az általatok használt. Lehetnek benne hibák, ha észreveszitek, jelezzétek .Ha valaki ez alapján készíti el a gépét, az észrevételeit itt a fórumon kérem ossza meg. Idáig amivel elkészültem (a panel maratása még messze) az az IGBT meghajtó, a többi részegység lehet, hogy hasonló lesz a tiétekhez.
(#) erdgab válasza mpisti hozzászólására (») Okt 16, 2009 /
 
Így van Pisti,látod Tubi is helyesel!
Igazából a következő gondolatot nem néked szánom,hanem a kétkedőknek,de a Te mondataid hozták ki belőlem,ami így szól:Ezért próbálunk építeni egyre jobb gépeket,kísérletezést,időt nem sajnálva,fórumos Barátokkal közösen. Talán látható is az eredmény.
Ennyi Off -nak bele kell férni egy ilyen fórumba!
(#) mpisti válasza erdgab hozzászólására (») Okt 16, 2009 /
 
Szerintem az EP SYSTEM lenne az egyik legkönnyebben után építhető gép. Egyszerű kapcsolás. könnyen beszerezhető olcsó alkatrészek, Amint a képen is látszik, légmagos tekercs a szekunder kör szűrő induktívitása. Semmi extra különlegesség, mint Froniuséknál. A régebbi típusok kis kártyái is koppinthatók, a PWM TDA1060 IC-vel megy. Az újabbak kis kártyái már nehezebben, mert kerámiára gőzölik a passzív alkatrészeket, csak a félvezetők és az IC-k vannak rajta SMD kivitelben. És van még egy nagyon ötletes tulajdonsága: A hegesztés befejezése után kb. 5s-al a kimenőfeszültsége leesik 12V-ra! Ez egy egyszerű áramköri kialakítással érik el. A PWM újbóli aktivizálása az elektróda újbóli leérintésével történik(a12V-ot testre zárják). Ha egyszer valami csoda folytán lesz időm összeszedni követhető formába ezekről a gépekről készült anyagaimat,és felrakni ide úgy hogy abból bibi ne legyen, akkor talán érdemes lenne végiggondolni a 180A-es megépítését.
(#) mpisti válasza mpisti hozzászólására (») Okt 17, 2009 /
 
Így elnézve a tegnap esti fogalmazásomat, erősen látszik a helyesírásomon a pálinka. De a lényege az rendben van.
(#) erdgab válasza kivancsi4 hozzászólására (») Okt 17, 2009 /
 
Megnéztem a tervezetet,nem rossz ,és nem is annyira újszerű,igaz,más mint a "miénk",ami eddig napvilágot látott,de van értelme tovább gondolni.A bordák kialakítására és méretére teszek fel a mellékletben képeket,hogy segítsen.Ahányan építünk,szinte annyiféle alakú és méretű bordát használunk,ki-ki a lehetőségeinek megfelelően.Legtöbbször a borda is meghatározza az adott panel kialakítását és méretét és nem utolsó sorban a zsugorítási "vágy",hogy a gép minél kisebb legyen.Van valahol egy ésszerű határ,amit nem érdemes túllépni,ez az a pont,hogy a gép abszolút kicsi legyen vagy használható,nem részletezem miért.Gondold tovább a gépedet,én szívesen látnám a folytatást itt a fórumon.
(#) guliver83 válasza erdgab hozzászólására (») Okt 17, 2009 /
 
Szia!
És van még erről több fotód is?
Mégis hogy helyezkednek ell az alkatrészek,
(#) guliver83 válasza erdgab hozzászólására (») Okt 17, 2009 /
 
A két nagy bordán van a 2x4db IRG4PC50U
akicsin meg a HFA15TB60 as dióda,
Olyan kicsi elég a diódának?
(#) hátor hozzászólása Okt 17, 2009 /
 
Helló! A 130A -es gépben a Tp 2 trafó primer tekercselési íránya megegyezik a szekunderével ?
(#) erdgab válasza hátor hozzászólására (») Okt 17, 2009 /
 
Igen,megegyezik.
(#) erdgab válasza guliver83 hozzászólására (») Okt 17, 2009 /
 
A 80mm bordákon vannak az IGBT-k, 2-2 db./borda.A 87mm bordán a diódák vannak.
(#) erdgab válasza guliver83 hozzászólására (») Okt 17, 2009 /
 
És még egy a fojtóról.

tekercs.jpg
    
(#) vottokar hozzászólása Okt 17, 2009 /
 
Végigolvastam az itt található vagy 130 oldalt és kedvet kaptam egy inverteres hegesztőtrafó elkészítéséhez. Ahogy olvastam, a legnagyobb sikerrel az "orosz", erdgab, Tubi56 féle apparát megépítése kecsegtet. Az IGBT-k, a teljesítménydiódák és az E65-os mag kivételével a kurrensebb alkatrészeket talán össze tudom szedni. (költségminimalizálás). Sajnos az építkezés más elfoglaltságok miatt nem egy villámgyors project lesz.
Kérdésem az, hogy a frekvenciát "csak" a használt IGBT (IRG4PC50U vagy BUP304) alacsony kapcsolási frekvenciája korlátozza be 30kHz-körülire, vagy a vasanyagok sem bírnak többet? Mert ha jól gondolom azért egy jobb típus (pl. HGTG20N60A4) megengedné a magasabb kapcsolási frekvencia alkalmazását, ami jó hatással lehetne a fojtóban és az E65-ön használt menetszámokra és így nem lenne akkora feladat beleférni a vasmag ablakaiba.
(#) erdgab válasza vottokar hozzászólására (») Okt 17, 2009 /
 
Jól látod,a frekit inkább a félvezetők határolják be,jelen esetben az IRG... IGBT-k.Az EE65 bírná akár a 200kHz frekvenciát is.Válogatni kell a "jobb" IGBT-k közt és máris lehet feljebb menni a frekvenciával.
(#) vottokar válasza erdgab hozzászólására (») Okt 17, 2009 /
 
Akkor keresnem kell jobbat (az általatok ajánlott HGTG20N60A4 annak tűnik és talán 4 db elég belőle a 130A-hez. Mindamellett kapható is.). És akkor mehet a frekvencia is feljebb. Vagy azt az utat választom, hogy olyat használok, amihez hozzá tudok jutni, ami nem jobb, de olcsón van. Ha mindamellett jobb is lenne, de az már a kánaán lenne.

Bár ezt először a hűtőbordákkal kell megtennem, aztán mehet a panelterv módosítása.
(#) Tubi56 válasza erdgab hozzászólására (») Okt 17, 2009 /
 
Aztán még ott van a HGTG30N60A4 amiből akár kettő is elég lehetne! Nagyon jól bírja a gyűrődést kivan prószálva!
Bár az is igaz, hogy drágább is a drága! Négy darabbal meg elég egy kissebb hűtő is hozzá

Aztán azon elgondolkodott már valaki, hogy a snubber köri dióda a 100 Amperes gépben egy BYV26C ami azt hiszem, hogy 600 V és mindössze 1 Amperocska! Akkor miért is kell a 130 Ampereshez egy 15 Amperes dióda HFA15TB60)?
Hiszen ide max 2 amperesnek elégnek kéne lenni nem de?

Márcsak abból is kiindulva, hogy a már szétt szedett gépekben ilyen nagyteljesítményű snubber diódát nem igen látni!
Következő: »»   66 / 566
Bejelentkezés

Belépés

Hirdetés
XDT.hu
Az oldalon sütiket használunk a helyes működéshez. Bővebb információt az adatvédelmi szabályzatban olvashatsz. Megértettem