Fórum témák
» Több friss téma |
Fórum » PC-t filmnézésre tv-n (RGB)-n
Témaindító: ampervadász90, idő: Dec 1, 2008
Témakörök:
Szívesen! Kellemes Ünnepeket!
Neked is
Még egy? van egy dvd lejátszóból kiszedt av és rgb bemenet hogy lehet azt használni ezt átjátszo kábellal.
Ez a kábel csak PC monitorhoz, PC projectorokhoz jó, a DVD tartalmaz ilyen kimeneti üzemmódot. A helyett hogy beépítették volna a VGA csatit fixen, adnak hozzá inkább átalakító kábelt.
Szia
már meg van mi volt a bibi az ati driver volt a rosz és most jo csak fekete fehér és azt probálom be éllitani 6-2_xp-2k_dd_ccc_wdm_enu_30152.exe ezt a drivert szedtem le és nem naon olyan a beáálitási menüje mint a réginek és nem tudom még hogyan kell pal-ra állitani. de köszi a segitséget
Sziasztok
Először is kellemes ünnepeket és örömteli újévet kívánok nektek és családotoknak! a fenti kábelt hogyan lehetne elkészíteni amivel a gépet tévén is tudnám nézni úgy hogy ne keljen olyan videókártyát vennem! itthon szeretném elkészíteni a kábelt van egy scart csatim + egy monitorhosszabbítóm az lenne a kérdésem hogy lehetne összerakni hogy múkodjon!(nincs pénzem URI GELLER-re hogy ráordítson hogy 1 2 3 MÚKODJ) lehet hogy favicc volt?! LÉCCI SEGÍTSETEK!
Szia!
Neked is kellemes ünnepeket! Ha arra kábelre gondolsz ami a fényképen van és az egyik fele VGA csati a másik fele SCART akkor ilyet hiába csinálsz mert a videokártya vga kimenetén lévő jelek egyáltalán nem kompatibilisek a tv szabványal.Csak egy igen bonyolult áramkörrel lehet a jeleket átkonvertálni.Ugyanis semmi nem stimel se a képfrisitési frekvencia se a felbontás.Ha megnézel egy tv kimenetes videokártyát akkor látod hogy még a gyártoknak is gondjaik vannak ,hogy értelmes képet csikarjanak ki pedig a tv kimenetes videokártyán külön proci van erre a célra.Ha pc-t akarsz tv-re kötni az egyetlen jo minőségű megoldás az ha veszel egy tv-t amin van vga csati vagy ha a videokártyádon van DVI kimenet akkor olyan tv is elég amin van HDMI mert van HDMI-DVI kábel mert a HDMI visszafelé kompatibilis a DVI-vel.
PFFFF hát azt hittem nem lehet bonyolult mert abba a kábeltokba szentem nem sok minden fér el (smd kivitel?)Érdemes lenne szétszedni egyet és megnézni mi van benne és után építeni de ha naon bonyolult akkor inkább veszek 1et (nem lehet drága max 5 rugó a kártya gyártók se hülyék hogy odaadják a hasznot mert szentem nem osztogatnák a 20 ezres kártyákhoz 5 ezres kábelt(vagy kifizettetik veled?
))
Azért ne csak 3 db ellenállásra gondolj.
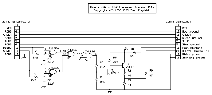
pl.: http://www.epanorama.net/circuits/vga2tv/vga2palntsc.html
Sziasztok!
Szép és jó, de mielőtt bárki alkatrészköltségekbe verné, itt egy idézet a fenti kapcsolási rajzhoz: Idézet: „The circuit needs that the VGA card sends out the video signal the the RGB format compatible with PAL or NTSC standard video timings. This is accomplished with right VGA to TV driver.” Magyarul (a lényeg): Ennek az áramkörnek szüksége van egy VGA kártyára, amely PAL vagy NTSC kompatibilis videojelet küld RGB formátumban az áramkörnek. Ez egy speciális VGA - TV driver-el oldható meg. Tehát, kell egy 1996 körül gyártott olyan videokártya, amely alkalmas ezzel a driverrel ennek az áramkörnek a meghajtására. Az emlegetett kábel: Idézet: „nem lehet bonyolult mert abba a kábeltokba szentem nem sok minden fér el” Hát, nincs is benne semmi a dótokon kívül, akkor mire jó? Az új szabványú HD Ready ill Full HD tévékhez való. A számítógép videokártyájának támogatni kell a HDTV funkciót. CSAK akkor jó! És igen ehhez az elektronika a kártyán, úgy hívják "TV OUT". Milyen találó név, nem?
Teljesen igazad van.
Bocsi peppejoe-tól a slampos válaszomért. Ez az ák. valóban nem tud a vga card pl. 60 Hz-ből 50 Hz-es képfrissítést csinálni. Még egyszer bocsi. Boldog Karácsonyt !! mgabesz
És nem csak az 50/60Hz a gond! De erről már írtam másutt! Bővebben: Link
helló
búék egy kérdés ha jó minden be hozza a képet és működik mitől van hogy fekete fehér.
Helló mindenki..
Egy alternatív megoldást javasolnék, mert ezt a témát én már végig-szenvedtem, holott annó(3500) ft-ért találtam egy tökéletes megoldást. A koax kábelt kell megszakítani, S-Video kimenetet ráakasztani, plusz a hangkimenetet ketté (ezt házilag oldottam meg), és nézhető (nálam) mind a három TV-n. (A bejövó koax elején mingyárt ráakasztottam) HD meg fullHD, meg magahádé, de gondolom 500megára összenyomott kamerás mozifilm-avit néz rajt a többség, arra ez tökéletes ! http://www.conrad.hu/conrad.php?name=Products&cid=0&pid=Vkd0U2NtUXd...ZPUT09 http://www.conrad.hu/conrad.php?name=Products&cid=0&pid=VkRCU1NrMUZ...JPUT09
Szia
köszi de az a gond hogy nekem csak egy barna szál és egy fehér amiben egy még egy szál van és azt meg csináltam de az a gond hogy csak fekete-fehér minden jó csak azt nem tudom hogy miért olyan és olyan dugom van .és az hogy ebből csak kettő szál jön. tudsz valami jobbat. boldog új évet amúgy. :yes:
bocsi de nem nagyon tudtam
Semmi gond, csak arra vagyok ilyenkor mérges, hogy 15-20 hozzászólásonként le kell írnom a megoldást, ahelyett, hogy egy oldalt visszaolvasnátok.
Egyébként sikerült megoldani?
igen naon jó lett olyan kép van rajta hogy az nem igaz.
itt egy kép róla. köszi helló.
Üdv
Szerintetek ez működne? Szerintem azért lenne jó, mert a vga alapból az rgb jelet jól küldi ki a tvnek, csak a szinkronjeleket kell közösíteni és ez pont azt csinálja. A hz beállításra + a pal formátumra, ott van PowerStrip nevű program. De azért megkérdezen, hogy szerintetek működőképes a kapcsolás? Bővebben: Link
Szia!
Ha a PowerStrip korrektül lerendezi akkor ok, bár még a váltott sort is el kell intéznie. Ismerem a PowerStrip-et, de még nem mentem bele a mélységeibe. Az áramkör olcsó, tehát érdemes kísérletezni vele. Van egy csomó VGA-PAL konverterem, videokimenetes kártyám is, meg professzionális vágókártyám is, de azért érdekelne, hogy ez működőképes-e.
Én a jövő hét folyamán 100% hogy megépítem. Majd írok hogy milyen. Betudtam állítani a PowerStripbe hogy 50hz-en és pal formátumba adja ki a jelet, szóval szerintem így már mennie kell. Először azt a kapcsolást akartam megépíteni amit már egyszer belinkeltek. 1db 74ls86, 1db ad722 és egy ne555-ös ic van benne. Ezzel csak az a baj hogy az ad722-es ic-t már gyakorlatilag Magyarországon lehetetlen beszerezni.
Sziasztok!
Jól veszem ki a sorokból, hogy így a progi segítségével meglehet valósítani a vga -ból rca-t? Elég sokat olvasgattam itt a he-n ezzel kapcsiba. Valaki azt mondja,hogy lehet,valaki azt hogy nem. Jó lenne,ha lehetne,mert van egy laptopom és csak vga kimenet van rajta. Azért lenne fontos,mert sokat utazom és általában a hotelekben csak olyan tv-k vannak,amiknek rca,vagy scart bemenete van. Remélem tudtok segíteni. Előre is köszi. Üdv. Peti
Helló
Én megépítettem ezt a kapcsolást és tökéletesen működik, de csak ATI kártyán! Legalábbis nekem csak azon ment. A powerstripbe be kell állítani, hogy Pal formátumban küldje a jeleket vga-n, meg hogy 50-60hz-es frekin. Attól függ, hogy a tv-d milyen hz-en működik. Ha 100hz-es a tv-d akkor a hz-et nem kell bállítani.
Egyszerűbb megoldás: ATI 9250pro videókari és azon van RCA csatlakozó. tudod állítani hogy elsődleges megjelenítő vagy másodlagos legyen stb.stb....
Igen ez tényleg jobb megoldás, viszont kétlem hogy az RCA a kis 3mhz-es sávfrekfenciájával jobb képminőséget adna mint a vga.
A minőség nem volt kritérium
Filmet nézni és játszani tökéletes, de már nem látni az ikonok alá mi van írva, hacsak nem csökkented a felbontást 640X480-ra (Mellesleg a gépről tudsz egy csomó dolgot csinálni vele például a monitoron nézed rendesen a windows-t stb. és a tv kimenetre adja a lejátszó progi a jelet
Én is tudom.
Én is rca kimenetes videókártyát használtam, csak tönkrement a kimenete, azért csináltam vga scart átalakítót. Olyat is lehet rajtuk csinálni, hogy a monitoron gépezek, a tvre meg be van állítva a másodlagos asztal és átlehet rá húzni a filmet.
Sziasztok!
Megcsináltam ennek alapján egy RGB->SCART átalakítót (nVidia Gef 8800-on is a tetves piros-kék-zöld RCA-s szutyadék átalakítós kimenet van), de az istennek nem akar kép lenni a TVn. Már próbáltam feszültségeket is ráadni (SCART: 8.: ~8V ; 16.: ~2,5V hirtelen ilyen akksikat találtam kipróbálás céljára), de a TV meg se kukkan-villan. A PC nagyjából érzékeli, hogy valami lóg ki belőle, de ennyi. Ötlet?
Hali
Beallitottad a Nvidian a masodik monitort? Csak akkor fog megjelenni a RCA-n a jel, ha be van allitva a masodik monitor mint TV es ra is van dugva. Udv Vili
Hi
Beállítottam, 20x engedélyeztem, (ekkor kiderült hogy a faxa nvidia csak 2 megjelenítő eszközt kezel ), így lett is (na kép az nem) jel. Hiába állítottam mindenféle gagyi felbontásra gagyi Hz-cel: a 'kép' futott, ha nem tudtam volna hogy mit kell nézni, biztos nem jövök rá hogy az ott értelmes kép akarna lenni...Mindegy, így hogy már tudom, hogy a 2 monitor mellett nem tudja a TV kimenetet szimultán meghajtani, így már nem érdekel a dolog. Köszönöm a segítséget! |
Bejelentkezés
Hirdetés |






))



Filmet nézni és játszani tökéletes, de már nem látni az ikonok alá mi van írva, hacsak nem csökkented a felbontást 640X480-ra
(Mellesleg a gépről tudsz egy csomó dolgot csinálni vele például a monitoron nézed rendesen a windows-t stb. és a tv kimenetre adja a lejátszó progi a jelet 




