Fórum témák
» Több friss téma |
Fórum » 7-szegmenses LED-kijelzős fordulatszámmérő
Témaindító: kisedison, idő: Júl 4, 2008
Témakörök:
Na jól van vissza szívok mindent!
Egyébként analógban is meg lehet csinálni/ál analóggal/ boltokban kapható fordulatszámmérővel ami hosszú rúd és a az üvegén pedig króm festés van. Nem ismerem csak mondom ismerősöm azt vett 8 pénzért és neki simonon van és megy. Azt hittem egyébként hogy egy balfék van a másik oldalon de tévedtem! Elnézést ha olyat írtam. Nem tesz semmit,felejtd el.Segitsük egymást,amiben csak tudunk.Szent a béke. :integet2:
Sziasztok!
Végig olvastam majdnem az egész topicot, de sajna a problémámra nem találtam meg a megoldást. Szeretnék építeni a PC-re egy olyan vezérlő panelt, amivel a ventilátorokat fordulatszámát tudom szabályozni, és egy 4x14-es 7 szegmenses led kijelzőn kijeleztetni. Odáig már eljutottam hogy a ventiket már tudom szabályozni. A kérésem az lenne hogy ha valaki tud kapcs.rajzot, vagy leírást arra hogy hogyan építsek meg egy olyan fordulatszámmérőt ami egy 4x14-es 7 szegmenses kijelzőn megjeleníti nekem az venti aktuális fordulatszámát, azt megköszönném. A lényeg az hogy nem 2digites a kijelző(amit be kell szorozni 10-el), hanem 4-es ami pontosan kijelzi az igazi fordulatszámot. Az elektronikájának a részletes leírása érdekelne, és a pontos megépítése. Előre is köszönöm
Mit értesz ezen, hogy 4x14-es 7 szegmenses led kijelző?
Azt értem, hogy 7 szegmenses, de mi az a 4x14?
A 4-es az 4digites (4 számot tud megjeleniteni egymás mellett), a 14-es 14mm-es. Bocsi ha rosszul írtam, annyira még nem vágom a témát.
Kiindulásnak ez jó lehet
Bővebben: Link
Üdv emberek nekem is olyan problémám lenne hogy 4digites kijelzőre kéne fordulatszám mérő motorhoz. digites meg 2digites kapcs rajzokat találtam de 4-est még nem nem tudna nekem valaki segíteni egy kapcsolási rajzal létszi már nagyon sok ideje keresek de sehol se találok előre is köszi aki tud segíteni.
Hello!
Arra nem gondoltál, hogy lehet nem véletlen, hogy nem találtál? - Ha 4 digiten fordulatot akarsz mérni, akkor az számomra azt jelenti, hogy 0..9999-ig szeretnél mérni. Azaz a kijelzés utolsó digitje 1 fordulat lenne. - Viszont a fordulat n/min-ben avagy fordulat per percben van megadva. Ha a kijelzést egy fordulatonként szeretnéd látni, akkor egy méréshez egy egész percig kellene mérni. - Megoldásként azt szokták alkalmazni, hogy nem fordulatonként vesznek egy impulzust, hanem pld. 60 fogas tárcsát alkalmaznak a jeladóhoz. Így egy körülfordulás alatt már 60 impulzus érkezik, tehát elég egy másodpercig mérni. Viszont egy motor fordulatszáma egy másodperc alatt is jelentősen változik, tehát a mérés látszólag még is ugrálni fog nagyokat. - Lassú frekit-fordulatot nem impulzusszámmal (frekivel) hanem periódusidő méréssel mérnek. f=1/t viszont itt osztani kell, tehát megoldásnak egy mikroproci jöhet számításba. De a kijelzett értéket nem érdemes semmiképpen 0,2másodpercnél sűrűbben kiadni, mert azt a szem nem tudja követni, és a digitek "összeégnek". Avagy egyszerre látod az 1-es és 2-es számot a digiten égni. - Megoldás lehet még, ha a fordulatjelet analóg jellé alakítják át és azt egy digit multiméterrel mérik. Csak akkor meg oda a pontosság, hiába van négy digit. De a fordulat ingadozás miatt nem túl értelmes a négydigites kijelzés. Processzornál is csak átlagolással lehet csökkenteni az ugrálást. Analóg műszerek nem pontosak ugyan (és nincs is szükség a pontosságra), de sokkal jobban érzékelhető rajta egy változó jel. Nem véletlen, hogy azt szokták alkalmazni vagy imitálni. üdv! proli007
Oksi köszi erre nem nagyon gondoltam bár elég kezdő vagyok ha kapcs rajzot elém rakknak öszerakom meg akármit csinálok vele de az ösze fügésekről lövésem sincs
és mégegyszer köszi akkor nem is keresek
Hello sokfelé kerestem már de sehol sem találtam olyan fordulatszám mérőt ami 100000-es fordulatig mér. Elég lenne , ha csak a 10edét vagy csak a 100adát jelezné ki. Ha valaki tudna segíteni legyen szíves írjon egy e-mailt a Email-re Köszönöm előre is!
az egészet szeretném megcsinálni szóval akár úgy is levehetem...
Hello!
Bármelyiket meg lehet tanítani hogy mérje a 100 ezres fordulatot.. A fordulatszám mérése nem egyéb, mint frekvencia mérés. Egy időegység alatt beérkezett impulzusszámot számlálja össze. Csak ezt az időalap idejét kell csökkenteni pld. tizedére, és akkor a mért érték, már is tízszer nagyobb értéket fog mérni. üdv! proli007
Igen-igen csak én sajna még nagyon kezdő vagyok és nem tudom hogy melyik alkatrészek cseréjével lenne számomra optimális az ák.Köszi!
Hello!
Válassz egy szimpatikus áramkört és akkor remélem meg tudom mondom mit kell változtatni. üdv! proli007
pl ez...Bővebben: Link Ahogy nézegettem a képeket volt egy olyan ahol 137.6 tizedet irt ennek mondjuk az ezerszeresére kéne növelni.Köszi!
Hello!
Hát ez hardveresen elég egyszerű, de ez nem fordulatszámmérő, hanem frekvencia mérő. Tehát egy másodperc alatt beérkezett impulzus számot méri. A fordulatszám viszont percben van. Tehát ez is megmérné a fordulatot, csak a hatvanad részét mutatná. Ráadásul, ez egy automatikus méréshatárral ellátott készülék, ahol a forrásnyelvi programot kellene átírni. Csak van egy alapszabály, mely így szól: "hogy ha meg kellene változtatni egy programot, akkor inkább írnák egy újat". Arra meg most nem vállalkoznék, most ha nem haragszol.. De használd a válasz gombot, ami a hozzászólás fejlécen található, mert nem lehet tudni kinek válaszolsz. üdv! proli007
Üdv
Egy olyan fordulatszámmérőre lenne szükségem ami a fordulatnak megfelelő feszültséget ad ki. (n=0-1300). Nem igazán szeretnék ennek a megépítésével bajlódni szóval valami olyasmi érdekelne ami kapható a boltban is. A cél az lenne, hogy a szenzor által adott feszültséget rákapcsolnám egy komparátor sorra és minél nagyobb lenne a fordulatszám tehát a feszültség annál több led villanna fel. Segítséget előre is köszönöm
Hello!
LM3914-el szerintem van már ilyen kapcsolás. De amire neked szükséged van, az csak egy monostabil multi (pld. 555-ből, és egy utána kötött integráló RC tag.. üdv! proli007
Ok ezzel megtudom oldani a ledek villogtatását, de nekem az első számú problémám a fordulatszám mérése. Arra kellene valami konkrét szenzor amit aztán tudok illeszteni ehhez az áramkörhöz.
Hello!
Nem tudom mit mérsz és milyenek a mechanikai lehetőségek. De 13000 fordulat, az csak 216,6Hz. Ekkora frekit szinte minden jeladó tud követni. Ha lehet, használj, pld. ilyen, vagy egy egérből kioperált résoptót. üdv! proli007
egy kb 50cm hosszú tengelynek kellene mérnem a fordulatszámát. n=0-1200 között változik. Ahogy nő a fordulatszám a szenzor annál nagyobb feszültséget ad ki. Tehát a feszültség a fordulatszámmal arányos. Én valami ilyesmire gondoltam nem tudom ez megfelel e a célnak http://meter.hu/adatlap/fordulatjelado/inkford.html
Hello!
Alapvetően ezek inkrementális jeladók. Annyi az egész, hogy ebben benne van az optikai jeladó, és egy üvegtárcsa, melyen rovátkák vannak. A tárcsa rovátkák számát meg lehet rendeléskor adni. Tehát ha pld. fordulatot mérünk, akkor célszerű a 60-as osztású tárcsát választani. Így egy körülfordulásra, 60 impulzust ad. Sőt általában kvadratúra jelet is szolgáltat, amivel a forgásirány is meghatározható, digitális úton. A fordulatszám pontos méréséhez nem kell egy percig mérni, sima frekimérővel is lehet fordulatot mérni. Viszont! Így ez a jeladó nem analóg jelet ad ki, hanem impulzusokat. Tehát a jelfeldolgozást (ahogy előzőekben írtam): egy frekvencia/feszültség konverterrel kell indítani, majd jöhet a feszültségmérő. Azaz Monostabil multi - integrátor tag - Led meghajtó. Ha egyszerű Led-es gépkocsi fordulatszám mérőket nézed, azokban ez mind megtalálható.. De ha már digitális jelet ad ki a (drága) jeladó, nem érdemes a jelet analóg módon (pontatlanul) feldolgozni. Egy sima frekimérőnek kialakított számlálóval pontosan is lehet mérni a fordulatot. 60-as tárcsával, másodperces időalappal, másodpercenként lehet kijelezni a fordulatszámot, +-1ford/perc pontossággal. 120-as tárcsával, ugyan ezt a pontosságot 0,5sec időalappal lehet elérni. Szerintem Te tachogenerátorra gondoltál, ami nem más, mint egy kis egyenáramú gép, ami közvetlenül a fordulatszámmal arányos (pld.0..10V) feszültséget ad le. Főleg régi analóg szabályzók visszacsatoló jeleként volt szolgálatban. (De nem tudom, ma még gyártanak-e ilyesmit, mert sokkal komplikáltabb a gyártása, és a számgép részére fel kell dolgozni még az analóg jelet (pontatlanul). Mert ma már a vasalóban is legalább két mikrokontroller lesz (különben nem tudod eladni..) De ha mindenáron analóg módon akarod feldolgozni a jelet, akkor lehet célszerűbb egy ilyen induktív közelítéskapcsolót alkalmazni. Nem kell a tengellyel mechanikus kapcsolatot létrehozni, csak egy kiálló felület kell rajta (pld ék, vagy lapolás). Szerintem 1200 fordulatig (20Hz) ez is tud impulzust szolgáltatni. Balluff vagy Omron honlapján megnézheted milyen hatótávolsággal és mechanikus kialakítással léteznek. (De azt nézd meg, hogy most 1200 vagy 13000 a fordulat, mert ezek maximum 10000-ig pörögnek.) üdv! proli007
Vak vagyok! Én írtam annyit és azt néztem..
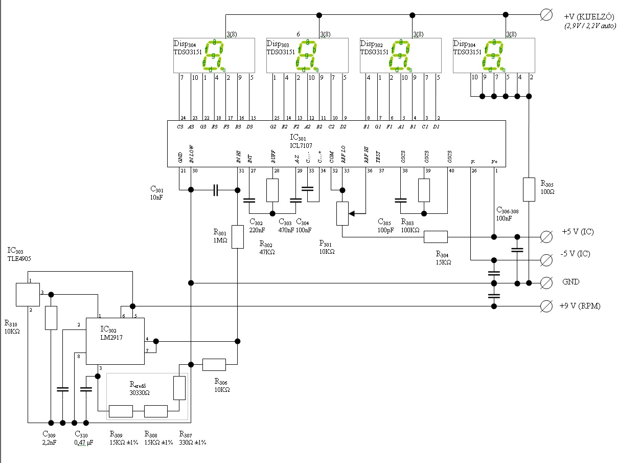
Sziasztok!
Autómba tervezek egy külön kis műszercsoportot (akku fesz-áram;fordulatszám,sebesség). Ezeket ICL7107-es IC-kkel szeretném megoldani. A feszültség, és áramerősség mérésével talán nem lesz gond, de a fordulatszám/sebességgel már annál több. Az egyik fórumtársunk említett egy frek-fesz konverter IC-t ( LM2917), és ennek az adatlapja alapján terveztem egy áramkört. Ha valaki rá tudna nézni, és esetleg véleményezni, annak nagyon hálás lennék. A jelforrásom egy unipoláris Hall-elem lenne (TLE4905), mind a fordulatszám, mind a sebesség méréshez (fordulatszám:főtengely, sebesség: az egyik féltengely) Az excel táblában van a számítás az LM2917 adatlapjáról kiindulva. Persze tudom, hogy a fordulatszámmérő nem lesz még 10fordulat/perc pontosságú sem, de ha sikerülne belőni ą25ford/perc körülire, már én nagyon elégedett lennék. Szerk.: az 1V-os kezdőfeszültségben nem vagyok biztos, mert attól a konfigurációtól eltértem, viszont az adatlap képletével számolva kijön...
Hy! Szeretnék 2-ütemű motorra ( Simsonra ) 2 db 7-szegmenses-es fordulatszám kijelzőt építeni. Nem szeretném pic-cel megoldani! Aki tud kapcsolási és nyákrajzot, az legyen szíves feltölteni!
Köszönettel: Boliver
Gondolom más frekvenciájú kvarccal elérhető, hogy 50Hz-es jelre ne 1500-at, hanem 3000-et jelezzen ki, és akkor máris tökéletesen megfelel az elvárásaidnak.
Hát jó lenne hozzá nyákrajz is és jó lenne tudni a kvarcnak a pontos értékét is!
|
Bejelentkezés
Hirdetés |





és mégegyszer köszi akkor nem is keresek







