Fórum témák
» Több friss téma |
Fórum » Csöves erősítő készítése
Ne feledd betartani a fórum viselkedési szabályait, és a topik megmaradásának feltételeit. [link]
A téma átmenetileg fagyasztva lett, hozzászólni nem tudsz!
Nincs árnyékoló serleg.
http://www.pmillett.com/file_downloads/Echolette_S40.pdf
Szia!
Annak darabját 800-900W-ra meg lehet tekerni.
De ahhoz már jól fel kell gerjeszteni, nem?
Szia!
Nem, üzemi körülmények közt bírja. Eredetileg aluval van megtekerve, elég szűken, azért nem bír sokat. Át kell tekerni rézzel, és bírja a terhelést.
Én a 6AS7 SRPP, vagy párhuzamos PP erősítőmbe szertném hálótrafóként használni, aminek 300W-os hálótrafóra van szüksége. Hát nem tudom, hoyg pazarlás-e, ilyen lesz benn..
nem párhuzamos PP
Elég öszvér valami ... félvezetős bemenet.. végül is nagyon kis jellel dolgozó cső nincs benne, így akkora gondot nem jelent a serleg hiánya, bár azért rö1-re tennék ... a két hangerő, és a tremolo intensity potmétereket letekerve mekkora brum van, illetve rövidrezárt bemeneteknél, a hangerőpotikat feltekerve maxra (hangszínek középen), mekkora a hallható brumm?
Javaslom, hogy a fűtést kösd le a földről, és ne közvetlenül, hanem a két "ágát" egy-egy 100 ohmos ellenálláson keresztül kösd a földre. De a többi kérdésemre nem aptam választ, azok nélkül nm tudok segíteni ...
Akkor mi?? Párhuzamosan fogom kötni az ellenütemben járó triódákat! Már mondtam, hogy nem PPP, de ha nem láttad, vagy nem reagász rá, PPP-t építek a 6AS7-ből!
Ezért nevezzük inkább ciklotronnak a másik PPP megoldást és akkor nem lesz félreérthető .
Szerintem is, végülis a PPP párhuzamos push-pull, tehát párhuzamos ellenütem. De a párhuzamos kötésben meg az anód, rács, katód össze van kötve, így nem értem, miért PPP (paralle push-pull) a ciklotron, de mindegy.
de a PPP az a párhuzamos PP (Parallel Push-Pull)
Ez ellenetümű erősítő ( Push - Pull, PP ) párhuzamosan kötött végcsövekkel nem mindegy, hogy tanya a bakonyban, vagy banya takonyban ...
mert a két végcső váltóármúlag párhuzamosan van kötve
Ahogyan az se minegy, hogy Szárnyalás vagy Sz@rnyalás
igen
Tudok még én is pár ilyet, de ezt a fórumot nagyon szigorú moderátorok felügyelik ! pedig nagyapám jól kitanított
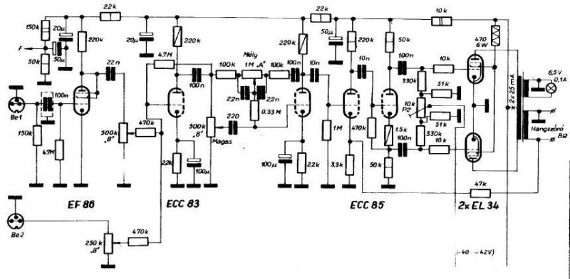
Sziasztok. Mellekelem az erosito rajzat, amit meg szeretnek epiteni. Nem ragaszkodom ez EL34-hez, esetleg kivalthatja 6550-es?
Sok a 60 mA, valószínűleg azért van egy kis brumm. Mennyi az EL 34-ek rácselőfesze ? (-40 V körül kéne lenni kb., azzal olyan 30-35 mA anódáram lesz szerintem).
Mindegyik PPP, csak mostanság inkább a circlotron szerűekre asszociálnak az emberek. A hasonló megoldású SE is PSE, pedig ott is párhuzamosan vannak kötve a csövek egyenáramúlag is, váltóáramúlag is, akárcsak a párhuzamosan kötött csövű PP-nél. Nem kizáró ok a paralel (párhuzamos) megnevezés használatánál, hogy egyenáramúlag is párhuzamosan kötött.
Aha ! avlahol láttam . Melyik RT-ben van? trafó adatok vannak hiozzá? Ez így basszusgitárral, ezekkel a csatolókkal nem fog jól működni, nem lesz alja, de a kapcsolás maga jó, a végfokrész. de gondolom nem leszel megelégedve egy egyszerű magas-mély szabályozóval ?
6556-nel helyettesíthető, ha tudsz szerezni, nekem pl a gatyám is rámenne ...No azért mégsem olyan nagyon tiszta itt ám minden. Katodin fázisfordító cserélendő "long tailed pair"-re, csatoló kondik minimum 100 nano, csakis polipropilén, ez a hansgzín elég gagyi, nem értem miért nem "teljes" lepke. meg amúgy is katódkövetővel kellene hajtani. Master volume sem ártana, ha az ember rendesen ki akarja hajtani az előfokot Mikor kezdenéd el megépíteni? Távsegítek szívesen, összelökünk egy jó kapcsolást. Ha a kimenőt 6L6GC, és EL34 Raa-jának számtani közepe körülre vesszük fel, akkor gyakorlatilag bármilyen oktál végcsővel hazsnálható lesz, csak a munkapontot kell belőni , szóval pénz, és ízlés kérdése, hogy EL34, 6L6, 6L6GC, 6P3Sz-E, Kt-66, KT-77, KT-88, 5881, 6550...
Pedig ez egy basszusgitar erosito rajz!
RTEK 1975/230. Nem ragaszkodom az EL34-esekhez. Kezdenem minnel hamarabb, ahogy idom engedi. Csak munka utan tudok par oracskat foglalkozni vele es megkoszonnem a segitseget. Kezdjuk a halotrafoval, ugye ennek a rajz szerint 16-17cm2-es EI vasmagu trafo kell, nekem van egy 13cm2-es EI vasmagom, hasznalhato lenne, vagy nagyon ki lenne szippantva?
Arra egyrészt nem férne el a minimális huzalátmérőből a kívánt menetszám, vékonyabból tekervemeg gyakorlatilag leégne ... Az RT-ben általában nem zenészek tervezték a hangszererősítőket, illetve nem is láttak külföldi erősítők rajzait sem. valószínű a kimenőt viszont nem kell majd annyira "túlbonyolítani"
Hálózatinak minimum 200 W-os trafó kellene. Ilyen vas pl az SM102/a vágott szalagmag, az M102b lemezmag, illetve az EI114, 115, 116, 120 a megfelelő keresztmetszettel. kimenőnek kellene vagy 20 cm2 es vas
Ertelek, akkor nekiallok vasmagot keresgelni. Gondolkodtam a hangszinszabalyzon is, vannak elkepzeleseim, de ezeket majd kesobb elmondom, ha odaertunk.
Sturbi,Gr 89 ! Köszönöm,szépen beálltak a munkapontok.Brummal kapcsolatban kérdezném,a kimenő hangszóró felőli oldalán 0,2-0,3 V-os 50Hz(20ms) jel látható.Ez utal esetleg valamire,hogy hol keressem tovább a hibát?
nincs valakinek kettő darab középen osztott SM85/b cséveteste, adnék érte "sima" osztatlant cserébe ( újak )
Örülök, hogy végül összejött. A fűtés ki van közepelve? Ez okozhat brummot, meg még pár dolog, de ez az első dolog. Ha ezután is van, akkor lehet továbbmenni.
Igen,a 6c-nek 300-300 ohm-al,a kicsiknek 150-150 ohm-al.
Akkor lehet még az is, hogy a hálózati trafó szórja meg, vagy a kábelezés hibája is, jelvezeték közelében futó fűtés vezetéke, táp szűretlenség, stb.
Más: Valaki nem tudna kisegíteni néhány novál foglalattal. Jó a bontott is, bakelit is jó, ha jobb fajta. Persze nem ingyen kellene, csak kezdek kifogyni belőle. Magyarul 1db-om sincs már, csak ilyen rossz fajtából, ami inkább kukába való, annyira kontaktos.
A hálózati trafót lecsavaroztam (fojtót is)és mozgattam amennyire a vezetékek engedték, ez kb. 3-4 cm. közben semmit nem változott a brumm. Akkor marad a gyenge szűrés.Holnap próbálkozom tovább. Köszi
|
Bejelentkezés
Hirdetés |


Tudok még én is pár ilyet, de ezt a fórumot nagyon szigorú moderátorok felügyelik ! pedig nagyapám jól kitanított 
Persze nem ingyen kellene, csak kezdek kifogyni belőle. Magyarul 1db-om sincs már, csak ilyen rossz fajtából, ami inkább kukába való, annyira kontaktos. 




