Fórum témák
» Több friss téma |
Fórum » Csöves erősítő készítése
Ne feledd betartani a fórum viselkedési szabályait, és a topik megmaradásának feltételeit. [link]
A téma átmenetileg fagyasztva lett, hozzászólni nem tudsz!
Sziasztok,
vérbeli amatőr kérdés egy vérbeli amatőrtől: 330ohm (valójában 350) / 1W huzaltrimmer jó lesz a 6,3V-os fűtés kiközepeléséhez vagy túl nagy az értéke? Köszönöm.
Ha visszakeresel , megtalálod a tekercselőről a képet (kb 1 éven belül volt fent ).
Soronként pénztárgép papirját használom , rétegenként TRIFLEXIL a szigetlés .
Sziasztok. Az ecc85-nél mind a két csöfedelet be kell kötnöm vagy csak elég az egyik oldalt (el84 se)
Megfelelő lesz . Én nem szoktam potit használni 2db ellenállás is elegendő , ha nem mV szintű erősítést végző csövek fűtőszálát szimmetrizálom . Oda már DC fűtést használok , így ott sincs poti ..
Köszönöm. Tisztában vagyok a "két ellenállásos" módszerrel, de olyan szép ez a kis huzalpoti
, hogy használni szeretném (bár úgysem látszik mert a doboz belsejében lesz). Közben addíg túrkáltam míg találtam egy 220ohm-osat is ami valójában is annyi, szóval szerintem ezt fogom betenni, azért mégegyszer köszi. Azt gondoltam hogy a 330-as már szinte hatástalan a relatíve nagy értéke miatt.
Teljesen jó a 330-as is oda.
Én meg bevizsgáltam a vásárolt PL36-okat 5db-ot vettem vasárnap. 300V 40mA (12W anóddisszipáció, fullgáz) volt a beállítás. 1db-nak szakadt a fűtése , 1db rossz: nem nagyon akart áram folyni a segédrács lehúzta a két db 47k-ból készült fesz osztón a feszültséget míg a többi 3 működő csőnél 135V állt be addíg ez lement 37v-ra és az előfesz meg -4v volt hogy beálljon a 40 mA anódáram. A többi három csőnél -19,5 és -21,3V között állt be 40mA anódáram 135V segédrácsfesz mellett. Szóval 5-ből 3 jó csak. Vennem kell még. Kipróbáltam egy vadiúj csővel is, ott -24V előfesz kellett. Aztán kihúztam a tisza tv-ből is a kiváncsiság kedvéért, annál -17,4V előfesz kellett. Ez már elég használt cső lehet.
Ha kell akkor tudok adni két PL36-ot, de nem tudom milyen állapotúak.
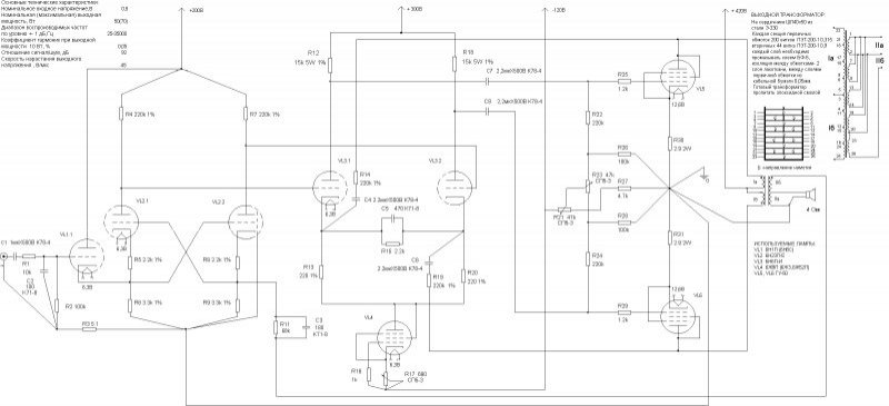
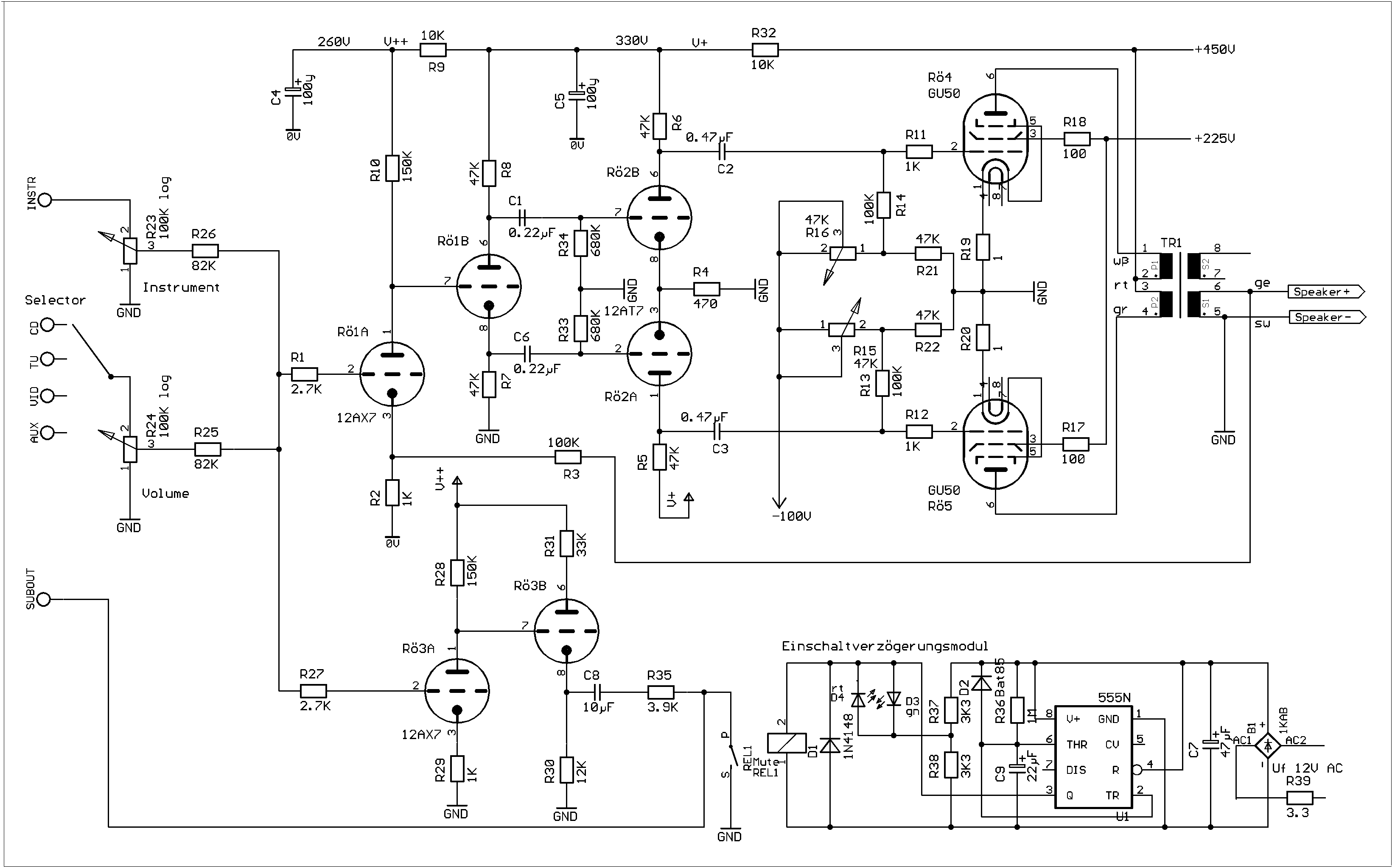
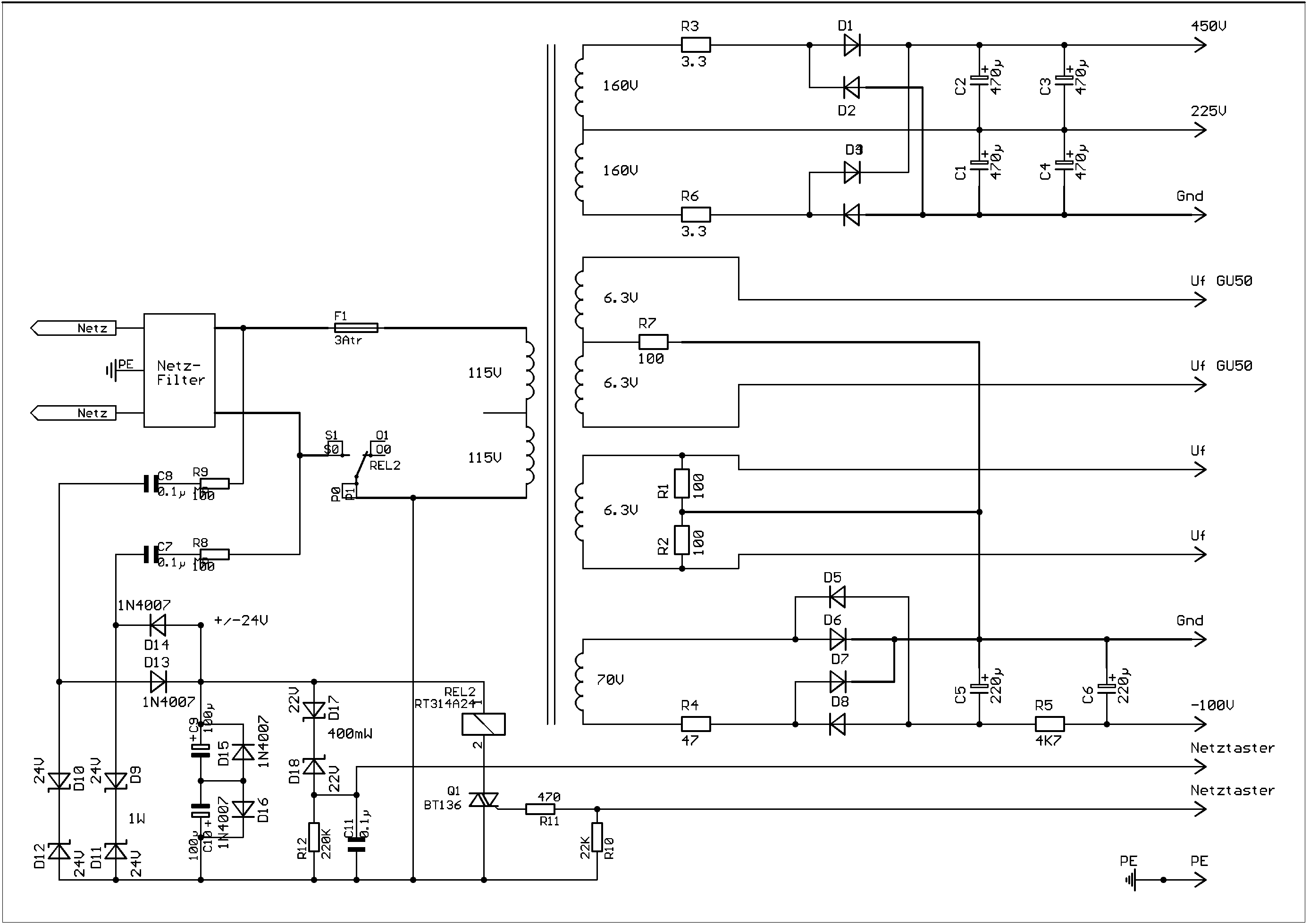
Ide biggyesztem, valaki keresett GU50PP rajzot, ezeket találtam:
Csak a rétegenkénti vastagabb szigeteléseket cakkozom , sajnos jelen esetben abból is sok van , ( 9db 0,2mm).
Na hát én ezta hostafán fóliával nem tudom megcsinálni
még ha rálehelek is eltörik de 1500 V átütési szilárdsága van egy rétegnek
Olvasom a hozzászólásaitokat kimenő témában és oda jutottam hogy sosem voltam olyan biztos benne, örök életemben venni-kapni-bontani-találni fogom őket de tutira NEM csinálni
Nem olyan nagy ördöngősség, figyelni kell, számolni és szépen tekerni.
Tehát nagy ördöngősség, pláne annak akinek este 10 és reggel 7 között volna ideje ezt csinálni :yes:
Betudom a hozzá nem értésemnek hogy képtelen vagyok eldönteni mi a "nem feltétlenül szükséges" maximalizmus a tekerésben (nem a primer-szekunder rétegződésre gondolok és a vaskeresztmetszetre hanem a szigetelésekre) és mi a muszály.
Üdv. Ez attól függ, hogyan töltöd el az időt. Hallgatsz közben zenét, beszélgetsz, másrész nem kell egésznap ezt csinálnod, elég ha csak napi pár órát töltesz vele.
A lényeg nem szabad vele sietni. Hozzáteszem én sem szeretek tekergetni. Egy 1800 menetes egysoros TESLA lekercset már én is tekertem, és megérte, persze a villanyszámláért nem.
Megjöttek a Color Star trafók. Kisebbre számítottam, mondjuk úgy a felére. Eredetileg fojtónak szántam őket, de ekkora fojtókat még nem láttam sehol, semmiben. Érdemes ekkora vasszörnyet fojtóra pazarolni?
Túrkevéről fog menni a "cucc", 100 db, sima borítékban, a feladó nem biztos, hogy az én nevem lesz
esetleg higanygőz lámpa fojtónak
Én hálózatit csinálnék ! 300 VA-esre bőven meg lehet tekerni
Majd 12 négyzetcenti. Szerintem még duplája is van. De, ha egymás mellé tesszük a kettőt és közös csévét csinálnék lehetne egy kb. 1kW-os vasam.
Az eredeti tekeréssel, sok-sok jó feszültséges tekercsekkel 270W-osnak írták az oroszok.
Fojtónak tényleg pazarlás, de egy combosabb PP kimenőjének elég jó lehet. külön-külön oszlopon megtekerve a két csőnek.
Málnát adsz a macinak. Amíg eszik, nem brummog.
Esetleg megemlítenéd, hogy milyen kapcsolás az ami brummog? Mert lehet, hogy fűtés kiközepelés, vagy táp szűrés kell, vagy egyszerűen csak földhurkod van...
vannak rajta jó feszkók, de alumínium drótból .. legalábbis az enyém ...
Nem nagy zúgás,de ha lehet az se legyen benne. Fűtés le van földelve.
Echolette S40 fenn van a kapcsolási rajz. a c35 ,c36 az 2 db 100 mikro 350V sorbakötve.
Enyémen szép réz színűek, remélem a belsejük is az. Majd megnézem valahogy. Én mindenképpen meghagyom tápnak.
Az is lehet. Szerintem elég rendezett
Még csak nem is langyos egyik sem. Kiveszem a kábelkorbácsból a 230V és külön teszem.
Brumm brumm !
Előfokcsöveken vannak árnyékoló serlegek? A jel nem megy véletlenül árnyékolatlan kábelen? rövidrezárt bemenetnél mennyire hangos a brum? A kapcsolási rajzát megmondaná valaki merre van ? A végcsovektől balra a kis elkók mik? A csavaros tápelkókat cserélték? |
Bejelentkezés
Hirdetés |


, hogy használni szeretném (bár úgysem látszik mert a doboz belsejében lesz). Közben addíg túrkáltam míg találtam egy 220ohm-osat is ami valójában is annyi, szóval szerintem ezt fogom betenni, azért mégegyszer köszi. Azt gondoltam hogy a 330-as már szinte hatástalan a relatíve nagy értéke miatt.
, 1db rossz: nem nagyon akart áram folyni a segédrács lehúzta a két db 47k-ból készült fesz osztón a feszültséget míg a többi 3 működő csőnél 135V állt be addíg ez lement 37v-ra és az előfesz meg -4v volt hogy beálljon a 40 mA anódáram. A többi három csőnél -19,5 és -21,3V között állt be 40mA anódáram 135V segédrácsfesz mellett. Szóval 5-ből 3 jó csak. Vennem kell még. Kipróbáltam egy vadiúj csővel is, ott -24V előfesz kellett. Aztán kihúztam a tisza tv-ből is a kiváncsiság kedvéért, annál -17,4V előfesz kellett. Ez már elég használt cső lehet. 


még ha rálehelek is eltörik
de 1500 V átütési szilárdsága van egy rétegnek


