Fórum témák
» Több friss téma |
Miért csökkenne az előremenő víz hőmérséklete attól, hogy a külső hőmérséklet változik? Mi köze a külső hőmérsékletnek ahhoz, hogy a hőcserélő szekunder oldalán milyen hőmérsékletű víz jön ki? Szerintem, semmi.
Minél nagyobb a külső és a belső hőmérséklet közötti különbség annál nagyobb a hőveszteség, ebből adódóan csökkeni fog a visszatérő hőmérséklete is. Vagyis ha a hőcserélő 25°C-os visszatérőből csak 40°C-os előremenőt tud készíteni, akkor a 15°C-os visszatérőből már jóval kevesebbet.
Ezt itt nem értem:
Idézet: . De nehogy kifejtsd bővebben! A mostani felállás szerint a radiátoros körrel párhuzamosan van kötve a hőcserélő primer köre. Így a hőcserélőbe akár 70fokos víz is áramolhat. Hőleadás szempontjából a keresztmetszet fojtásával lehet limitálni a fűtőközeg hőmérsékletét. A bekötése, "ellenáramoltatásos" (szembeáramoltatásos), mivel lemezes. Szekunder oldalán a szivattyú fordulata limitálja a szállítóteljesítményt és persze befolyása van a hőátadásban a hőcserélőnél is.„Vagyis ha a hőcserélő 25°C-os visszatérőből csak 40°C-os előremenőt tud készíteni,” Idézet: „Minél nagyobb a külső és a belső hőmérséklet közötti különbség annál nagyobb a hőveszteség,” Hát itt jön képbe a hőszigetelés jelentősége. Minél jobb tulajdonságúak az anyagok (hőszig. szempontból), annál kevesebb lesz a veszteség amit pótolni kell a kívánt érték fenntartásához. Ehhez kapcsolódik egy érték, amit munkapontnak neveztek el. Ez a pont határozza meg a fűtőközeg hőmérsékletét. Lehet, hogy nálam ez is ismeretlen. A 70fokos maximum helyett lehet, hogy elmenne 60-n is, csak a vezérlés...
„Ezt itt nem értem:„Vagyis ha a hőcserélő 25°C-os visszatérőből csak 40°C-os előremenőt tud készíteni” Ezzel azt akartam szemléltetni katt fórumtársnak, hogyha nála mindenféle szabályzás nélkül maximum 40°C-os előremenőt tud előállítani a hőcserélője, akkor az alul van méretezve! Azt én értem, hogy te a primer oldalt akarod szabályozni, csak azt nem, hogy miért elzáró szerelvénnyel akarod ezt megtenni? Ha a primert akarod szabályozni kézi szabályozáshoz --> tűszelep, automatikus szabályozáshoz --> motoros, vagy termosztatikus szelep kell! Egyébként még mindig nem válaszoltál, hogy mi a felső szinti fűtéseddel a problémád.
Jók ezek a fórumok. Mindenki össze-vissza beszél. Mikor, hol írtam én ezt le:
"... katt fórumtársnak, hogyha nála mindenféle szabályzás nélkül maximum 40°C-os előremenőt tud előállítani a hőcserélője, akkor az alul van méretezve!" Nálam egyáltalán nincs sem hőcserélő, sem háromjáratú szelep, sem ilyesmi. De erről már írtam egyszer...
"Ha nálad csak 40°C-os az előremenőd szabályozás nélkül, akkor valószínű, hogy alulméretezett a hőcserélőd."
?? nem éppen megfelelő teljesíményű. "És mi történik az előremenővel, ha a kinti hőmérséklet -10 -15°C lesz?leesik 20 - 25°C-ra? " Ez hogy függ össze? Mi köze a kazán beállított hőfokának az időjáráshoz? Azon kivül hogy hidegebb esetén többször pótolja az épület hőveszteségét. A pf-ben akkor sem nyomhatsz 80 fokos vizet, mert odakünn ordít a farkas! ![]() Az elmult ~14 évben nem volt olyan hideg ebben az országban, hogy az általam tervezettt/épített pf kevés lett volna! Nem értem a feltételezésed. Doksi: http://www.novumfeg.eu/termekek/padlofuto/Padlofutes_a_gyakorlatban.pdf Van oszó és gyűjtő mód is. Mindkettő esetében a primer ágban leledzik a keverő szelep. "Nem akarok 7radiátort kizárni, hogy csak 4 menjen, a padlót meg járassam csúcsra, ilyen jó időben." Ezek szerint nem akarod tudni hol van elbarmolva a rendszered? Mert valami el van tolva benne! "csak 10KW-s, akkor nem kellene fojtani a keresztmetszetet " Ha így lenne, akkor tudok egy 10kW-osat adni! ![]() De szerintem rosszul járnál. "én nem mindig vagyok itthon, hogy rárepüljek a problémára. " Napokig nem vagy? Mert elég lenne cirka 3-4 nap, amíg be ál az egyensúly. A külső hőfok nem sokat befolyásol, max. annyit hogy többször fog üzemelni. Annyival többet, ammennyit a házad hőveszetége indokol. Nem vesztesz semmit sem. Legfeljebb kiderül, hol van benne huncutság. ![]()
"Vagyis ha a hőcserélő 25°C-os visszatérőből csak 40°C-os előremenőt tud készíteni,”"
Az egy jó hőcserélő. persze az áramlést is kell nézni! Inkább az a kérdés ekkor mennyi van a primer ágban? "Hőleadás szempontjából a keresztmetszet fojtásával lehet limitálni a fűtőközeg hőmérsékletét." Azt nem, csak a szállított hőmennyiséget! Mert pl.: ha fojtod, attól még nem fűt a kazánod 120 fokra, pedig a hőigény ezt kívánná. Persze lehet a hőfokot is, de az drágább megoldás. "szivattyú fordulata limitálja a szállítóteljesítményt és persze befolyása van a hőátadásban a hőcserélőnél is." Igen és a szállított mennyiséggel arányos a hőmennység is. "A 70fokos maximum helyett lehet, hogy elmenne 60-n is" Ez csak a radiátoraidtól függ. Képesek-e 60 fokon is leadni a teljesítményüket, amit az épület szükséglete kíván? Pf-nek elég a 60 is.
Kedves katt fórumtárs, ha valaki össze vissza írogat, az te vagy, olvasd el a hozzászólásokat értelmesen, és rá fogsz jönni, hogy neked akartam elmagyarázni a dolgokat, de a hozzászólásodután rájöttem, hogy neked nem sok közöd van a fűtésszereléshez. Ja és persze ezt nem rossz szándékkal írtam!
SoSan: 1. Igen az alulméretezett nálam azt jelenti, hogy kisebb mint amekkora kellene! 2. Hogy hogy függ össze a kinti hőmérséklet a visszatérő hőmérsékletével? Ajánlom figyelmedbe Milley Vilmos – Völgyes István: Központi Fűtés 1. – 2 . című szakkönyvét melyben nagyon részletesen le van írva minden! 3. És hogy te nem láttál szekunder oldali szabályozást háromjáratú szeleppel az csak egy dolog ugyan úgy lehet szabályozni a szekunder kört is, mint a primert, és mellesleg van még egy jó tulajdonsága a szekunder oldali szabályozásnak, méghozzá az hogy nem fogja módosítani a hőcserélővel párhuzamba kötött fogyasztók tömegáramát! Egyébként csatoltam egy szekunder oldali kapcsolást!
Egyáltalán nem gondoltam rólad rossz szándékot. Ügyelj rá, hogy így is maradjon...
Egyébként, "elfelejtettél" válaszolni a kérdésemre! Esetleg, megtennéd, hogy kielégíted a kiváncsiságomat?
Ha talán már nem emlékeznél, akkor frissítés gyanánt olvasd el mégegyszer a 562632 számú hozzászólásomat. Várom a válaszod!
"Hogy hogy függ össze a kinti hőmérséklet a visszatérő hőmérsékletével?"
Nem az előre menőről írtál? A visszatérő változik, hiszen a nagyobb hőveszteséget hosszabb üzemidővel lehet pótolni, ha feltételezzük a kazán előre menőt nem piszkáljuk! idézem magam: "Ez csak a radiátoraidtól függ. Képesek-e 60 fokon is leadni a teljesítményüket, amit az épület szükséglete kíván?" Ha nem képesek leadni, akkor nem csökkenteni, hanem emelni kell a kazán hőfokán. 3. Én személyesen semmilyet nem láttam. ![]() "az hogy nem fogja módosítani a hőcserélővel párhuzamba kötött fogyasztók tömegáramát! " De hát keverő szelep és nem fojtó! Elvileg nem csökkenthet a keresztmetszet, hiszen csak a közeg irányát változtatja meg.
Katt: azért kell, mert a jól méretezett hőcserélő, a primer oldalhoz közel azonos hőmérsékletet tud előállítani a szekunder oldalon, és ezért szabályozni kell a primer vagy szekunder oldalt, mert ugye ha 60°C-os kazán előremenőből készít 50 - 55°C-os előremenőt a hőcserélő akkor azt azért nem engedjük rá a padlófűtésre!
SoSan: igen a visszatérőről írtam, hogyha a kiküldött előremenő azonos hőfokú, akkor a nagyobb hőleadásnál jobban vissza fog esni a visszatérő hőmérséklete, amit a hőcserélőnek pótolni kell. Magyarul, ha kicsi a hőcserélő teljesítménye, akkor már nem lesz képes pótolni ezt a hiányt! „Elvileg nem csökken a keresztmetszet” ezt jól látod, csakhogy a primer oldalba osztott módba lehet beépíteni a háromjáratú szelepet, ekkor viszont ár arány értékben olcsóbb, ha sima motoros, vagy termosztatikus szelepet alkalmaznak.
Hát igen, ha lassú az áramlás szekunder oldalon
akkor rendesen felmelegítheti. Én is terveztem az enyémbe(keverőszelep), de az ára miatt inkább egy nagyobb teljesítményű szivattyúra szavaztam. Ami be is váltotta a reményeket. "értékben olcsóbb, ha sima motoros, vagy termosztatikus szelepet alkalmaznak." motoros szelep olcsóbb? Hol?
Még mindíg nem a kérdésemre válaszoltál... De nyugodtan felejtsd el, nem olyan lényeges...
Hali!
A nyáron költöztünk egy új építésú családi házba, ahol padlófűtés, és radiátoros van vegyesen. A hálókban van radiátor, mindenhol máshol csak padlófűtés van. Illetve a fürdőben van még egy kiegészítő szárítós radiátor. A szaki úgy csinálta meg, hogy van 3 padló kör, és négy radiátor kör. Egy ESBE keverőszeleppel szabályozza a padló előremenőjét. CSakhogy ez a szelep az a kivitel, ami 38-65 fok között állítható. Ahogy olvasgattam ez igen magas a padlónak. Sikerült úgy beállítanom, hogy most kb 40 fokos vizet enged a padló körökre. A cirkó 55 fokon dolgozik, mert egyszer azt hallottam, szintén egy fűtésszerelőtől, hogy 60 foknál erőteljes vízkőképződés indul meg. EZ igaz? Az lenne a kérdésem, hogy érdemes-e a nagy hidegekben a padló hőfokát emelni egy pár fokot? Vagy esetleg a cirkó vízhőfokát emeljem? Vagy mindkettőt? Szeretném a lehető leggazdaságosabban beállítani a rendszert. A szobatermosztát a nappaliban van, ahol csak padlófűtés van. Ha szükséges képet tudok feltenni. Előre is köszi mindenkinek! Üdv.
Szia! Hogy az elején kezdjem, nem igaz ez a vízkőképződéses ügy, sőt az "alacsony" vízhőmérséklet nem is tesz jót a kazánodnak, mivel ilyen esetekben káros lerakódások képződhetnek a kazán hőcserélőjén, és az alacsonyabb füstgáz hőmérséklet miatt a füstben lévő vízgőz kondenzálódhat, ami a korom részecskékkel sav képződéshez vezet. Ez meg kifejezetten káros a kazán tüzterének.
A padlófűtés hőmérsékletét nyugodtan megemelheted, de csak akkor érdemes, ha a mostani hőmennyiség kevés, azaz nem tudja befűteni a padlófűtéses helyiségeket. A padlófűtésben a víz hőmérséklete megközelítheti az 50 fokot is, igaz az "alapszabály" szerint 45 fokig érdemes elmenni vele, mivel az fölött már túl meleg lesz a lábnak a járófelület. Idézet: 55 fokos vízzel nem lehet radiátorral fűteni. ...vagyis lehet, csak nem gazdaságos. „cirkó 55 fokon dolgozik”
Helló!
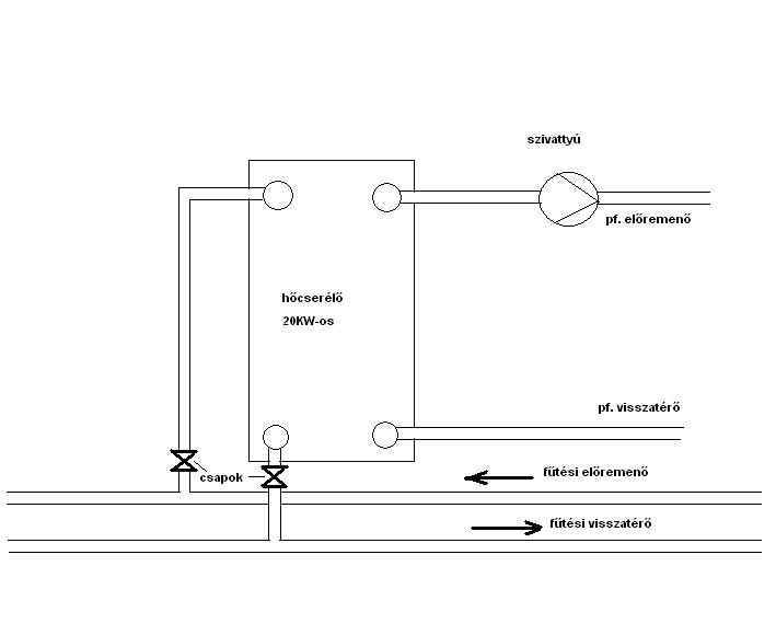
Volt időm a méricskélésre és tekergetésre. Annyit elértem a termosztát tetőtérbe áthelyezésével, hogy a radiátorok az alsó szinten le tudtak zárni és már csak a padlófűtésbe nyomta a kazán a hőcserélőn keresztül a meleget, no és az emeleti radiátorokba. Még mindig az a bibi, hogy a kazán nem hajlandó 57-60foknál nagyobb előremenő vízhőfokot előállítani, ha a padló előremenőjét 40fokra kalibrálom. Ha kisebbre veszem ezt az értéket, akkor 60fok fölé is tudom vinni a fűtési előremenőt, tehát függ a csap(ok) fojtásától, hogy mennyire terhelem le a radiátoros kört. Azon gondolkodtam, hogy ha kisebb hőcserélőt tennék be mennyiben változnának a hőfokok. Ugyanis, most úgy tűnik túl nagy a hőcserélő felülete a pf. tömegáramához képest. Ha kisebbet tennék be, talán nem érzékelné a kazán a túlzott "hőátvitelt". Anno, a szerelő erősködött a 20KW-os beépítésén s mikor ezt kértem az eladótól, aki mellesleg szaki is, mondta, hogy fele is elég lenne. Vagy volna valami szabályzószerv amivel megoldható lenne 70fokos fűtési előremenő melletti, 40fokos padló előremenő? A fogyasztásom nem változott: 13 nap alatt 222köbméter, ami napi 17 köbméterre jön ki és benne voltak a farkasordító napok is. Üdv.:VIM
Nekem úgy tűnik, hogy kicsi a kazán teljesítménye. Most nem arra gondolok, hogy pl. 24 kW és ez kevés, de van a kazánok gázkörében egy csavar, azzal lehet állítani a gázmennyiséget, ezzel együtt a teljesítményt. Ha ez alacsonyra van állítva, akkor persze hogy nem tud elég hőt előállítani a kazán.
Nem hiszem, hogy jó lenne, ha kisebb lenne a hőcserélő. A hőcserélőn keresztül kivett energia mennyiségét tudod szabályozni a szekunder oldalon átfolyó vízsebességgel. ( már ha lehet szabályozni a fordulatszámát a szivattyúnak ) vagy a rajzodon levő csappal egy kicsit tudod fojtani. Persze, ha ezt leveszed, akkor meg nem kap elég energiát a padlófűtés. Egyébként, ha már felmelegedett a lakás, akkor sem tud melegebb vizet csinálni a kazán? Nem csak a felfűtés alatt viszi el a padlófűtés szinte az összes energiát? Azt nem próbáltad, hogy a földszinten csak a padlófűtés menjen ( radiátorokat tekerd le ) így több energia menne felülre? Amit újabban a hőcserélő helyett tesznek be, az egy háromjáratú hőfokszabályozós szelep, ennek egy gombbal állítható a kimenő víz hőmérséklete. Pl. ESBE gyártmány http://www.addel.hu/search.php?searchtext=termo%20szelep
Szia Katt!
Idézet: „Nekem úgy tűnik, hogy kicsi a kazán teljesítménye. Most nem arra gondolok, hogy pl. 24 kW és ez kevés, de van a kazánok gázkörében egy csavar, azzal lehet állítani a gázmennyiséget, ezzel együtt a teljesítményt. Ha ez alacsonyra van állítva, akkor persze hogy nem tud elég hőt előállítani a kazán.” Köszönöm, hogy ránézel a témára, legalább van kivel megvitatnom a dolgokat. Nem kicsi sem a kazán, sem a gázmennyiség! Ha leterhelsz egy kazánt, akkor lentebb veszi a lángmodulációval a lángot? Ez elég érdekes lenne! A kazán figyeli a visszatérő víz hőfokát és (a termosztát értékét, meg a külső hőm...stb.) ha csökkenést tapasztal a két érték között, akkor lentebb veszi a teljesítményt, "gondolván" felfűtötte a rendszert s takarékon is elboldogul. Kukta elv. A beépített túl méretes pf. hőcserélő nem tud eléggé lehűlni a hőközlés során, így hamar emelt szintű vízhőfok jelenik meg a visszatérő ágban és a 1.5m-re lévő kazán ezt észre is veszi azonnal, mert lentebb veszi a lángot. Ha a pf, szivattyút II. fokozatra veszem, akkor felmegy az előremenő hőfok is! DE! A tömegáram olyan nagy ebben az esetben, hogy a hőcserélő nem tud elegendő hőt közölni a szekunder kör felé. Ezért gondoltam, hogy kisebb hőcserélőt kellene alkalmaznom, mert a pf. a primer kört a szivattyú I. fokozatában is le tudná hűteni megfelelő mértékben és a hőfokok is megmaradnának. Üdv.:VIM
Hát szerintem a meglátásod alapjaiban hibás! A kis hőelvétel miatt szabályoz vissza a kazánod, mivel (ezt jól látod) a visszatérő víz hőmétséklete magasabb a kelleténél, és a vezérlőelektronika úgy "dönt" ezért, hogy alacsonyabb teljesítmény és alacsonyabb vízhőfok is elég. Ez, mint már írtam, a vékony csöveknek köszönhető, a fizika törvényeit nem lehet figyelmen kívül hagyni. Pontosan ugyanez miatt nem megy fel a vízhőmérsékleted sem, mivel nem érez a vezérlő MEGFELELŐ hőelvonást, mivel a vékony csöveiden "nem megy ki" több energia. Ezek a processzoros vezérlők nehezen verhetők át, csak teszik a program szerinti dolgukat. Ezért is emelkedik a vízhőfok amikor a szivattyút magasabb sebességbe teszed, mivel a felgyorsult víz több hőt tud elvinni a kazánból. A kisebb hőcserélő még jobban rontaná a helyzetet, mivel kisebb teljesítménye révén a hőátadás is kevesebb lenne, a kazán még jobban visszaszabályozná a teljesítményét. Ez teljesen hibás elképzelés!
"Nem kicsi sem a kazán, sem a gázmennyiség! Ha leterhelsz egy kazánt, akkor lentebb veszi a lángmodulációval a lángot?"
Én nem erről beszélek. Te azt írtad, hogy ha megy a padlófűtés, akkor nem tud elég magasra felmenni a kazán előremenő vízhőmérséklete. Erre írtam, hogy lehet, hogy kicsi a kazán teljesítménye, vagy az a csavar le van tekerve. Semmi köze nincs a lángmodulációhoz. Ha a kazánból szinte az összes meleget ( energiát ) a pf. veszi el, akkor nyílván nem fog elegendő energia jutni a radiátoroknak. Ez olyan dolog, hogy egy 100 nm-es lakásba bőven elég egy 24 kW-os kazán. De csak azért kell ekkora, hogy a lakás felfűtése ne tartson időtlen időkig. A lakás melegen tartásához viszont már néhány kW is elegendő. Tehát, a melegen tartáshoz egy jóval kisebb kazán is elég. De azt is lehet mondani, hogy a termelt meleg nincs jól elosztva, mert annak legnagyobb részét a pf. kapja meg. Erre gondoltam, hogy valahol fojtással, vagy a hőcserélő szekunder oldalán a szivattyú teljesítményével kellene megpróbálni szabályozni a teljesítményeloszlást. "A beépített túl méretes pf. hőcserélő nem tud eléggé lehűlni a hőközlés során, így hamar emelt szintű vízhőfok jelenik meg a visszatérő ágban..." Ha ez így van, akkor az nem azért van, mert túlméretes a hőcserélő, hanem azért, mert a hőcserélőből nem tudja a a másik oldali szivattyú elég gyorsan elvinni a meleget a felfűtési idő alatt. Ha meg már meleg van az adott helyiségben, tehát meleg a padló, akkor persze, hogy a visszatérő víz is meleg, tehát, valóban nem tudja elvinni a hőcserélőből a hőt, ezért a hőcserélő primer oldalán alig fog kisebb lenni a vízhőmérséklet a visszatérő oldalon, mint a bemeneti oldalon, erre már leszabályozhat a kazán. Elvileg, még ekkor sem szabadna leszabályoznia, hiszen a kazán nem csak a hőcserélőből kapja a visszatérő vizet, hanem a radiátorok felől is és ez utóbbi még hideg! Tehát a kazán nem szabályozhatna vissza, mert a két visszatérő ágból bejövő víz hőmérséklete még alacsony, hiába fűtött fel a padlófűtés. Ha ennek ellenére visszaszabályoz, tehát megmérve is már elég meleg a visszatérő víz, akkor a radiátoros körben nagyon kicsi a vízsebesség, tehát, oda nagyon kevés meleg víz jut. Ennek a vízsebességét kellene megnövelni, a pf-ét meg csökkentenei. "Ha a pf, szivattyút II. fokozatra veszem, akkor felmegy az előremenő hőfok is! DE! A tömegáram olyan nagy ebben az esetben, hogy a hőcserélő nem tud elegendő hőt közölni a szekunder kör felé. Ezért gondoltam, hogy kisebb hőcserélőt kellene alkalmaznom, mert a pf. a primer kört a szivattyú I. fokozatában is le tudná hűteni megfelelő mértékben és a hőfokok is megmaradnának." Ezt nem értem. Melyik esetben van nagyobb fordulatszáma a szivattyúnak? I-es, vagy II-es? Itt mit értesz előremenő víz alatt? Azt, ami a pf-be megy, vagy azt, ami a kazánból kijön? Vagy azt, amit a radiátorok kapnak? Sajnos, a legnagyobb problémád a gázfogyasztás. És ezzel nem is tudsz mit csinálni, legfeljebb a termelt hőt tudnád kedvezőbben elosztani a lakáson belül.
Ez így van, de nem hiszem, hogy túl vékonyak lennének a csövek. Inkább a szivattyúkkal manipulálnék.
Helló! B.U.É.K!
![]() Már én magam is, alig akarom megérteni a dolgot. Ha a pf. hőcserélő jelzett csapját fojtom, akkor felkúszik a radiátoros kör előremenő vízhőfoka 60fokra, vagy a fölé 1-2fokkal. Így aránylag megfelelő a hőelosztás a két kör részére (pf. és rad.) Ha kinyitom, tehát teljes keresztmetszettel beiktatódik a pf. hőcserélője a rendszerbe, akkor nehézkesen és nem kellően tud felmelegedni a pf. hőcserélője, mivel ott gyorsan megfordul az előremenő kör meleg vize és visszajut a kazánba, az meg érzékelve ezt, nem engedi fentebb a hőfokot az előremenőben a radiátoros kör felé. Ezért gondolom azt, hogy kisebb hőcserélő kellene a pf.-nek, mert akkor nem kellene fojtani az adott keresztmetszetet és a pf. köri szivattyú szállító teljesítménye elég volna ahhoz, hogy kellően levegye a hőt a hőcserélőben, hogy azon ne tudjon visszafordulni a radiátoros kör előremenő vize. Addig nem is fog más felé menni a meleg, míg "ez az út" ily módon nyitva lesz, és a méreteken nem változtatunk. Szerintem. A pf. szivattyú I. II. III. fokozatban üzemeltethető, de I.-ben szállít a legkevesebbet. VIM
Ezt írtad:
Idézet: „Ha kinyitom, tehát teljes keresztmetszettel beiktatódik a pf. hőcserélője a rendszerbe, akkor nehézkesen és nem kellően tud felmelegedni a pf. hőcserélője, mivel ott gyorsan megfordul az előremenő kör meleg vize és visszajut a kazánba.” Ha ez így van, akkor a hőcserélő szekunder oldalával van gond, mivel melegvíz a hőcserélőből csak akkor jut vissza a kazánba, ha a szekunder oldalán nincsen hőelvétel, vagy kevés. Ott nem lehetne gyorsítani a szivattyún? A kisebb hőcserélőből nagyobb hőmérsékletű víz megy vissza mivel a hőelvétele kisebb.Mindenképpen a szekunderoldali vízmennyiséggel kellene valamit kezdeni.
Tisztelt VIM.
Ha igazán jó megoldást szeretnél akkor felejts el minden hőcserélős megoldást és egyéb csöves csiki-csukit.A tuti dolog ha a kazánodat /mindegy mekkora hőfokon dolgoztatod is/ rákötöd egy hidraulikus váltóra ami nem más mint egy kétoldalon nyitott tartály melybe a kazán szabadon áramoltatja a saját melegvizét.A másik oldalon csatlakozik hozzá az előremenő és visszatérő cső.Természetesen az előremenő ágban van egy 3 járatú szelep /keverőszelep/ és utánna jön a szivattyú és utánna a csövön van egy hőmérséklet figyető termisztor. Az előremenő hőfokot a keverőszelep állítja be pontos értékre a termisztor jele alapján. De a legfontosabb a motoros szelepet vezérlő elektronika /fali szabályzó/ ami feldolgozza a termisztor jelét , melynek alapján állogatja a motoros szelepet!! Sőt tovább megyek külső hőmérséklet mérés alapján egy számítás segitségével meghatározza a szükséges előremenő vizhőmérsékletet is és pontos mérés után beállítja azt 1-2 fok pontosan. Teljesen mindegy hogy hány fokos vizet viszel a váltóba mindíg tud belőle megfelelőt keverni.Ilyen szabályzó Pl:Siemens Albatros 1-4-ig de van a haniwellnek is és a nevesebb kazángyáraknak is saját fejlesztésüek /Boderus,Vailant,Veissmann/ EZ A TUTI!!!
B.U.É.K. Zoli!
Jól látod a dolgot a hőcserélővel kapcsolatban. A pf. szekunder körével kellene valamit kezdeni, de le lentebb nem tudom venni a szállító teljesítményt és az osztó gyűjtőn sem fojthatom a szelepeket a végtelenségig (lentebb). Úgy gondolom, ha kisebb lenne a hőcserélő teljesítménye, akkor a pf. szekunder köre megfelelően le tudná hűteni az áramlása közben a hőcserélőn belül a vizet ahhoz, hogy ne tudjon áthaladni rajta csökkenés nélkül a radiátoros kör vízhőfoka, miközben a kazán tudna emelni az előremenő vízhőfokon. Gondolom azért ilyen bonyolult, mert a víz áramlása nagyban függ annak hőfokától, hogy melyik irányba érvényesüljön egy átkötős jellegű szakasznál. Meg hát a víz az tudni fogja, hogy merre menjen, csak a módját kellene megtalálni, hogy hasznomra váljék. VIM
Nagyon jó megoldás! A probléma csak az ára... meg az, hogy az eddigi rendszerből szinte semmi nem hasznosítható...
Szia!
Csak egy ötlet, mert nálam is hasonló volt a helyzet: a kazánom 3 pontos, ha jól tudom a nevét ( őrláng, kis és nagy fokozat ). A kazán ki-be kapcsolgatott, ha a hőcserélőn keresztül ment a padlófűtés, én is azt mondtam, hogy kevés a pf-ben a hőelvétel, de nem tudtam mit csináljak vele ( illetve, ha leszűkítettem a keresztmetszetet, akkor jó volt). Új szerelővel megnézetve és átbeszélve rájött, hogy ROSSZUL volt bekötve a hőcserélő ! Az egyik kör szűkített keresztmetszetű a hőcserélőben és a régi szerelő abba kötötte be a pf-et, holott a kazánt kellett volna!! Így nem kapcsol ki-be a kazán és a hőcserélő külső ( megfogható ) része hűvös lett, előtte meleg volt! Az elkötést az új szerelő is csak másodszorra vette észre! Sok sikert! Steve
Szia kissi!
Olvasva az írásodat, pánikszerűen megtámadtam a hőcserélőt és kihámoztam a habszivacs burkolatából. Megnyugodva vettem tudomásul, hogy nincs elkötve. A primer kör az a kisebb keresztmetszetű (radiátoros kör), a szekunder pedig vastagabb csatlakozási pontontokkal (pf. kör) van bekötve. Ennek az előírásnak megfelelően:Bővebben: Link szerelve. Minden esetre köszönöm az észrevételt! Üdv.:VIM buék! |
Bejelentkezés
Hirdetés |











