Fórum témák

» Több friss téma
Fórum » LED-es villogó
 
Témaindító: titkovics, idő: Feb 4, 2006
Témakörök:
Lapozás: OK   26 / 61
(#) _JANI_ válasza mtomihun hozzászólására (») Dec 14, 2009 /
 
Szia! Lehet hogy érdemes lenne körülnézni a H-hidas kapcsolások között. Ekkora áramigényre mindenképp megérné az alkalmazásuk. :yes:
(#) _JANI_ válasza mtomihun hozzászólására (») Dec 14, 2009 /
 
Egy lehetséges változat. Lásd mellék. Az OPTO LED-jeit a legcélszerűbb vezérlési mód szerint rendezd el...
(#) mtomihun válasza _JANI_ hozzászólására (») Dec 15, 2009 /
 
Helló!

Köszi a segítséget! A diódákat gondolom elhagyhatom, mert az a motor miatt van benne. A tranzisztorokat helyettesíthetem mondjuk BD240, BD241-el?

Hali
(#) _JANI_ válasza mtomihun hozzászólására (») Dec 15, 2009 /
 
Persze, a védődiódák a motor miatt vannak.
Szerintem igen, helyettesíthető.
[off] Bár 1A-s is bőven elég lenne a 200-300mA kapcsolására.
(#) Drk hozzászólása Dec 15, 2009 /
 
Sziasztok
Csatlakozom szaky27-hez, én is 2N3053 trany. szerettem volna venni, de én egy BC 639-est kaptam, azzal az instrukcióval hogy jó lesz az! Hát nem, legalább is szerintem , mert a megépített kapcsolás csak 1-et villan minden áramadáskor. A nem megfelelő alkatrész az oka?
ezt csináltam meg
(#) mtomihun válasza _JANI_ hozzászólására (») Dec 15, 2009 /
 
Helló!

Tudom, hogy kisebb tranzisztor is elég lenne, de ebből van jónéhány db.
Optocsatolónak tudsz valamit ajánlani? Vagy oda mindegy? Van itthon MOC3083, MOC3062, 4N25.
Valamelyik jó?

Hali
(#) _JANI_ válasza szaky27 hozzászólására (») Dec 15, 2009 /
 
Szia szaky27 és Drk! Szerencsésebb lett volna az adatlapot áttanulmányozni. S Abból kinézni a fő paramétereket. ( SI-N 100V 15A 115W >2.5MHz TO3 ) S ezek alapján keresni helyettesítőt... Elvileg a 2SC5200 / 2SA1943 ekvivalens a 2N3055-tel. De jellemzően a kapcsolás adja meg hogy a 2N3055-ös mivel helyettesíthető... ( Ja az eladónak minden eladó ! Csak megbízható, személyes kapcsolat alapján érdemes megbízni az eladóban! )

Drk: A villogódban a LED-eknek mik a paraméterük?
( Feszültség. Áram. ) S elegendő a tápegység hozzá? Nem terheli túl a LED-ek bekapcsolása? S hiányzik a puffer kondenzátor is a rajzról. Mind transzformátoros mind elemes táplálásnál szükség van rá...

szaky27: A mellékelt katalógus szerint valóban jó eséllyel helyettesíthető a 2N3055-ös a BD141-el. De a BC141 az nem igazán ekvivalens a 2N3055-tel...
(#) _JANI_ válasza mtomihun hozzászólására (») Dec 15, 2009 /
 
A 4N25-ös lesz jó a felsoroltak közül.
(#) proli007 válasza mtomihun hozzászólására (») Dec 16, 2009 /
 
Hello!
Tekintve, hogy a bal-felső és jobb-alsó, valamint a jobb-felső és bal-alsó fokozatok egyszerre kapcsolnak, két opto megtakarítható. Sőt vezérlő áramuk is. (Ha már egyszer opto van használva, használjuk is ki lehetőségeit.)
üdv! proli007
(#) mtomihun válasza proli007 hozzászólására (») Dec 16, 2009 /
 
Helló

Ha 2db optóval megoldható, akkor hogyan nézne ki az a kapcsirajz?

Hali
(#) mtomihun válasza _JANI_ hozzászólására (») Dec 16, 2009 /
 
Ok, köszi!
(#) Drk hozzászólása Dec 16, 2009 /
 
Kipróbáltam hogy csak 2 ledet kötöttem rá, úgy is ugyan az az eredmény. de elméletilieg működni kéne a kapcsolásnak. http://www.hobbielektronika.hu/forum/files/58/5884538a60820042706cc...0e.gif Ez ugyan az, csak más a ledek elrendezése. Hova és mekkora puff kond. tegyek? Laikus vagyok, bocsi. Ja, hogy is mérem meg a ledek paramétereit?
(#) Drk hozzászólása Dec 16, 2009 /
 
Bárki aki elgondolkodott azon amit írtam, és kérdeztem, attól bocsánatot kérek. Ugyanis daradjaira szedtem, majd megint összeraktam és most működik. Azért köszi mindent. Ha kész megmutatom. Hátha érdekel valakit.
(#) _JANI_ válasza Drk hozzászólására (») Dec 16, 2009 /
 
Idézet:
„Ja, hogy is mérem meg a LED-ek paramétereit?”


A LED nyitófeszültsége könnyen ellenőrizhető, egy tápegység, egy ellenállás és egy műszer segítségével.

Egy sima soros kapcsolást kell készíteni.
S megmérni a LED kapcsain a feszültséget.
Ez a feszültség ugyan változni fog a LED -en áthajtott áram függvényében.
De jó közelítő értéket ad.


Sajnos a MAX áram (és a hozzá tartozó nyitó feszültség) meghatározása már nem ennyire egyszerű.
( Legjobb katalógusból kikeresni a paramétereket. )
Áramgenerátoros "labor" tápegység kell hozzá és természetesen egy ampermérő sorosan a LED-del. Valamint egy jó hőmérő!
Fokozatosan emelve az áramot, meg kell mérni a LED-tok hőmérsékletét.
Ideális esetben a LED nem termel hőt (azaz nem melegszik)!
( Persze egy kicsit túl lehet hajtani, de minek!?... )
Amikor a MAX áram meg lett, az ehhez tartozó feszültséget meg lehet mérni a LED kivezetésein.
Így pontos feszültség - áram görbe készíthető.

Jó kísérletezést!
(#) proli007 válasza mtomihun hozzászólására (») Dec 17, 2009 /
 
Hello!
Az egyik opto kollektora a jobb-felső 1kohm-ra menne, emittere, pedig a bal-alsó 1kohm-ra. A másik ugyan így keresztbe, csak a megmaradt bemenetekre. Az ellenállásokat, meg 470ohm-ra cserélni.
Ja, és külön-külön kll vezérelni a kettőt. Avagy először ki kell kapcsolni a bekapcsoltat, majd bekapcsolni a kikapcsoltat. Hogy ne legyen összenyitás...
Ha nem érthető, lerajzolom, csak most nincs időm..
üdv! proli007
(#) szaky27 hozzászólása Dec 17, 2009 /
 
Sziasztok!

Az lenne a kérdésem hogy ebbe a kapcsolásba melyik ágba kell bekötni a potit és mekkorát hogy állítani lehessen a villogás sebeségét?

üdv
szaky27
Bővebben: Link
(#) mtomihun válasza proli007 hozzászólására (») Dec 17, 2009 /
 
Helló!

Ha megtennéd, hogy lerajzolod, akkor azt nagyon megköszönném, mert nem teljesen világos.
A vezérlést meg lehet oldani azzal az 555-ös IC-s kapcsolással, amit belinkeltél nekem az előző oldalon?

Hali
(#) proli007 válasza mtomihun hozzászólására (») Dec 17, 2009 /
 
Hello!
Hát én lerajzoltam, de ez a kapcsolás szerintem így nem jó. (Nem azért mert csak két opto van...) Tekintettel arra, hogy a tranyók lassabban kapcsolnak ki, mint be (és ez az optók zömére is vonatkozik) sajnos átváltáskor a tranyók egybenyitnak. Hát ki kell próbálni, hogy 1kohm bázisellenállás mellett ez a tranziens áram mennyire zavaró.
Amúgy az 555-ről ugyan úgy vezérelhető. (A 12V ne zavarjon, lehet az 9V is)
üdv! proli007

H-bridge.png
    
(#) proli007 válasza szaky27 hozzászólására (») Dec 17, 2009 / 1
 
Helo!
Igazából a két 10kohm-al lehetne sorba egy "szereo" potit tenni. De hogy mekkorát, az a sebességtől is függ, mekkora tartományan szeretnéd állítani. De túlzottan nem lehet változtatni a bázis ellenállást, mert a tranyó elveszíti a munkapontját. (Vagy nem nyit már ki, vagy túlzottan kinyit.)
üdv! proli007
(#) mtomihun válasza proli007 hozzászólására (») Dec 17, 2009 /
 
Helló

Köszi szépen, a 7végén remélhetőleg lesz időm összerakni, aztán akkor kiderül, hogy működőképes, vagy sem!

Hali
(#) szaky27 válasza proli007 hozzászólására (») Dec 18, 2009 /
 
Köszönöm a válaszod!!
A cikkben olvastam hogy a kondikkal is lehetne változtatni a villogás sebességét. Ez a módszer szerintem még egyszerűbb is. Te mit gondolsz?

üdv
szaky27
(#) _JANI_ válasza szaky27 hozzászólására (») Dec 18, 2009 / 1
 
Szia! Két példa a potenciométeres szabályzásara.
Bővebben: Link 1. Bővebben: Link 2.

S igen A kondenzátorok cseréjével is igen jól be lehet lőni a kapcsolást. :yes:
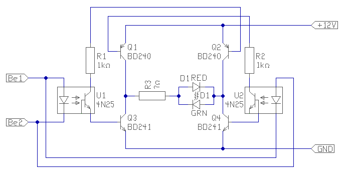
(#) _JANI_ válasza mtomihun hozzászólására (») Dec 18, 2009 /
 
Egy apró kis hiba van a U2 (4N25-ös) bekötésénél!
A Q4 bázisa nem az U2 optocsatoló fototranzisztorának bázisára, hanem az Emitterére kell kötni.
A többi jó...

A vezérlés és a H-hidat sem lesz nehéz összekapcsolni.
(#) proli007 válasza _JANI_ hozzászólására (») Dec 18, 2009 /
 
Idézet:
„A Q4 bázisa nem az U2 optocsatoló fototranzisztorának bázisára, hanem az Emitterére kell kötni.”
(#) proli007 válasza mtomihun hozzászólására (») Dec 18, 2009 /
 
Hello!
De akkor legyen egy olyan is, ahol nincs átfedés a tranyók nyitása között..
(A bázis ellenállást nem csökkentheted, mert akkor az IC túl van terhelve, és nincs meg a logikai szint. Ha még is szeretnéd, akkor pld. 4050-es buffer fokozatot kell a tranyók elé iktatni, vagy Fet-eket kell alkalmazni. Az célszerűbb is.)
üdv! proli007
(#) mtomihun válasza proli007 hozzászólására (») Dec 18, 2009 /
 
Helló

Húú, ez igy már túl bonyolult, először kipróbálom a másik megoldást!
Egy kérdésem még lenne, mégpedig a vezérlésnél az ellenállások és a kondik értéke mekkora legyen?

Köszi
Hali
(#) proli007 válasza mtomihun hozzászólására (») Dec 18, 2009 /
 
Hello!
Hát nem tudom ebben mi a bonyolult? Csak a rajz tűnik annak, mert ez tulajdonképpen csak egy CD4093-as IC. De Te tudod..
Az 555-ös időzítését a segédprogrammal kiszámolod. (Mert eddig nem mondtad, milyen gyorsan akarod villogtatni.)
Az 555 kimenete és az opto diódák után lévő két ellenállásnak (ami úgy néz ki, mint ha a tápfeszt osztaná), maximum 470ohm-nak kell lenni, tekintettel a 4N25 "CTR" paraméterére.
üdv! proli007
(#) szaky27 válasza _JANI_ hozzászólására (») Dec 18, 2009 /
 
Köszönöm a rajzokat nagyon jók!!
(#) mtomihun válasza proli007 hozzászólására (») Dec 18, 2009 /
 
Helló

Így már tényleg nem tűnik bonyolultnak! A tranzisztorok lehetnek BD240- 241-esek?

Most még van egy kis dolgom, aztán este megcsinálom és jelentkezek hogy szuperál!

Köszi
Hali
(#) proli007 válasza mtomihun hozzászólására (») Dec 18, 2009 /
 
Hello!
Lehet a tranyó BC240/241, de vigyázz, mert a TO220-as toknál a bázis-emitter fordítva van. (Csak el kell fordítani a tranyót 180fokkal.
üdv! proli007
Következő: »»   26 / 61
Bejelentkezés

Belépés

Hirdetés
XDT.hu
Az oldalon sütiket használunk a helyes működéshez. Bővebb információt az adatvédelmi szabályzatban olvashatsz. Megértettem