Fórum témák

» Több friss téma
Fórum » LED-es kivezérlésjelzők
 
Témaindító: KeserűCukor, idő: Márc 27, 2006
Témakörök:
Lapozás: OK   41 / 151
(#) kanocos válasza Kovidivi hozzászólására (») Dec 6, 2009 /
 
egy quad 405ös fogja vezérelni. Az ic is egy 1000évről visszamaradt quadból van. Nem 100%ig lesz kihajtva a quad de a másikat próbábáltam egy 2x60as szobaerősítőről és ott be tudtam állitani. csak két átkötés nemrég fogtam bele komolyabban ezekbe a panelmarásos tervezős dolgokba. Szerdán megpróbálok nektek egy fényképet küldeni igaz az is egy telefonos lesz de jobb lesz mint ez. Most koliba vagyok Köszönöm mindannyiotoknak a segitségeket amúgy
(#) proli007 válasza kanocos hozzászólására (») Dec 7, 2009 /
 
Hello!
Akkor sajna nem tudod kivenni az IC-t. Mérjél áramot, a 3-as láb és a GND között. 3,6mA körül kellene lenni. Ha kisebbet mérsz, akkor vagy a 3,3kohm megnyúlott, vagy az IC terheli a pontot (ha a nyák tuti jó).
Más ötletem nem igen van, már csak kiforrasztott IC mellett mérni.
üdv! proli007
(#) kanocos válasza proli007 hozzászólására (») Dec 9, 2009 /
 
Sikeresen kiszedtem az ict és a 3as lábon beállt az 1,4V. Rámértem az ic test és 3as lábra ott viszont jelentkezett az eddig mért 46ohm.
(#) proli007 válasza kanocos hozzászólására (») Dec 9, 2009 /
 
Hello!
Hát akkor szerva itt, csere ott!
üdv! proli007
(#) kanocos válasza proli007 hozzászólására (») Dec 9, 2009 /
 
gány dolog kiszálmolni és a 3,3ks helyett kisebb ellenállatot rakni ?
(#) saraha hozzászólása Dec 9, 2009 /
 
Hali.
A képen látható clip indikátor-t átalakíthatom úgy,hogy az elejéről lecserélem a 4k7 ellenállatot 2db párhuzamos 10k-ra és ide adom a sztereó jeleket?

(#) proli007 válasza kanocos hozzászólására (») Dec 9, 2009 /
 
Hello!
Ha jól emlékszem, ezen a bemeneten egy PNP tranyó bázisa kucorodik, ami ezek szerint megsérült. Szóval ki tudja mi van ott, lehet más kánya is...
üdv! proli007
(#) proli007 válasza saraha hozzászólására (») Dec 9, 2009 /
 
Hello!
Ez az indikátor, azért erősen egy kezdetleges dolog. Azért ezt gondold hozzá..
De ha már átalakítottad, akkor ésszerűbb, ha nem az ellenállásokkal adod össze az L-R jelet, hanem az R5-D2 után, azt a jelet is rávezeted a C1-re.
üdv! proli007
(#) saraha válasza proli007 hozzászólására (») Dec 9, 2009 /
 
ÜDV.
Idézet:
„Ez az indikátor, azért erősen egy kezdetleges dolog. Azért ezt gondold hozzá..”

Tudom,pont az egyszerűsége miatt tetszik. Egyik ismimnek lesz bal.aszsággátlónak,leszabályozva.
Megpróbálom amit mondtál.Köcce
(#) kanocos válasza proli007 hozzászólására (») Dec 9, 2009 /
 
hát sajnálom mert a 0ázáson kivül működött a cucc köszönök minden segitséget.
(#) Electricboy hozzászólása Dec 14, 2009 /
 
Üdv!
Szeretnék összerakni egy kivezérlésjelzőt!
Sok kapcsolás közt nézelődtem de nem találtam meg az igazit!
Ezek a feltételek alapján milyet ajánlotok?:

-Minimum 10 vagy annál több LED
-Dot/Bar kijelzés kapcsolóval váltható
-Lehetőleg állítható érzékenység.
-Erős fényű ledeket is tudjon vezérelni
-(Nem fontos állítható fényerő)
-Működjön!
(#) vilmosd válasza Electricboy hozzászólására (») Dec 14, 2009 /
 
Hali
Mondjuk ha van neted keresovel van par(ezer) talalat.
Beirod "LED VU meter" es lass csodat, jonnek a jobbnal jobb kapcsolasok. Egy ezek kozul: Bővebben: VU meter.
Udv Vili
(#) Electricboy válasza vilmosd hozzászólására (») Dec 14, 2009 /
 
Én is eljutottam idáig csak az a baj hogy a rengeteg kapcsolás közül nem tudom kiválasztani a nekem megfelelőt.(bőség zavara). Meg elsősorban olyan kapcsolásokat várnék amiket már megépítettek és vannak róla tapasztalatok.
(#) vilmosd válasza Electricboy hozzászólására (») Dec 14, 2009 /
 
Hali
Szerintem osszerakod ezt a kapcsolast probapanelon es kiprobalod. Nem veszitessz sokat vele ha nem mukodik. Ennel egyszerubb es olcsobb kapcsolast nem igen talasz.
Lehet jobbakat is csinalni, de kezdesnek ez is jo lehet.
Udv Vili
(#) Kovidivi válasza Electricboy hozzászólására (») Dec 15, 2009 /
 
Hát akkor ha tapasztalatokat akarsz olvasni, akkor olvasd el ezt a topicot. Ilyen egyszerű... Hajrá!
(#) david233 hozzászólása Dec 21, 2009 /
 
Sziasztok!

Hogyan lehet LED-es kivezérlésmérőt építeni PIC mikrovezérlővel?
Mik a feltételei, illetve megoldható-e ezzel a módszerrel?

Előre is köszi.

üdv

David
(#) vicsys válasza david233 hozzászólására (») Dec 21, 2009 /
 
Lehet.
Bővebben: Link
Kell A/D bemenet és megfelelő számú IO.
(#) Electricboy válasza vilmosd hozzászólására (») Dec 22, 2009 /
 
Üdv!
Hogyha megépítem azt a kapcsolást akkor csak a "Figure 1" kell megcsinálni az alatta lévő "Figure2-3-4" nem kell?Erről van szó!
(#) Kovidivi válasza Electricboy hozzászólására (») Dec 22, 2009 /
 
A fig. 2-3 az egy táp kapcsolása. Ezt te meg fogod építeni, vagy már van, mert táp nélkül nem fog menni a kivezérlés jelző. A fig. 4. pedig egy előerősítő, plusz még alakít a bemenő hangon (Full Wave Rectifier - "teljes hullám egyenirányító"). Ezek nélkül is működni fog a kivez. jelző. Üdv!
(#) Electricboy válasza Kovidivi hozzászólására (») Dec 23, 2009 /
 
A képen bejelöltem hogy szerintem hogy vannak a bemenetek/tápok ha ez hibás feltétlen szólj.
-A ledeknek mennyi tápot adjak?
-Az áramkör hány voltot igényel?
-Valamint mi az amit be kereteztem?
>>Köszönöm a válaszokat!<<

2.JPG
    
(#) Kovidivi válasza Electricboy hozzászólására (») Dec 23, 2009 /
 
Bekeretezett: Egy sima poti, feszültségosztó módban.
Az áramkör 12V-ról simán működik. LM3915 adatlapjában meg fogod találni, hogy mi a minimum, és a maximum. A LED-eknek add ugyanazt a tápot, mint az LM-nek. A többi jó. Üdv!
(#) Electricboy válasza Kovidivi hozzászólására (») Dec 25, 2009 /
 
Felmerült egy problémám!
Eagle-lel tervezem a nyákot de nincs lm3915 ös IC csak lm3914 ez nagy baj?? Adatlapján megnéztem nem találtam sok különbséget azon kívül hogy Log/Lin. De azért gondoltam rá kérdezek
nehogy ezen bukjon a projektem.
(#) proli007 válasza Electricboy hozzászólására (») Dec 25, 2009 /
 
Hello!
Semmi gond, hiszen a nyáktervezőnek fogalma sincs mi van az áramkörben. Őt csak az érdekli, melyik alkatrész melyik IC lábra megy. Avagy az összekötési lista (NET) alapján dolgozik.
üdv! proli007
(#) Electricboy válasza proli007 hozzászólására (») Dec 25, 2009 /
 
Üdv
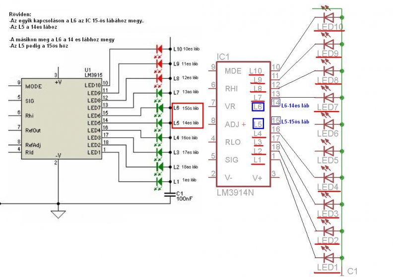
De akkor még mindig nem jó mert a két ic mást mutat:---> (melléklet)

kérdés.JPG
    
(#) Frankye válasza Electricboy hozzászólására (») Dec 25, 2009 /
 
Csak fel kell cserélni a két lábat a rajzon. Ennyi az egész. Az Eagle nem fogja tudni, hogy Te nem megfelelő sorrendbe raktad a LED-eket, csak azt, hogy az n számú LED az IC x számú lábára van kötve.
Te meg majd tudod, hogy mit és hova, és figyelsz rá.
(#) djhua válasza Peti_85 hozzászólására (») Dec 29, 2009 /
 
Szeva !!



Lenne egy keresem nem tudnad elkuldeni ennek Bővebben: Link a kapcsolasi rajzat vagy a nyakot es a beultetesi rajzot !! Koszonom




ES AMIT ELKESZITETEL ENIS ELSZERETNEM :d:d:d CSak nem tudom a kapcsolsa rajzot meg a nyakrajzot

Koszi elore !!
(#) proli007 válasza Electricboy hozzászólására (») Dec 30, 2009 /
 
Hello!
Igazából nem tudom mi a problémád. Hogy a két rajz amit feltettél mit mutat, az egyéni szoc. probléma. Mindig a gyári adatlapot kell nézni. Ott a két IC bekötése azonos.
Vagy ha az a gondod, hogy mást mutat a kettő, az meg természetes, hiszen az egyik lineáris a másik logos lépcsővel rendelkezik.
üdv! proli007
(#) djhua hozzászólása Dec 30, 2009 /
 
Szerintetek melyik a ketto kozul fog mukodni ?

Koszonom !!

(#) vicsys válasza djhua hozzászólására (») Dec 30, 2009 /
 
(#) proli007 válasza djhua hozzászólására (») Dec 30, 2009 /
 
Hello!
Két rendőr áll a megállóban.
Gyalog menjünk vagy busszal? - kérdezi az egyik..
Amelyik előbb jön! - mondja a másik..

Hát ez a kérdés így hangzott, és csak hasonló választ lehet rá adni. (Főleg, ha érthetően kérdeznéd.. Hát még ha meg is tudtuk volna mit szeretnél.)
üdv! proli007
Következő: »»   41 / 151
Bejelentkezés

Belépés

Hirdetés
XDT.hu
Az oldalon sütiket használunk a helyes működéshez. Bővebb információt az adatvédelmi szabályzatban olvashatsz. Megértettem