Fórum témák
» Több friss téma |
Szia!
Megfogadtam tanácsaid. Jó is lett,bár néha-néha egy pillanat ideéig még mindíg behülyül.
Kamasz itt van amiről szó volt a 3voltos impulzus generátor fotója.
üdv
Sziasztok
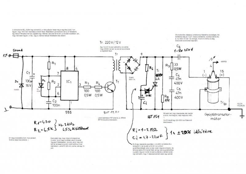
Sikerült megcsinálnom a villanypásztort. Közzéteszem a módosított kapcs rajzot és a nyákterveket hozzá,hátha valaki utánépítené. A potikat én fix ellenállásokkal cseréltem ki az üzembiztonság kedvéért. Lehet hogy a diódákat kicsit túlzásba vittem,de biztosra akartam menni hogy a trafó rúgásai nem hülyítik be az 555-öket. És egy pár kép a kivitelezésről. A nyákrajz Sprint Layot 5.0-val készült. Üdv. Peti
Szia a gy trafó az minek a gy trafója mert ha Barkas vagy
Wartburg akkor felejtsd el Lada vagy 6v Trabi trafóval próbálkozz. üdv
Hali!
A trafó az egy 250-es ETZ 12V-os trafója. Teljesen jól működik. Azért döntöttem az mellett,mert kisseb a mérete mint az autó trafóknak és könnyebb a dobozolás.
Szia!
Eddig csak üresjáratban próbáltad, vagy már karámra kötve is? Ha igen, milyen hosszú karámot visz el? Üdv.
Hali!
Igen,eddig csak üresjáratba volt próbálva. Nem karámhoz készült,hanem egy kb 50 méteres kerítéshez,hogy a szomszéd kutyája ne jöjjön át. Lehet hogy jó lenne hosszabb távon is,nem tudom. Meg kell építeni,ki kell próbálni. Nem egy nagy összeg a kivitekezése.
sziasztok!
Lenne 1 kérdésem hogy van egy villanypásztor kapcsolási rajzom de van benne egy kondi amihez nincs érték irva a segitségeteket kérném
Szia!
ez komplementer- multivibrátor . A c1 álltja be a frekvnciát.most nem találom hogyan kell kiszámolni--De: a trafó helyére tennék 1 LEEDet s akkor látod mit csinál . mivel itt az 1Hz v az alatti játszik megfelel a "szemmel-verés "is. a várható értéket kb 1--22µF közöttire saccolnám ,és 10V elég ide.
Lehet-e olajégő vagy gázkazán gyujtótrafojából villanypásztort csinální?Segítségeteket előre is köszönöm.
Attól függ milyen paraméterekkel rendelkezik.
Hány ohmos a primer oldal és mekkora feszültség jön le a nagy fesz oldalon.
Hali!
Megépitettem a kapcsolást amit küldtem de van egy kis baj hogy 12v-os aksiról hogyan üzemeltesem meg még hogyan lehetne átalakitani12v-os r a
Sajnos a táblája eléggé oda van a kimenő feszültsége 15kV még pár dolog látszik.Ugy néztem 3 percig szikrázhat egy folytában.Bemenő oldali áramerősség 1.2A.
Akkor ez nem "csak "egy trafó hanem tartalmaz egy elektronikát,ebből az következik hogy az ebben az esetben a témában található összes villanypásztor kapcsolás nem használható hozzá .
Legjobb lenne ha tennél fel képet róla és a belső felépítésről ha bontható és megoldható talán akkor kilehetne találni valamit belőle, és más lenne a helyzet.
Megprobáltam szétszední az egyik felén lejött a burkolat,de ki van öntve a másik oldal meg a vasmaggal eggyütt van szegecselve.Viszont a másikról csináltam képet.Remélem látszik .
Felejtsd el akkor inkább építs vagy építtess valakivel egy készüléket.
Ez a formátum nem biztonságos,főleg azért mert 3 percig szikrázik ezt a feszejt az ember kiküldi a karámra oda ragad hozzá ember s állat .
Sziasztok egy trabant gyújtótrafóval hány száz métert lehet elérni? Oldman kapcsolásával.
Szia!
Inkább az invertereset építs meg, és szerezz be egy motorindító kondit, amit majd töltöget. Az cseppett jobb. Bővebben: Link
Szia ez az a kapcsolás.
Ha a második oldalon találhatóról van szó akkor 100-200 méter talán, attól függ milyen a karám vezeték anyaga és mekkora a levegő pára tartalom és milyen a földellés.
Én minden kép egy inverteres kapcsolást építenék mert nagyobb a kimenő energiája mint egy BU-ra épített kapcsolásnak. Mert nem a szikra hossza számít hanem az ereje és akkor több kilométert is lelehet vele fedni. Én már építettem inverteres villanypásztort amiben autótrafó volt (6voltos trabi) 16mikrós kondit szaggattam rá 400 volton és az nem könyékig zsibbasztotta az embert hanem le is ült tőle. Azzal konkrétan 3,5km-t védtek le. A kapcsolás itt az oldalon is meg található.
Még jó, hogy fél órája ugyan ezt linkeltem be.....
Bocsi de az az igazság ,hogy sajna nem vettem észre és amikorra meg már észrevettem akkor már nem tudtam törölni,de jobb kétszer mint egyszer sem.
A másik dolog más használható inverteres kapcsolás nincs is a témában.
Sziasztok megépítettem oldman kapcsolását ,az lenne a kérdésem hogy szerintetek mindent jól fórasztottam e be a helyére. A végtranyó másik panelen lesz.
Hát ez 20 forintos kérdés?
![]() Erről neked kell meg győződnöd.
Szia Dizi összeraktam és semmit sem csinál, ha kiveszem az ic-t akkor az áramfelhasználás 0-ra csökken ha visszarakom akkor pedig0,02milliamper max. Szerinted mi lehet a baja.
|
Bejelentkezés
Hirdetés |
















