Fórum témák

» Több friss téma
Fórum » Csöves erősítő készítése
 
Témaindító: seedz, idő: Márc 31, 2006
Témakörök:
Ne feledd betartani a fórum viselkedési szabályait, és a topik megmaradásának feltételeit. [link]
A téma átmenetileg fagyasztva lett, hozzászólni nem tudsz!
Lapozás: OK   837 / 2208
(#) djhans válasza Imi65 hozzászólására (») Dec 22, 2009
Majd letesztelem. Ha valóban nagyobb az illesztőellenállás akkor nem biztos hogy jól fog szólni.
(#) djhans válasza CIROKL hozzászólására (») Dec 22, 2009
Köszi neked is.
(#) sturbi válasza lpcollector hozzászólására (») Dec 22, 2009
EF 80 mindenkinél szokott vetyengeni néhány. Összekötöd a segédrácsot, a fékezőrácsot, az anódot, meg még a külső árnyékoló burkolatot is egy darab csupasz deróttal (tehát 6,7,8,9 lábakat), ráakasztod a kimenőtraffancsot (kicsi TV kimenő is tökéletes), 2-300 kohm rácslevezetőt, katódellenállásnak akkorát hogy 3 W legyen a disszipáció a csövön (300-330 ohm), hidegítés nem kell. Anód-katód között 250 V legyen, ezt 260-280 V tápnál lehet elérni. Kb. megüti a sztárolt csövek hangminőségét, amit döbbenten veszel tudomásul. Nagy hálótrafó nem kell, 12 W-ot vesz fel a hálózatról, 350 mW körül van a leadott teljesítmény.
(#) lpcollector válasza sturbi hozzászólására (») Dec 22, 2009
Neked gyakran megdöbbentő ötleteid vannak (De ha működik, a fene bánja )
EF 80 talán még új is akad otthon, bár ez a próbálkozás a 6E5P-re lett volna kihegyezve, de ezzel majd nem sietek annyira és több csövet is kipróbálok.
A kimenő úgy készült, ahogy javasoltad, így 8 ill. 32 ohmra is illeszt.
(#) sturbi válasza lpcollector hozzászólására (») Dec 22, 2009
Az EF80 nem szól rosszabbul így, mint a 6E5P, sőt..., és nem is mikrofóniás, ellentétben a 6E5P-vel. Az ehhez bekötött foglalatba azán változtatás nélkül bedugható a 6zs11p, a 6zs43p is (a katódellenállás csökkenthető az illető cső disszipációjához, de anélkül sem okoz csalódást).
(#) lpcollector válasza sturbi hozzászólására (») Dec 22, 2009
Van otthon néhány 6E5P-m, az egyiknél nekem is feltünt, hogy erősen mikrofóniás. A csavarhúzóval megkocogtatva az üvegbúrát szép tiszta csilingelő hangot hallok a hangszóróból... Gondolom a mély hangokra méginkább reagálna, ha hagynám (a foglalatában )
(#) sturbi hozzászólása Dec 22, 2009
CHZ-ról ki tud valamit, mem látom már régóta egyik fórumon sem, hiányzik a leltárból...
(#) lpcollector válasza sturbi hozzászólására (») Dec 22, 2009
Olvasni biztosan olvassa, csak valamiért nem szól hozzá... Írtam is Neki, hogy hiányzik a "hangja" a fórumról...
(#) djhans válasza sturbi hozzászólására (») Dec 22, 2009
Akkor gyakorlatilag tv kimenővel lehet csinálni füles erősítőt EF80-ból Ez jó! Egyszer lehet, hogy kipróbálom.
(#) klemo86 hozzászólása Dec 22, 2009
Akkor mégegyszer Boldog Karácsonyt minden "csövesnek", csak ez a nap sem épp az enyém, és az ide tartózó üzenetem még frissen ott virít az OFF topikban
(#) djhans válasza klemo86 hozzászólására (») Dec 22, 2009
Idézet:
„Akkor mégegyszer Boldog Karácsonyt minden "csövesnek",”


Neked is! Én örülnék ilyen karácsonyfadíszeknek.
(#) s.sanyi hozzászólása Dec 22, 2009
Sziasztok.Megint segitségetekre szorulok.Működik az erősitőm csak az a baj,hogy nem tudtam 500 k-s potit szerezni csak 1 M- eset amit a rádióból szedtem ki.Fél hangerőig gyönyörűen muzsikál,de ha feljebb csavarom elkezd torzitani.Meg-e lehetne oldani,hogy ezzel a potival max hangerőn ne torzitson és hogyan?A hangjával meg vagyok elégedve de eggy kicsit hiányolom a méjjeket pedig a rádióm ezzel a kimenővel jobban nyomta.Lehet-e ezen változtatni kimenő csere nélkül?mellékelem a rajzot és a képet.( A POTI BEKÖTÉST KIJAVITOTTAM AZ ERŐSITŐN) Kérnélek benneteket,hogy kezdőnek is érthető válaszokat adjatok.Köszönöm a megértéseteket.
(#) djhans válasza s.sanyi hozzászólására (») Dec 22, 2009
A rajzod alapján kellene, hogy legyen mély. 1Mohm-os potival is jónak kell lennie. TT egy másik rajz. Ez alapján alakítsd ki a visszacsatolást, az majd meghozza a mélyeket és kijavítja a frekimenetet. Ha ECC85 helyett 83-mat használsz akkor 47K helyett 100K és 1,2K helyett 1,8-2,2K legyen. Remélem érthető. Ha az erősítő hangosan sípol akkor a visszacsatolásnál fel kell cserélni a kimenő szekunder kivezetésit egymással.
(#) djhans válasza djhans hozzászólására (») Dec 22, 2009
Az előfokcső katódkörében lévő 1,2K-t cseréld ki 1,8-2,2K-ra, a visszacsatolásnál marad az 1,2K
(#) Gery78 válasza lpcollector hozzászólására (») Dec 22, 2009
Szia!

Mellnézést, ha elírtam a neved, most már tudom, hogy LP, és nem IP az eleje. Bocsi. :hide:
No volna pár kérdésem:
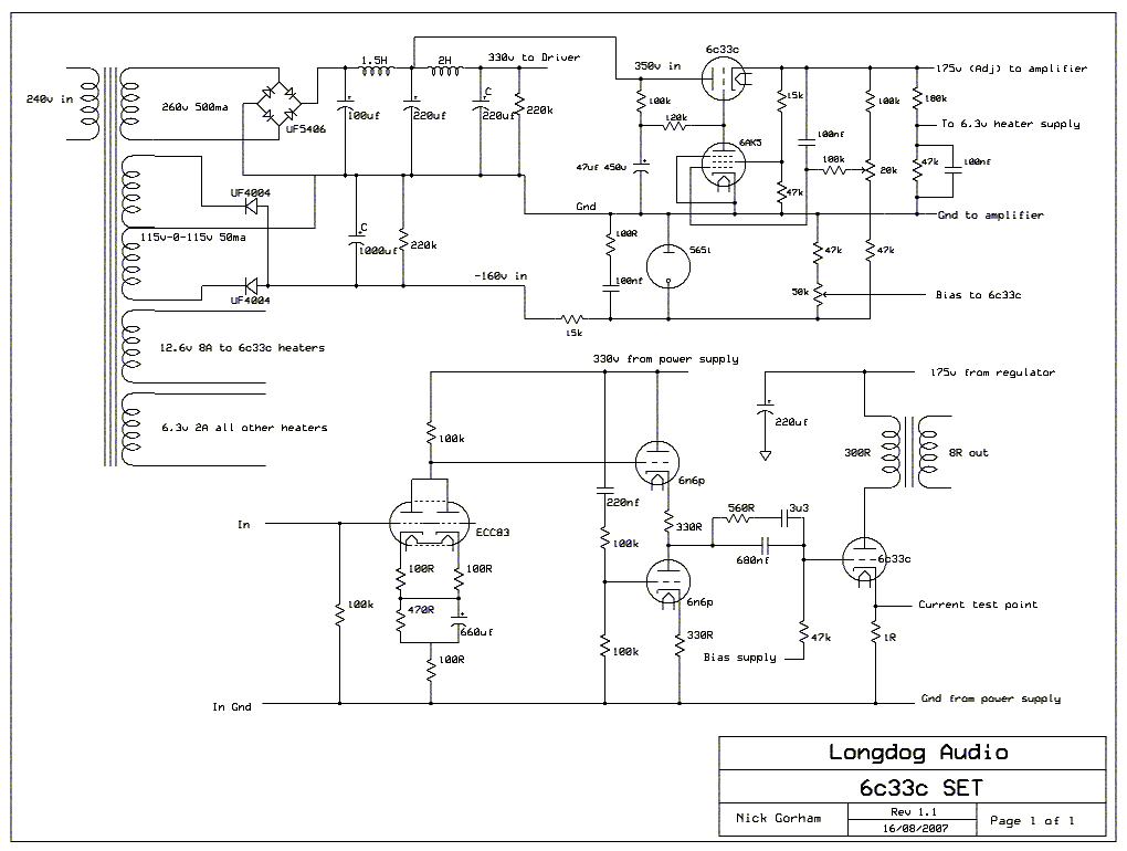
Megnézegettem a kapcsolást. Az erősítő kapcsolása nagyon szép, de egy két dolgot nem értek. A két fokozat közé miért kell olyan nagy értékű kondi? 470nF-os nem elég? Ennek valami speciális oka van, hogy ilyen nagy érték kellett? Aztán az előfok cső amit választottál az sugártetróda, v. pentóda? Valami triódás meghajtófokozatot nem lehet elé tenni? A 6C33C-nek nagy bemeneti fesz kell? Mi volt az oka, hogy ezt a csövet választottad? Mert ha úgyis nagyobb az előfok tápja, akkor lehetne triódás is, vagy nem lenne elég az erősítés? A kimenőt meg lehet csinálni 4Ohmra is? Egyébként ki készítette a kimenőket? A végcsőben mind a két katódot fűtöd? A fűtésnek nem lehet egyszerű váltófeszt alkalmazni? Na hirtelen ennyi kérdés jutott eszembe, majd még biztos fogok kérdezősködni, ha nincs ellenedre.

Üdv Geri.
(#) Gery78 válasza djhans hozzászólására (») Dec 22, 2009
Ez a rajz tényleg jó, nálam is bevált! Nagyon szépen szól! ECC82-vel is jól működik!
(#) s.sanyi válasza djhans hozzászólására (») Dec 22, 2009
Köszi szápen érthető minden majd dolgozok rajta.
(#) djhans válasza Gery78 hozzászólására (») Dec 22, 2009
Ki lett próbálva ECC82,83,85 6N1P, 6N2P, 6SZ3P csővel és minddel jól működik csak az anód és a katódellenállások változnak a cső munkapontját illetően.
(#) djhans válasza s.sanyi hozzászólására (») Dec 22, 2009
Lényegében marad a te ECC83 csöved csak a katódkörét kell átalakítani a másik rajzon látható módon, hogy kialakítható legyen a visszacsatolás.
(#) lpcollector válasza Gery78 hozzászólására (») Dec 22, 2009
Az igazság, hogy az eredeti rajzot CHZ mester mutatta nekem innen. Azelött a Robid által megépített kapcsolással szemeztem, ezzel. A 6E5P tudomásom szerint tetróda, de én triódába kötve használom. Elég nagy az elötte levő fokozat erősítése ezért még így is megfelelő teljesítményt szolgáltat. Valószínüleg a 470nF is elég lenne (ki kellene számolni), de ha már nem lehet DC csatolt, szerettem volna ha minnél kevesebb veszik el a jelből.
Tetszett, hogy egyetlen ilyen cső képes "felpiszkálni" ezt a "kályhát"
A kimenőkért Fletának jár a köszönet
A végcső mindkét oldala váltórol fűtött(sorban 12,6V-ról), az előfokcsőnél a késleltetett fűtést egyenről egyszerübb volt megoldani...
(#) mayky válasza lpcollector hozzászólására (») Dec 22, 2009
Még egy lehetőség: bár ebből egy sztereó még többet fogyaszt. Igaz ez nem a Lamm rajza csak egy feltételezett rajz. Egy Ikido-nak nevezett meghajtás.
(#) sturbi válasza s.sanyi hozzászólására (») Dec 22, 2009
Idézet:
„...Fél hangerőig gyönyörűen muzsikál,de ha feljebb csavarom elkezd torzitani... eggy kicsit hiányolom a méjjeket pedig a rádióm ezzel a kimenővel jobban nyomta.”


Az EL84-nek visszacsatolás nélkül, pláne pentódás kötésben (nagy belső ellenállású cső) sokkal izmosabb kimenőtrafó kellene, mint ami a rádióban volt (12 cm2 felett). A megoldás a kapcsolás átalakítása visszacsatoltra, ahogyan többen is javasolták itt, ezzel csökkenni fog a bemeneti érzékenység is, mert most a tulvezérlés miatt torzít valószínűleg (a kevés mély miatt nagyobb hangerőt akarsz, ott viszont már a közepes és a magasabb frekvenciák túlvezérlik az erősítőt. Tapasztalatom szerint az EL 84 amúgy is (nagyobb trafóval is) igényel némi hurok visszacsatolást.
(#) Mate78 válasza Gery78 hozzászólására (») Dec 22, 2009
Szia!

Bocs hogy csak most válaszolok,most volt időm mélyebben belenézni a mérési eredményeidbe.
Mindjárt nem is értem a kérdést , mert én is a második és harmadik mérési eredményeket nagyjából egyformának látom, de ez jogos is.Kimenő 4Ohmos, terhelés 4 Ohmos.Vagy valamit félreértettem?

Amúgy szerintem ez nagyon jó átvitel (mindegyik) ennél nem kell jobb , hát ha még a hangja is jó, márpedig az valószínű.

üdv

Máté
(#) lpcollector válasza mayky hozzászólására (») Dec 22, 2009
Köszi, ezt a rajzot én is felleltem valahol. Ennek a táprészénél 6C33C-t arra is használják, amire eredetileg kitalálták
Most, hogy kipróbálhattam az "egycsöves" meghajtást, inkább ebben az irányban kutakodnék tovább...
(#) Mate78 válasza sturbi hozzászólására (») Dec 22, 2009
Sturbi!

Mindig szeretem olvasni a hozzászólásaidat, olyan jó nyersen, és egyúttal közérthetően írod le a frankót.

EF80 nálam nagyon mikrofóniás, pentódás üzemben kb. 20db csőből 15 csilingel, de nagyon.

üdv

Máté
(#) mark.budai válasza Mate78 hozzászólására (») Dec 22, 2009
Idézet:
„Mindig szeretem olvasni a hozzászólásaidat, olyan jó nyersen, és egyúttal közérthetően írod le a frankót.”

Ebben egyet értünk.
Én is megkeresem az EF80-aimat, és megnézem őket.. Kíváncsi vagyok, milyen az, ha egy cső annyira, mikrofóniás, amiről beszélgettünk délután!
(#) Imi65 válasza mark.budai hozzászólására (») Dec 22, 2009
Ha van EF184-esed, az is eléggé hasonlít az EF80-ra.
(#) mark.budai válasza Imi65 hozzászólására (») Dec 22, 2009
Igen, hasonlít rá, de az nincs, EF80-ak vannak, ezért mondtam, hogy megkeresem őket.
(#) sturbi válasza Mate78 hozzászólására (») Dec 22, 2009
Idézet:
„...EF80 nálam nagyon mikrofóniás, pentódás üzemben kb. 20db csőből 15 csilingel, de nagyon...

Úgy kötve, ahogy leírtam már nem csilingel, viszont lezuhan a belső ellenállása ezerrel, ami jelentős rugalmasságot kölcsönöz neki (hosszútávú tapasztalataim még nincsenek vele, mert csak tegnap agyaltam ki, amikor kezembe akadt vagy 12 darab...deprez műszer keresés közepette. :dizzy.
(#) CHZ válasza sturbi hozzászólására (») Dec 22, 2009
Koszonom az erdeklodest , most is olvasgatom irasaitok !
Nem vagyok otthon , nehezebb a hozzaferes , de nem lehetetlen . Naponta azert meglatogatom a forumot .
Következő: »»   837 / 2208
Bejelentkezés

Belépés

Hirdetés
XDT.hu
Az oldalon sütiket használunk a helyes működéshez. Bővebb információt az adatvédelmi szabályzatban olvashatsz. Megértettem