Fórum témák
» Több friss téma |
elob, edig, akor, ijen, ojan, veszo, ere, megmagyaraza, enyire, aramkorel, legkozeleb, ...
Az ékezetek egy adottság, de nem hiszem, hogy nem lehet dupla mássalhangzókat írni az angol billentyűzeten (ha valaki nagyon akar, még ékezetest is tud). Mindenkitől elnézést az OFF-ért, nem is folytatom!
Na tudok már ékezetet teni,csak igy egy kicsit nehézkes lasab az irás.Bocs ha valakinek ez nem tetszet
Szamóca!
Helyesbítek, az a két hűtőborda nem biztos, hogy elég neked, vagy éppen hogy csak... ma reggel 8-tól idáig ment folyamatosan a végfok, és most 50 fokos az a batár nagy borda. 24,5V és 1,3A nyugalmi mellett. Talán alacsonyabb feszültségről, a régebbiben amúgyis csak 19-21V-ot ajánl a szerző, és talán kisebb nyugalmival, még esetleg elég is lehet. Mondjuk ha a hátuljára rászerelsz valami végig húzódó vastag L vagy T profilt, akkor talán még jó is lehet így ahogy van. Gondolkodtam rajta én is, hogy 4 helyett csak 2 vigye el a két végfokot, de akkor már nagyon izzadnának a tranyók. Egyébként azt az 50fok üzemit olyan jó 2 óra alatt éri el nálam. Ez volt a végső teszt, most ismét szétszedem, és az első munkanapomon kezdem a dobozolást, addig megrajzolom hogy is lesz pontosan, és talán január közepén már készen is vagyok vele. Nem egy Cirok Laci tempó, de szép lassan kész lesz.
Az a gond, hogy a Sipos féle A osztály is közel 10 000cm2 hűtést igényel. Ez a borda viszont pazarlás egy 2X100-as AB osztályra. Nagyobb meg felesleges idehaza, amúgy is szerettem volna már építeni egy A-sat, de állat nagy hűtést, tápot igényelnek. Ezért egy kissé vak vágánynak érzem az A osztályt. Mert akkor lehet csövest is építeni ennyi pénzből.
Igen. Ha nem méretezem így túl a rendszert, akkor talán 3/4-ed pénzből jött volna ki, és most így utólag összeszámoltam, és ha előre mondják nekem, hogy ennyi lesz biztos bele se fogok. Amikor csak a kondikat kellett kifizetnek, akkor már úgy voltam vele, hogy ááá..ezt mégse, ennyi pénzt bele ölni. De most úgy gondolom mindenképpen megérte.
Azért lehet számolni: 1kW trafó+40db 500Ft-os kondi, 2db Graetz, és a trafóhoz lágyindító+zavarszűrős aljzat. Hol is tartunk úgy 50 körül? És ez még csak a táp. Kell batár hűtés, az nem két fillér, de itt szerencsés voltam, mert tök ingyen kaptam ezt egy ismerősömtől, de ha fizetnem kellett volna érte, akkor csak méhes áron is már egy vagyon lett volna, úgy 20-30 körülre saccolom, így használtba. Félvezetők, és még doboz, kezelő szervek, csatlakozók, nyákok, vezetékek, hangszóró védelem. Szerintem csak nagyon minimális dolgot hagytam ki ha kihagytam. Ez már erősen közelít a 100.000Ft-hoz. Szerintem abból már olyan csövest lehet összerakni ami hét nyelven beszél. DE ahhoz azért kéne érteni, és én meg nem értek (még), de rajta vagyok a dolgon. Viszont nekem riszató a hirtelen nagy pénzbefektetés egy csöves erősítőbe, meg kell venni a háló trafót, a kimenő trafót, és a csöveket. Ezt persze lehet használtba is, és lehet készíttetni is, meg a csövek is lehetnek használtak, de egy mondjuk 10W JLH-val szemben ahol a sztereo anyag költsége mindenestől olyan 15.000Ft, akkor nincs kedvem belerakni egy bizonytalanba egyszerre sokat, ahol a trafón olyan sok múlik, és vagy jó lesz vagy nem. Ha nem akkor megint egy csomó pénz, és ha a végeredmény nem tetszik, akkor ismét beleöltem egy csomó pénzt, és ott egy szép vagy nem szép valamim, aminek a hangja nem tetszik. Szemben a félvezetőssel, ahol magát a végfokot sokszor meg lehet építeni összetúrt alkatrészekből is próbára, aztán ha az szépen muzsikál mondjuk egy labortápról, akkor el lehet gondolkodni egy kis befektetésen, az építése kapcsán. De ott sem kell egyszerre rengeteg pénzt kifizetni. A-osztálynál általában a trafó és a hűtés a legdrágább, ezt követi a tápegység, vagy velük egy szintben van, a többi legtöbbször filléres tétel ezekhez képest. Na most ha nincs trafó akkor ott a labortáp, ha nincs pont az a félvezető akkor helyettesíthető mással ideiglenesen, ha nincs akkora hűtés mint kéne, akkor ideiglenesen rövidebb ideig megteszi a kisebb borda is ami épp kéznél van. Lehet használni minden további nélkül használt hűtőbordát, körültekintve használt félvezetőket, azok nem mennek tönkre idővel mint a csövek. Lehet hogy azért mert soha nem foglalkoztam igazán a csövezéssel, vagy azért mert tranzisztorozással kezdtem, sokkal praktikusabban és egyszerűbben építhetőnek tartom a félvezetős végfokokat mint a csöveseket. Itt soka felhördülhetnek, de a vélemény az vélemény. Elképzelhetőnek tartom, ha lenne csövezéshez minden cumóm, ahhoz egy labortáp szerűség, azaz egy sok helyen megcsapolt teszt trafó, és sok féle kimenő trafóm, meg egy tonna rézhuzalom, sok vasmaggal, meg 10 év gyakorlatom csöves technika építésében, akkor másképp gondolnám. De így a jelenlegi felszereltségemmel, és tudásommal még nem vágnék bele egyedül egy csöves építésébe. Így marad a félvezetős végfokok építés egyenlőre nekem. Talán majd egy kicsit több tapasztalattal...
Zoli ! most abba hogy melyik kerül több pénzbe melyik nem abba nem mélyednék bele mert ez azért nagyon sok körülménytől függ valjuk be!
Idézet: Igen valóban neked ez a saját véleményed ! De ezzel nem igazán értek egyet , egy csöves A-osztályut semmivel sem nehezebb öszehozni mint egy félvezetőset ! Mind kettőnek vannak előnyei és hátrányai ezért szerintem eggyértelműen nem lehet kijelenteni hogy a csövest azt nehezebb lenne megalkotni ? „sokkal praktikusabban és egyszerűbben építhetőnek tartom a félvezetős végfokokat mint a csöveseket. Itt soka felhördülhetnek, de a vélemény az vélemény. ” Idézet: No ezt is megcáfolom neked Zoli nekem nincs eggyáltalán a csövesből gyakorlatom még egy év sem !„meg 10 év gyakorlatom csöves technika építésében, akkor másképp gondolnám. ” Idézet: No meg ha meglátnád az én felszereltségemet akkor biztos a falnak mennél , ha hiszed ha nem az összes csövesemet 2 darab multiméter segítségével üzemeltem be ! Szóval nem kell a csöves A-osztályhoz azért sem több pénzt sem több tudást bele invesztálni , jó egy kis elméleti tudást azért kell kölcsön venni ha nem vagy tisztában egy - két dologgal . Viszont a gyakorlati részét meg ugyan ugy megneheziti mindkettőnél a mechanikai munkálatok , az eggyiknél a félelmetes hűtőbordák a másiknál a trafók szasszik STB Éppen ezért én azt mondanám hogy mindeggy az hogy félvezetős -e vagy csöves ! Azt tudom ajánlani hogy még aki nem épített csöves gépet az nyugottan vágjon bele ha érez magában némi bátorságot meg ha nem fél az esetlegesen előforduló nagyobb fesztől sem ? „a jelenlegi felszereltségemmel, és tudásommal még nem vágnék bele egyedül egy csöves építésébe” Idézet: Sajnos az A-osztályhoz kellenek ezek a félelmetes méretek ! A DoZ -mat azt láttad élőben , azon mintegy 8500-9000 cm2 a hűtőborda mennyisége . Ebből már eltudsz indulni , de szerintem a Hiragára is kb annyi kellene min ? „közel 10 000cm2 hűtést igényel”
Elég szomorú dolog ez rám nézve kérem szépen.
Apropó! A hűtőfelület méretét a teljes levegővel érintkező terület adja?
Elméletileg igen. Az más kérdés, hogy lesznek olyan területei ahol kevésbé, és lesznek olyanok, ahol könnyebben adja le a bele táplált hőt. Nyilván a szélén jobban lesz képes leadni a hát mint egy sűrű bordázat középső bordájánál, mert ugye ott mindjárt a felfűtőtt levegőnek kellene még hőt fölvenni és elszállítani azt, a szélén meg hidegebb levegő van, jobban veszi át a hőt a bordától, pontosabban többet tud átvenni tőle. Viszont minél melegebb a borda annál nagyobb lesz a természetes légáramlás, így gyorsabban el tudja vezetni a keletkezett hőt. A fene tudja, annyira nem emlékszem már a fizikára, hogy pontos elméletet írjak, ezek csak a gyakorlatból kilogikázott elemek.
Egyetértek a hozzászólásoddal, hogy mindegy, építés szempontjából, csöves vagy félvezetős, csak nekem nem egyenlőre. Mert azon kívül, hogy láttam már kívülről - belülről csöves végfokokat, szépen megépítve, azon kívül eddig ha hozzányúltam, abból még jó nem született pont az a sok elmélet hiánya miatt. Amit nem erőszakkal, hanem szép lassan ha jön infó gyűjtögetek, és ha érzek majd elég bátorságot, és felkészültséget akkor egészen biztos belevágok az építésbe én is mert nagyon vonzz.
A gyakorlatban én is csak multit használok az építéshez, a teszteléshez és javításokhoz van generátorom és egy szkópom is. Ezen kívül nekem sincs semmi másom. Beállításhoz még talán egyszer sem használtam a szkópot eddig mindig elég volt egy multiméter nekem is. A dobozolást én nem tartom annyira veszélyesnek, számomra az elektronikai oldala, és annak elméletes az elrettentő és félelmetes benne. Mert nem szeretem azt az állapotot amikor valamivel nem vagyok tisztába, és mégis csinálom. Így kezdődött az elektrózás, és alapszinten a jó 10-15 év alatt sikerült elsajátítanom valami keveset. Nekem a mechanikázás számít ujjgyakorlatnak, és az elektronika a komolyabb része.
Szevasztok.Na csak eldöntötem,nekiugrok újból a Doz nak.Csak elöb szeretnék egy kis segitséget kérni tőletek hogy szerintetek mék (melyik) doboz és mék (melyik) hűtöbordákat használjam fel hozá.Teszek fel kepeket a két dobozról es a két hütöbordarol is.Ugyanakor teszek fel képet a két trafómról is ami a két finált látná el külön külön.Szeretnék a végekhez teni bemenetosztot is és hangszinszabájozót is,és a véleményeteket szeretném kikérni hogy hozáileszthetö e a végfokhoz,teszek ezekrol is fel rajzot.Az alimentálását ugy terveztem meg magamban hogy a trafókrol a szekundert attekerném 30V osra külön külön.a primer az marad,aztán 2db 35A es hidat használnek 2db 47000mikros kondival,és persze megcsinálnám hozá az áramkorlátos tápját is.Nemtudom érdemes e hozáileszteni valamiféle védelmet is,ha valami netalán tönkremene a végben nem lesz semi baja a hangfalnak?,mert ugy is ot van a kimeneti csatoló kondi?.Válaszotokat elöre is nagyon köszönöm.
Még két kép,és a bemenetválasztó,és a hangszinszabájozó.
Ja és felteszem a hangfalt is amiröl fog meni a Doz,amúgy 8ohmos,igyis leadja a 20W ot az erösitö?
Nos nagyvonalakban itt is válaszolhatok egy-két általad vázolt dologról de a DoZ - al kapcsolatban gyere át a saját topikjába ! IDE
Idézet: Erre a kérdésedre csak annyit mondanék elöljáróban hogy az összeset egybevéve is kevés a DoZ -hoz ! Védelem az nem kell hozzá , konderzátor kicsatolású ebből adódóan nincs erre szükség . Meg még egy gondolat csupán , az A-osztályú erősítőhöz akármiféle hangszin szabályozót nem szabad használni meg nincs is értelme . „(melyik) hűtöbordákat használjam fel hozá”
A hűtőbordáról itt beszéltünk pont
Idézet: „(#586846) CIROKL válasza szamóca hozzászólására (#586668) ”
Szevasztok,
van itt ugye ez a tápom, ahol az alsó tranyó alatti potival indítom a cuccot. Bővebben: Link Namost, lehetne ezt az indítási "gázadást", nem kézzel, hanem elektronikusan megoldani? Mondjuk nulláról felmenne szép lassan 25-26V-ra.
Találtam egy kis teljesítményű "Hiraga" rajzot.
Miért is gondoltam rád mikor megláttam.
Negatívum a kis kimenő teljesítmény, és az átkos tranyó párba válogatás. De előny a tápfesz miatt a jóval olcsóbb tápkivitelezés, és a kisebb hűtésigény.
Ugye ezt nekem csinálod ? Neked már van Hiragád ! elég abból 1 darab -is :hide:
Képzeld el most hétvégén pontosabban tegnapelőtt találtam ki, hogy elkészítem, és azóta már sprintbe megvan a nyákterv.Most nagyüzemi nyákgyártás lesz itthon. pár TDA7294, Le monstre Hiraga, és Canopus, lehet, hogy még ma este elkészülnek ezek.
Egyébként a nagyobb hiraga-nál a tranyó párbaválogatást úgy megúsztam, hogy a kapcsolási rajz első 4db tranyóját is rátettem a hűtőbordára, és így már nem mászkál el a nyugalmi, ezen kívül be lehet állítani tökéletesen szimmetrikusra az oldalankénti áramfelvételt. Talán itt is járható út ez. Esetleg ami közvetlen a végtranyók bázisában van azokat felteszem a hűtőre, ha nagyon nem boldogulok vele, de az biztos, hogy nem állok neki párba válogatni, meg nem is lenne mivel, csak multival, az meg nem precíz ehhez.
Ebből kiindulva, szerintem ehhez pont jó lenne az a két hűtőborda:Bővebben: Link
Amennyit rárakott a gyerek, abból az eredeti 2x20W-os is kijönne.
Érdekes hogy az Ausztrál gyereknek meg milyen relatíve kevés a bordázat az eredeinél nagyobb teljesítmény ellenére.
nekem egy "öreg" erösitöépitő azt tanácsolta hogy ennek az erősítőnek kifejezetten jót tesz ha az összes tranyó egy bordán van
A kicsire gondolsz?
Vagy a nagyobb 20W-osra? A 20W-osnál igazolódott ez a felvetés. A kicsi nyákja már készen van, most már csak kifúrom, beültetem, és beszámolok róla. Talán még idén...
Ha nem is neked, de két nyákot készíthetek hozzá, a köv börzére, mondjuk karácsony ajándékkén, ha még nem készítetted el...
Valószínű a hőegyüttfutás miatt javasolta ezt,
bár szerintem nem mindig a legoptimálisabb....
Tiszteletem az A-osztályú végfok építő mestereknek!
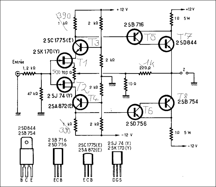
Problémám támadt a 8W-os Le Monstre névre keresztelt Hiraga végfok élesztésével. Csatolok néhány képet, és nyákrajzot, mert reggel 9óta nézem folyamatosan hátha valami olyan hibát vétettem, amit nem látok, de nem jöttem még rá semmire. A jelenség, hogy nincs áramfelvétel, csak túrót látni a szkópon a kimenetén, a két FET Drain lábán még csak-csak valami szinuszhoz hasonló jelet látni, de elég kicsit, a T3-T4 jelű tranyók kollektorában még kisebb a jel, de ár nem is hasonlít a szinuszhoz, a Végtranyók bázisába már el sem jut , csak valami nagyon nagyon kicsi és nagyon torz jel. Labortápról próbáltam indítani, +-12V-ról, aztán adtam neki +-13,5-öt is. A FET-ek lábkiosztásával bíbelődtem, egy jó csomó időt, mert találtam több féle lábkiosztást is. Aztán a japán tranyók lábkiosztásával is szórakoztam sokat, mert azokak sem találtam egybehangzó lábkiosztást, és végül a FET-ek és a végtranyók kivételével kicseréltem az összes tranzisztort BC546-556 párosra. A Végtranzisztorok bontottak, de tökéletesek, ez látszik a képeken is. Nincs zárlat a végtranyók között, a fólia oldalon sincs semmi zárlat, minden alkatrész új, és jó mindet kimértem mielőtt beütettem, a kapcsolás meg annyira primitív, hogy nem tudom mi lehet már a hiba. Leírás szerint a trimmer potit közép állásba tekerve kell beültetni, de gyakorlatilag bármerre csavarom semmi változás nem történik, igaz a nyugalmi áramhoz nem sok köze van, ez az kimenetnek a nullázója, vagy ahogy nevezzük. Próbáltam minnél jobb képeket készíteni, hátha megláttok rajta olyat amit én nem, a lábkiosztásokra gondoltam elsősorban, bár már vagy 20-szor azt is átellenőriztem. A másik oldalt még ki sem próbáltam. A FET-ek végül 2SK170 helyett 2SK246, és 2SJ74 helyett 2SJ103. A trimmer poti helyébe 100ohm helyett 500ohmosat tettem, a visszacsatolás 220ohm helyett 1k, és a T3-T4 kollektorában lévő 1k-1k ellenállás helyett 390ohmot tettem, ezeket az értékeket egy 2004-es módosítás szerint ültettem be.
És a kapcsolási rajz kiegészítve
Szia!
A 100 Ohmos trimert nem kellett volna növelni, a két 1kOhm csökkentése, sem volt jó ötlet. A nyugalmi áram ezektől, illetve a bemeneti fetek elzáródási feszültségétől és meredekségétől függ! Mérd meg mekkora most a feszültség a 390 Ohm-okon. Ennek arányában növeld meg a 390 Ohm-okat, de valószínű a trimer értékét is csökkenteni kell. A T5-6 bázisán legalább 1,5-2V-nak (relatív a táphoz, +/- 12V-hoz képest) kell lennie a nyugalmi áramtól függően. Üdv. P István
Köszönöm a segítséget, ezzel meg is oldódott a probléma. Ez van amikor nem vagyok tisztában teljesen a működésével. Az a módosítás, ezek szerint "ál módosítás" volt. Most már csak egy stab tápot kell építenem hozzá LM338-ból, mert a sima labortáp nem elég neki, sőt szerző ajánlásában is bivaly pufferolás mellett CRC szűrés van.
Egyenlőre nincs sok kondim, így kipróbálom az LM IC-t hozzá. |
Bejelentkezés
Hirdetés |








Ja és felteszem a hangfalt is amiröl fog meni a Doz,amúgy 8ohmos,igyis leadja a 20W ot az erösitö? 












