Fórum témák
» Több friss téma |
Fórum » Labortápegység készítése
Szép ez a táp, első látásra zt hittem, hogy valami hangfrekis végfok.
Mit tud ez a készülék amúgy? Idézet: „Szép ez a táp, első látásra zt hittem, hogy valami hangfrekis végfok.” Egy mérvadó fórumtárs nemrégen osztotta meg velem pü-ben, hogy tulajdonképp nem is tér el a működésmódjuk, vagyis nyugodtan lehetne egy végfok ic-t táp célokra is használni. És igaza van.
Olyat is használtam már, csak azt drágállom. Előnye, hogy nem kell batár lyuk, mer jó vékony a cső.
A szilikoncsőről ne is beszéljünk az meg még drágább, viszont nagyon jó vele dolgozni, amíg volt addig előszeretettel használtam azt is.
Azért zsugorcső esetében ~200HUF/m nem a megfizethetetlen kategória.
Ezt a tápot 1982-ben tervezték Németországban és az Elektor című újság leközölte. Majd Rádiótechnika folyóirat 1995-ben ha jól tudom leközölte. Aminek sikerét köszönheti az az, hogy Alkotó fórumtársunk a hóna alá nyúlt és tervezett egy minden szempontból kitűnő nyákot hozzá valamint néhány ésszerű változtatást eszközölt a kapcsolásban. Azóta Alkotó tápként fut a fórumon. Mit tud
kérdezed. Az enyém 35 Volt 4 ampert. Üzem közben méri az áteresztők tok hőhérsékletét és a beállított értéknél kapcsolja a ventiket. Meg néhány nem szoványos dolgot is tud. De Alkotó kihozta belőle az 50 voltot 5 ampert. SALáta relék segítségével sorba , párhuzamosan köti őket- mert, hogy kettőt csinált belőle- És csak Ő tudja mit tud az övé. Tehát lehet az igényekhez igazítani.
HELLO !
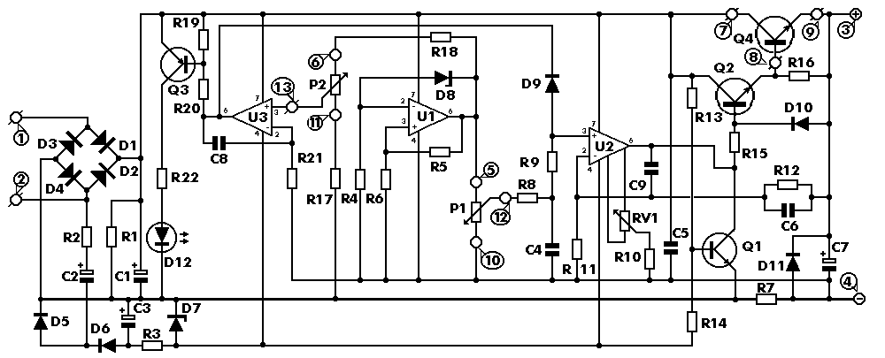
Azt szeretném megkérdezni, hogy ENNÉL a tápnál mire szolgál az RV1-es trimmer. Mit tudok vele beállítani?
Szia!
Finombeállítás arra, hogy a feszültség poti "0" állásánál a kimenő feszültség tényleg 0V legyen. Az áramkör létrehoz egy negatív segédtápfeszültséget magának, mert csak úgy tudja 0V-os kimenetet létrehozni, ha valamihez képest az is pluszban van. Én oda helipot trimmert vettem, és így a műszerem 200uV-os mérési tartományában is 0, +/- 0.1 uV-ot mér ha a feszültség szabályozóval 0-ra állok. Nem kell kivezetni, egyszer kell beállítani és ha nem nyúlsz utána hozzá a többi alkatrészhez, akkor az "örökké" jó lesz.
Az enyém 2x30 illetve 1 ik oldal 45 másik 47 V (osztókon állítva lehetne 50 V is) 2x 5.5 A, vagy 1x 92V 5.5 A vagy 1x 45V 11 A, kettős hővédelem, áram beállítás durva 5 A normál potméter, finom 500mA 10 fordulatú helipot, feszültség beállítás normál potméterrel és 10 fordulatú helipottal helipot átfogása 5 V. Ami jó ha van de én kihagytam a két tartománykapcsolásnál a feszültségosztó ellenállás átkapcsolása más értékre, 2 A méréshatár műszernél, primary, slave táp vezérlés, feszültség és áram kiírása az elsődleges tápon szimmetrikus és párhuzamos üzemben. Mindegy hogy relékkel vagy vezetékekkel köti össze az ember, ez csak kényelmi szempont.
Sziasztok!
Szeretnék kérdezni valamit! Ennél a tápnál mit kell tennem azért, hogy 3 vagy 5A-t tudjon? Köszönöm szépen a válaszokat
A belső elrendezés.
Az egyik panelt ki szedtem a fénykép miatt.2x0-60V.
Hát így elég nehéz mondani valamit, egy rajz többet mondana. Ez 723-al felépített, vagy OPA alapon működő táp, mit tud, szabályozható, vagy fix, áramkorlátos?
Valamit azért írj róla, mert ez kb olyan, hogy sziasztok, van egy ilyenem hogy lehet olyat csinálni belőle? Erre a válasz : így vagy úgy. Üdv.
Időközbe jöttek képek. Nos hát szerintem egyszerűbb építeni egy másikat, mert ennek a trafója sztem nem bírja , a kapcsolás se erre való, és az áteresztő is talán kevés 5A-re, 3-ra esetleg.
Üdv.
Egyetértek, az a 2N3447-es áteresztőtranyó (amiből 2 van oldalanként) kevés a megbízható működéshez magasabb Áram mellett, 60V-on talán a 2,5-3 Amper (folyamatos) kijön belőle, kevesebb fesznél akár több is de nem éri meg játszani vele, ha meg is találod azt az ellenállást ami az áramkorlátot állítja akkor is az áteresztőtranyót cserélni kellene
Szia Doncso!
Köszi a választ! Azt hogy 2-3A-t tudjon azt hogy oldjam meg? Van benne 2db 0,47 Ohm-os ellenállás ami rá megy az áteresztő tranyók Emitterére.Azt kellene cserélnem kissebbre esetleg 0,22 Ohm-osra?Plusz mellette még a tranyókat is ki cserélném BUX98-ra. Vagy mit tegyek szerinted. Építeni nem nagyon szeretnék mert nagyon nincs időm most rá.Ezért szeretném egyszerűsíteni a dolgot. Köszi előre is a választ!
Vagy így vetted, így árulta egy pacák, hogy csak az egyik panel volt benne! De aztán lehet, hogy tévedek!
Akkor tévedsz mert előzőekben le írtam hogy a panelt mármint az egyiket a fényképezés erejéig vettem ki tehát meg van mind kettő!Sőt még pluszba van hozzá még 2db.
Ezek mennek a tranyók emitterére.
Tévedni emberi dolog! De szerintem, ha egyiket használod csak egyszerre, meg lehte erőszakolni, rajzold vissza a panelt és akkor mindenki okosabb lesz! Ha van áramkorlát akkor a 723 csinálja és könnyen kideríthető, hogy mit kell változtatni! A két tranyó birna 7A fejenként (legfeljebb aktív hűtés kellene). Ha meg van két plusz paneled mire vársz kisérletezz, minden alkatrésze könnyedén beszerezhető! Szerintem nem a két a,47 ohm-on méri az áramkorlátot! Nincs ott egy kisebb értékű, de nagyobb teljesítményű ellenállás? De ez csak maszek!
De akkor valószínűleg az egyenirányitó és a puffer is kicsi lesz!
Mondjuk pont a kettő között! Legalább azt írd le milyen alkatrészek vannak a panelen (félvezetők)
Hát igen, ezek az emitter ellenállások, ezek azért vannak benn, hogy kompenzálják, az áteresztők közti gyártás során kialakult különbségeket.
Az az igazság, hogy a trafóról eddig nem esett szó mit tud. Hiába erősítjük meg az áteresztőkel, nagyob bodrit teszünk be, átalakítjuk a panelt, bla bla, ha a trafó nem bírja. Márpedig szerintem ha ez a táp gyárilag ennyit tud, sokkal többet nem valsz hogy kihozol belőle. Szerintem kár ezzel fáradni.
Keress az áramot szabályzó potméterrel sorba kötve ellenállást ha van akkor próbáld meg megváltoztatni (csökkenteni), a 723-as IC az itt a feszt szabályozza nem az áramot szerintem... aztán végülis sokféleképpen meg lehet tervezni egy áramkört.
Azok a tranyók 7A-"névlegesek", folyamatosan 5A-el lehet őket terhelni de mivel a trafó kb 70V-ot állít elő (nemtudom meg kéne mérned), ezért alapból is rengeteget fűtenek el... ha 3Amperrel terhelnéd őket még éppen a határaikon belül lennél, de nagyon melegednének!
Szerintem, pedig a kérdés homályos, amit nem tudunk hány szekunder van, hány gyenirányitó híd és puffer? A két oldal teljesen függetelen-e áramellátás szempontjából! Mert ha nem simán tud a trafó 3A-t egy tekercsen! És sorolhatnám, jellegzetesen az a kérdés ami úgy van feltéve, hogy ne lehessen rá válaszolni, vagy csak találgatni lehessen!
ja hát mondjuk igen, igazad van.
Tisztázni kellene, milyen trafó, mennyi szekunderrel, 2* 3-5A kell vagy csak 1* , igaz, rengeteg a homály!
Nos barátaim!
A következő cuccok vannak a panelen: 0,47 ohm/3w 2db 1 ohm/5w 1db 3,3 k/5w 1db 4,7k/5w 1db IC: MC1458 1db IC2: SG4501N 1db Grécz: B80 C5000/3300 1db BD139 1db kondenzátorok, diódák, kicsi ellenállások. 2db 5k trimmer és leg alul bal oldalt egy E1210 van rá írva olyan mintha tranyó lenne. Előre is köszönöm szépen a hozzászólásokat és a segítségeket remélem lesz belőle 2-3A.
Ja! A Trafó szekunder tekercse 1mm keresztmetszetű annak bírni kellene 5A-t is.Nem?
Ha 5A/mm2 áramsűrűséget engedsz meg, akkor bírja.
De nagyon valószínű, hogy ekkora érték már eléggé felmelegíti majd a vezetéket. Ennek kb. a felével szokás méretezni.
Ok!
Azért írtam, hogy úgy kellene megoldani a problémát, hogy 2-3A-t tudjon ez a fránya táp.
Inkább maradjunk a 2.5A/mm2 nél szerintem is. Az egészséges.
Holnap összeszedjük az adatlapokat, ha van időd rajzold már vissza a panelt Ezzel a SG4501 ic-vel jó megszívtad, holnap még keresek valamit róla atlaszba, van adatlap, de elég gyenge! A graetz-et mindenképpen cserélném egy fémtokos 25A-es típusra, azt legalább lehet hűteni. Gondolom az 1mm átmérő akart lenni! Ez az E1210 mintha nem is létezett volna! Hát ez érdekes lesz! Nekemúgy tűnik, mintha mégegy graetz lenne rajta, lehet ez a segédtáp! Zűrös az egész!
Nem olvasgattam nagyon vissza, de egy két fotót megnéztem a tápodról. Ez egy letűnt kor terméke és alkatrészei. Ami nem jelenti, hogy ne működne, de erősen megkérdőjelezi a módosítgatások értelmét.
Én nem nyúlnék hozzá módosítás szintjén semmiképp. Vagy így hagynám és használnám, vagy kidobnám a belét, és építenék egy "maibbat". |
Bejelentkezés
Hirdetés |





Én oda helipot trimmert vettem, és így a műszerem 200uV-os mérési tartományában is 0, +/- 0.1 uV-ot mér ha a feszültség szabályozóval 0-ra állok. Nem kell kivezetni, egyszer kell beállítani és ha nem nyúlsz utána hozzá a többi alkatrészhez, akkor az "örökké" jó lesz.












