Fórum témák
» Több friss téma |
Fórum » LED-es kivezérlésjelzők
Témaindító: KeserűCukor, idő: Márc 27, 2006
Témakörök:
Én ma készítettem el hozzá a nyák rajzot(vagyis a másik kapcs rajzot),stereo-ban,de egy A4-es lap szélességében más kapcs. rajz is van.
Ha valaki tudja,hogy egy meglévő nyák rajzot hogy lehet egy új board-ra átmásolni,akkor felrakom az enyém ![]() Mondjuk igaza van kovidivi kollégának. "De saját magadnak sem tart sokáig megcsinálni" Már gondolkoztam rajta,hogy akik nyákot kérnek,azok el is tudnak készíteni egy nyákot rajz alapján,vagy csak tudják,hogy "nekem van egy kapcs rajzom,és hozzá egy nyák rajzom is" és itt megáll a dolog Üdv:Tomi
Esetleg ha valakit érdekel kijavítottam,és megadtam az alkatrészek értékeit is.
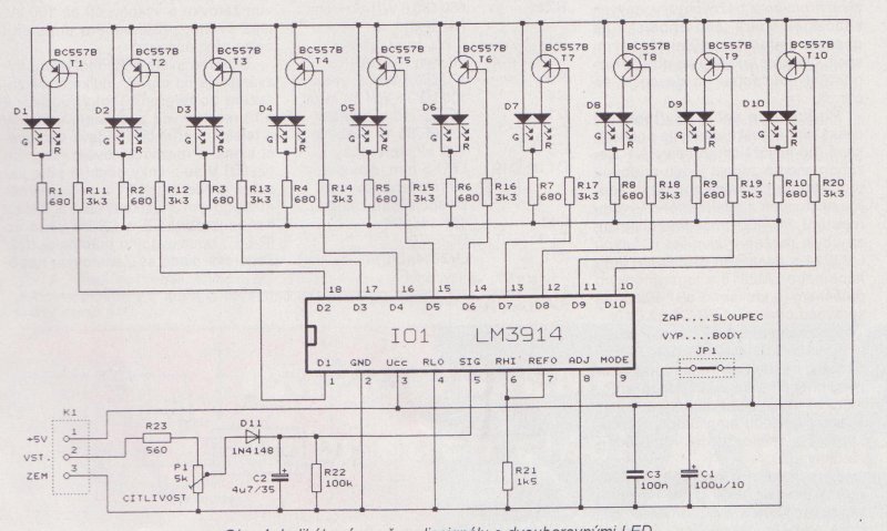
Természetesen a bal oldali nyák a kivezérlésjelző. A P 10K,és P 1.2K felírat a nyákon egy trimmer poti helyei,azért van ott 3 forrszem kialakítva,mert az adatbázisban nem találtam ilyen kialakításút.
A trafó a tápot adná, vagy így akarod mérni a trafó feszültségét?
Köszönöm. Nem piszkálódásból mondom azt, hogy az ember maga csinálja meg, olvasson utána, stb, hanem azért, mert ha egyszer megtanulja, utána már bármikor meg tudja csinálni később is... És az ember életében nem egyszer fog építeni tápot, nyákot tervezni, stb... Ha pedig nincs igazam, akkor vegye meg KIT-ben, és kész. És tök jók lettek a nyáktervek!
Üdv!
Teljes mértékben igazat adok Neked.
Én még egy kit-et sem vettem,bár nyákot sem 20-at terveztem,és készítettem el,de ha szükségem van egy kapcsolásra,azt inkább én készítem el,mert benne van az öröm,a sok munka,és ha kész,működök is,az számomra nagyon jó érzés (és saját elképzelés szerint tervezem,nem a kész kit-re nézek,hogy az úgy nem tetszik)"És tök jók lettek a nyáktervek!" Köszönöm bár ahogy kinyomtattam őket,kicsit eltoltam őket,mert helykihasználás miatt össze-vissza forgattam őket(rotate),és a 2 kisebb nyák feliratai nem fedik egymás összefordítva./de a másik kettő nagyon szuper/
A trafó a tápot adná, de a trafóra stabilizátor is kerülne
Üdv megépítettem a mellékletben szereplő áramkört tökéletesen működik azt kivéve hogy nem tudom kiválasztani hogy DOT/BAR legyen a kijelzés ha a kapcsolóval átváltok a Dot-ra akkor a ledek fény ereje nő meg egy kicsivel.Mi lehet a probléma? (új ic minden új)
Nem váltani kell, hanem lebeghet is a dot-bar láb. Így próbáltad már?
EZT nézted már ha épitessz v mit akkor érdemes utána nézni adatlapoknak márcsak azért is mert lehet rossz is a kapcsolás főleg ha neten
találtad, itt is volt már pár kakukktolyás
Üdv!
Ha lebegtetés alatt azt érted hogy nem kapcsolok semmit sehová akkor úgy már próbáltam nem változik semmi.
Lehetséges hogy rossz, a forrás itt vanBővebben: Link
Üdv mindenkinek!
Elkészült a 2szinű ledes kivezérlésjelzőm. Alapban zöldet világit állandóan a 10 led egyik fele és a másik felét pedig a zene vezérli ami piros és a zene hatására átvált zöldből pirosra. És két módban tud villogni.
Nagyon jól néz ki!
Szívesen megnéznék egy videót is a működéséről!
Nem sárga lesz a keveréséből? Vagy olyankor a zöld kioltódik? Egyébként ötletes! Grat!
Hát hogy mi lesz a zöld részével a lednek nemtudom mert szerintem az nem alszik ki mert állandó áram megy rá. Csak mondjuk nekem szerintem egy kicsit lassú a reagálása.
de hát kinek hogy Hát videót majd lehet hogy készitek róla de hogy mikor azt még nemtudom.
Ha lassú, akkor a megfelelő kondit csökkenteni kell. Felrakod a kapcsolását? Köszi, Üdv!
Király
ennél már csak az lenne jobb ha az egyik csatorna zöldet a másik pirosat világitana és szemben futnának egymással
Aha értem, mondjuk én is már gondoltam rá hogy a kondit kell valamelyiket módositani (csak még nem akaródzott vele játszadozni.)
ÉN mondjuk közös anodos leddel csináltam volna tranyo nélkül meg a 3.3k se kellene
ÉS a panel is kissebb lenne de ha valahonnan nézted a rajzot akkor bocs VALAKINEK elkenvetése ![]()
A 4u7-et kell csökkenteni. Próbáld ki pl. 1µF-dal vagy kisebbel
Amelyik jobban tetszik, azt hagyd benne, és köszi a kapcsolást!
Hello!
Ez a kérdés, már máskor is előjött itt. Át tudod váltani, csak nincs átgondolva a működése. Tekintve, hogy a hangfreki váltó feszültség és a kijelző előtt nincs egyenirányító, így a kijelző a váltófeszültség félperiódusát mutatja (követi). Mivel a feszültség nulláról indul a csúcsértékéig, közben átsöpör az egész köztes feszültségen. A pont kijelzés, meg követi. Ezért gyakorlatilag ugyan azt látod, mint az oszlop kijelzésnél, csak kevesebb fényerővel. Mert miközben a feszültség áthalad egy adott Led jelzési tartományán, a Led csak ezen idő alatt világít. (míg a feszültség a két egymás melletti két Led kapcsolási tartományban van) Ellentétben, az oszlop kijelzéssel, ahol a Led addig világít, míg a jel pillanatnyi feszültsége magasabb mint a Led (műveleti erősítő) komparálási szintje. Ez viszont sokkal tovább tart. üdv! proli007
Helló!
Köszönöm a felvilágosítást!(már legalább 100% ig értem a működését) Ha jól gondolom akkor valahogy egyenirányítani kellene a jelet? Ezt hogy tudnám megoldani diódahíddal ?? Ha rossz helyen tapogatózok szóljatok!
Hello!
Ha dióda hidat használsz, akkor külön táp kell a kijelzőknek.. Tehát elég egy egyutas, mint kb. 7 hozzászólással feljebb látható. (Persze ez után el kell dönteni, hogy a kivezérlés csúcsértéke érdekel, vagy a kalimpálás..) De nem mindegy, hogy mire kötöd. Mert a végfok kimenetén van elég jel és kicsi a kimenő ellenállása. Ha viszont Line bemenetre kötöd, akkor gond lesz a dióda nyitófeszültségével. Akkor lehet elé aktív csúcs-egyenirányítót kötni. üdv! proli007
Kipróbálom csökkenteni a kondit.
A kapcsolást meg szivesen osztom meg mindenkivel. |
Bejelentkezés
Hirdetés |





(és saját elképzelés szerint tervezem,nem a kész kit-re nézek,hogy az úgy nem tetszik)
találtad, itt is volt már
pár kakukktolyás

de hát kinek hogy
ennél már csak az lenne jobb ha az egyik csatorna zöldet a másik pirosat világitana és szemben futnának egymással

ÉS a panel is kissebb lenne
