Fórum témák
» Több friss téma |
Hali
Keszitettem egy vu metert de az a baj hogy csak 3V-al mukodik es nekem az erosittom 15V- al hogy tudnam megcsinalni hogy a 15V-ra ra tudjam kotni mit kenne elejebe tegyek mijen ellenallast vagy valamit ha valaki segitene megkoszonnem!
Sziaztok!
Én egy tranzisztoros vu metert, szeretnék.. kiszedtem egy rossz deck-ből.. De sok fölösleges dolog van rajta. (audio konfiguráló gombok, és potik...) és sok csatlakozó van rajta... ki szeretném szűrni, és a segítségeteket kérem! tranzisztorok típusa: A1309 kapcsolást szeretnék. köszönöm!
Sziasztok!
Böngésztem, de nem igazán találtam megfelelő kapcsolást, VU meter ügyben. Olyan kellene nekem, ami legalább 20 led csatornánként. De ez a minimum. a 30-40 ledes jobb lenne. Pontos kivezérlés mérésére és beállítására kellene. Gondoltam az lm3914-3915 jó lenne erre a célra. Esetleg az oldalon megtalálható LED soros hőmérőt át lehet alakítani ilyen célra? Köszönöm.
Kérem szépen a moderátort, hogy legyen kedves és helyezze már át a kérdésemet a "LED-es kivezérlésjelző" nevű topikba.
Köszönöm.
Hali!
2db LM3914 tud 20 LED-et is vezérelni, nézd meg az adatlapját, van benne sok alkalmazásra még kapcsi!
Sziasztok,
szeretnék építeni egy VU-méter panelt és segítséget is kértem a szomszédtól, aki fiatalabb korában foglalkozott ilyesmivel, adott egy ledes sztereo vu métert, amin 2 sor led van, egy régebbi román gyártmányú erősítőből lett kiszerelve. Mondta, hogy az egyik IC rosz benne, lemérte nekem, h melyik, mondta h vegyem meg, bár olyat már nem találok, de van helyetesítője és kicseréli nekem rajta. A boltban persze nem volt, és nem is tudta az eladó, mivel tudnám helyetesíteni ... az IC kódja B L 108 (a B az béta). Szóval a segítségeteket kérem. Képet csak holnap tudok felrakni ha kell, ma le volt merülve a gépezet.Válaszotokat előre is köszi!
Sziasztok!
Nagyon kezdő vagyok. Szeretném ha segítenétek. Nem tudom hogy ezen a kapcsolási rajzon mit kell a GND-re kötni. A 12 volt negatívját? Előre is köszi
Igen, de elég lenne 9V is szerintem.
Az lenne a problémám van nekem ey Sony TC-186SD magnó deckem, ezen két analóg VU méter van. A tünet: mozognak de szerintem csak kis mértékben, ugyan arra a felvételre a másik deckem led-es Vu-ja már majdnem kiakad mire ez csak kicsit mozog. Mi lehet a gond és ezt hogy lehetne kezelni!!
Hello!
Ez lejátszásnál, vagy felvételnél van? Mert ha a lejátszás, akkor lehet valami gond (és általában belül lehet trimmerrel állítani). De ha felvételnél, akkor lehet az is, hogy más-más érzékenységű a két magnó bemenete. üdv! proli007
Lejátszásnál (felvételt nem is próbáltam még). Amatőr is eltudja végezni ezt a műveletet vagy inkább szakira bízzam?
Hello!
Felvételt kellene készíteni mindegyikkel, majd a sajátját lejátszani, és megnézni, mekkora volt a felvételi és lejátszási szint. Ez után kicserélni a két kazettát és úgy lejátszani és megnézni a szintet egymáshoz képest. Csak ez után érdemes hozzá nyúlni, és csak akkor, ha kicsi az eltérés. Mert a két magnó felvételi szintje, nem biztos, hogy azonos. Ha meg nagy az eltérés, lehet nem a beállításnál van baj. Akkor pedig olyan kell hozzá, aki érti is hogy mit csinál. üdv! proli007
Sziasztok!
Megépítettem a mellékelt kapcsolást. Működik is, de csak akkor világít rendesen ha teljesen felhangosítom a lejátszót. Az lenne a kérdésem lenne hogy ,hogy lehetne az érzékenységét állítani? Üdv.
Sziasztok!
Utánna néztem a dolgoknak. Műveleti erősítővel nem lehetne felerősíteni a jelet? Ha igen valaki betudná jelölni a mellékelt rajzon hova kell kötni? Előre is köszi
Hello!
- Az erősítő fokozatot a bement elé kellene kötni. (De nem elég csak bebiggyeszteni az áramkörbe a műveleti erősítőt..) - De előbb próbálj meg a 6. lábbal sorbakötni egy 10kohm-os ellenállást. Ezzel a referencia feszültség a felére csökken. Ha az IC-nek ez megfelel, 6dB-el érzékenyebb lesz. (Tehát ha eddig csak az utolsó 4db. Led égett, most mind fog.) Ja nem kell egy rajzot többször feltenni, főleg nem két egymást követő hozzászólásban.. üdv! proli007
Hello!
Nagyon szépen köszönöm. Működik, a 6os lábra kötöttem egy 10kohm-os ellenállást. Köszi!
Üdv!
Van egy deckből kiszerelt analóg VU méterem és egy Genius SP-Q06S PC hangszóróm. Ha lehetséges, hova kell kötni a VU metrer-t? (Képet nem tudok küldeni a nyákról.)
Hello!
Ha valami egyenirányítóféle is van a műszerhez, akkor a hangszóróra. üdv! proli007
Sziasztok!
Megépítettem az adatlapban lévő 3915 és 3916 ből -40dB től +3dB -es VU metert. A bemenetre nem tettem egyenirányítót igy elég gyorsan ugrál a fényjelzés. Az a bajom vele, hogy nagyon melegszik az IC. Közepes hangerőnél a 3915-ös szinte állandóan világít, ezért nagyon melegszik az IC. Ha "dot" modban használom akkor az utólsó előtti led szinte mindig világít mindkét IC-nél, bár igy nem mekegszik annyira mivel nem világít annyi led. (sima 10ft-os 5-ös ledekkel)
Sziasztok lenne egy vu meteres kerdesem ha lehetseges?Megpedig kaptam egy vu metert es beszereltem az erosiobe,a vu meternek kulon tapja van(laptop tap 24volt 1amper)a jelet a hangfal kimenobol kapja mert a bejovo jel nagyon kicsi,na es amikor halkan megy a zene kb10% akkor normalison villog a sztereo vu meter de amikor felhuzom siman vilagit.Gondolom egy ellenallas kellene a hanfal kimenet es a vu meter bejovo jele koze,csak nem vagyok tisztaban az ilyen elotet ellenalasok kimereseben.Esetleg valaki tudnae segiteni kb hany ohmosat vagy kilost tegyek be.
Hello!
Sajnos az IC-nek magas a disszpációja, az indokolatlanul magas tápfeszültség miatt. 12V tápfeszültségen, ha még a Led kb. 2V nyitófeszültségét levonva is az IC-re kb 10V jut. 12mA Led-áram és 10db Led esetén, ez már 1,2W hőt jelent. Az IC-tok maximális disszipációja viszont , még az 1W-ot sem éri el. A legegyszerűbb megoldás, ha a Led-ek anódját leválasztod a plusz tápfeszültségről, és a kettő közé, egy megfelelő értékű ellenállást teszel sorba. Természetesen egy stabilizátorral, vagy más megoldással is lehetne csökkenteni a Led-ek tápfeszültségét. Akkor választod meg helyesen az ellenállás értékét, (amikor az összes Led ég) ha az IC Led kivezetésein minimálisan 4V feszültség. 12V tápfesz és 12mA Ledáram esetén, ez kb. 47ohm/1W-os ellenállst jelent. Az IC-ben áramgenerátorok vannak, tehát attól, hogy a Led-ekre jutó feszültség változni fog, a Led árama nem változhat. Viszont a termelt hő menyisége megoszlik az ellenállás és az IC között. (természetesen ezt külön-külön kell megtenni minden IC-nél.) üdv! proli007
Hello!
Nem tudni, milyen a VU méter érzékenysége, és az erősítő teljesítménye (kimenő feszültség maximuma). De nem előtét ellenállás kell, hanem egy feszültségosztó, mivel le lehet osztani a végfok kimeneti feszültségét. Ez mindössze két ellenállásból áll. De lehet a Te esetedben pld. egy ellenállás és egy potméter (pld. 1kohm-os trimmer) lenne a legcélszerűbb és ezzel beállíthatóvá válna a szükséges feszültség a VU méter számára. üdv! proli007
Hello!
Közben én is rájöttem, mert figyelmesen elolvastam a pdf-et és irja, hogy a Vled<7V a jelentős disszipáció végett. Ugy gondoltam leviszem az egész tápfesz-t 5V-ra így nem kellenek az előtétellenállások. Már csak azon gondolkozom, hogy a ref fesz a második ICnél 7,89V (lsd. kép). Ha a tápfesz 5V akkor a komparátor bemeneteknél, hogyan lesz meg a 7,89V, mert az nagyobb mint az 5V? Változni fog emiatt az érzékenységem(ha ut 12V- > 5V ) ? Ha változik akkor a ledekre rakok egy 5V stabot az IC meg marad 12V on ?Bár jobb lenne az 5V-s táp csak.. megj: Nem értem az adatlapban a 7,89V ref fesz kiszámitását Vref = 1,25*(1+R2/R1)=1,25*(1+9,09k/1,91k)=7,19V -re jön ki nekem ??
Hello!
Jól számoltál. Annyival lesz még kicsit nagyobb a referencia feszültség, hogy a REF-ADJ lábon még kifolyik egy kis áram (Adjust Pin Current ami itt 75..120uA), ami a szabályzó vezérléséhez szükséges, és ez is átfolyik a 9.09kohm-os ellenálláson. Ezzel megemelve kissé az ADJ láb feszültségét. A tényleges referencia, pedig a két ellenálláson eső feszültség összege. 75uA árammal számolva ez még kb. 75uA*9,09kohm=0,68V. Így a tényleges referencia feszültség, 7,19V+0,68V=7,87V (De a belső referencia feszültsége is 1,2..1,34V között mozoghat...) Viszont a múltkor nem írtam, hogy itt valami kis árulás van. Mert a Leden átfolyó áram, kb. A REF-OUT és a REF-ADJ láb között lévő ellenálláson átfolyó áramnak tízszerese. Itt a 3915-nél ez az ellenállás 750ohm, míg a 3916-nál 1,91kohm. A 3915-nél 1,25V/750ohm=1,66mA és ennek tízszerese kb. 16mA A 3916-nál 1,25V/1,91kohm=0,65mA melynek tízszerese kb. 6,5mA Tehát a két IC között, jelentős Led-áram különbség van. Ráadásul, az alsónál, ami - mint mondod - szinte állandóan ég. Gyakorlatilag nem szabadna a Led áramnak 12mA fölé menni, ami a referenciánál 1,2mA-t jelentene. Tehát a két referenciapont közötti ellenállás nem lehetne kisebb, mint 1kohm. (Jellemzően 1,2kohm-ot szoktak alkalmazni.) De ez így is 12V mellett már 1,2W disszipációt ad a maximális 1,36W mellett. A referencia feszültség értéke az adatlap szerint nem haladhatja meg a tápfeszültség-1,5V-ot. Ez 5V tápfeszültség mellett csak 3,5V lehetne. A dB-es kijelzés miatt, elég nagy a skála átfogása, így az LM315-re már igen kevés (RHI-RHO) referencia feszültség esne. Nem biztos, hogy ezt még logaritmikusan leosztva, megfelelően működnének az alsó komparátor áramkörök.. üdv! prolli007
Szia!
Köszi. Ha az IC nek 12V-t adok és a ledeknek 5V-t az jó nem? Az nem befolyásol az áramgenerátoros meghajtáson semmit ugye? Az ellenállás értékeket átszámolom ennek tükrében. A ref áram x10-re folyik a ledeken azt az adatlapban találtad?
Szia!
Közben megtaláltam én is az adatlapban hogyan függ R1 és R2 értékétől a ledáram. Nagyjából jó a x10, de megvannak a pontos képletek. Bár a két képletben van némi eltérés. Az elsőben 2,2k-val osztja a Vref-t a másodikban R1 számításánál már csak 1k-val. Most akkor melyik a helyes? Elvileg ugyanaz a képlet csak másra van rendezve. Én a 2.2k-ra voksoltam. A Vref állításával 5-8V -os tartományban 9-11mA a led áramok, szerintem az elhanygolható változás. Az első Icnél miért adhattak meg 0,75k azt én sem értem. De nagyon kiváncsi vagyok ra! Lehet kicserélem 1k(13mA)-1.2k(11mA)-ra. Az ICnek meghagyom a 12V-t a Vlednek meg 5V-t adok. Ez nem befolyásol semmit a ledek áramgenerátoros meghajtásán semmit ugye? A fenti képletek ugyanúgy megmaradnak.?
Szia!
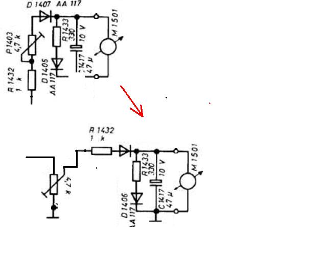
Zavar hogy amikor zene szól akkor akkor mondjuk 3 led villog viszonylag rendes fényerővel ahogy a mély szól de ettől még további 3ledre lévő ledek is pislákolnak egy kicsit. Arra gondoltam, hogy egy egyenirányítóban lévő RC taggall megfogom a gyors változásokat. Az Orionban lévő műszer egyenirányítóját építeném meg egy kis modosítással. Arra lennék kiváncsi, hogy a második dióda miért kell? Szükséges egyáltalán a dióda bele vagy elég ha csak egy 47u-os kondit teszek az osztóm után? (a depreznek kellettek csak a diódák hogy ne menjen a negatív tartományba, a 391x-nek nem kellenének?) |
Bejelentkezés
Hirdetés |




al hogy tudnam megcsinalni hogy a 15V-ra ra tudjam kotni mit kenne elejebe tegyek mijen ellenallast vagy valamit ha valaki segitene megkoszonnem!














