Fórum témák
» Több friss téma |
Fórum » NYÁK-lap készítés kérdések
A témában nincs helye a nem szakmai indíttatású vitáknak, ezért a szabályszegést elkövetők azonnali figyelmeztetés nélküli kitiltásban, vagy némításban részesülnek. Ugyan így járunk el azokkal szemben, akik "blog"-nak nézik a fórumot. Ezt mindenki tartsa szem előtt!
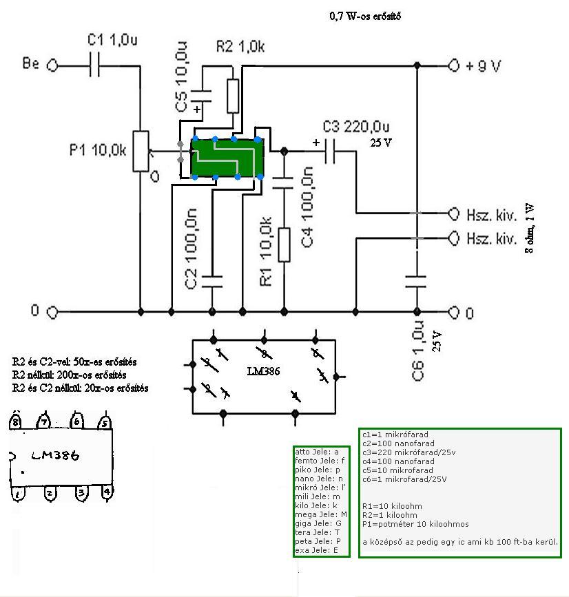
Idézet: „MucroFarádot jelent?” atto Jele: a femto Jele: f piko Jele: p nano Jele: n mikró Jele: μ mili Jele: m kilo Jele: k mega Jele: M giga Jele: G tera Jele: T peta Jele: P exa Jele: E csak hogy tisztába légy ezekkel is egyébként szerintem az u=μ ebben az esetben Javítva a μ jele. Moderator
Most mentem el de már megint nemtok vmit..:S
ugyevan ez a rajz..és a jobb felső sarkán van a + bementi rész..d eholvan a - mert van egy 0 jelzés jobbalsó sarokban van egy a balalsó-ban és van egy "Be" szó a balfelsőben.. : ezek közül még csak a jobb felsőttom tutira h mi.. :S
Most néztem h potméter kb 1000-2000FT-között mozog...de láttam ugyanúgy 10K-at is..37000-ért
Hol nézted????
LomEX: 06-00-99 10K . LIN MONO D=6 (PIH) PC16HLE6 CARBONFILM CSAV. RoHS 100 164 200.0000 06-01-80 10K . LIN MONO D=6 FOGAZOTT TENG. D=17 FÉMHÁZAS 100 233.3300 06-01-26 10K . LIN MONO D=6 FOGAZOTT TENG. D=17 FÉMHÁZAS 41 RACSNIS 100 350.0000
http://www.dspsystem.hu/index.php?m=400&K=384&ak=160&akmn=Potméter <<--iit de mér?!?! olcsó????
Am szted h amegmutatom kaocs rajzot az eladó-nak akkor sztem kiigazodik rajta h mit is kell hozzá vennem...nem?!?!
Kedves Norbeee!
lehetőleg NE OFFOLD szét még jobban a topikot! a KEZDŐ KÉRDÉSEIDRE EZ A TÉMA felel meg, kérlek ott folytatni! üdv
Nemtommér kell leugtani..ha a többeikrendesek és segítenek nemtom mért kell kiüldözni
AM se kérdez most senki..és am is ők tudják az elejétől kezdve a kérdéseimet..és "átlátják" h mit akarok.....
NEM kiüldözni akkarlak!
NEM leugatni! CSAK figyelmeztetlek! egy Idézet: témának miköze egy 0.7W os erősítőhőz??„NYÁK készítés kérdések” üdv :pias: ui: én is rendes vagyok! Akkár törölhettem volna a hszkat is ekkor rendetlen lennék :yes:
Én pont 15-20 percig szárítom (ez van ráirva) és utána egy kb dupla olyan sűrű előhívóban előhívom.
Ha jó a fény forrás (mostanában nem :no: ) akkor elsőre sikerül...
értem,. mivel szárítasz?
Én sűtő be. fényforrás nálam hmli 160W, ez eddig is jó volt.
Én pl. hőlégfúvóval szárítottam. Nekem bevált, csak 2 dologra kell figyelni:
1. Folyamatosan mozgatni kell a fúvót! Ha egy helyre koncentrálódik a hő, akkor felhólyagzik a lakk, vagy - ha még folyós állagú, akkor - elfújja onnan, elvékonyszik a réteg. 2. Nem szabad nagyon meleg levegőt fújni rá, mert szintén felhólyagosodik a lakk. Kis gyakorlattal simán meg lehet így szárítani, és szép mintázatot lehet vele levilágítnai. Nálam is 160 W-os HMLI lámpa a féynforrás, 15 centiről kb. 10-12 perc világítás, és kevésbé higított előhívó, mint a gyári előírás. Közben ecsettel finoman simogatva a felületet szépen 1-2 perc alatt előhívódik a minta.
9v+ az a bementi fesz + része , jobboldalon a 0 az a bemeneti fesz negatívja baloldalt a bemenet aza bemenet +része és alatta már gondolom te is tudod hogy az a bemenet negatívja...
potiban pedig de döntessz melyiket veszed...mert ha mondod az eladónak hogy neked kell egy 10 kilo ohmos poti akkor ő vissza kérdez hogy tengelyeset vagypedig csavarhúzóval állíthatót szeretnélbár szerintem az a 3700 ft kicsit irreális...egyébként mért nem egy tda-erősítőt csinálsz?annyira nem bonyolult...én is azt csináltam...már csak a próbára vár
Csináltam légkeveréses nyák szárítót.
Kb 50-60 fok lehet benne...
Szevasztok
A fényérzékeny nyákot nem lehetne "megvilágítani" esetleg vakuval? Úgy mint a fényképező gépeknél, ha nincs elégendő napfény akkor jön a vaku. Nem vagyok nagy fotószakértő, de ha jól tudom csak a vaku alkalmas arra hogy jó legyen a kép sötétben is, a sima lámpa nem (állandó megvilágítás esetén sem), ezért sikerül némelyik kép sz@rul ha sima lámpa mellett készül, és nincs használatban a vaku. Ha hülyeséget mondok, akkor elnézést hogy itt okoskodok.
OLYAT AKARTAM..de vayn 1-2 ábra amit nemértek h milenne..:rinya: szal... így elég homylos..ez világosabbnak tünik
de THX IGENIS FŐNÖK remélem
Hali!
Az a helyzet, hogy a vaku jó is lehetne, mer ponszerű és erős a fénye.De mindezek hiába, ha nem sugároz uv-t. Bár én még mindíg maradok a vasalónál...
NYÁK készítésével kapcsolatban!!!
EZEN a rajzon a csomópontok a vezetékek összeéréséneiél..azt jelentik hogy ezek valóban "egymáson" futnak???
a csomópontoknál csatlakoznak a vezetékek. máshol nem, max az alkatrészeknél.
A csomópontoknál lévő pont azt jelenti, hogy ott össze van kötve (forrasztva). Ahhol meg nincs pötty ott nincs össze kötve.
Hali!
Igen.Minden kapcsolási rajzon a csomópontok azt jelentik, hogy a vezetök nem egymás fölött vannak,hanem a csomóponta futnak be. Ez már sokkal inkább neked való kapcsolás ui.:Milyen technikávan akarsz Nyákot készíteni?
Ez tuti?
És azt is tudod, milyen %-ban? Nem hiszem, hogy olyan magas%-ban, mer akkor napszemüvegben megyek fénypépészhez
Tutti. Fogalmam sincs hogy hány %-ban sugároz. De 1 nagyon rövid idejű villanástól nem lesz bajod, csak ha belenézel a vakuba és homályosan látsz egy darabig
. De szerintem elég magas %-ban sugározhat, nem hiába használják fényképező gépekhez. Ezért gondolom hogy strobival mehetne a dolog.
nekem ami legjobban bevállt:
üvegszálas nyák lemez,gyorsmaró,akrillian lakk,sima A4-es lapra nyomtatva a nyákrajz és azt felvasalni,lehűteni és utánna gőzfelett leszedni a paírt.Ha nem elég jó a kontraszt akkor alkohols filccel javítok.maratás után a lakkot ráfújom de csak éppen annyit hogy elterüéjön.Mert ha sok akkor "hólyagos" lessz. várok vele kb. 3-4 percet és rámelegítem hőlégfúvóval a legmagasabb fokozaton.Ajánlatos egy papír lapot alá tenni mert inkább az barnuljon mint az asztal utána kifúrom a lukakat 1-es furóval és kész is a nyomtatott lap.próbáltam már lványos fúróval is fúrni a lukakat de nekem az nem jött be.Erre fogtam fater akkus fúróját és avval megpróbáltam...szerintem evvel is nagyon precízen lehet dolgozni..
És mivel szeded le a tintát?
Én is vasalom a NYÁKot de valahogy olyan jól rátapad a tinta, hogy aztán nem akar lejönni semmivel.(mosogató szer,szappan,benzin,hígító...stb)Ezek nem vitték le. Jól néz ki a fekete NYÁK,meg a tinta betölti a lakk szerepét is, de baromi nehéz rá forrasztani.
Nekem nincs hozzá cuccom, én nem tom kipóbálni.
Előtted a lehetőség. De ha müxik akkor írd már be, hogy milyen lett. Negyon érdekel. |
Bejelentkezés
Hirdetés |




márnagyon okos leszek..vagyis majd az eszek..


. De szerintem elég magas %-ban sugározhat, nem hiába használják fényképező gépekhez. Ezért gondolom hogy strobival mehetne a dolog. 