Fórum témák

» Több friss téma
Fórum » Induktív led meghajtás - másképp
 
Témaindító: Dock, idő: Jan 20, 2010
Témakörök:
Lapozás: OK   1 / 1
(#) Dock hozzászólása Jan 20, 2010 /
 
Ezzel az új témával most vagy le leszek hülyézve, vagy talán sikerül egy kicsit elgondolkoztatni a szakembereket....
Röviden: létezhet-e olyan megoldás, amellyel induktívan (egyéb elektronika nélkül) lehet ledet meghajtani. Hogy egyszerűbb legyen a példa: adott pl. egy panelház, és a fürdőszoba kapcsolója, amelybe egy led lenne beépítve, ami akkor világít, amikor az izzó is (zárt állapotban van a kapcsoló). Itt ugyebár nem lehet külön szálat bekötni, ezért 1 szál (a kapcsolószál) által adott induktivitást kell(ene) kihasználni a led meghajtására. Tehát a legnagyobb problémák: plusz szál bevitele képtelenség, továbbá trafó, egyéb "kütyü" mérete korlátozott a dobozban.
Remélem, nem fölöslegesen nyitottam új témát.
Köszönettel várom az építő és kritikus hozzászólásokat!
(#) gg630504 válasza Dock hozzászólására (») Jan 20, 2010 /
 
Én egyszerű izzóval oldottam meg. Például 40 wattos izzón 0,17 amper folyik át. Egy 0,2 amperes, például 3,5 voltos izzót kötöttem sorba az eredetivel.
Olyan sönt kell, amin eső feszültség megegyezik a LED nyitófeszültségével. Pl. ha a LED nyitófeszültsége 1,7 volt, akkor 0,17 amperhez 10 ohm. Ezzel kell párhuzamosan kötni a LED-et. Ez persze effektív érték, csúcsban több, ezért sorba is kell vele ellenállás.
(#) kendre256 válasza Dock hozzászólására (») Jan 20, 2010 /
 
A kapcsolóhoz menő huzalból tekerj egy menetet egy picike toroid magra. A toroidra tekerj még sok-sok menetet valami vékonyabb huzalból, az azon megjelenő váltakozó feszültséget egyenirányítsd, majd kösd rá a LED-et egy ellenállással.
(#) tiggersoft válasza Dock hozzászólására (») Jan 20, 2010 /
 
Kapcsolóval sorbakötött mini trafó?
Néhány menet 1mm-es primer, 20-30 menet szekunder, egyenirányitás,előtétellenállás.
DE ebben majd pontositanak ...
(#) Lacika hozzászólása Jan 20, 2010 /
 
3-4 dióda sorba. Led ellenállással paralell hozzá.
(#) kendre256 válasza Lacika hozzászólására (») Jan 20, 2010 /
 
A diódákat antiparalel kellene párosával kötni (és ilyenekből kellene legalább 4), különben fele teljesítmény jutna a lámpára, a LED pedig eldurranna.
(#) Lacika hozzászólása Jan 20, 2010 /
 
De még jobb, ha beteszel a kapcsolóval sorba egy bidirectional transyl-t, mondjuk 3V-osat, ezzel párhuzamosan led az ellenállással.
(#) Lacika válasza kendre256 hozzászólására (») Jan 20, 2010 /
 
tudom, reméltem ő is tudja
(#) Rober_4 válasza (Felhasználó 15355) hozzászólására (») Jan 21, 2010 /
 
Nem lehet, hogy zéner diódára gondolt? Valahogy így?Bővebben: Link
(alsó kapcsolási rajz)
(#) kadarist válasza (Felhasználó 15355) hozzászólására (») Jan 21, 2010 /
 
Szia!
Kétirányú tranziens szupresszor dióda. Gyakorlatilag két szembefordított nagyfeszültségű gyors Zener-dióda, egy tokban. szupresszor
(#) Hp41C válasza kendre256 hozzászólására (») Jan 21, 2010 /
 
Sziasztok!

Ezt a megoldást áramváltónak hívják. Minden esetben biztosítani kell, hogy a szekunder köre zárt legyen. Felnyitott szekunder kör esetén a kivezetések között nagyon nagy feszültség jöhet létre !!

Ebben a kapcsolásban egy ellenállás kell a szekunder kapcsok közé, ezzel párhuzamosan jöhet a LED és az áramkorlátozó ellenállása. Meg kell akadályozni, hogy 5V-nál nagyobb zárófeszültség jusson a LED-re.

Legyen a fürdőszoba világítás 60W, ekkor az áram 0.26A. Ha az áramváltó áttétele 1:10 (1 menet a primer - 10 menet a szekunder), a szekunder áram 0.026A. Az eredő 15 ohm -os szekunder ellenálláson 4V-ot hoz létre. A LED nyitófeszültsége 1.5-1.8V (a színétől függ), 10mA áramhoz az előtét ellenállás 430 ohm.

A legjobb, ha két LED-et antiparalell kötsz párhuzamosan - vannak polaritásfüggetlen LED-ek is - , de a második lehet normál dióda is.

Szerelésnél vigyázni, az áramkör minden pontját hálózati feszültség alattinak kell tekinteni. A kivitel vízálló legyen (vizes kézzel is kapcsolhatják).

Szia
(#) juppi hozzászólása Jan 21, 2010 /
 
Nem tudom idevág-e, de olyant kérdezek, hogy:
A WC vagy fürdőszobai kapcsolót át lehetne-e buherálni úgy, hogy amennyiben valaki bent van (elvileg ilyenkor ég a villany, bár egy mozgásérzékelő jobb lenne, de nem olyan bazi nagy) akor piros LED világít, ha meg nincs bent senki, akkor a zöld LED világít?
(#) damkodav hozzászólása Jan 21, 2010 /
 
Nem jó mulatság szerintem nedves helyiségekben ilyenekkel szórakozni.
Galvanikus leválasztás nélkül kb életveszély.
Nem tudom amúgy mi értelme ennek, de biztos jó dolog világít egy izzó és egy kapcsolóban egy led.
Annak azért több értelme van amit már több gyártó is alkalmaz amikor le van kapcsolva akkor egy kis glimm lámpa pislákol az nem eszik áramot sem.
Bár ti tudjátok
(#) gabi20 válasza juppi hozzászólására (») Jan 21, 2010 /
 
Egyszű infravörös kaput kell építeni.
Ha valaki beül a WC-re,a fény megszakad.
Ha érdekel keresek egy rajzot,de szerintem a neten te is találsz.
(#) proba válasza damkodav hozzászólására (») Jan 21, 2010 /
 
Ha a kapcsoló kívül van ,szerintem jó dolog lehet a led.
A glimlámpát az energiatakarékos égők- bár ezeknem tudom mennyire fürdőbe valók- meg a ledes lámpák sem szeretik.(villognak ill kis fénnyel világítanak.)
(#) juppi hozzászólása Jan 21, 2010 /
 
Vannak olyan kapcsolók, amelyek irányfénnyel vannak felszerelve, hogy a sötétben megtaláld őket.
Akkor mi a búbánatos francért nem tudnak gyártani ezek a gagyi gyártók olyan kapcsolót, amelyik természetesen kint van, mert a fürdő és a WC kapcsolója kint szokott lenni, és piros meg zöld fénnyel jelzi, hogy va-e bent vki vagy nincs?

Nem is értem, hogy ennek a sok id ..a mérnöknek eddig ez, hogy nem jutott eszébe?
nem a szerencsétlen fogyasztónak kell barkácsolni, hanem legyen ilyen termék.

Annyi idióta mérnök van, hogy az nem igaz. Semmi fantázia, kreativitás, innovációs készség. és még csodálkoznak, hogy Magyarország nincs sehol.
(#) Hp41C válasza juppi hozzászólására (») Jan 21, 2010 /
 
Szia!

A piros megoldását leírtam itt.
A zöld ledet - amivel antiparalell egy dióda van kötve - a kapcsoló két pontja közé lehet bekötni kapacitív és / vagy rezisztív áramkorlátozással. Külön topik szól róla. Amikor a kapcsoló zárt a zöld led nem világít, a piros világít, amikor a kapcsoló nyitott (minimális áram folyik) a piros nem világít, a zöld világít (az izzó ellenállása nem számít, az átfolyó áram nem világosítja ki).

Szia
(#) juppi válasza Hp41C hozzászólására (») Jan 21, 2010 /
 
Te nem érted, amit írtam?
Ne nekem kellejen ilyen alapvető cuccot barkácsolni, hanem a villamoscikkeket gyártó cégek csinálják ezt meg.
(#) juppi válasza Hp41C hozzászólására (») Jan 21, 2010 /
 
Milyen hülyeség az, hogy a megoldás függ az izzó teljesítményétől?

Itt gyakorlatilag egy külön kis áramkörre van szükség, amelyben van egy trafó és egyenirányító, és amikor a kapcsoló BE állásban van, akkor felgyújtja a piros ledet, és amikor KI állásban, akkor felgyújtja a zöld ledet.

Ez tehát külön cucc, nem függ a fő áramkörtől, amely a villanykörtét intézi.
(#) Hp41C válasza juppi hozzászólására (») Jan 21, 2010 /
 
Szia!

Az eredeti probláma kiírásnál az szerepelt, hogy csak a kapcsolóhoz menő két vezetékhez lehet valamit is hozzákötni, ugyannak a kapcsolónak kellene működtetni a helyiség világítását is, továbbá, hogy a helyigény sem lehet túl nagy....
Ha a nullához és a fázishoz valamint a kapcsolt ághoz is hozzá lehetne férni, egyszerűbben is meg lehetne oldani....
Az a bizonyos áramváltó természetesen az áramot transzformálja....

Szia
(#) juppi hozzászólása Jan 21, 2010 /
 
Ez egy külföldi megoldás, bár bonyolultabb, mint amiről én írtam, igazi szemafor.
(#) Sarok Adrián hozzászólása Jan 21, 2010 /
 
OFF
Nálunk nem kell lámpa, ugyanis az egész ház járólapozva van, így mindenki papucsot használ. A fürdőszobába tilos papuccsal bemenni (a fehér járólap könnyen koszolódik), így az az ajtó előtt marad. Elég a papucsokat figyelni, így lehet tudni azt is, hogy ki van benn...
ON

Egyébként szerintem is a két irányú diódás megoldás a legegyszerűbb. 1db diódán (pl.1N4007) 0,6V körüli feszültség esik. A többi már a LED nyitófeszültségétől függ.
(#) damkodav válasza proba hozzászólására (») Jan 21, 2010 /
 
A gyári pl legrand kapcsolókban van ilyen és egész kulturált kivitelűek és szerintem jó a fényük két pólusúak és megszakított állapotban világítanak mert akkor van potenciál különbség zárva nincs kialszanak.
De miért mondod hogy az energiatakarékosak nem szeretik a glimmlámpát? Azon áram sem folyik szinte ,bár ilyen nagyfrekis zavart okozhat.
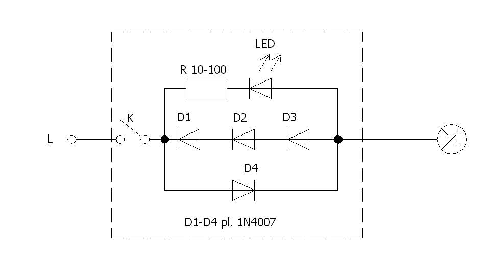
(#) lacu válasza Dock hozzászólására (») Jan 21, 2010 / 4
 
Szia Dock!
Itt egy kapcsolás. Az alkatrészek elférnek a dobozban, nem kell hozzá plusz vezeték és akkor világit a LED, ha a kapcsoló zárt.
(#) juppi válasza lacu hozzászólására (») Jan 22, 2010 /
 
Ha elviszem hozzád a kapcsolómat, meg egy piros és zöld ledet, ezt megtudod csinálni? és mennyiért?
(#) juppi válasza damkodav hozzászólására (») Jan 22, 2010 /
 
Nos, én megnéztem a Legrand honlapját. Lehet, hogy van nekik ilyen kapcsolójuk, de nagyon titkolják (lehet, hogy szégyellik?).

A honlapjuk meg nekem használhatatlannak tűnik, minden van rajta, kutyás nő, fürdőkádban lebzselő fiatalember, de emögött nem kap az ember gyors infókat.

Az meg, hogy az árlista nem elérhető, hanem le kell tölteni a gépemre (esetleg vírusos fájlt), nem igazán vonzó. A webes felületen rendes cégek ki szoktak alakítani valamilyen menürendszert, ahol ki tudom választani az engem érdeklő terméket, majd megadják a jellemzőket, árakat, és hol lehet megvenni (webáruház). Persze, fontosabb a kutyás nő...
(#) gg630504 válasza damkodav hozzászólására (») Jan 22, 2010 /
 
(#) damkodav válasza juppi hozzászólására (») Jan 22, 2010 /
 
Pedig van nekik
Bővebben: Link
Lehet szégyenlik, ..... vagy inkább nem a magyar átlagot célozzák meg az inteligens otthonosdival.
Azért ilyen a honlapjuk.
(#) Dock válasza damkodav hozzászólására (») Jan 23, 2010 /
 
Igaz, nedves helyen nem szabad "ilyenekkel szórakozni".
A panelházi fürdőszobát csak példának hoztam, mivel ott ugyebár a falat átfúrni, vagy dobozt süllyeszteni sem egyszerű, és a vezetékek se csőben futnak.
Mellesleg fürdőszobáknál csak kívül lehet kapcsoló és nem árt ha IP44-es.
Talán jól szemléltettem a példával, mert mindenki megértette a problémát.
(#) Dock válasza Dock hozzászólására (») Jan 23, 2010 /
 
Köszönöm mindenkinek a válaszokat, igazán sok segítő, és elgondolkoztató választ kaptam.
... na és olyat is tanultam, amiről anno az iskolában még nem is hallottunk...
Következő: »»   1 / 1
Bejelentkezés

Belépés

Hirdetés
XDT.hu
Az oldalon sütiket használunk a helyes működéshez. Bővebb információt az adatvédelmi szabályzatban olvashatsz. Megértettem