Fórum témák
» Több friss téma |
Hali.Alap esetbe nappal kell mind a 12 izzó fékezéskor,ez oké.De ugy gondoltam,hogy helyzetjelzönek 4 világit ha felkapcsolom és fékezéskor a maradék 8 "adódik"hozzá és világit a 4 is.De helyzetjelző nélkül kevés a 8 nappal.
Hüle vagyok elektronika terén.Mit hogyan kéne csinálnom?Kör alakról van szó elhelyezés terén.
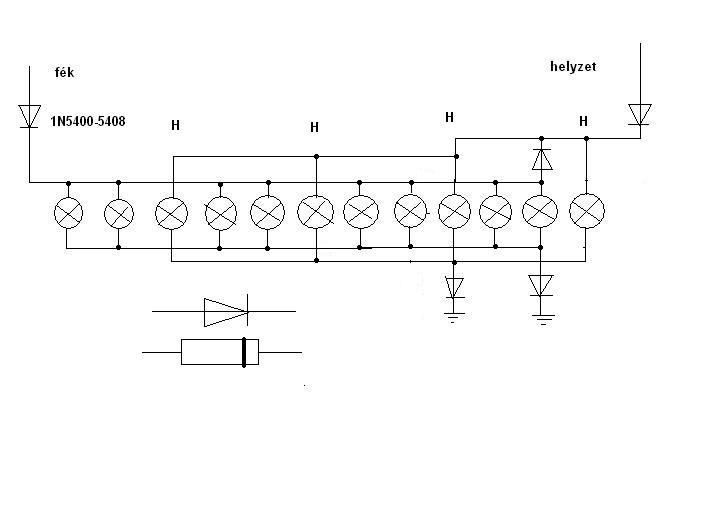
Így jó lesz? Féknél világít mind, függetlenül a helyzetjelző kapcsoló működtetésétől. A diódáknak el kell bírniuk az izzók áramát hűtés nélkül is. A plusz diódák az esetleges rövidzár miatti téves jelzések miatt lettek beletéve.
Van ebben az autóban ECU? Csak mert ha nem annyi áram folyik, mint amennyire számít, akkor hibát fog jelezni.
Hali.Nincs.Ez egy egyedi lámpa Skoda 120-asba.
Ez megoldható úgy is ha az elrendezés 2fék 1helyzetjelző és ismétlődik amig kiadja a 12 db-ot?Milyen dióda kell?
Legfeljebb kisebb teljesítményű izzókból rakja ki ugyan azt a kapcsolható teljesítményt.
Az attól függ milyen teljesítményű izzókból akarod kirakni az egészet. Az áramokat az ohmtörvénnyel kiszámolod és olyat kérsz a boltban ami azt az értéket elbírja. A közlekedésiek nem fognak szólni a fura stop jelzésért?
2W-os izzók lesznek benne.Nem fognak mert engedélyztetem a KPM-nél a többi átalakitással együtt.
Hali.Komoly ára van
Ha a 2-1 "rendszerbe" rakom az izzókat akkor hova kell rakni?Csinálnál nekem egy rajzot,hogy csináljam meg és hova kössem?Műszerfal izzó foglalatról van szó Skodából.Egy 3mm vastag aluminium lap lesz kifúrva és abba rakom,a testet onnan kapja.Köszönöm a segitséget.Pár óra és csinálok képet róla.
Na az nehéz lesz.
Nekem is van egy hobbi járgányom 2003-ban készült be jártam vele az országot és találkoztam gyök2 rendőrökkel de olyanokkal is akik azt mondták, tök jó. Amúgy én azt nem értem miért kell kötöszködni olyan dolgokkal ami jó pl LEDES hátsó világítás ami többszörösen biztosított mert ugye amiben egy izzó világít, kiégés esetén már meg van a baj ellenben a ledekkel ahol több világít és esetleges elhullás esetén még mindig marad pár darab ami fényt ad. Itt Magyarországon semmit sem szabad ami új vagy jobb vagy esetleg praktikusabb főleg olyan autóknál amit 40 éven keresztül láttak a műszakin,mert tudják hova kell nyúlni ahhoz hogy megbukjon a vizsgán . Ellenben az új autóknál azt sem tudják melyik milyen lámpával jött le a szalagról mert az a gyárban percenként változik.
Nincs akadálya az engedélynek.Skoda Liaz lámpa megy 4db hátra.Vizsgán a gyári Liaz lámpa lesz betéve,de utána cserélem a belső részt mert igy nem tetszik.Ha engedélyem van és levizsgázott nincs az a rendőr aki azért megbüntethet.Sok lesz nekik végigolvasni az engedélyezett dolgokat.(motor csere,hátsó lámpák,tárcsafék hátúl,hidraulikus kézifék,kagylóülések-övek,15" alufelnik).
A bekötésen akkor sem változik semmi, ha cikk-cakkban rakod a lámpákat. Legyél kicsit kreatívabb! Ha széthúzod a nyolc lámpát kettesével és oda beraksz a négy lámpából egyet-egyet harmadiknak és kört formálsz belőle, ugyan azt kapod.
Hamarabb szétszedem a motorom és álitom be a vezérlést mint,hogy elektronikát csináljak.Egyáltalán nem az én asztalom.Azért köszi.
És kész. Csak azt ne mondd, hogy csináljam körbe!
Tökéletes!!!Igy már minden oké.De miért nincs körbe?
Még vezetéket sem kell húznod a szőnyeg alá! Külön szálon megy a bal és ajobb oldali helyzetjelző fény. Ezt a csomagtérben szétbontod, a két helyzetjelző megy egy szálról(2x5W, esetleg4x5W), a felszabadult kábelen pedig mehet a fékfény. A csomagtérbe kell csak kb. 2x2méter kábel valamint a műszerfal alatt kell a megfelelő vágásokat és kötéseket elvégezni. Ott meg ha nagyvonalú vagyok, kell 1m. kábel.
Én nem bontanám fel a szőnyeget, túl sok könnyen törő bizbasz van beépítve ezekbe a kocsikba és furcsának tűnik, de nehéz úgy pótolni őket hogy ne üssön el az eredetitől.
Hali.Amig el nem felejtem:ha esetleg 5W-os izzókat rakok be akkor milyen számozású dióda kel?
Nem találtam olyat amilyet szerettem volna csak ezt, de ez biztonsággal elbírja az áramokat. Ha kapsz 5A-t, akkor az is megfelel.
Köszi.Remélem elég lesz a 2W izzó is bele.Vehetek egy halom diódát
,4 ilyen lámpám van.
A negatív ágban lévőket elhagyhatod, de a pozitívban lévők fontosak.
Végülis mindegy,hogy 15 vagy 20db.Annyira nem vészes áron van amit elösször ajánlottál.(ez értelmes mondat volt
)
Ilyen lett a világitás.
Ez még csak teszt,hogy elég-e a fényerő a féklámpához.Beszerzem a diódákat és lehet véglegesiteni mind a 4-et.
Még kérdezném,hogy amit csináltál rajzott ott lehet a test közös?Mert aluminium lapba tettem bele a fém izzó foglalatott és úgy kapja a testet.Jó lesz igy?Szerintem nem igazán.
Vagy ha elhagyom a negativ oldalról a diódákat akkor jó lehet?
De jó lesz! Először nem volt világos mit is akarsz. Azért van annyi dióda berajzolva, mert a gk.-k testelési hiányosságai okozhatnak téves jelzéseket, amit a volán mögül nem lehet látni. Így, ha egy lámpát alkotnak az izzók, akkor jó lesz, de a testre figyelj oda:
Idézet: nehogy galvánelemet csinálj a csatiknál. Úgy, hogy ónozz fel minden réz alkatrészt a csatlakozásoknál, testnél! „Mert aluminium lapba tettem bele a fém izzó foglalatott” |
Bejelentkezés
Hirdetés |





Ha a 2-1 "rendszerbe" rakom az izzókat akkor hova kell rakni?Csinálnál nekem egy rajzot,hogy csináljam meg és hova kössem?Műszerfal izzó foglalatról van szó Skodából.Egy 3mm vastag aluminium lap lesz kifúrva és abba rakom,a testet onnan kapja.Köszönöm a segitséget.Pár óra és csinálok képet róla.


