Fórum témák
» Több friss téma |
Fórum » Labortápegység készítése
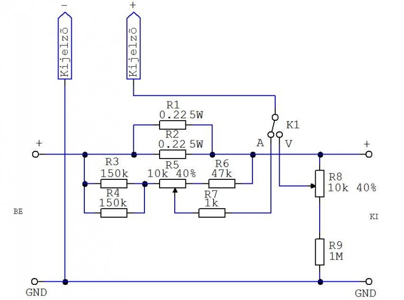
A panelműszert milyen méréshatárra kell állítani ehhez a kapcsoláshoz? / Rx1,Rx2a,Rx2b/
A TO3-as tokozású tranzisztorokat rögzít furatokat illetve javaslatom szerint a meghajtót rögzítő furatot is fel kell fúrni nagyobbra, mert így nem fog beleférni a szigetelő cső.
Arra ne is gondolj, hogy kis szigetelő gyűrűket használsz, az nem fog beválni. Mellékeltem két fotót, mire is gondolok. (az egyik elég rossz lett, ezért kicsit "reszeltem" rajta, hogy látszódjék a lényeg)
A csavar fejet beforrasztottad? Gondolom igen, én pont fordítva csináltam, a csavar fej van felül a "sapkánál".
Ha jól értem a kérdést, akkor kapcsolás szerint akarod összerakni, és úgy mérni átkapcsolással feszültséget is, meg áramot is.
1. Tudnunk kell mekkora a maximálisan mérni kívánt áram és feszültség. 2. Ez a kapcsolás áramot egyáltalán nem mér. Ahhoz a műszert nem így kell bekötni. Polaritáshelyes áram és feszültségméréshez mindenképpen minimum 2 morzés kapcsoló kell, sőt ha esetleg a méréshatár miatt még a tizedespont is mozog, akkor még +1 morze. 3. Ha feltételezzük, hogy jóra alakítod a kapcsolást (önerőből, vagy esetleg segítséggel), akkor mivel úgyis van benne osztótag, célszerű azokat úgy beállítani, hogy semmilyen előtétezgetésre ne legyen már szükség a kijlezőpanelon (minden Rx hiányzik, és Rx2a rövidrezárva) 4 Írtam erről néhány keresetlen gondolatot, esetleg olvass bele pl itt
Sziasztok!
Előre is elnézést az off-ért, de mivel főleg itt, ezen a topicban vannak azok az emberek, akik ezt a megoldást használják, így itt teszem/tenném fel a kérdést: Honnan lehet szerezni L alumínium profilt, aminek a falvastagsága 2mm? Abban a megyében ahol én lakom (Sz-Sz-B megye) sehol nincs. Annyi tüzépen voltam, hogy megszámolni is alig tudom, de alumínium profil egyikben sem volt... Valami net cím esetleg? Vagy bolt, amit ti tudtok? Bármilyen megoldás érdekel!Off vége.
Köszi a választ .
Ha tudnál segíteni azt megköszönném. Volt egy kétmorzés kapcsolós változat is de most nem találom.
Nem forrasztottam be, fölösleges. Ha alul van a csavar, az több szempontból is jobb, mint ha fordítva lenne. Először nem lóg ki alul a csavar, így nem kell pontosan méretre alakítani azokat. Másodszor a szerelés szempontjából is ez a kényelmesebb, mert akár az első összerakáskor, akár későbbi alkatrészcserekor nem kell a csavart kiszedni, csak az anyát letekerni. A csavar megvezeti az "L" profilt, tájolja a csillámot, és anyák nélkül is egyben tartja az egész egységet.
Annyit azért szoktam csinálni, hogyha egyébként nem ónoznám is át az érintkező rézfelületet, a csavarfej alatt akkor is megteszem. Ebbe az ónrétegbe nyomódik be az alátét, ami jó kontaktust biztosít.
Nézz bele abba amit ajánlottam. Az 5. pont éppen erről szól. Ha azzal sem boldogulsz, akkor természetesen segítek.
Én nem tüzépen keresnék, hanem valami vasboltba(vagy hogy is nevezik), méhtelepen, stb...
Szia!
Ott is voltam. Próbáltam már ott is összeguberálni azt a "nyavajás" L profilt, de semmi. Ötletem sincs, hogy merre induljak...
Nem elég 2mm vastag!!
1. Ferroglobus. (Mostanában talán más neve van, de a google segít. Ezzel annyi baj van, hogy ott nem adnak 20-30cm-t.) 2. Bármilyen fémipari üzem, ahol kivágnak egy darab alumínium lemezt (kb. 4mm vastag legyen), és meghajlítják 90°-ba. Fontos, hogy minimum vastagságnyi legyen a hajlítási rádiusz, mert egyébként berepedezik. 3. Haszonvas telepen szerintem lehet ilyet találni (régen MÉH-nek hívták). Csak oda úgy kell menni, hogy ki tudd bányászni a neked tetsző anyagot, mert sokszor nem túl hozzáférhető helyen van. (Én vagy 10 éve egy alumínium szekrényt találtam, aminek ebből volt a váza, kicsit már beleszúrt a markolókanál, de némi munkával azért megmentettem ami kellett belőle) 4. Végül ha találsz olyan helyet, ahol üzemszerűen használnak ilyesmit (mondjuk nyílás-zárókat készítő iparos), ő valószínűleg ad a hulladékból.
http://www.ferroglobus.hu/index.php?option=com_productlist&maincat=...od=200
itt van, egyből megtaláltam.
Szia!
OK! Köszönöm! Megpróbálok rákeresni a Ferroglobus-ra. Meg sem gondoltam, hogy legalább 4mm-s kell legyen a vastagsága... :eek2: De most, hogy így megnéztem vonalzó mellett, tényleg nem elég a 2mm![OFF]
Szia !
Ha minden kötél szakad, itt minden féle Alu dolog van. Én itt szoktam vásárolni: metalloglobus
Hanyas csavarral fogattad a nyákra M3 vagy M4?
Önzáró anya nem lenne jobb megoldás?
Hello
Elkészültem és be is dobozoltam végre Pioneer v2.7-es labortápját. 5db BD249 -es végtranyó került bele, házi készítésű hűtőbordára vannak szerelve - kb. 31x35 cm-es 2mm vastag alumínium lap lett összehajtogatva. 5A-t rövidzárban jól bírja, a tranzisztorok csak éppenhogy langyosak. Teszteléskor vettem észre, hogy a fázisceruza világít, ha a hűtőbordához érintem. A végtranyók nincsenek csillámmal elszigetelve (a végtranyók kollektora az adatlap szerint galvanikus kapcsolatban van a tranyó hátsó fémrészével, így hát feleslegesnek tartottam). Maga a doboz földelve van, de a borda nem. Multiméter AC állásban a föld és a borda között 200Vac feszt jelez. Ez miért van? A fázis sehol se juthat rá a bordára, megnéztem. Egy 25W-os izzót kötöttem a borda és föld közé de nem világított, csak kicsit sercegett, amikor hozzáérintettem. A táp egyébként jól működik, csak véletlenül jöttem erre is rá. 2db 3,5 digites gyári LCD panelműszert használok fesz és árammérésre, de sajnos kicsit ugrál a kijelzett érték (nem csak az utolsó számjegy). A tápjuk külön 2x9Vac trafóról jön persze stabilizálás után. Multiméter fix értéket jelez a labortáp kimenetén. Ezt lehet valahogy orvosolni? Üdv. P.S.: Hétvégén majd készítek róla képeket, és felteszem a Ki, mit épített? topicba
Hát tedd be azt a csillámot a tranyók alá. Sok szívástól véded meg magad. Ha később egymásra teszel több műszert és össze ér a fémházuk, akkor mi lenne??
A TO3-tokot M4-el, a TO220-at M3-al.
Önbiztosító anya nem indokolt ide. Nincs sem rezgés, sem biztonsági szempont ami indokolná. Ráadásul csak műanyagbetétesben van ilyen kis méret (torzított menetű önbiztosító anya M6-al indul), ami ráadásul meg is lágyulna, ha jól megmelegszik a tranyó. Tehát sima anya+alátét, alaposan meghúzva (azért csak ésszel) a tuti megoldás.
Csak kötözködés képpen. Nem mindegyik TO3 furatához jó a 4-es csavar. Bővebben: Link
Idézet: „Csak kötözködés képpen” Ennek mi értelme? Megmértem egy M4-es csavart, 3.9mm "vastag" a menet.. simán bele lehet rakni.
Viszont, ha szigetelve szereled, akkor már nem.
Amúgyis túlzásnak tartom az M4 csavart ilyen helyre. Idézet: „a végtranyók kollektora az adatlap szerint galvanikus kapcsolatban van a tranyó hátsó fémrészével, így hát feleslegesnek tartottam” Ez tetszik Ezek szerint ha el lenne szigetelve, nem lenne a galvanikus kapcsolat, akkor tartanád szükségesnek?Amúgy ha van rajta egy egészséges 50 V, attól már lehet, hogy bejelez a fáziscerka. Viszont tényleg jobban tennéd, ha használnál csillámot, nem olyan drága.
Én még nem találkoztam olyan TO3-tokkal, amibe ne fért volna bele az M4. Én is szigetelve szereltem ha jól megnézed
Ha majd építesz olyasmit, amiben nagyobb hőterhelés is felléphet, és szeretnéd a hőt hosszabb távon is megbízhatóan elvezetni, akkor már nem fogod túlzásnak tartani. Mindezzel együtt, aki M3-at használ sem követ el semmi törvénytelent, de számomra teljesen nyilvánvaló ide az M4. Ez azonban nem jelenti, hogy az én "igazságom" az egyetlen, Te nyugodtan vélekedhetsz másképp.
Alumínium "L" profil
Ha valaki tervez venni ilyet (40x40x4), és nem kell neki a teljes 6m, akkor én szívesen betársulok a vásárlásba, sőt akár harmadiknak is, mert nekem vélhetően 2m is bőven elég lesz. |
Bejelentkezés
Hirdetés |








Valami net cím esetleg? Vagy bolt, amit ti tudtok? Bármilyen megoldás érdekel!
Ott is voltam. Próbáltam már ott is összeguberálni azt a "nyavajás" L profilt, de semmi. Ötletem sincs, hogy merre induljak...
:yes:
