Fórum témák
» Több friss téma |
Hali!
Nemtalálltam sehol leírást ezért gondoltam egy új topicot nyitik! Az lenne a kérdésem, hogy van-e valakinek oylan kapcsolása amivel vagy egy poti vagy egy fényérzékelő segítségével lehet szabályozni az autóban a műszerfal fényerejét? Lenne egy másik kérdésem is, hogy az autórádióban lévö világítás fényerejét hogyan tudom egy pizitív fesz segítségével mondjuk felére csökkenteni? Az meg van a rádióban, hogy hova lehetne bekötni! Ha valaki tud valami egyszerű kapcsolást a fentiekre kérem segítsen! köszi!
A kocka ladában gyárilag van egy erős potméter és el is van intézve
Köszi a tippet, majd utána nézek be tudom-e szerezni, de még inkább az úgymond autómata szabályzós fele hajlok, hogy egy fényérzékelő szerint változzon a fényerő!
milyen autóról van szó? a mostani (cca. elmúlt 15 év) autónak műszerfala egy fóliás nyáklapon csücsül. amelyiken izzó van (pl. punto2 nem ilyen, az ledes), ott könnyedén visszakövethető, hogy melyik lábon kapja a pozitívot (de ki is mérhető). a ledes változatok esetében nehezebb a helyzet. bár ott is ugyanúgy közbeiktatható a poti, ilyen esetekben töbnyire a vezérlő figyeli is ezt a feszültségértéket, és ha túl kevés, akkor képes eltárolni hibaként. bizonyos ledeket (izzókat) egyáltalán nem szabad ezzel szórakoztatni (pl. légzsák visszajelző), mert azt valóban figyeli, és hibaként tárolja. punto2 esetén ha úgy szeded le a műszeregységet, hogy rajta van az akksi, akkor eltárolja hibaként a légzsákvisszajelző lámpa hiányát, és miután visszarakod, végig világítani fog...
gyárilag sok típusban megoldották már a fényerőszabályozást, köztük a fiat palio, bravo, lada, opel corsa... persze ez többnyire csak a felsőbb felszereltségű változatokban van benne...
Nekem Trabiba kéne, mert a Km órán kívül van még 4 müszer és LEDes a héttérvilágítása és maga a háttér világít! Erősre sikeredett és kicsit zavar éjjel! Amúgy a Km órában két 5 wattos izzó van, és még azokat is kéne szabályozni! Meg ugye nekem jött az ötlet, hogy van a 2ütemü Trabikba a fogyasztásjelző aminek a LEDek fényerejét egy 3mm-es víztiszta LEDre hasonlító fényérzékelő szabályozza automatikusan! Igazából erre alapoznám az egészet!
Hali!
Úgy néz ki sikerült egy egszerű kapcsolással megoldani az autómata fényerőszabályozást! A képen látható kapcsolást vettem alapul és az optocsatolót kiiktatva, és a helyére egy sima fototranzisztort kötve máris működik a szabályozás úgy ahogy én képzeltem! Kép: Hivatkozás Már csak az a kérdés, hogy hova kössek be és mekkora kondit ahoz hogy ne rögtön reagáljon a fényerőváltozásra, hanem folyamatosan erősödjön és haványodjon el, nem ugrásszerűen! Remélem másnak is hasznára válhat ez az egyszerű kapcsolás!
Közben olvastam egy másik topicban ahol hasonló volt a kérdés, és ott a tranyó bázisa és a forrás, jelen esetben a fototranzistor és a másik BD135-ös Tranyó közé teszem a kondit és megoldódik a problémám vagyis nem fog rögtön változni a fényerő!
Asszem holnap összeállítom a kapcsolást és kiderül hogy fog működni!
Hali!
Nem látok kapcsolást. Szerintem nem sikerült beilleszteni.
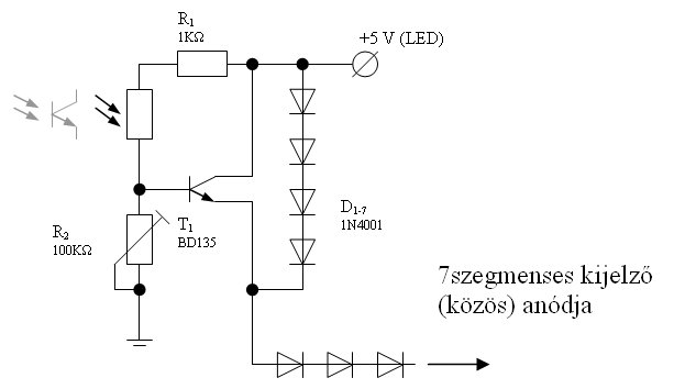
Sziasztok!
Szeretnék építeni LED-es 7szegmenses kijelzőkkel (ICL7107) műszereket az autóba. Viszont, a kijelző fényerejét jó lenne szabályozni (éjjel elég vakító tud lenni), ezért találtam ki a mellékelt kapcsolást (nagyobb környezeti fényerő>>nagyobb LED fesz, és fordítva), kérdésem, hogy ez működhet-e?
Szerintem igen.
Gondolom az áram korlátozást az IC végzi. A tranzisztorral párhuzamosan kötött diódák helyett én egy megfelelő ellenállást tennék a C-B közé.
Csak azért gondoltam a diófákat, mert az eredeti kapcsolásban, is 3 diódával állítják be a kijelző áramát(feszültségét).
Köszi a választ!
Azért tetszik jobban az ellenállás, mert a fényerőt egész alacsonyra is veheted, míg diódákkal ez komplikáltabb.
Szólj ha nem így van, de az ellenállás az az áramot korlátozza, míg a dióda (si) ~0,6V-ot csökkent ,nem?
Így ha ellenállást teszek be, akkor a kijelzett számtól függően (szegmensek számától függően) változna a fényerő. Igaz, jelentős különbség csak pl.: 1 - 8 között lenne. Lehet rosszul okoskodom...
Ez bizony így van. Az alkalmazás módjától függően ez valóban lehet zavaró.
És fotoellenállást, vagy fototranzisztort használjak inkább?
Ellenállásom tuti van 2 (kb mindkető ugyanolyan értékű), de fototranyóm csak bontott van. Van jelentős különbség ezen áramkör részéről?
Fotoellenállást használnék inkább. Valószínű a polaritásra az is érzékeny kissé. Tranzisztort nem sokat használtam, külön kellett még erősítgetni a jelét. Nagy a felületek közti eltérés, ami a hatásban is jelentkezik.
Helyesssss...
Én is arrafele hajlok Még arra gondoltam, hogy két fotoellenállást használnék, sorbakötve, de elhelyezésileg pont ellentétesen állnának. Ezzel talán valamennyire kiszűrném a nem napszak változásból adódó fényeket (fényszóró, közvilágítás, stb) Bár lehet hogy egy nagyobb (>100mikrós) kondi is elég lenne a bázisra.
Párhuzamosan kötve VAGY az egyik, vagy a másik, sorosan az egyik is ÉS a másik is kell hogy vezessen.
Nem kell oda kondenzátor.
Sorosan, természetesen. Ha párhuzamosan kötném ugyan az lenne mintha csak egy lenne, mert akkor, ha pl.: az egyik jobbra 'néz', a másik meg balra, akkor elég volna az egyiknek fényt kapnia (mondjuk kereszteződésben oldalról bevilágít a másik autó fényszórója), és máris felugrana a kijelző fényereje.
De most belegondolva, lehet egyszerűbb volna a kondit használni, mert avval el lehetne nyújtani a reakcióidejét. Először LM317-re gondoltam, hogy belövöm az arányos fényerő-feszültség változást. De az ellenállás annyira nagy tartományban mozog (~1K ohm ... >10M ohm ), hogy nem kínlódok vele.
Sziasztok!
hallottatok már olyanról, hogy fordulatszámra változó műszerfal világítás?azthiszem a honda csinálta meg de nemvagyok benne biztos.a lényege, hogy egy bizonyos fordulat tartományba éréskor átváltozik a műszerfal világítása és hogyha az alá esik, akkor vissza változik de nem villózva, hanem szépen lassan "áttűnéssel".azt szeretném kérdezni, hogy ennek a megvalósítására nincsen valakinek ötlete, illetve elképzelése, hogy hogyan is lehetne megcsinálni? Üdv:B
Mi a véleményetek meg lehetne oldani egyszerüen az autóm műszerfal fényerejének a szabályozását?
Gyárilag nem állítható.
Ha a fordulatszamjeled megvan es az auto muszerfalanak a lampacskait (ledjeit) tudod, hogy hol hajtja meg az auto, akkor egy db PIC elintezi egy FET-tel. Ha PWM-es kimenete van a PIC-nek, akkor a program is egyszerubb lesz.
Ha nem tudsz programozni, akkor van egy frekvencia-feszultseg atalakito IC, ennek a kimenetet rendesen erositve taplalhatod a lampakat. De azt meg mindig nem tudjuk, hogy fenyero vagy szin valtozik.
Ha megvan, hogy hol taplalja az autod a muszerfal izzoid vagy ledjeit, akkor ide egy megfelelo teljesitmenyu potenciometert bekotve elerheto ez a kivant funkcio fokozatmentesen. Esetleg fix ellenallas es ez egy kapcsoloval athidalhato lenne, akkor ket allasa lenne (ejjeli/nappali).
Ha jól értelmezem akkor elvileg nekem jó lenne egy olyan állító ami külön van a kapcsolótól, mert ugye a legtöbb autóban egybe van építve, de van némely régebbi tipus amiben csak külön van elhelyezve.
Amúgy ezeken az állítókon csak pozitív megy végig vagy negatív is?
Csak az egyik szal megy bele.
Szoval a fo vezetek es azon vezetek vagy foliavezetek koze kellene betenni az egyik szele + kozepso kivezeteseket, ami a muszerfal vilagitasahoz megy. Hogy plusz vagy minusz szal, az mindegy. Lenyeg, hogy sorba.
Sziasztok!
Régi swift műszerfalában alapból 3db w5w égő van. Ezek helyett raktam be 3db 5ledes égőt, de ezek vakítanak. Ha potit raknék bele, akkor hány wattos kellene? Vagy inkább ez az áramkör? Link Esetleg 2-3 dióda sorba kötve? Előre is köszi.
Helló Szakik! Abban szeretném a segítségeteket kérni, hogy tudnátok-e olyan elektronikát kitalálni, ami azt csinálná, hogy amikor az autóban felkapcsolod a helyzetjelzőt, akkor a műszerfal-világítás nem hirtelen kapcsolódna fel, hanem szép fokozatosan felerősödve, lekapcsoláskor pedig ugyanígy fokozatosan halványodna le? Kicsit hasonlatos mindez a mennyezetlámpa-késleltetéshez, csak míg ott a vezérlőszál negatív, itt a helyzetjelző felkapcsolására pozitívunk jelenik meg. A fel-le kapcsolódás gyorsasága is lehet egész rövid idejű, nem kell hosszan elnyúljon. Az sem lényegtelen szempont, hogy ne legyen nyugalmi áramfelvétele. Ha valaki kitalálna egy ilyet az nagyon szuper lenne, valamelyik Japán autóban láttam ezt a dolgot gyárilag, tök jól néz ki.
Köszi
A mennyezetlámpás megoldásban kicseréled az NPN tranzisztort PNP-re, a kondi polaritását megfordítod, a táppontokat felcseréled és máris alkalmas pozitív szálas üzemre. Legalábbis, ha az a kapcsolás, amire én gondolok.
Szép napot!
Egy olyan kérdésem lenne, hogy tud/ismer e valaki olyan fényérzékelőt/szenzort ami autóba (DC 12 v körüli bemenet) építve a éjszaka és a nappali fény között lineárisan változtatná a kimenetet. Tehát éjszaka (0 lux) közel 0 feszültség, nappal (40000 lux) 12 v körül. A lényeg a lineáris változás, nem kapcsoló. Automatikus led műszerfal világítás lenne. Előre is köszönöm. |
Bejelentkezés
Hirdetés |










