Fórum témák
» Több friss téma |
Hi
Wartburg trafó felejtős akkor inkább 6v Trabi trafó. Ne az adapterhez keress kapcsolást hanem a egy bizonyos kapcsoláshoz adaptert.
Ha esetleg azt a rajzot csatolnád, amit eredetileg feltöltöttem, ott ránagyítva látszanának a szövegek is...
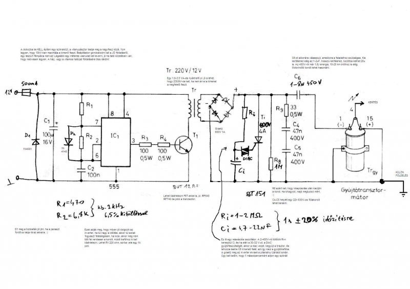
ITT van ni. A dióda azért kell oda, hogy szélesebb tartományban lehessen változtatni az inverter kitöltését. Erre azért volt szükség, mert volt olyan trafó, ami túl nagy kitöltésnél kevesebb mint fél másodperc alatt felnyomta a feszültséget, és volt, hogy begyúltott a tirisztor akkor is amikor nem kellett volna. Persze a korrekt megoldás az lenne, ha érzékelném, hogy fel van töltve, és kikapcsolni az invertert, de az egyszerűbb megoldást választottam. Fogyasztás szempontjából is jobb, ha kisebb a kitöltés, és kb. 1 másodperc alatt éri el a kívánt feszt, akksiról nem mindegy. Na és ha túl erős az inverter, akkor meg nem zár le a tirisztor, mert már kisütés után is kap akkora áramot, hogy nyitva maradjon.
Innen linkeltem, én nem módosítottam rajta.
A felbontás lett kisebb, azért nem látszik a szöveg, linkeltem az előbb az eredetit, azt A4-ben kinyomtatva, vagy felnagyítva jó lesz.
Majd fel teszek 1 rajzot ami kikapcsolja az invertert a kisütés pillanatában.
Itt van egy ilyen megoldás, egy osztóval vissza lehet csatolni a feszültséget, és egy tranzisztorral lehúzni az 555 IC 5. lábát, ha elérte. Lehet rátenni egy kondit is az 5. láb meg a test közé, akkor lesz egy kis ideje lezárni a tirisztornak, a kisütés és a tranzisztor lezárása után nem indul azonnal az inverter.
Ezt a kapcsolást ugyanúgy lehet alkalmazni az eredeti rajzzal, csak a kimeneti földet meg a 12V testet össze kell kötni(, vagy optocsatolót használni).
hjajjjmádefasza
![]() na ez eszembe nem jutott volna, de msot hogy már látom.. haláli, akár nagyobb üveg biztibe is bele lehet rakni, úg yis forrasztós a két vége
Na ugye mily tuti én konkrétan plexi csövet használok és a végeit a kínai szivacs papucsoknál használt (polifómmal) dugaszolom bééé.
Íme a szakadt üvegbizti újra hasznosítása egy darab panel meg zsugorcső segítségével zárt szikraközként éled újra.
nagyon tuti darab
rövidesen kipróbálom most már működik a szuper mikrokontrolleres pásztorka.. jó nagy szívások után ![]() mondjuk az eredmény nagyon jó, kb lyukkártyakészítőnek elmegy
Hát akkor tegyél fel róla képeket legyél szíves és vajon a sorozat gyártás meg érné e,én most teszek fel ide egy pár rajzot legyen majd mit fikázni az okosoknak.
Ezek olyan rajzok amik csak a prototípusig jutottak.de van közte elég érdekes is.
Íme uraim az első rajz különlegessége,hogy az impulzust egy mezei VILLOGÓ LED szolgáltatja ha kettő ledet kötünk be akkor egy olyan készüléket kapunk ami véletlen szerűen adja az impulzust.ez nagy meglepetést okoz azoknak akik csak sima csattogásra számítanak.
Ez a rajz nem lett meg építve, csak próbapanelon, ezért várom a beszámolókat.
oki, ime kettő kép
a trafót is csináltatam hozzá, a kondi 25µF os és 400V ra töltődik mellette a tolómérő csak hogy méreteit lásd, nem egy nagy darab nyák lett belölle, de ez még csak a V2 es nyák a V3 as kisebb lett, meg talán azon már nem lógnak összevissz az alaktrészek ![]() hogy a sorozatgyártás megérné e.. fene tudja lehet
Szép igényes munka ,grat.
De miért kell ezekbe pic ? Teszek majd olyan rajzot is fel amit egy ÖKOMUKI is össze tud rakni igaz nincs benne semmi különös de a birka ki gyullad tőle csak a trafót kel tudni ügyin megcsinyálni.
helló nagyon várom az ilyen rajzot
útmutatót is írj légyszíves hogy csináljam meg. Vagy ha van valakinek olyan ami nem kell meg is venném köszi
köszi
na hát itt a trafó ami rendesen kilett találva ![]() egyébként atmel na de nem kötözködés képp.. csak azért lett belerakva, mert ebbe könynebb változtatni a kimeneti oldalon lévők értékét mint kondi és trafómert méri a feszt hogy menynire tölti és ígyha 2-5 µF os van benne azt is 400V ra tölti, és az ipmulzus akkor is 1 sec környéként jön , mert akkor adja az ütemet de a 25µF al is ugyan így csinálja főpróba még hátra van, közeljövőben bedobozolom és utána kikerül rokonyhoz tehén pásztorkodásra
végül is ilyen is van, csak nem a bőre hanem a nyaka köré szokták rakni a kutyuknak, mondjuk ez oda kicsit sok lenne
lehúzná a fejét a trafó ![]() egyébként az eldobható fényképelőkben lévő elektronyika, pont elegendő lenne....
Sziasztok!
A kérdésem a következő: adott 2 épület, ami között lebetonozott bejáró van/kb 3-4 m/.Mindkettő végében egy füves terület van, amit villanypásztorral vennének körbe a kutyák miatt. Maga a készülék az egyik épületnél van lerakva, de át kellene vezetni a másik oldalra is és csak föld alatt lehetne.Ezt hogy lehetne megoldani? Az úgy jó lehet hogy veszek x m gyújtó kábelt és egy műanyag csőben átviszem? Az elvileg 30Kv-ig szigetel.Szerintetek?
Vegyél rendes villanypásztor szigetelt vezetéket, és azt egy kpe csőben (fekete műanyag vízcső) tudod vinni a föld alatt.
Csak a rendes villanypásztor szigetelt vezeték a duplájába kerül és semmivel nem jobb a sima gyújtás kábelnél.
Szia!
Sajna nálunk csak hagyományos vill.pásztor vezetéket lehet kapni, szigeteltet nem.Meg gondolom csak tekercsben lehet kapni, de nekem max 10m kellene.Azért gondoltam a gyújtó kábelre.
Csak arra figyelj amikor levan téve a védőcső annak két vége logjon ki a földből kb20cm-t és amikor a vezeték is benne van a cső végeit tömitsd el sziloplaszttal,hogy az eső ne essen bele.
Hát jó helyen kell venni a drótot.
(egyébként nem értem miért drágább) Vagyis ami nálam volt gyújáskábel, abban egy szén(?) magra volt feltekerve vékony réz huzal, ergó elég nagy az ellenállása. Aztán lehet, hogy ez valami spéci zavarvédett gyújtáskábel, ha egyenes, az tökéletes villanypásztorhoz is.
Benne van a nevében,hogy miért drágább,villanypásztor szigetelt vezeték.
Kisméretű áthidalásoknál a veszteség elenyésző ,de más a helyzet ha az ember a készülék és a karám közti mondjuk 30-40 méternyi távolságot ezzel akarja áthidalni. Én még nem találkoztam itt a fórumon olyan egyénnel aki 10km-t vagy annál nagyobbat akart volna lekeríteni. Magyarországon még csak most kezd a hobbi állat tartók körében elterjedni ez az őrzési forma de ők nem fognak nagy területet soha kőrbe keríteni,ez egy jó ürügy,hogy ne kelljen a kutya után futni. Én is készítek pásztort eladásra kisebbet nagyobbat ,de mindenki a kisebbet viszi kutyára, macskára...stb.
inkább hosszabbra hagyd a csövet és a csövet magát hajtsd vissza, akkor még véletlen sem tud oda esni az eső, hogy befolyon, mivel a cső vége a földfelé néz...
Az is megoldás.
Annyi alternatíva van erre a témára,hogy sok .
Sziasztok!
Szeretném kikérni a véleményeteket a következő kapcsolásról!
Szia!
Jpg-ben tedd fel a rajzott, ha lehet. Köszönöm!
Tisztelt fórumozó Barátaim!
Átolvasgattam az előző 109 oldalt. Nos úgy látom, kb. 2-3 féle megoldást próbál kivesézni mindenki, de sajna olyan leírást, hogy én ezt csináltam, így és így, és tessék itt van a szükséges leírás (panelrajz, alkt. beültetés stb.) nem találtam. Lehet én vagyok a béna, és azt is tudom saját szellemi termékét nem szivesen adja ki senki. Nos én nem szériagyártásra hanem a saját kutyánk, illetve a szomszédok kutyáinak a kordában tartására szeretnék valamit építeni. Csak azt nem tudom melyiknek kezdjek neki, az egyik azt írja ez nem működik, a másik azt írja át kell alakítani, a harmadik, hogy ez meg az az alkatrész nem is kell bele. Akkor most mi is a helyzet? Van olyan aki hajlandó rendesen megírni mit hogyan? Bocsánat ha valakit megbántottam volna nem volt szándékomban, de itt egyre nagyobb a káosz. Köszönet minden segítőnek. További jó munkát, és fórumozást. Üdvözlettel: csibai |
Bejelentkezés
Hirdetés |












csak a trafót kel tudni ügyin megcsinyálni.
