Fórum témák
» Több friss téma |
Fórum » LED-es kivezérlésjelzők
Témaindító: KeserűCukor, idő: Márc 27, 2006
Témakörök:
Az egy poti akar lenni (potenciométer). Változtatható ellenállás. Azért van 3 kivezetése.
Ha már segítesz, tedd teljesen korrektül. Frankye
Sziasztok!
Szeretnék építeni egy mikrofonos kivezérlésjelzőt(tudom hogy emiatt nem lesz precíz a kijelzés de látvány célra kell) Kivezérlő kapcsolási rajzként ezt választottam: Bővebben: Link Mikrofonos előerősítőnek meg ezt gondoltam elé kötni: Bővebben: Link Az lenne a kérdésem hogy ez az előerősítő elegendő kimeneti jelet szolgáltat-e a kivezérlésjelzőnek? Válaszotokat előre is köszönöm!
nekem hasznos volt a segítség, nem érdekel az a pár obetű, csak működjön (de igaz, a boltban kellhet a pontos név) senki nem segítene egy alkatrészlistával? meg hogy a végén miután 16 olyan részt összeraktam hogy zárom le? mert a rajzon csak --- van. ha meglenne az alkatrész lista, a leírását elolvasnám a hestoreban, és tudnám hogy mi az.
Üdv!
Kezdeném hátulról. A … azért van, mert akár 10-nél több ledet is rakhatsz bele. Ennek a pontos leírását és számítását megtalálod. (Amit te belinkeltél, azon az oldalon.) Tranzisztor: 11 db BC547B 1 db BC 549C Dióda: 9 db 1N4148 2 db BAT85 10 db Led (Ez lehetőleg ne egyforma színű legyen.) Ellenállás: 10 db 470Ohm 10 db 4,7kOhm 1 db 18kOhm 1 db 1kOhm 1 db 68Ohm 1 db 33kOhm 1 db 2,7kOhm Kondenzátor: 2 db 10µF (elco) 1 db 220µF (elco) 1 db 4,7µF (elco) 1 db 100nF (kerámia) És végül 1 db 25kOhm-os trimmer potenciométer (Ezzel a bemenő jel érzékenységét állíthatod be.) Tápfeszültség: 10-14V (12 V ajánlott) Remélem nem hagytam ki semmit. De ha egyszerűbb utat akarsz, akkor megveheted csomagban is, olcsó áron. Bővebben: Link Ha nem értesz valamit szólj, megpróbálok segíteni.
Idézet: „Hali én ezt terveztem, épitettem meg, és szeretném megosztani veletek! lm 3914 - el megy tökéletesen. ha esetleg van valami észrevételetek akkor irjatok. köszi. Pöry Lm3924_pöry_pcb.pdf (158.58 KB), Lm3924_pöry_comp.pdf (326.62 KB)?” Ez megy lm3915-el is?
köszi a segítséget!
Mekkora poti kell bele?
Sziasztok
Végigolvasgattam a topicot, de a kérdésemre nem találtam választ. Én motorra akarom bekötni a kijelzésvezérlőt, lm3914 ic-t használok. A sig jelzésnek 0-5 V-ig kell terjednie. Mekkora ellenállást kell bekötnöm, ha 13 V-al számolok a generátor miatt, és azt akarom, hogy 5 V-ra csökkentje a feszültséget? Másik kérdésem: Ha a sig jelre hozzáadom a 12 V-ot (negatív polust), akkor elalszik mind a 12 LED. Illetve ha ráadom a 12 V-ot a negatív és pozitív pólusra, akkor mind a 10 LED világít. Normális ez?
Hello!
Egy 20 ledes kivezérlésjelzőt szeretnék építeni és teljesen tanácstalan vagyok mivel nemigazán találtam kapcsolást a neten. 2db LM3914-re gondoltam mivel azzal meglehet csinálni de kérdés hogy? Sajnos még elég kezdő vagyok ezért kérem a segítségeteket! Előre is köszönöm.
Hello!
Ebből nem igazán derül ki mit teszel és mit szeretnél készíteni. - A motorodhoz aksifeszültség jelzőt? 0..13V-ig? - Milyen ellenállást és hova akarsz bekötni? A bemenetre egy feszültségosztót? Hogy a kijelző 0..13V-ig működjön, miközben az IC bemeneti jele 0..5V? - Miről táplálod a kivezérlésjelzőt? Az aksiról? mert ha a bemenetre a negatív pólust kötöd, akkor az IC bemeneti feszültsége 0V lesz, és jogosan kialszik az összes Led. Ha a bemenetre +12V-ot adsz és a bemeneti jel tartománya 0..5V, akkor jogosan ég mind a 10db led. Nem? Egy rajz amit elkövettél, célszerű lett volna. Akkor talán érthető, miről is van szó.. üdv! proli007
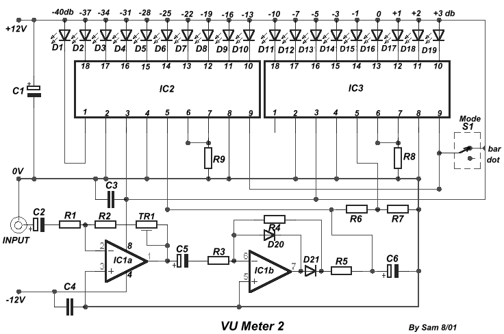
Üdv!
Ez egy LM3915-el és egy LM3916-al van. Igaz, csak 19 led van benne, de talán ez is megfelel neked. Egyéb adatok: R1-2-3-4=10Kohm R6=330Kohm R7=62Kohm R5-8-9=1Kohm D1-19=LED D20-21=1N4148 C1=100µF 25V C2-5=10µF 25V C3-4=100nF 100V C6=1µF 25V TR1=47Kohm Trimmer S1=Jumper IC1=TL 072 IC2=LM3915 IC3=LM3916
Akassz rá egy 1:3-as osztót, akkor 0-15V-ig tudja kijelezni (a 15 nem hátrány, mert ha kakis a feszszabályzó azt is látod szép piros ledekkel)
Hello
Igazad van, pontosabb is lehettem volna. Vízhőfokmérőt akarok csinálni. Van egy jeladó a motoron, ami úgy működik, hogy ha hideg a motor, akkor az ellenállása nagy, de ha melegszik fokozatosan csökken. 100foknál már ellenállás nem nagyon van, 12 V megy át rajta. Ez a hőgomba a negativ polust szakítja meg. Na erre csináltam a kijelzővezérlőt, képet mellékeltem. Az lenne a kérdésem, hogy mekkora ellenállást tegyek a jelhez, mert 100 foknál 12 v megy be rá, és az elvileg sok. Akksiról kipróbáltam, hogy működik e, de nem nagyon sikerült tesztelnem, mert nem volt olyan ellenállásom, ami legalább 3 voltra csökkenti az feszültséget. Így amikor hozzáérintettem a sig vezetékét a negatív pólushoz kialudt az összes led. Abban kérnék segítséget, hogy hány ohm ellenállás kell nekem ahhoz, hogy a 13 voltot 5-re tudjam csökkenteni. (13 voltal számolok, mert a generátor kb ennyivel tölt.)
Ez jólenne ha nem igényelne minusz tápfeszültséget de azért kösz a válaszodat.
Saraha: Ez lesz a tuti amit linkeltél kösz!
Hello!
Kicsit rossz topikban keresgélsz. Nézd meg a "Led kijelzős hőmérő" c. topikot. pld.ezt a kapcsolást. És olvasd el hozzá, a #369527-es hozzászólásomat is. Az általad betett kapcsolásnál, a kijelző bemeneti feszültség tartománya 0..1,25V. Ezek szerint a motorodban egy NTC hőfokjeladó (ellenállás) van. Ezeknek hőegyütthatója általában -3,6%/°C. De hogy mekkora ellenállása is van, az csak akkor tudod meg, ha kiszereled és megméred kb. 25°C és 100°C mellett. (Alaphelyzetben 25°C-hoz tartozó értéket adják meg ellenállás értékként). Nem ismerem a motorokban lévő vacakokat, de számomra amit leírtál, abban van némi ellentmondás. - "100foknál már ellenállás nem nagyon van, 12 V megy át rajta." -"Ez a hőgomba a negativ polust szakítja meg." ez a kettő ellentmond egymásnak. Mert ha az ellenállás (gomba) egyik pólusa testelve van, akkor nem mehet át rajta a 12V.. Tehát ha csak egy kivezetése van a gombának, akkor a másik a test. Ha kettő van és mind kettő, a testtől független, akkor "átmehet rajta a 12V". A linkben lévő kapcsolásban az érzékelő nem lehet testelt. Ellenkező esetben, csak olyan feszültség vehető le róla, ami a hőfok növekedésével csökken. Azaz "visszafelé fog mutatni" a Led-sor. (Használd a "Válasz" gombot, ott van a hozzászólásom fejlécében..) üdv! proli007
Sziasztok.
Van nekem is egy sztereo ledes kijelzőm. Az IC-k azok A277D tipusok. Müködik, de van egy kisebb problémám vele. Méghozzá, hogy ha a bemenetből mindegyik bevan dugva akkor nem követi a zenét. Tehát nem a basszusoknál ugrál hanm csak magsabb hangoknál. Ha az egyik bementet kihuzom akkor tökéletes és a zene basszusára villog. De viszont igy sem tökéletes, mert mindkét csatorna kijelzője villog. Végfok kimenetére van kötve egy kondi és egy 10k-s trimmer potival. Kapcsi rajzom az nincs róla mert igy kaptam már készen. +12V tápfeszt kap, szimpla tápja van. Csak a hangszóró kimenetet kötöttem rá a kivezérlés jelzőre, a hangszóró negativját (gnd) nem. Nem is merem mert nemtudom, hogy igy szabad e mivel, hogy szimpla tápellátást kap. Aki tudna ezzel kapcsiban valami okosságot nekem mondani annak megköszönném. Egy képet csatoltam róla.
Hello!
Ebből a képből számomra nem sok derül ki. - A két fokozatnak függetlennek kellene lenni egymástól. - De a kivezérlésjelző negatív tápja, remélem közös az erősítő GND pontjával. - A 10kohm-os potihoz, legalább 220nF-os kondi kell a mély hangok átviteléhez. üdv! proli007
Nincs rákötve a kijelző negativ tápja a végfok földjére. Igazábol ezt nemtudtam, hogy szabad e igy, hoyg ez szimpla táp az erősitőm pedig szimetrikus. de ha aztmondod összekell kötni akkor azon ne muljon.
Van itt kondi a bemeneti trimmernél. Csak a képen nemlátszik.
Ezer köszönet a sgitségért. Most rendesen müködik. Összekötöttem a gnd-vel a kijelző negativ pontját és most külön is mutatja a csatornákat.
Sziasztok!
Egy számítási feladatban kérnék segítséget. Van egy kapcsolás kb 25 féle verzióban ugyan azzal az ic-vel. A rajzon lévő és az általam használt ic-k elvileg ugyan azok. Nekem AN6884 van a panelban. A lényeg hogy van egy trimmer a bemenetén, amit szeretnék hanyagolni és ellenállást betenni a pontos érték miatt. Hogy tudnám kiszámolni hogy mekkora ellenállás kell ahhoz hogy a 0db es LED 0db-nél világitson? Az ugye a 775mv ? Ami elvileg a teljes kivezérlés lenne? Vagy tévedek? Az a baj hogy Így a potival nem tudok a 8CH-n 2 egyforma értéket állítani, meg mihez képest lenne annyi az annyi... laptop max hangerőn füles kimenetet rá, és akkor világítson az összes LED? Elég gagyi lenne... Tudnátok segíteni hogy az ic adataiból kiderüljön hogy mekkora ellenállás kell a bemeneti 8as láb és a GND közé? Köszi!
Adatlapban pedig...
Ha jól értem. A 2 oldal közepén, a táblázat alatt. A 8 as lábon 57mV van akkor a 1,1V-ra erősíti fel(7es láb), ehhez 0dB tartozik ? A következő 3-as oldalon, test circuit 4. A 8 as lábra ad 100mv-t, mérni a 7-es lábat, és abból lehet számolni dB-t, az ott lévő képlettel.
Hali.Megépítettem de csak az első led villog.
mi lehet a baj.
Ja és még annyi, hogy a rajzon ugy van a táp írva, hogy u+táp 3v. ez azt jelenti h a bemenet + 3volt, vagy csak 3
volt?
A baj az ,hogy valamit elrontottál. Hogy kiderüljön, hogy mi a baj, több infó kell, kép, stb. A táp pedig minimum 3V! És ez pozitívan 3V a GND-hez képest.
megvan a gond. azlső leden kívül mind fordítva volt.
Sziasztok nem tudna valaki egy vasalhato nyák rajzot UUA 180 icével épitet kivezélés jelzohoz elore is koszi.
Hello!
Ezzel a kapcsolással problémák vannak! Keress rá a képek között egy hasonló képre, amit én raktam fel, az működik (ennek a rajznak a javítása), de ha visszaolvasol, biztosan meg lesz, és a hibák is, ha jól sejtem, ebben a témában. szerk: Bővebben: Link |
Bejelentkezés
Hirdetés |













