Fórum témák
» Több friss téma |
Fórum » LED-es kivezérlésjelzők
Témaindító: KeserűCukor, idő: Márc 27, 2006
Témakörök:
Ezek szerint akkor nem lehet csak sima számítással méregetés nélkül kiszámolni az ellenállás értékeket?
Köszi szépen ezt mivel tudom megnyitni mert én Sprint layout ot használok.
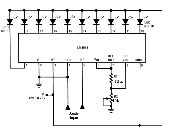
Üdv mindenikek! lenne egy kérdésem. Az LM3915 ic ugye két kijelzési módot tud van egy spektrum analizátorom ami hasznánál is ezt de sajnos hiába nem müködik és az az érdekes hogy azon lábon amin mode van gndhez képest mérek 2-3 voltot ez normális jah és akkor is tudok rajta így mérni ha üresbe megy az ic azaz csak táp fesz van neki. Nem az lenne itt lényeg hogy egyszer 0 fesz másszor pedig +5 assszem és így változik kijelzési mód akkor miért tudok mérni a 9-es lábon feszt? úgy is ha a 9-es lábat szabadon hagyom magyarán nem megy rá fesz. Segítséget előre is köszi
Tudom figyelmedbe ajánlani: Bővebben: Link...
A 9-es lábon a tápfeszültséget kellene mérned, és ha nem azt méred, akkor kösd össze a 9-es lábat a 3-as lábbal... Üdv!
Én ezt tudom de Lm3915 két féle kijelzésre képes egyszer BAR / DOT és ezt úgy lehet változtatni hogy kap táp feszt vagy nem na már most az az érdekess hiába nem kap táp feszt üresen log levegőbe 9-es láb akkor is 3V-ot És arra lettem volna kiváncsi hogy ez normális-e. Amúgy bővebben lásd ,pa elektronika spektrum analizátor.
BAR / DOT üzemmód az az, vagy vagy 0V-ot mérsz rajta, magyarul rákötöd a 0V-ra, vagy a tápfeszt méred rajta, azaz rákötöd a tápfeszre...
Egyébként nekem se működött... Ld.: Bővebben: Videó
aha igen nálam is pont ez baj hogy csak pontba működik.
Na ezt megpróbálom még max esetleg még egy ic csere azt kifújt az ötletem:S
Másik IC-vel is ugyan ezt fogod tapasztalni...
DE akkor nem értem valami hiba valahol még is van benne ha nem vált kijelzési modot. Mert még is másoknak sikerült akkor lehet valamit mi csesztünk el az áramkörbe?
Szia.
![]() Megnyugtatnálak,hogy nekem sem működik a DOT/BAR üzemmód. Csupán gyenge fényerőváltozást tapasztalok,de engem annyira nem is zavar.(hogy nem lehet váltani az üzemmódok között)
Hello!
Úgy látom, olvasni nem szerettek. De ezt a hozzászólásomat ajánlom figyelmetekbe.. üdv! proli007
Sziasztok.
Egy számotokra biztos egyszerű kérdésem lenne. Pc-be raktam egy led kivezérlésjelzőt amit egy egyszerű pc speker erősítő hajt meg ami közös tápra van kötve "pc táp 12v".Itt jön a baj!!Ha a pc tápot használom,a kivezérlésjelző utolsó két lede nem villog,viszont az összes többi csak egyszerre azonos fénnyel.Ha külső tápra rakom akkor működik rendeses"az egész ledsor szépen erőteljesen és ütemre villog" Segítsetek,hogy mi lehet a baj.Tenni kellene be valami kondit stb...... Előre is köszönöm. Sziasztok Antal27
Szia
Értem. Köszönöm szépen Dj.CSont nevében is
Szia
Szerencsére Én,és Proli007 már megoldott(a/uk) ezt a problémát.Legalábbis azt hiszem,hogy ugyanaz a problémánk. Itt megtalálod (középtájon írok a dologról) Jah és itt. Akkor már ezt is nézd meg
Szia.
Köszi a gyors választ.Holnap kipróbálom.Remélem jó lesz. Jó éjt. Üdv:Antal27
Hali! Megépítettem a képen látható kapcsolást + 1 kondival kiegészítve de nem működik. Hozzáteszem ez az első NYÁKom. Minden jól van bekötve kivéve a potit de annak semmi jelentősége. Az is azért van úgy bekötve mert tengelyest akartam rakni de nem volt ezért vettem trimmert. Nos a következő a helyzet: ha adok rá hangot ha nem az összes led világít viszont ha az ujjammal hozzáérek a + bemenetre akkor visszaugrik a led sor és csak az első három zöld led világít. A potit hiába tekerem ugyaz ez van. Várom az ötleteket mert már többen megépítették ezt és működött.
Üdv.Mindenkinek! Látom meg oldot rejtély
Lényegében nekem most kijelző pont szerűen jelezz ki nekem meg oszlopos kell! Mellékeltem kapcsolási rajzot itt akkor most mit alakítsak ezen hogy oszloposon jelezzen! ? Mert nem nagyon értettem sajnos dolgot
Ellenőriztem műszerrel minden vezetősáv tökéletes.
2 perc után nemlehet hozzányúlni olyan forró a IC ha az összes led világít. A poti jó 0-tól 10K-ig megy ellenőriztem. Ja és 12 voltról megy úgyhogy szerintem nem baj hogy meleg de ti biztos jobban tudjátok.
ANNYI?? Az első pillanattól kezdve mikor rákötöttem az 12 voltot ez volt. Hibás volt gyárilag vagy ilyen hirtelen ment tönkre
Remélem lesz megoldás mert ha nem akkor 500 Ft megy a kukába.
Szia!
Egy tipp:ha van "sípolós" multid,akkor vizsgáld végig vele a vezetősávokat,hogy nincs-e véletlenül szakadás.Nekem úgy tűnik a képről,hogy megmarta a maratód a vezetősávokat, lehet olyan hely,ami még a szemednek úgy tűnik,mintha szakadás mentes lenne,de a valóságban miniatűr krátermező. Én már találkoztam ilyen esettel..Üdv!
Ellenőriztem körülbelül ötször műszerrel és minden vezetősáv hibátlan.
Hello!
- Ennek a kapcsolás bemenetének, nem szabadna "lógni". Tehát a két bemenet két pontja közé tegyél, egy maximum 10kohm-os ellenállást. Akkor vezérlés nélkül, minden Led-nek sötétnek illene lenni. - Ez után próbáld ki, (R2 trimmer középállása mellett) hogy a +12V és GND pontot egy poti két szélső lábára kötve, majd a poti középső lábat a bemenetre kötve, lehet-e a Led-sort szépen fel-le működtetni. - Ha ez működik, jöhet az erősítőre kapcsolás. Viszont, nem csak a bemenetet (SIG) kell az erősítőre kötni, hanem a GND pontot (4.láb) is közösíteni kell az erősítő GND pontjával. Ha az erősítővel történő összekötésnél minden Led világít, lehet hogy az erősítőd hídkapcsolású vagy egyenfeszültség van az erősítő kimeneti pontján. üdv! proli007
Szép jó napot minden kedves fórumozónak....Az interneten találtam az alábbi kivezérlésjelzőt...
link1: http://www.youtube.com/watch?v=J8eI7La4pPQ&feature=watch_response link2: http://www.youtube.com/watch?v=pbTF772ylwo&feature=related Az érdekelne nem e tud valaki valami okosat írni erről a szerkezetről???Lényegében azért kérdezem ezt mert meg akarom építeni csak eléggé kezdő vagyok a szeren és nem tudom hogyan kezdjek neki mivel még terveket se találok róla....Jah és mikrofon helyett rendes audio bemenetet szeretnék rakni...Előre is köszönöm ha valaki segít...Tisztelettel : Atielectronic(Kovács Attila)
Hali.hát ahogy én ezt elnéztem.ez egy szimpla kivezérlés jelzö nagyerejü ledekkel megépitve és elég vastag plexi lapok egymás felett és a nagy erejü ledek az oldalához erösitve.Csak valami árnyékolás kell a led mögé hogy a fény legtöbb része a plekszire jusson.magyarul alufoliábol egy bura a led köré.és akkor az jo fog lenni és teljesen ugyan igy fog müködni.
Hali.Olyan gondom van.hogy épitettem ledes kivezérlés jelzöt lm3915-el 2 félét is.és egyik sem akar müködni.Semilyen felvillanás vagy világitás nincsen és az ic sem melegszik.
Hali!
nézd meg hogy a led-eket jól raktad-e be, nem pedig forditva. ha az jó akkor nézd meg az ic-t is.igazából innét már működni kell neki.
Hello
A vumeter nevű csatolt fájlban szereplő kapcsolás nekem sem működött. viszont a másik igen,ezért nem értem,hogy neked miért nem működik. Minden esetre támogatom pergerz ötletét |
Bejelentkezés
Hirdetés |




Na ezt megpróbálom még max esetleg még egy ic csere azt kifújt az ötletem:S











