Fórum témák
» Több friss téma |
Hello mindenkinek,
kezdo lennek elektronika teren. Nemreg felkertek egy nyomas erzekelo elektronikajanak a megepitesere. Az erzekelo adatlapja: Bővebben: Link Ha valakinek van javaslata, szivesen fogadom. Udv.
koszonom.
lattam a mellekletben feltuntetett bekoteseket. A kerdes az, hogy ha en egy 3.3V os bemeneten akarom merni a feszultseg szintet, akkor betaplalom es az erosito max kimeneti fesz. 2 ellenallasbol beallitom 3.3V ra es az fog ugy mukodni? A masik amit nem ertek az az, hogy mire szolgal az a hid szeru potmeterekbol allo rendszer? Koszonom eddigi hozzaszolasod.
Neked melyikkel dolgozol, áram, vagy fesz kimenetűvel?
A 4-20mA -essel járnál a legjobban, nert itt csak egy söntellenállás kell és a rajta eső fesz egyenes arányban van a mért értékkel.
Koszonom valaszod. Inkabb feszultseg kimenetel dolgoznek! Erre javaslat.Esetleg konkret aramkori megvaloszitas (elmeleti rajz, akar paintben
)
Itt egy nem röhög ábra !
Bár könyebb lenne ha pontosan tudnám, hogy melyiket akarod használni.
Szia!
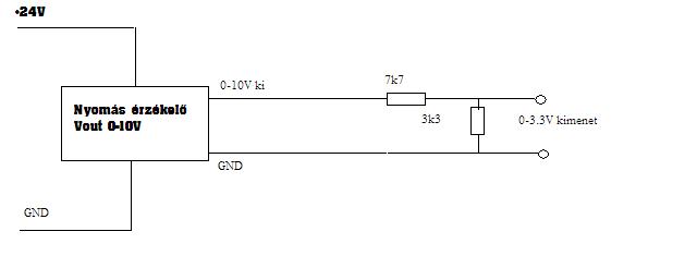
Nem értettem meg elsőre, hogy mi a problémád, ezért töröltem a válaszomat... A feszültség kimenetű érzékelőre (kétféle kivitel van: 0 - 5.1V ill. 0 - 10V) egy feszültség osztó áramkör kell, ami a 3.3V-ra osztja le a feszültséget (a rajzolt ciw feltöltötte): 0-5.1V: érz. kimenet - 1k8 - mérő bemenet - 3k3 - föld 0-10V : érz. kimenet - 6k7 - mérő bemenet - 3k3 - föld. Az érzékenység megtatásához legalább 0.25%-os vagy pontosabb ellenállások kellenek. Az áram (4-20mA) kimenetűhoz csak egy 165 ohm (0,25%) -os ellenállás kell. Mindkét esetben célszerű a bemenetet védelemmel is ellátni (3.6V-os zéner...), illetve szűrni egy kicsit (100nf kerámia kondenzátor).
A soros ellenállás értékét valóban elszámoltam, mert nem 7k7, hanem 6k7 kell.
Egyébként ipari környezetben inkább az áram kimenetű a jobb (meg szerintem mindenhol) sokkal érzéketlenebb a zavarokra, mint a fesz kimenetű társai.
koszonom ujabb hozzaszolasaitokat.
Ipari kornyezetben hasznalnam. Talan megis akkor az aram kimenetet hasznalnam. Javaslat esetleg ha meg lenne az aramkimenet kapcsolasi rajzara? Es egy masik fontos kerdes az, hogy inkabb az erzeklon/mellett elhelyezni az aramkort es ugy menni 2 szallal a 2meterre levo PICbe vagy erzekelotol jonni 2metert es az aramkort elhelyezni a PICmellett? Udv, Csaba
Mindenképp a pic mellett kell elhelyezni az ellenállásosztót !
Én így gondoltam, az ellenállatot a pichez kell elhelyezni, és az érzékelőt kell hozzávezetni. A szűrésről és védelemről ne feledkezz el. Esetleg az áramágba tehetsz biztit is, mert ha rövidrezárják akkor a 165Ω - elég és a PIC-nek sanyi !
Talán ez is segíthet:
http://www.edn.com/article/CA419566.html
szoval ha atvesszuk megegyszer:
elenallassal sorban biztositek. zener es kondi a parhuzamosan a 3k3 es fold kozott! A kondi 100nF es a zener az...?
Igen így jó lesz.
Ha zénert is akarsz akkor előtétellenállás is kell hozzá, zéner 3.3V. Inkább ha lehetőség van használj szupresszort. Na közben megtaláltam ezt a pdf-et, ezt olvasd át és azonnal világos lesz az egész. |
Bejelentkezés
Hirdetés |




) 

