Fórum témák
» Több friss téma |
Bocs, lehet, hogy már késő van az egész napi robot után, de én azt látom, hogy az első 555 is akkor tud indulni, amikor a második a tirisztort indítja. Amikor lejár a második 555 időzitése, (1 sec környéki) a kimenet leállitja az első, a tranzisztort vezérlő ic-t. A kondi ilyenkor már töltött. Ezután az 1sec késleltetés után megintcsak begyújt a tirisztor, de ezzel együtt már indul a tranyó vezérlése is, magyarul a nyitott tirisztor terheli a trafót, amíg le nem zár.....
A második ic annyi időre "némítja"el az elő ic-t mint amennyi időre zárja a tirisztort,ezt észre sem lehet venni,mert itt a tirisztor kb 0,2-04 másodpercre kap csak jelet.
Az első ic reset lába a 4-es. Ezt pedig a második 555 kimenete vezérli, illetve a leden keresztül jut még pozitiv feszültség rá. Ha a reset láb 1V-nál magasabb feszültség fölött van, akkor az astabil rezeg. A tirisztor bekapcsolása is akkor megy végbe, amikor a második 555 kimenete magas szintre vált, tehát az első ic resetlába is engedélyezett szinten van, vagyis működik, tehát kapcsolgatja a tranyót az idő alatt is mig a tirisztor bekapcsolva van....
Továbbmennék: a led sem akkor villan fel, amikor a tirisztor rásüti a kondit a trafóra, hanem előtte, és amikor kialszik, akkor történik meg a szikrakisülés.
Végeredményben nem azt a működésmódot éred el, ami kívánatos lenne. Összefoglalva: A kondi töltése ~1sec alatt megtörténik, ezután a második 555 kimenete rövid időre a Te általad irt ~ 0.2-0.4 sec-re alacsony szintet vesz fel, ekkor villan fel a led, és ekkor van az első,555 tiltva, de ezzel voltaképp nem érsz el semmit. Mikor a második 555 kimenete magas szintre kerül, akkor kapcsolja a tirisztort a kondin keresztül, de engedélyezi az első ic működését is egyben, tehát megy a kondi töltése is, bár épp ezt akartad megakadályozni.... Szóval még egy kicsit gyúrni kellene, ha sorozatba akarod gyártani. De egy kisteljesitményű tranyóval, egy-két kondival, és két-három ellenállással életképessé lehet tenni a kapcsolást.
Szia !
A második 555-re kötött ledet 100 Ohm -al az 555 földre viszi lehet hogy csak egyszer villan .Az 555 bírná csak a led kérdéses? Ha a ledre számolunk kb 2-4 voltot akkor is a maradék 8-10Volt ami képződik a 100 Ohm-os ellenálláson . És most lehet számolni.Ez bizony 80-100 mA !!Már amikor 1mA -es ledek is jól világítanak. Akkus üzemnél ez fontos lehet .Lehetne spórolni ezen is . üdv
Szia !
A kimenetre rakott kondenzátorok össz feszültsége mennyi is ? Ha darabja 250volt max ! Az pontosan 1750 Volt .Akkor mennyi lehet a kimenő fesz ,gondolom ennél kisebb . Mire gyártották ez a készüléket milyen használatra ,mert lehet hogy kisebb állathoz jó. DE hogy mitől lenne sokkal nagyobb a delej arra nem jöttem rá A lámpa pedig a kapcsolásból következtetve minden impulzus hatására felvillan .A hálózaton levő szakadást nem jelzi .De ha rövidzár van föld zárlat akkor pedig nem fog villogni az impulzus ütemében .Én így gondolom a működését . Köszönjük a kapcsolást . üdv
Rakd össze!!!
Én azt írtam,hogy ez egy prototípus tesztelve nem volt egyetlen egy készült DESZKA modell formájában!!! A tesztelés rátok vár.
Már rég feltöltöttem a rajzomat, azt csináltam meg többször, és működik. Írtam is már sok-sok sort vele kapcsolatban, csak meguntam.
Mivel nem egyforma alkatrészeink vannak, ezért nem lehet olyan megoldást csinálni, hogy összerakom és megy. Az élesztésnél mindig kell egy kicsit variálni, az inverter időzítő ellenállásaival, vagy a diac időzítő RC-jével. Végülis lényegtelen precizitás szempontból, hogy diac vagy 555, mindkettő elég precíz, nem úgy mint az RC tag. 555-nél meg diac-nál is elég nagy kondi kell, és nagy ellenállás. A nagy kondinál (elkó) nagyobb a szivárgási áram, és idővel nő is ahogy öregszik. Nagy ellenállásnál, megaohmos tartományban nagyobb a hőmérsékletfüggés is. Aggódni viszont nem kell, +- 20 vagy 25%-ot enged a szabvány, annyit azért nem mászik el.
Szia !
Nem bántó szándékkal írom észrevételemet .Csak tudod a közmondás .TÖBB SZEM TÖBB CSIPA. Úgy épül alakul változik és nem utolsó sorba JAVUL. Én egyszer találtam egy riasztó rajzot ami nagyon megtetszett csak több sebből vérzett. de a végére lett belőle egy A5 méretű,+memóriás,+ szünetmentes .Szóval szépen kikerekedett.Igaz beletelt vagy két évembe .Tudom a kritikát nehéz elfogadni .De ezzel én is így vagyok emberből vagyunk.Még a rossz dolgok is jók, mindennek van valami hozadéka .Gondolatokat ébreszt másokban stb Szóval egymás tapasztalatait ötleteit tovább gondolva tudjuk fejleszteni vagy legalábbis irányba tartani a vonalat . Mindenkinek van valami erőssége amit jobban tud mint a másik .Az alap modellt kell tökélyre fejleszteni és kiegészíteni extrával egyszóval bőven van mit turbózni . üdv
Szervusz !
Így van pontosan .Nagyon jól látod a lényeget szerintem .Azt tudni kell hogy időzítő ák-be nem szabad elkót rakni az időállandója, szivárgó árama miatt . Tantál ,stiroflex,és metáloxid -al bezárólag használható. üdv
hy!
Ez egy gyári pásztor, ami eredetileg 3000V körül ütött.Most pedig azt hiszem 4300V-ot ad.Egyik esetben sem szálltak el a kondik.Első esetben évekig ment, második esetben csak néhány percig ment próbaképp. hegusp
Passz.De amit gondoltam, ill írtam az elgondolkoztató .Most már meg végkép hogy közölted az adatokat .Hogy egy 1750 Voltos kondi hogy bír ki 3-4,3 KV-ot .Hátha valaki más szemmel
megfejti a rejtélyt üdv
A soros kondik feszültségét én is alacsonynak találom, de ez a részkapcsolás booster jellegű. Ha a trafó szekunderén a feszültség eléri a ~ 500V-ot akkor a tirisztor begyújt, a glimmen keresztül némileg beterheli a szekundert. Lecsökken a feszültség,majd polaritása megváltozik, feszültséglengés alakul ki, mivel a szekunder és a soros kondik rezgőkört alkotnak, (ekkor már zárt a tirisztor), és tudjuk, hogy egy rezgőkör Q értékétől függően nagyobb feszültség is kialakulhat a betápláltnál.
Szia !
Van nálam két Gallagher M1501. Annak a nagy fesz trafó kimenetére van hasonló kapcsolás illesztve ami glim lámpát villogtat és osztja a kimenő nagyfeszt a felére .Ezért három kimenete van föld ,fél power , és teljes power. A nagyfesz-ről veszi le a visszacsatolást a szabályzó kör részére folyadék kristályos display kijelzője van .Ez már kicsit tudományos jellegű belsővel bír .Amit írsz kissé hihetetlen mivel a ráakasztott karám vezeték paraméterei jelentősen eltérhetnek alkalmanként így nem tudom elképzelni ezt a univerzális power rezgőkört .Ami mindig a legjobb Q -t adja .A rezgőkörök Q-ja az egy külön világ .De ki tudja ? üdv
Más magyarázatot nem tudok rá. hegusp szerint "erősebb" a szikra a védő szikraközön, tehát mégiscsak boost-ol.
hy!
250VAC-van ráírva kondikra, és DC a nagyfesz kimenet, nem?Akkor a kondik bírják.2xgyök2-vel kell szorozni talán? hegusp
Ha igy van, akkor azok vigan birnak még 500V DC-t is.
Támogatnám az ötletet, hogy csináljunk egy jól használható cuccot, ami egyszerűen utánépíthető, megbízható, satöbbi. Akár egy cikk formájában, ahol kitérnénk a megfelelő telepítésre is.
Mondjuk egy 555-ös inverter, visszacsatolással, hogy egy beállítható értékig töltsön, így nem fogyaszt feleslegesen, és a kisütésnél már nem pörög. Az időzítő rész lehet a DIAC-os, visszacsatolt megoldásnál elég hamar feltölti úgyis a kondit, illetve könnyen igazodik más kondiértékekhez, így elég stabil időt adna. Aztán már csak egy jó trafóterv kell hogy a gyújtótrafót is le tudjuk váltani.
hy!
Mire érted, hogy így van? Arra, hogy ha DC, vagy arra, hogy ha 2xgyök2-vel szorozzuk?Nincs már nálam a villanypásztor, csak úgy emlékszem hogy DC.A 2xgyök2 pedig még suliból rémlik, nem tuti.Esetleg ha valaki megerősítene, vagy cáfolna... hegusp
hy!
Talán ezért van, hogy vagy 250VAC-vel vagy 680VDC-vel ajánlanak kondikat...Ott is kb 2xgyök2 a hányados. hegusp
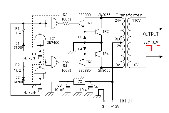
Hi ide nem egy led lett be tervezve hanem 2db 20mA zöld.
Tessék felteszek egy újabb FIKÁZANDÓ rajzot, de legalább én terveztem egy párat és nem más tollát dugom a fenekembe.
Kedves Dizi !
Úgy látom valamiért neheztelsz rám.DE ebben a hangnemben nem kívánok veled szót váltani .De valamiért te is itt vagy a fórumon és első dolgod az volt hogy rakjam fel az általam készített készülék rajzát .Vajon miért is ? üdv
A rajzot azért kértem ,hogy hátha tudok segíteni.
BOCS.
Szerintem is ez lenne a legjobb.
Igazából nem csak a kimenő trafót kellene kitalálni hanem az inverter trafóját is kiváltani egy ferritmagosra ennyi erővel az 555 is a kukába kerülne, mert egy egy tranyós visszacsatolós oszcival meg lenne a tuti gép.
Részemről ok felejtsük el ezt a ...." comment"-et.
Azért annyit hozzá fűzök, hogy privátban próbáltad rendezni . Ezzel irányomban korrigáltad a hozzászólásodat . üdv
Hehe, én is magam terveztem amit anno felraktam, bár azt is a boldog életű RT lapjain megjelent elektromos gyújtásból rajzoltam át, csak a diac-os cucc volt új benne, de az se új, mert azt meg valami stroboszkópnál láttam meghatározhatatlan idővel ezelőtt.
Nincs új a nap alatt.
Létezik itthon valamilyen kisipari cucc, ja, meg az EPKT is egy fazékmagos önrezgő oszcillátorral csinálta a 4-500V-ot, de manapság nehezebb ilyeneket beszerezni, meg nincsenek berendezkedve a népek tekercselésre. Szoktam is anyázni, amikor olvasom, hogy 'az ezermester boltokban 10Ft-ért beszerezhető'
Ma már alig lehet vasmagot kapni. :/ Lomexnél mondjuk vannak EE- meg ETD magok, de akkor még kell huzal, szigetelőanyag, stb. Szóval egyszerűbb lesz, ha marad valami Puskás vagy Makrai trafó ami beszerezhető. Sőt, van arra is pár rajzom, ami önrezgő, 2x9V-os hálózati trafóval megy, egyet építettem már, de baromi sokat fogyaszt. 5-600mA terhelés nélkül is, szóval valami bibi van vele. Csatolok még egyet, ezt még nem csináltam meg, de ez is jó lehet, nem is kellenek bele ilyen izmos tranyók. Ennél is meg lehetne oldani a visszacsatolást de már bonyolódik..
Az önrezgő kivitelek a trafómag telítésbevitelén alapszanak, ezért nem jó a hatásfokuk, cserébe egyszerűek. Van olyan kéttrafós kivitel, ahol ketté van osztva a dolog, egy kicsike trafó, ami üzemszerűen telitődik (ez vezérli a kapcsolótranyót), és van a feszültségátalakitó trafó, ami lineáris tartományban dolgozik, igy jobb a hatásfok, de oda az egyszerűség.
Maradni kellene az 555-nél, ezzel is meglehet oldani a feszültségfigyelést, a tiltást, meg minden egyebet, ami egy alap, de jól működő pásztorhoz kell. Vagy ha nem timer ic, akkor szóbajöhetne az UC sorozat valamelyik flyback üzemre fejlesztett példánya. Ez utóbbihoz viszont elengedhetetlen a ferrittrafó, a velejáró tekercselés, és egyéb nyűgök, ami egy gyári puskás, vagy egyéb trafó felhasználásakor fel sem merül. Egy kapcsolás fejlesztésében én is benne vagyok, bár nincs pásztorra szükségem, hacsak valamelyik ismerősöm nem kér ilyen készüléket. Nem véletlen a gyújtások és a pásztorok hasonlósága, a feszültségátalakítás, a kondenzátoros energiatárolás, a tirisztor használata, gyakorlatilag egyezik. Azt is tudomásul kell venni, hogy a gyújtótrafós kivitelek kisteljesitményűek, sokkal komolyabb elektronikát nem kell hozzájuk tervezni. Mindenesetre egy nálam jártasabb emberke meghatározhatná nagyvonalakban az igényeket, mint például: hálózati, vagy akkus üzemmód, a maximális energia,stb...
Ezzel csak egy a baj, nagyon sok alkatrészt tartalmaz és ezzel a fogyasztás is elég nagy.
De viszont hogyha dupla tekercses trafóban gondolkodunk akkor egy astabil két tranyó meg fejelve két BD-vel vagy fettel és már spóroltunk is. Az eddigi legegyszerűbb készülékem nyolc alkatrészt tartalmazott. Nekem nem váltak be a pusi féle trafók ezek már inkább a feszültségét ne nézze senki ezek csak minták
Igaz már én is célba értem az én készülékemmel .Már csak az alkotás kíváncsiság miatt fognék bele egy újabb szerkezetnek. Mi a véleményetek ha nagyfesz trafónak régi TV-k U alakú ferrit vasát használni.Könnyű hozzá csévét készíteni és viszonylag nagy felületen lehet tekercselni és a sorvégeken kellő helyet lehet hagyni.Így primer és szekunder is el lenne választva igaz a hatásfoka az romlana. De ezek az alkatrészek még fellelhetőek .
|
Bejelentkezés
Hirdetés |




Mivel nem egyforma alkatrészeink vannak, ezért nem lehet olyan megoldást csinálni, hogy összerakom és megy. Az élesztésnél mindig kell egy kicsit variálni, az inverter időzítő ellenállásaival, vagy a diac időzítő RC-jével.
megfejti a rejtélyt

Nincs új a nap alatt. 

