Fórum témák
» Több friss téma |
![]() Értettem. Köszi a segítséget,talán mostmár össze fog állni a kép.Jövő héten megpróbálom összedobni.
Ja! Milyen paraméterű alkatrészekből érdemes összerakni?Gondolok itt az ellenállásokra(fémréteg,szénréteg stb.)kondi.....
Nincs különösebb megkötés. A diódák legyenek a megadott tipusok.
Ok.
Tudod mi jutott még eszembe? Mivel lehetne megoldani hogy állíthatós legyen alkatrész csere nélkül?
Szia! Nem akarok beleszólni, mert pl. moderátor sem vagyok, de ajánlom, hogy használd a válasz gombot! Ott találod az adott hozzászólás fejlécén, amire válaszolni akarsz, sokkal átláthatóbb lesz. Üdv!
A 250k helyett potenciométert kell berakni. Arra viszont számitani kell, hogy a mostani közel 50% arány el fog tolódni az egyik irányba, minél kisebb ellenállást állitasz be a potméteren, annál kevesebb ideig lesz a relé meghúzva. Csökkenni fog az elengedett állapot ideje is, de mint irtam beállhat akár 40-60% jel-szünet is. Végülis a gyakorlati próba dönthet.
Értem. Először összerakom ahogy mondtad aztán majd utána tuningolom ha nem tetszik. Szimulátorba meg majd megnézek egy pár variációt. Nagyon szépen köszi a segítséget mégegyszer!!!Mára ennyi elég is volt,megjönnek a cumók aztán összedobom bekötöm teszt és majd jelentkezek.Üdv!
Hello
Van egy TSOP1333 tip. IR vevőm, a frekije 33kHz. Itt a HE-n számolgattam az 555-ös astabilon és 33,333333kHz jött ki. A kérés az hogy működne ezzel? Csak egy relé kapcsolgatására kéne.
Ha van infraleded, akkor minden bizonnyal működne.
Van!
Köszi. De azért még várok hátha valaki még hozzászólna.
Hülyén nézne ki, ha megerősíteném amit Kadarist mondott, - mert nem szokott hülyeséget mondani, -
de vedd úgy, hogy én is hozzászóltam.
Hi!
Valaki tudna nekem ajánlani egy kapcsolást ami egy adott jelre x másodpercig bekapcsol egy relét. Miután vége az x másodpercnek akkor pedig simán kikapcsolt állapotban hagyja a relét, függetlenül hogy a vezérlő jel rajt maradt a bemeneten . Újabb megszakítása a vezérlőjelnek ugyan ezt az eredményt produkálja. Van valakinek ilyen kapcsolása? Nekem ez 555 gyanús dolog, de nem nagyon értek hozzá. Válaszokat előre is köszönöm
Monostabil kapcsolásra keress.
Számítása:monostabil 555
Monostabil kell neked, de a vezérlőjelet kondenzátorral le kell választani.
Nekem nem késleltetés kell. Olyan kell hogy kap egy állandó jelet a cucc bemenete de a kimeneten csak 2másodpercig van jel. Viszont ez a jel attól a pillanattól van hogy megkapta a vezérlést. Csak akkor indul újra a 2 másodperc ha meg lett szakítva és visszakapcsolva a vezérlőjel.
Pont olyan a monostabil. Az inditójel hatására billen, majd az időzités (2sec) után visszabillen, függetlenül attól, hogy a vezérlőjel még fennál. De mint irtam a vezérlőjelet kondival le kell választani.
Még mindig monostabil kell Neked. A vezérlőjel akármeddig rajta kehet, a kimenet akkor is átvált a 2 mp. után. A kondis becsatolást ne feledd!
Hali
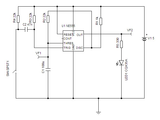
Ez pl. Kb 2,5 sec a bekapcsolas a kapcsolo zarasa utan. Az idot a C1 kondi es a R2 22k ellenallas hatarozza meg. Udv Vili
Az R3-al párhuzamosan kellene egy dióda, katód a pozitív tápon. A kapcsoló nyitásakor van egy pozitív irányú feszültségugrás az inditó bemenet felé, a dióda ezt a tápfeszültségnél alig magasabb szinten megfogja.
Sziasztok! Lenne egy kérdésem az 555-ös monostabil kapcsolással. A kalkulátornél a rajzon a + és a - Között van egy szűrőkondi. Azt el lehet hagyni? Vagy lehet bele nagyobb esetleg? csak azért kérdezem mert nincs olyan kicsi itthon. 100nf-st ir de nekem 50uf-os a legkisebb. Azt berakhatom helyett? Előre is köszi!
Hello!
A táp szűrést soha nem szabad elhagyni. De az 50µF jobb, mint a 100nF. Az a minimum, de igazából mind kettőt illene bele rakni. (De nem kötelező) üdv! proli007
Köszi. De valahogy nem ugy müködik ahogy kellene. Néha magától bekapcsol. Monostabilként használom. 3x is megépítettem és ugyan az a hiba. Ha csk újjal hozzáérek a tiggerhez bekapcsol. De van hogy magától is. Ez miért van? Én már nem értem. Ez az első 555-ös kapcoslásom. C=100u, R=15k
Szia ! Milyen áramforrást használsz hozzá? Nekem egy"dugasztápról" táplálva művelt ilyen dolgokat, vagy zárlatos(!), vagy lehet hogy a két csévetest a trafóban nem külön elválasztva van,és lehetséges hogy kondenzátorhoz hasonlóan viselkedik? Ha kézzel hozzáérsz rajtad/földön keresztül kap "testet"!? (Ha hülyeséget írtam javítsatok ki!) Próbáld ki teleppel ( elem-akkumulátor) és ahol a rajzon van rakjál mindenhová szűrőkondit minél közelebb az IC-hez, lehetősség szerint minél rövidebb vezetéket vezetősávot használj !
Rakj a bemenetére egy le/felhúzóellenállást! Ennyi a megoldás. Amíg lebeg a bemenete, addig ez a jelenség természetes.
A táp szűrésre meg a 100nf, és a 10-100uf ugyanúgy illik, egyik a kisfrekvenciás, másik a nagyfrekvenciás zavarokat szűri.
egy sima adaptert használok. Sürőkondi is van benne. ma vettem mégegy ic-t de ugyan azt tapasztalom. mindejárt megépítem astabilként csak ugy kiváncsiságból.
Mit takar a felhúzóellenállás? ne haragudj, de elég kezdő vagyok
|
Bejelentkezés
Hirdetés |











