Fórum témák
» Több friss téma |
Fórum » Oszcilloszkóp számítógépre
Túl általános a kérdésed, több oldalt tenne ki a válasz, már ha tudnék rá válaszolni. Az egyszerű verzió az, hogy a programnak egy regisztert kell kiolvasnia, amelyben egy bit az hozzárendelt láb logikai állapotát mutatja...
Én is ilyesmire gondoltam
![]() Köszönöm a segítséget.
Turbo Pascalban(7) valami hasonlóval lehet nézegetni a port állapotát:
program nyomtatoport1; uses crt; const LPT1=$378; LPT2=$278; var x,y:byte; prt:word; ch:char; begin prt:=LPT1; clrscr; repeat ch:=readkey; x:=port[prt]; y:=port[prt+1]; writeln('A portok: ',x,' ',y); until ch=char(27); end.
Kompresszió méréssel valóban pontosabb diagnózist kapunk. Az oszcilloszkópos feszmérés viszont sokkal egyszerűbb és leginkább gyorsabb egy korszerű 4hengeres motoron, mint az hogy darabokra szedjük a motort. Mert nem olyan egyszerű ám hozzáférni a gyertyákhoz.
Arról nem is beszélve hogy, mindezt a tulaj előtt kéne csinálni...
Hi Mesterek, segítséget szeretnék kérni.
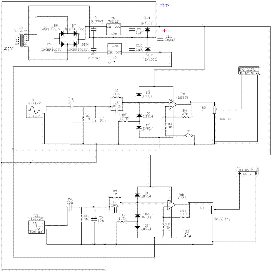
Megépítettem az illesztő kapcsolást a hangáratyához ami lentebb van, de valami nem jó mert a sin hullámot is, és a többi jelet is "lefejezi" .Annyit "módosítottam" hogy TL072 helyet KA358 és 1n914 helyett fr155 diódákat raktam bele (ezek voltak itthon) Okozhatják ezek a gubancot? Segítséget előre is köszönöm.
Szia!
Kettős tápegységről megy? A diódák nincsenek fordítva bekötve?
A bemeneti antiparalell diódák feladata, hogy meggátolja (lefejezze) a hangkártya bemenet túlvezérlését. Amit látsz az a feladata. Használj kisebb bemenőszintet
Szerintem is, nem „lefejezi” ha már ezt a „szakkifejezést” használtuk.
Hanem, az egyik fél hullámot „nem engedi” át. Inkább tápfesz probléma lehet.
Hi
-Egy pc tápegységről van hajtva 12V. -A bemeneti feszültség U je olyan 300-500mV körül van, scop és multiméter szerint is. Jelenleg úgy próbálom tesztelni a kapcsolást hogy a pc kimenetre van kötve közvetlen onnan pedig vissza a line in be. A mellékletbe van a kapcsolás ahogy összekötöttem. Köszönöm a segítséget még egyszer.
+- 12V-ot igényel a kapcsolás. Tehát +12V, -12V. GND. Így táplálod?
A rajz szerint minden rendben.
Nem kellene két 50-100 mikróst tenni puffer gyanánt az előerősítőre tenni? Az IC lábain kellene megmérni a tápfeszt, hogy megvan-e 2*12 V. forrasztási hiba, vagy ilyesmi is lehetne.
Ahogy a kadarist írja, csak kettős tápról működik.
Ráadásul a bemenetet +12 V nál "csontra" megfogja, de - 12 V nál nem, illetve már 0 V -nál (-0.7 V) a negatív tartományban torzítást okoz, mert a 47 kohm terheli a bemenetet
Hi
Nem 2X12v-t kap hanem csak egyet, mert ugye Az Ic-be 2db műveleti erősítő van és úgy is használom, tehát a vcc kap +12v, a gnd meg -12v-t. A GND a rajzon azért van mert aszt hiszem hogy anélkül hibát generált a prg. Ha jól tudom a pc táp le van földelve vagy az teljesen más? Vagy rakjak bele 2db műveleti erősítőt(Ka358) és csak egyből egyet használjak? Vagy rakjak rá egy 3 kivezetéses trafót(van) amit majd egyenirányítok pl egy greatz-el és lepufferelem? De a GND arról honnan vegyem? ez a táp mizéria elégé sötét nekem. Köszönöm a további segítséget
Hi
Tehát akkor a rajz nem igazán jó? Csökkentsem a a47k, és mondjuk csináljak több feszosztot a bemenetre, pl.:10V,20V,100V,300V Vagy maradjak a kettős tápnál? Egy 12v nem lehet "okosan" ketté szedni? Azért akarnék a pc tápnál maradni mert úgyis a gépre van kötve(hangkártya) akkor már mindegy ha ugyanazzal az erőforrással hajtom meg, gondolom Én.
Kettős, szimmetrikus táplálás kell! Ha már PC tápról kell használnod, akkor csináld úgy, hogy a földre, (test, GND,) kösd a negatívat, a pozitív tápfeszültségre a +12V-ot, a negatív tápfeszültségre a PC-tápnál eleve meglévő -12V-ot. Ha így csinálod, jó lesz az áramköröd.
Lehet "okosan" megfelezni a tápot, de ez az áramkörödben nincs benne. Egyébként is elég faramuci a kapcsolásod, de attól még működhet, de csak kettős tápról, ahogy kadarist is írta. A GND hez képest + 12 V az egyik, - 12V a másik.
Ha csak egy tápról akarod működtetni, akkor kissé át kell alakítani a kapcsolásodat, be kell tenni egy fesz osztót az IC + bemenetére, ami beállítja az IC -t féltápfeszre, ez elég nehéz lesz, mert ez egyben a nagyimpedanciás bemenet is, így két egyforma értékű nagy ellenállást kell alkalmazni, ez viszont az IC drifje miatt aggályos. Át kell alakítani a védődiódák kapcsolását is. Mindent egybevetve az egytápos kivitelnek újat kellene szerkeszteni.
Hi
Akkor ha jó értem ezt a pontot közösítem(bekarikáztam) De ha mondjuk nagyobb feszt kapcsolók a bemenetre (kapcsolásra), nem bog bemenni a a pc kártyára is? Bocs hogy ennyit kérdezősködök.
Nem lesz semmi baj, ha nagyobb feszültséget kötsz rá a kelleténél. Egyrészt ott van a bemeneti csatolókondenzátor, meg a megfogódiódák is. Persze ne hálózati feszültséggel próbálkozz.
Az összekötözés viszont nem jó! Még egyszer: szimmetrikus táplálás kell. Három tápvezetéket kell rákötnöd: plusz 12 volt, GND, mínusz 12 volt. Az előbb leírtam, hogy hogyan csináld. Szimmetrikus táplálás:Basic Symmetric Power Supply
Mindegy, hogy hány műveleti erősítő van egy tokban. A mindegyiknek kell a „neki járó” tápfeszültsége.
Butácska példa, de a lakásba mindegy, hogy hány izzó van. Mindegyiknek kell a maga tápfeszültsége. Ha egy tokban több erősítő is van, csak egyszer kell odavezetni, mert a tokon belül össze vannak azok kötve. Szóval. Kell neki egy +12V és egy –12V a megfelelő lábra. Természetesen a földponthoz viszonyítva értendő a +12 és a –12. „Ha jól tudom a pc táp le van földelve vagy az teljesen más?” Tényleg más. A földelés nem feltétlenül jelent tényleges földpotenciálra való kötést. A paneledhez 3 vezetéknek kell mennie a tápfeszültségtől. Kell egy föld. Ez lesz a viszonyítási alap. Ehhez képest kell +12V és egy –12V. ami a jel szempontjából is föd lesz. Ide jön majd a jelvezeték árnyékolása. „Vagy rakjak rá egy 3 kivezetéses trafót(van) amit majd egyenirányítok pl egy greatz-el és lepufferelem?” A működés szempontjából közömbös. Lényeges, hogy a névleges feszültségeket kapja meg a szükséges áramerősség mellet. (Itt, ugye ezzel nem lehet probléma. Elég erős a tápegység.) „De a GND arról honnan vegyem?” Ha a PC tápegységében gondolkodsz, azt megkapod a csatlakozóról, ahonnan eddig vetted. Test, föld, GDN. Esetünkben mindhárom ugyan az.
Ok, köszönöm a választ és a magyarázatot.
Holnap majd átkötöm, és megnézem. Köszönöm még egyszer.
Baxi! Melyik kapcsolást építetted meg? Nekem is kellene csinálnom egyet.
Na kész és működik, igaz alacsony(1Hz) illetve magas(15KHz) Hz- nem szereti, de lehet hogy az integrált hangkártya a ludas.
A lényeg hogy megyen, köszönet mindenkinek Holnap rakok fel képeket, meg a kapcsolást. Köszönöm még egyszer a segítséget!!!
Hi Mesterek.
Na itten vannak a képek ![]() Végül is nekem lambda szonda, légtömeg mérő meg stb. vizsgálatára kell. Szerintem arra jó lesz. Még majd kap egy kis szép dobozt bnc csatlakozókkal. Köszönöm még egyszer.
Gratulálok hozzá!!
A D7 - D10 típusát nem tudom elolvasni, azok milyen diódák? Nyákot nem terveztél hozzá véletlenül? :awink:
1N4001 jó oda.
Hi
Készen van a mű ![]() Igaz még egy poti tekerő hiányzik ![]() A kapcsolót Én kihagytam belőle, mert ahogy néztem még a hangkártya kimenetén lévő alacsony feszt (mV) is szépen mérte/érzékelte. A kivezetésére ami a hangkártyába megy kapott egy diódát. Biztos ami biztos alapon, ha meg akarna szaladni. Ami nagyon tetszik benne hogy ha a mérő vezetéket csak a 230V(hosszabbító) közelébe vittem már ott volt a szinusz hullám a gépen ![]() Köszönöm még egyszer a segítséget mindenkinek.
Gratulálok hozzá!! Nyákról tudnál egy fotót feltenni? Nincs nyák-terved véletlenül?
Köszi.
Sajna mivel nekem nincs kütyüm a nyák készítéshez, így nincs. Én forszemes lapra raktam rá, és kapcsolási rajz után sorba beűltetgettem őket majd összeforrasztottam. Sok sikert a projekthez.
Nagyon király lett a MŰVED!
Kívánom, hogy a jó kezdést hasonló eredmények kövessék! |
Bejelentkezés
Hirdetés |





Arról nem is beszélve hogy, mindezt a tulaj előtt kéne csinálni... 














