Fórum témák
» Több friss téma |
Egy lehetséges út a
TDA7000 URH FM vevő + LM386 hangfrekvenciás végerősítő gyári ajánlása szerinti kapcsolása.
És a mikrofon (elektret) milyen messziről hallja a beszédet?
sziasztok!
Nem tudom ide illik e a kérdés. van nekem 3 da3ab BRG AM 0127 visszhang kézi adó vevőm. hibásak van róla rajz de azon a kristályok tipusa nincs feltüntetve. elvileg 27.055 kellene beleaz adó részébe és a vévő részébe is de nem tudom pontosan. mert akitöl szereztem bütykölte már és két különböző van benne. az lenne a kérdésem hogy egyforma kell bele vagy tényleg két különböző. ha ebben tudna segiteni valaki meg köszönném!!! itt a rajz
A CB csatornakristályok (régen) párban kaphatók. Az adókristály frekvenciája megegyezik a csatorna frekvenciájával, a vevőkristályé 455 kHz -el alacsonyabb. (27.055 - 26.600) A mérete szinte közömbös, csak beleférjen. Eredetileg HC49U volt benne.
köszi szépen kipróbálom és ha müködik irok még a hangolásukkal leszek bajba mert nincs hozzá müszerem semmi
Ha nagyon muszály, be lehet hangolni egyiket a másikkal, multimétered meg csak van.
Sziasztok!
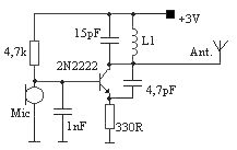
Sokat foglalkoztam már azzal a témával hogy hogyan tudnám megnövelni az egy-tranzisztoros FM-adóm hatótávját,de nem jutottam sokkal előrébb. Tudom hogy egy tranzisztorbol nem lehet komoly adót csinálni de ez hobbi célra van. a lakásbol kellene eljuttatnom a "hangot" az autórádióig a garázsba,idáig a garázsajtóig sikerült eljuttatni de utána már csak recseg. Vannak még ötleteim de azok se biztos hogy előrébb visznek úgyhogy aki jártasabb a témába segíthet megoldani a dolgot.
Ez megoldja a problémádat, 1W FM adó a CCIR sávba.
Ennek kb mekkora lehet a hatótávja?
Ja és én olyan kapcsolásra gondoltam ami a meglévő adómnak megnöveli a hatótávját
Párszáz méter még rossz terjedési viszonyok mellett is,
ha a meglévő adódhoz akarod csak a T2 tranzisztor alkotta végfokot használd. A meglévő adód hangolt tekercsére helyezz pár menetes kicsatoló tekercset amit a T2 bázisa és a föld közzé kapcsolsz. A bázisosztó sem kell és az előtte lévő alkatrészek sem.
Köszi milyent időm lesz megcsinálom.
Esetleg azt a tranzisztort milyen másikkal lehetne helyettesíteni?
Nagyfrekvenciás TO3 tokos tipusokkal lehetne helyettesíteni de nem érdemes keresgetni, ez a tranzisztor /2N2219/ olyannyira népszerű hogy minden
elektronikai kereskedésben megtalálható. HESTORE 150 Ft
Oké köszi akkor majd beszaladok elektro boltba és veszek
![]() Vannak itthon is 1000-1100MHz-es tranzisztoraim de azokkal nem tudok nagy hatótávot elérni
Sziasztok!
A kérdésem az lenne, hogy van egy elektromos kapásjelzőm, amin van egy jack aljzat. Ehhez szeretnék egy 50-150 m -es hatótávolságú adó vevőt építeni. Hogyan lehetséges ez illetve mit javasoltok? Üdv.: Petya
Én a helyedben vennék egy olcsó adó vevőt, amit rákötnék a kapásjelzőre úgy, hogy amikor a kapásjelző megszólal relén keresztül bekapcsolná az adót is. így a vevőn már kapod is a jelzést a kapásról
Valószínűleg már megoldotta egy egyszerű vezetéknélküli kapucsengő alkalmazásával.
Üdv
Én egy kis faluban lakok (kb. 1000 fős) Tolna megyében, ráadásul egy völgyben. Max 4 adást lehet fogni (neo, class, petőfi, kossuth). Arra gondoltam, hogy vennék vagy építenék egy fm adót max 10 km-es hatótávra és lesugároznék egy online rádióadást. Elvileg erre engedély vagy ilyesmi kell, igaz? ha igen, akkor mennyibe kerülne?
Fordulj az NMHH -hoz, először média hatóság ad műsorkészítésre engedélyt, utánna lehet frekvencia használatért folyamodni, és ha lehet, kijelölnek egyet, amin majd megkezdheted a műsor sugárzást. Nem rövid, és nem olcsó folyamat. Mindíg kell lennie a műsorkészítésnek felelős szerkesztője, aki felel a műsorért, jogdíjakért stb.
Üdv!
Kapunyitáshoz kellene egy egyszerű két különböző jelt adó és vevő egység. Mit tudnátok ajánlani ha egyszerűen és olcsón szeretném kivitelezni? Köszi
Ezzel oldottam meg a kapuvezérlést, 1 kódolt adó két csatornához, 1 vevő a nyitáshoz,
1 vevő a záráshoz Bővebben: Link
Sziasztok!
Szerintetek, ezzel az adó-vevővel meg tudnám oldani a kapunyitást? Elég egy jel is, úgy csináltam a kapcsolást. Köszi Bővebben: Link A hozzászólás módosítva: Ápr 8, 2013
A fenti linken 433 MHZ adó modult látok csak kódoló nélkül 4 EUR-ért.
Kiindulásnak elég , de kell még kódoló, vevő és dekódoló egység, vagy mindezek egyben. Lehet a kódoló/dekódoló sima vagy ugrókódos megoldás.
Ha adó-vevő lenne, akkor is kellene a párja. De wz csak egy adómodul, kellene hozzá a vevőmodul párja is. Lehet, hogy drágább, de a HEStoréban is körülnézhetsz. Elég egy adó, és egy vevőmodul. Aztán még vásárolhatsz hozzá enkóder/dekóder párost is, ha nem szeretnéd, hogy boldog boldogtalan nyitogassa a kapudat.
Köszi a válaszokat, akkor ez felejtős lesz...
Na haragudjatok hogy ennyit variálok, de egy egyszerű vezetéknélküli kapucsengővel is meg tudom oldani, nem? A vevő reléjét "kezelés alá véve". Nyilván ez fix kódos, de az nem olyan nagy gond. Köszi A hozzászólás módosítva: Ápr 9, 2013
Sziasztok. Építeni szeretnék egy adó-vevőt melyet kapucsengőnek használnák. Az adó elemről működne. Hatótávolság kB 50 m kellene. Ha van valakinek használható kapcsolási rajza akkor előre is megköszönném.
Üdv:Levente
Inkább vegyél egy kapucsengőt. Olcsóbban nem jössz ki, és nem kell kínlódni vele.
Ezzel én is tisztában vagyok csak nem mindig a pénzt nézem , mert akarok tanulni s csak kínlódva lehet igazán tanulni. Tehát szeretnék kis tapasztalatot szerezni a távvezérlésről s ezért gondoltam egy ilyen műszerre.
Üdv:Levente |
Bejelentkezés
Hirdetés |










