Fórum témák
» Több friss téma |
Helló Mindenkinek!
Szereztem nemrégen egy elektromosan működő pneumatikus elosztóegységet, de sajnos a behúzótekercseket működtető tápegység nincs meg. Ebben szeretném a segítségeteket kérni. A tekercs működéséhez 100 V egyenáram kell és 0,5 A. Az egészben annyi a csavar, hogy ezt az eszközt egy munkagépre szeretném felszerelni és emiatt akkumlátorról kéne működtetni. Kitaláltam valamit, de nem biztos hogy jó. Van egy szünetmentes tápegységem, mely 12V-ból 220V-ot állít elő! Majd ebből egy 220V/110V-os átalakítóval csinálnék 110V váltóárramot és ezt valamilyen diódahíddal egyenirányítanám. Ezzel csak az a gondom, hogy ugyebár a szünetmentes négyszögjelet ad, amelyet ha még átalakítok 110V-ra, akkor nem tudom, hogy milyen lenne a jele és hogy elég lenne-e kondenzátorral megszűrni. Lehet hogy nagy hülyeség az ötlet, de hírtelen ez jutott eszembe. Várom a tisztelt hozzáértők segítségét.
Négyszögjelet lehet transzformálni, csak a szinuszra méretezett trafók hamarabb mennek telítésbe.
Sokkal jobban jársz, ha a szünetmentesben megkeresed a visszacsatoló ágat, a szünetmentes kimenetét egyenirányítod, majd a már egyenirányított feszültséget kötöd a visszacsatoló ágra, csak kb. az eredeti osztás felével (valószínűleg kicsit kisebb kell majd). A visszacsatoló ágat a benne lévő optocsatolóról lehet felismerni.
Az a baj ezzel, hogy nem vagyok valami nagy elektrotechnikai guru.
Addig tiszta hogy egyenirányítom a kimeneti 220-at, de innentől sötét amit mondtál. Mit jelent az, hogy az osztás felével kössem vissza? Ide tegyem be a 220/110-es tarfót vagy mi? Nincs oszciloszkópom meg semmi komolyabb felszerelésem, emiatt nem tudom megnézni a kapott jelet.
Szia!
Használj szinusz kimenetű invertert. Ennek feszültségét már tetszés szerint transzformálhatod.Bővebben: Link Bővebben: Link
OK, csak itt lett volna a költségtakarékosság, mivel a szünetmentes már adott, és olcsóbb venni egy szűrőkondit vagy valahogy máshogy megszűrni a zavarokat.
De ha nem találok más megoldást akkor csak az lesz amit javasoltál, hogy veszek egy szinuszos invertert.
Szervusz!
Világért sem szeretnék beleszólni,de szerintem az volna a legegyszerűbb,ha a meglévő (DC/AC) tápod által leadott 220V-ot megfeleznéd egy középkivezetéses trafóval,így a trafó „középkivezetésén” 110V-ot kapnál,ezt majd egyenirányítanád és kész is,bár igaz így v.mivel nagyobb lenne a veszteség,de az akár elhanyagolható is (amúgy meg ha DC-a cél,akkor bármilyen nagyfrekis inverter is megteszi). Üdv!
Rendben uraim!
Kaptam 3 lehetséges megoldát, remélem valamelyik csak be fog jönni! Köszönöm a segítséget mindenkinek. Idézet: „Mivel a feszültséget felezi így az áramterhelése majd a duplája lehet ergo...” Ok,az OHM törvénnyel azért még tisztában vagyok ,a veszteséggel pedig arra utaltam,hogy a felező trafó vesztesége is hozzáadódna a táphoz,de lényegében igazad van mert nem számoltam a kapott feszültség gyök 2-ed részével ,így valóban 73VAC-ra van szügség,ugyanis 110VAC-ból egyenirányítással 155VDC-t kapnánk,bocs de elbóbiskoltam egy picit.![]() Üdv!
Tényleg sokkal egyszerűbb és semmibe nem kerül ha a szünetmentesben megkeresed a visszacsatoló ágat ami optikai csatoló vagy kis trafó lesz.Ahogy írta idlob is. Ehhez szét kell szedned és egy kis hozzáértés is kell,de így a legegyszerűbb és a leghatékonyabb.Ha nem megy akkor keress fel egy jó ismerőst vele
Ha meg tudod adni a szünetmentes pontos típusát, akkor lehet pontosabban is le tudjuk írni, hogy mit kell tenned.
De most nézem ilyen kis áramra lehet érdemesebb összeütni egy szabadonfutós konvertert. Igyekszem feltúrni valami viszonylag egyszerű rajzot. Ha a hozzáázólások dátumozása (jobb felső sarok) melletti válasz gombra kattintasz, akkor jobban követhető, hogy kinek válaszolsz. Ill. Te is tudsz ugrálni a válaszok között, ha a név melletti számra kattintasz.
Üdv.egyszerű tekercshez,nem kell semmiféle konverter,vagy trafó.
Elég a régi bevált triakos fázishasításos kapcsolás,ezzel 230V~ból bármilyen kisebb feszültséget elő tudsz állítani. Akár lüktető egyenáramot is 4-15Amper terhelésig. TIC 216M,TIC225M,vagy TIC253D,1db.diac,2db.ellenállás,1db.33kohm poti kell hozzá. Úgy működik mint a fényerő szabályzós kapcsolók.
12v akkuról,inverterrel lehet előállítani,TL494 ic-vel,és 2db.darlington,+2db.teljesítmény tranzisztorral.
A kapcsoló tranzisztorok,1 transzformátor primerjét vezérlik 26KHz-en,a szekunderől gyorsdiódával egyenirányitott feszültség vehető le.Uüres=110V,Uterhelt=100V.A 26KHz négyszög impulzust az Ic.állítja elő.
Helló gaben62!
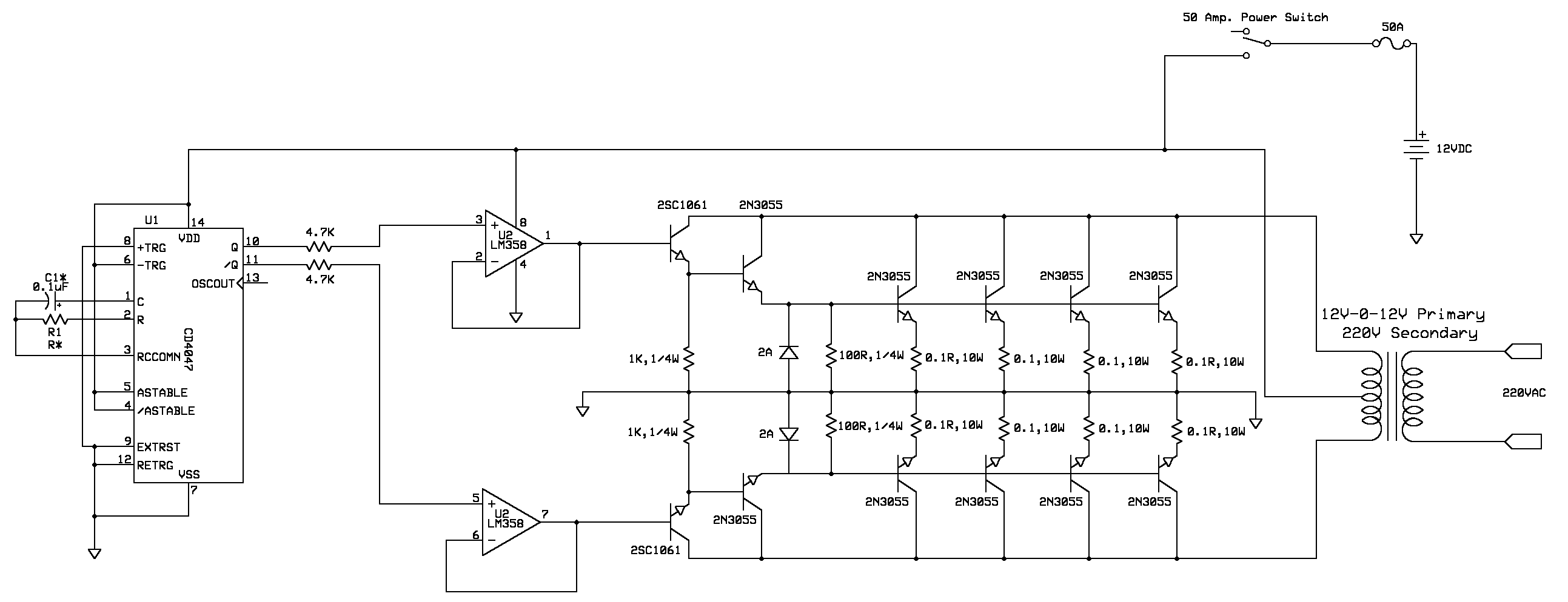
Egy kapcsolási rajzot össze tudnál nekem skiccelni?
Egy ilyen Neked tökéletesen elég lenne, persze csak annyi tranzisztopárral, amennyi elég a kívánt teljesítményhez… Ja, és 110Voltos szekunderrel! Aztán már csak egyenirányítani kell.
|
Bejelentkezés
Hirdetés |




,a veszteséggel pedig arra utaltam,hogy a felező trafó vesztesége is hozzáadódna a táphoz,de lényegében igazad van mert nem számoltam a kapott feszültség gyök 2-ed részével
,így valóban 73VAC-ra van szügség,ugyanis 110VAC-ból egyenirányítással 155VDC-t kapnánk,bocs de elbóbiskoltam egy picit.





