Fórum témák
» Több friss téma |
Köszönöm, de a 2SK2793 "bundás" és ha jól láttam az IRF840 pedig "pucér". Majd megnézem hogy a borda milyen potenciálon van...
Bár ha tényleg van benne reverz dióda akkor lehet hogy nem is ő a bűnös, de akkor mi? Közben megnéztem szkóppal, az UC3843AN oszcillátora rezeg viszont az Vref-en (8. láb) csak 1 V-van pozitív tüskékkel, az output-on (6. láb) meg semmi...
azok a tranyók a táp rövidrezárásán kivül mit csinálnak?
Igazatok van, ezt csúnyán benéztem, javítottam a rajzon, köszönöm.
Segédtáphoz mit szóltok? Egyébként nézegettem újabb mobiltelefon töltők belsejét, aranyos kis tápocskák vannak bennük, szerintem a visszacsatolás változtatásával egész jó kis segédtápot lehet kitermelni. (ha valaki nem segédtekercset használ, vagy csak szimplán hálózatról kell működtetni vmi kisfogyasztót.) A finnek pl. ilyet tesznek be: lnk562
Vedd ki a degédtáp felől azt a 47ohm-ot!
Gafly: Az oszcillátor hogyan rezeghet, ha a referencia fesz. 1V, amiről a töltőellenálás tölti a kondit? (Nem elég neki) Nagy esélyel kuka az ic, esetleg próbálj neki több mint 8.5V-t adni, lehet hogy csak az UVLO bolundult meg.
Fordítva raktad be az optót!
A zener nem zárja rövidre a tápot 15V felett, ha nincs korlátozó ellenállás?
Ákos: köszi az optót, javítva.
Hát akkor álísd 15V alá a segédtápot, a zéner feszültségével változtatásával lehet.
Helló!
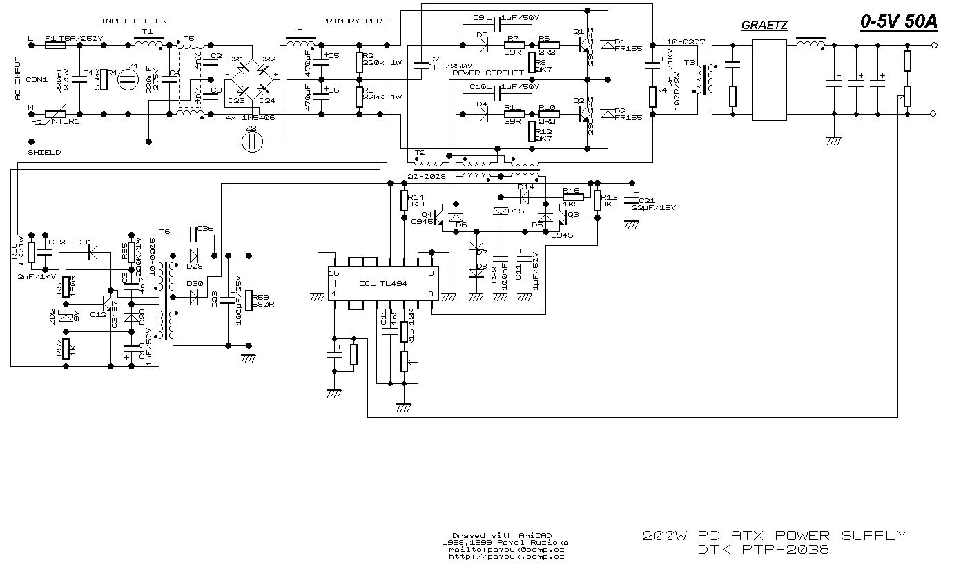
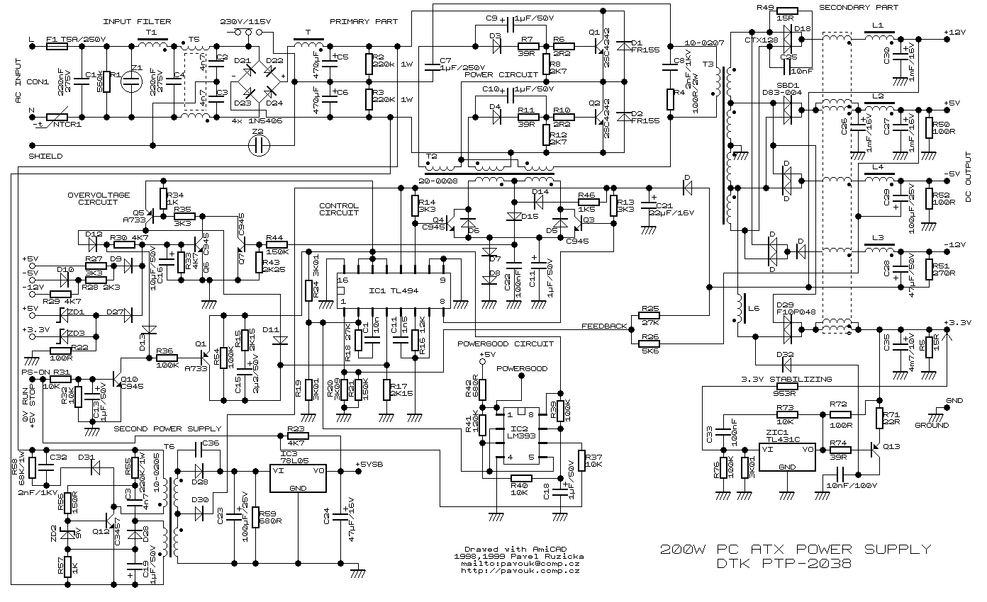
Szükségem van egy nagyáramú tápegységre, egy pc tápot gondoltam átalakítani, mellékelem a két rajzot, hogy milyen az eredeti és az általam átalakított kapcsolás (a pc tápomra csak hasonlít a kapcsolás, de nekem amúgy is csak a vezérlés a lényeg). A kérdésem, hogy jó így (ha nem, akkor kiegészítenétek)? Mi a szerepe az "overvoltage " áramkörnek a tranzisztor meghajtó trafónál, ill. azért van sorosan kötve a trafó a főtrafóval, mert egyfajta rezonáns tápként működik? A kimenetet 2-5V-ig kellene szabályozni. A főtrafót 162/5,5V-ra méretezhetem?
Nagyon leült a topik, upp!
Amúgy építget valaki mostanában kapcsitápot? Kis ösztönzésképp: Nekem készül párhuzamosan kettő fajta is. Egy push-pull 0.8-1kW 12=>350V színuszos inverterhez. Illetve egy teljes hidas fázistolásos ZVS táp 230=>+/-80v szintén kb. 1kW teljesítményben klassz-D végfokokhoz.
Hali!
Hát ja, jó nagy it a csend Szoktam én is építgetni, már mindegyik trafós erőlködőmet átalakítottam rezótáposra. Legutóbb a csöves torzítómhoz csináltam egy 12V/320V -osat. Nagyon király lett. Az a teljes hidas ZVS érdekes lehet... simán elbírna egy 2x350-es véget. Íme a torzítóm belseje:
Hali!
1-2 hidegítő konditól eltekintve szép lett. Nyákot te gyártottad?
Igen én csináltam vasalással. Igen, néhány kondi bizony egy kicsit kajlán áll benne, mert lapos a doboz és alig fér el benne a panel a potméterektől. Alatta is van néhány smd mütyűr
![]() Így néz ki összerakva.
A 100uH fojtót mindenképpen ki kell szedni, mert az ott nagyon rossz helyen van.
Egyebek mellett hiányzik belőle a dead time áramkör, valamint visszacsatolás sincs benne. 4-5 láb közti R-C tagnak sem látom értelmét. Amúgy ez egy teljes hidas terv, így az IR2153 kizárva, mert abból 2db kellene, azokat meg nem tudod szinkronizálni. Bassmester! Tényleg le a kalappal !
Szerintem végfok táplálásához a legjobb választás. Hasonlóval kísérletezek én is, persze törekedve arra hogy a legegyszerűbb és a legolcsóbb legyen. 494 és 4db 500V-os fet lesz benne. Egyelőre 30V-ról tesztelgettem, úgy néz ki hogy jó lesz és a rövidzárvédelem is valóban védeni fog. Idő hiányában még nem tudtam teljesen összerakni és a hálózatról is kipróbálni.
ir2110-ek maradnának csak az udd2808 helyett lenne 2153
Idézet: „udd2808 helyett lenne 2153” miért?
Úgynézem, ez valami inverteres hegesztő rajza (legalábbis ahoz hasonlít leginkább), a teljes híd áramából van visszacsatolás, a kimenő feszültségből nincs...
Végfokhoz túl bonyolult, nem is optimális, és nem is ahoz való. Ha egy sokkal egyszerübb felépítésű rezonáns táp teljesen jó végfokhoz, akkor minek ennyire elbonyolítani?
mert nem tok más kapcsolást amivel akár 2kW-os tápot tudnék csinálni.
Milyen vasad van hozzá? Sokkal inkább azon múlik a dolog és nem anyyira a kapcsoláson. Utóbit csupán megfelelően kell méretezni. Mihez kell a 2 kW ? Mekkora végfokot akarsz csinálni, (R.M.S) 2 x 600W -osat? Ha igen, akkor nem feltétlenül kell ragaszkodnod az otthon fellelhető alkatrészekhez
2X1000W 8Ohm (PWM véget)a ˝vasam˝ az pedig 4 db EI 33 (pc tápból) ősszeragasztva
Mekkora Al értéke van így a vasnak? Mérted? Nem légréses véletlenül? Rá fog férni a kellő mennyiségű huzal? Az EI 33 -nak nincs valami nagy ablak keresztmetszete. Inkább egy ETD 59-el kéne nekiállni, arra aztán fér cucc bőven. Esetleg egy hasonló "kaliberű" toroid mag is jobb lenne szerintem mint az EI33-ak.
azért akarom ezt a trafót mert el kell férnie 44 mm magas dobozban. De szerintem van elég hely tudok rá tekerni elég huzalt
1U-s rackdobozban lenne a cucc? Hát szívből kívánom hogy összejöjjön a dolog.
Merész tervnek tartom így első olvasatra de ha belefér, akkor oké. Nekem is régóta tervben van egy nagy táp, 2 x 450-es véghez ETD 59 -em van hozzá és valószínűleg a Cimó féle rezonáns táp szisztémája szerint fogok kreálni valami izmosabb dolgot. Hidd el, nem sok minden fér bele az EI33 ablakába :no: Szerezz be inkább két jó kis toroidot és csinálj 2 db 1000W-os tápot. Jobb esélyekkel indulhatsz így, a toroidot pedig addig tudod tekerni, amíg lyuk van a közepén. :yes:
Én az enyémben első lépésben torroiddal fogom megpróbálni, ezenfelül nem a vasmag méretet növelem, hanem inkább rámegyek valami jó minőségű vasra és frekiben felmegyek 200kHz-re.
Az igen... végül is az N87-es magok bírják, nem? Rezonáns lesz? Milyen meghajtása lesz? Nincs jelenleg olyan toroidod mint amilyet a múltkor boltoltam tőled? Nekem az nagyon bejött. Szinte játszva rá tudtam tekerni mindent a hibrid kombómhoz. Szívesen vennék még 3-4 db-ot ha lenne :yes:
Sziasztok! Nemrég hallottam, hogy a régebbi vonatokon lévő 230as konnektorból kijövő fesz tele van felharmónikusokkal és tüskékkel, amik a laptop táp kondijait fűtik ezzel csökkentve élettartamukat. És tényleg jobban melegszik a táp ha ott használom.
Csinálnék egy adaptert amiben szűrném és egyenirányítanám a feszt. Majd így menne a lapos tápjába. Ennek így ebben a formában van értelme?
Sziasztok! Egy "kis" segítségre lenne szükségem. Szeretnék építeni egy kapcsüzeműt, amiből 17V jön, és 10A. Egy aksitöltőbe kellene, melynek az 50Hz-el pulzáló áram a jó, mint ami a hálózat is. Mindenféle induktivitás és trafó tekerés nélkül megoldható? Az lenne a legjobb, ha PC táptrafóval lehetne megvalósítani, mert az van, és tudok is szerezni dögivel. Kérlek segítsetek megvalósítani! Előre is köszönöm a segítséget! Üdv:Zoli
Ha van sok PC-tápod, akkor alakíts át egy PC-tápot.
Tudtommal van is valami ilyesmi topik, hogy PC-táp átalakítása. banyaiakos! Csinálhatsz egy egyenirányítás szűrést. A laptoptáp elmegy sima egyenről is. |
Bejelentkezés
Hirdetés |









!


Csinálnék egy adaptert amiben szűrném és egyenirányítanám a feszt. Majd így menne a lapos tápjába. Ennek így ebben a formában van értelme? 



