Fórum témák

» Több friss téma
Fórum » Proteus
 
Témaindító: sagal, idő: Nov 24, 2005
Lapozás: OK   8 / 45
(#) niedziela válasza vicsys hozzászólására (») Szept 5, 2010 /
 
Persze

Hiba meg lett, ATI VGA kártyám van és a sok catalyst driver közül az v5.8 -al összeakadt a program.
Driver csere megoldotta, igaz ráment a fél délután
(#) lidi válasza (Felhasználó 15355) hozzászólására (») Szept 12, 2010 /
 
Milyen alkatrészek vannak ebben ?
(#) vicsys válasza (Felhasználó 15355) hozzászólására (») Szept 16, 2010 /
 
Köszi!!
(#) vicsys válasza (Felhasználó 15355) hozzászólására (») Szept 16, 2010 /
 
Ha van még ilyen tips and tricks a tarsolyodban, ne fogd vissza magad!
(#) lidi válasza (Felhasználó 15355) hozzászólására (») Szept 17, 2010 /
 
Találtam benne érdekes dolgot, RGB monitort, de hiányzik hozzá a vidx.dll, és a vidgenx.dll, annélkül nem működik.
(#) mazso1988 hozzászólása Szept 28, 2010 /
 
Sziasztok
Érdeklődnék hogy hogyan lehetne a program gyári alkatrészkönyvtárát kibővíteni esetleg valakinek lenne bővített alkatrészkönyvtára.
előre is köszönöm a segítségeteket
Üdv
(#) mazso1988 válasza (Felhasználó 15355) hozzászólására (») Szept 29, 2010 /
 
Igen végigolvastam a topicot.
Én konkrátan arra gondoltam hogy lehet-e külön alkatrészt definiálni.

Mert nekem szükségem lenne 4 kivezetéses motorra de a programban ilyenből csak stepper motort találtam.
(#) vicsys válasza (Felhasználó 15355) hozzászólására (») Okt 1, 2010 /
 
Jó kis leírás, köszi! Apró-popó! Keresem a következő alkatrész: MAX521. Nincs meg valakinek? Jól jönne.
(#) mazso1988 válasza (Felhasználó 15355) hozzászólására (») Okt 1, 2010 /
 
Szia
Köszönöm ez nagy segítség ha sikerül valamit összehoznom megosztom.
(#) mazso1988 válasza (Felhasználó 15355) hozzászólására (») Okt 3, 2010 /
 
Szia
Érdeklődnék hogy Proteusban lehet olyat csinálni, hogy két független GND pontot létrehozni?

Én szeretnék 1 analóg, és 1 digitális Gnd pontot is létrehozni.
Megfelelő alkatrészeknek meg a testpontjait belekötni.
Ez így megoldható lenne a Proteusban?
(#) mazso1988 válasza (Felhasználó 15355) hozzászólására (») Okt 3, 2010 /
 
Igen erre gondoltam, akkor ezt megtudom tenni úgyis hogy 1 ellenállás egyik felét Vdd-re kötöm, a másik felét pedig valamilyen kinevezett Gnd pontra?

Akkor ezek szerint minden alkatrésznél be lehet konfigurálni ilyen módon a tápellátást?
(#) mazso1988 válasza (Felhasználó 15355) hozzászólására (») Okt 3, 2010 /
 
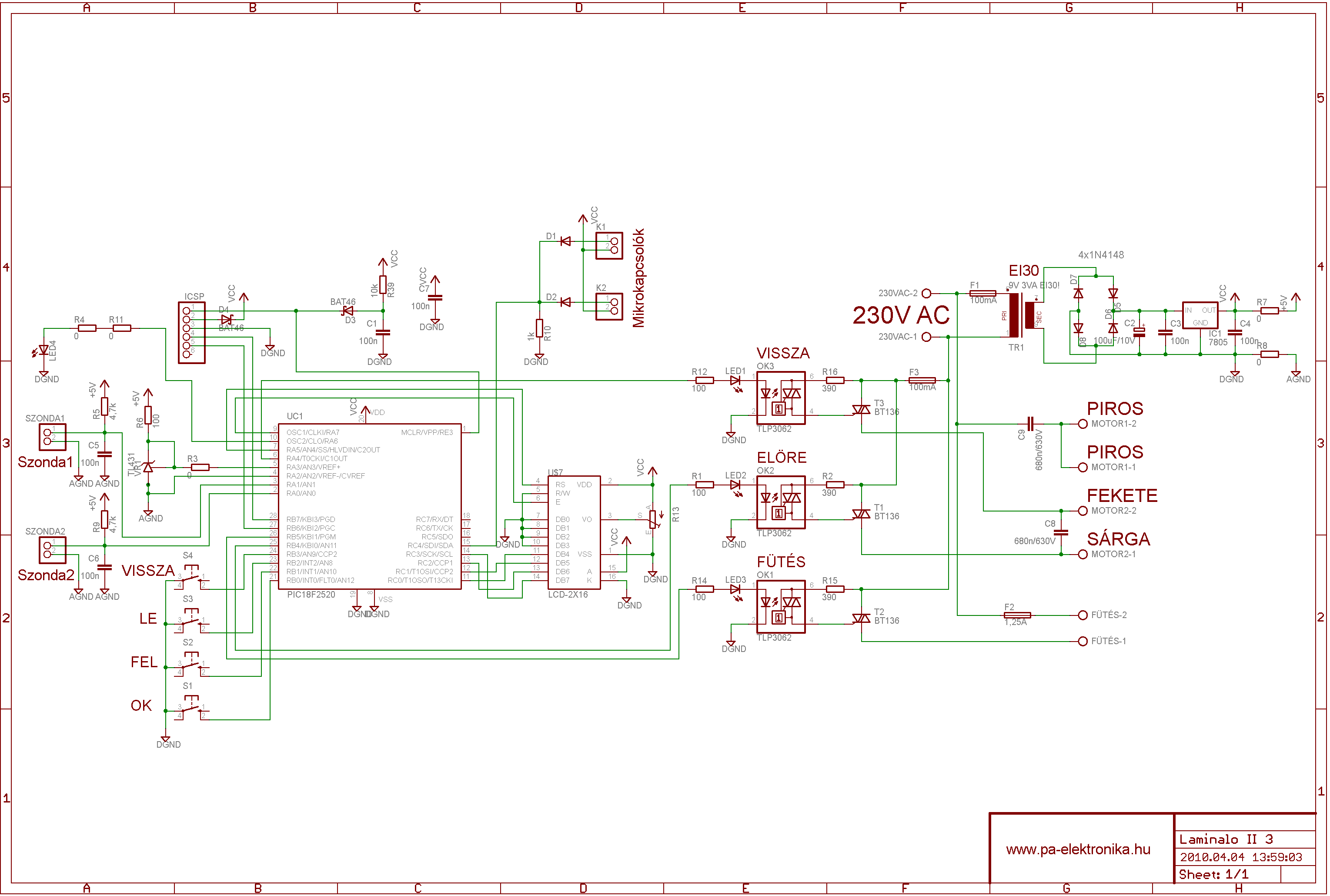
Mivel lehet hogy nem tudom egyértelműen leírni, hogy mit is szeretnék pontosan megvalósítani. így felteszem a kapcsolást, és azon látni lehet pontosan hogy mit szeretnék!
(#) mazso1988 válasza (Felhasználó 15355) hozzászólására (») Okt 3, 2010 /
 
Igen azt szeretném látni a kapcsoláson hogy a táprésznél van kialakítva a két különálló Gnd pont és két különálló +5V tápellátás is. ezt szeretném valahogy a programban összehozni és a végén szimulálni a kapcsolást!
(#) mazso1988 válasza (Felhasználó 15355) hozzászólására (») Okt 3, 2010 /
 
Köszi
Akkor megpróbálóm így megcsinálni, de én ezt a táp részt ami a kapcs.rajzon van, ezt én kitudom ennek mintájára alakítani nem?
Természetesen nem Dc generátort használva hanem sima elem cellát!
(#) mazso1988 válasza (Felhasználó 15355) hozzászólására (») Okt 3, 2010 /
 
Szimuláció érzékenységén merre tudok változtatni?
Annyira még sajnos nem tudom kezelni a programot!
(#) mazso1988 válasza (Felhasználó 15355) hozzászólására (») Okt 3, 2010 /
 
Esetleg tudnál abban segíteni, hogy a rajzon lévő KTY84 típusú hőmérséklet érzékelőt mivel tudom a Proteusban helyettesíteni? Mert ilyet nem találtam benne!
(#) mazso1988 válasza (Felhasználó 15355) hozzászólására (») Okt 3, 2010 /
 
Igazad van elnézést nem áll szándékomba kellemetlenséget csinálni!
(#) mazso1988 válasza (Felhasználó 15355) hozzászólására (») Okt 3, 2010 /
 
Megpróbáltam külön választani a tápfeszültséget, és a GND pontot, de mikor szimulálni szeretném az ANALÓG és DIGITÁLIS táprészre hibát ír.

Ezeket a saját kezűleg konfigurált tápkat esetleg szimulálás előtt Compillálni kell?

Ezt a hibát irja:

No power supply specified for net DGNG in power rail configuration.

és ezt irja az AGND-re is.

gondolom bekéne konfigurálni használat előtt.
(#) mazso1988 válasza (Felhasználó 15355) hozzászólására (») Okt 3, 2010 /
 
így néz ki.
(#) mazso1988 válasza (Felhasználó 15355) hozzászólására (») Okt 3, 2010 /
 
Rendben köszönöm hogy megnézted majd lassan már belerázódom a használatába!
(#) mazso1988 válasza (Felhasználó 15355) hozzászólására (») Okt 3, 2010 /
 
Rendben akkor megjegyeztem hogy nem lehet észnélkül átirogatni mindent!

De még légyszives annyit árulj el hogy a Power Rail Configuration beállítás merre található a programban?
(#) vicsys hozzászólása Okt 3, 2010 /
 
Hogyan lehet szimulálni a DCF77 jelét? Tesztelnék egy óra kapcsolást és nem jövök rá. Kapcsolási rajzon már láttam, hogy valaki generátor forrásként használta. Ez valami kiegészítésben lehet? Nincs meg valakinek?
(#) vicsys válasza (Felhasználó 15355) hozzászólására (») Okt 3, 2010 /
 
Jópofa, köszi! Neked megy?
(#) vicsys válasza (Felhasználó 15355) hozzászólására (») Okt 3, 2010 /
 
Vajon a DCF.txt-t ha beadom a saját tervembe, tudja majd értelmezni? Nekem ez így nem tiszta...
(#) vicsys válasza (Felhasználó 15355) hozzászólására (») Okt 3, 2010 /
 
Vajon a file-ban lévő számok le is szimulálják a DCF jelét? A többi okés, értem! Neked mit mutatott a szkóp?
(#) mazso1988 válasza (Felhasználó 15355) hozzászólására (») Okt 5, 2010 /
 
Szeretnék még annyit kérdezni, említetted hogy nem lehet átírni a Component Reference sort!
De valamelyik alkatrésznél mikor használom, akkor beépítéskor rak 1 kérdőjelet pl: lednél D?
A kérdőjelet sem szabad kivenni onnan?
(#) vicsys válasza (Felhasználó 15355) hozzászólására (») Okt 8, 2010 /
 
Vajon miért nem szinkronizál? Kérek egy kis segítséget. Mit rontottam el? Az útvonalak be voltak állítva és mégse...

DCF_sim.zip
    
(#) vicsys válasza (Felhasználó 15355) hozzászólására (») Okt 8, 2010 /
 
Jogos, köszi! Invertáltam a DCF jelet egy tranyóval és 2 perc után szinkronizált. Köszi!
(#) TamasiArpad hozzászólása Okt 13, 2010 /
 
Hello.
Most ismerkedunk a suliba a proteusal es egy kis segitseget szeretnek kerni.. Tudna adni valaki nehany szimulacios programot? Egyszerű dolgokat, mint például led villogtatás, megszakítás, kijelzős példák .. Előre is köszi
(#) edison14 válasza TamasiArpad hozzászólására (») Okt 13, 2010 /
 
Megnyitás - Sajátgép - Meghajtód amire a proteus van telepítve - proteus mappája - SAMPLES. Itt nagyon sok példát találsz készen.
Következő: »»   8 / 45
Bejelentkezés

Belépés

Hirdetés
XDT.hu
Az oldalon sütiket használunk a helyes működéshez. Bővebb információt az adatvédelmi szabályzatban olvashatsz. Megértettem