Fórum témák
» Több friss téma |
Fórum » HEED canopus, obelisk /HTA-30/
Az Alps-ok már csak erről is híresek.
Na igen! Néztem a szimpla potikat, nos hát azok sem filléresek, de volt már szó erről, hogy egy jó poti gyakorlatilag az erősítő fele, mint hogy egy szuper autó sem úgy teljesít, fut, dudva gumikkal...
Ha már valaki canopus építésre adja a fejét, és MJL-ekre pályázik a végébe, ne síron, hogy drága a poti. Ugyebár? Csak egy kialakúlt társadalmi konvenció miatt meglepő, mert hozzá vagyunk szokva, szoktatva az olcsó kommersz potikhoz, és utána csak pislogunk, hogy miért búg, zúg, gerjed a technika, és poti nélkül meg tökéletes. Én egy sztereó TDA7294-et öltem le potival... (nem Alps volt)
Ma ebben az esős időben úgy döntöttem beindítom a már régen elkészített canopus nyákomat , ami már csak a véglegesítésre vár .
Indítás labortápról , egy kis korrekciózás , beállítás majd ráakasztottam , a majd neki szánt trafóit . Még nem sok időt teszteltem de így első megitélésre , elég tűrhető hahgkép ami jön belőle . A nyugalmi áramot most 200mA - ra állitottam , de a véglegesítésnél majd meglátom mennyit visel el a hűtés amit ráakasztottam . További halgatózás , tesztelés a beszerelés után . [/OFF]Ő is jön a talira [OFF]
A nagy teljesítményű tranyók milyen típusúak?
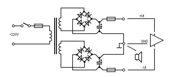
Jól néz ki, bár én polaritásonként külön egyenirányítanám...
A nagy tranzisztorok MJL21193-194
Idézet: „polaritásonként külön egyenirányítanám... ” Ezt hogy érted?
Sziasztok!
A kapcsolások közt található HTA-30 végfok érdekelne engem. Arra lennék kíváncsi, hogy lehetséges-e használni előerősítő nélkül, vagy ahhoz a végfokkialakításhoz elengedhetetlen? Másrészt azt írja a szerző, hogy széles határok között mozoghat a tápfeszültség, ezek szerint a maximális kimenő teljesítmény is? Ami nekem szűkséges lenne az kb 70W, persze ha csak az említett 30W a megvalósítható az is elég lenne. Miket kellene módosítani ha nagyobb teljesítményt akarok? Valamint említik azt hogy nagyobb tápfesznél más műveleti erősítő kell. Nem értem, mi az összefüggés a műveleti erősítő és a tápfeszültség között?
Ez a kapcsolás mint a neve is mutassa HTA-30 , vagyis 30Watt kimenő teljesítmény , ha nagyobb kimenő teljesítményt szeretnél akkor más kapcsolás irányában nézegess! PL-ul a canopus ahol már tekintélyesebb a kimenő teljesítmény .
Idézet: „műveleti erősítő kell” Valamit benéztél a HTA-ban nincs műveleti erősítő hol láttál olyan kapcsolást ? Az előerősítő itt inpedencia ilesztést végez ami a fő feladata , végülis meglehet oldani akár müveleti erősítővel is ! Idézet: „széles határok között mozoghat a tápfeszültség” Hát ja elég széles határok amik vannak ez -10-15 Volt is lehet vagyis inkább kevesebb lesz a kimenő teljesítmény mint több , a lényel hogy 60 voltnál több ne nagyon legyen .
Tehát akkor a kapcsolások közt található kialakítás elviseli a 60V-os tápfeszt vagy más tranzisztorok kellenek? Akkor ezek szerint csak simán erre a pár alkatrészre rá kell kötni a tápfeszt és a jelet, semmi előerősítés nem kell és szól? Vagy van esetleg valami minimális jelszint amitől már nem kell előerősítés?
Ez itt a HTA-30 eredeti változata, de inkább a csövessel kezdj. http://kiborg.tvn.hu/upload/ht_a30.doc
Pozitív negatív külön egyenirányítva. Én úgy terveztem meg, és a kisáramú vezetéket külön viszem a nyákon.
Akkor igazán jól szólhat a ketyere az MJL-ekkel. Nekem most nem telik rá sajnos.
Idézet: „Pozitív negatív külön egyenirányítva.” A diódahíddal ez pont így történik. Szerintem. Dobnál róla egy rajzot hogy is gondolod, mert sajnos nem értem pontosan mire gondolsz. Kézzel rajzolt is jó.
Ha jól értelmezem akkor 2 darab greazt-et teszel be és a trafód szekundere 2 darab 2X24AC .
A két greazt - et hídba kötve nyersz + és - feszültséget ? Ez a megoldás jó , de teljes mértékben fökösleges ! Ha mono blokk kiépítést szeretnél akkor vagy 4X24AC kell egy trafón vagy 2X24AC kell két külön álló trafón?
Valóban úgy gondoltam. :yes:
Így gondoltam.
Pedig ezt már én is átolvastam régebben. Öregszem, ma lettem 31 éves.
Együtt van minden az "új" HTA30-amhoz. Már csak össze kell rakni. Persze nem sietek, de két szivattyúzás között, felfúrtam a bordát a panelre.
Ezt a panelt kicsit módosítottam, amik csak apróságok, de mindenképpen célszerűek - 10µF nagyobb lett, mert ez az alapméret MKS-4 típusban - nagyobb potit vettem bele - a hőfigyelő tranyóhoz eleve odaterveztem a CHZ javaslatára a 100nF-ot - eleve BDW lábtávolsághoz alakítottam a panelt, mert az eredeti tranyóinak kisebb volt a tokozása - elvittem "hátra" a kimenetet -volt hely, mert a panelt is éppen a borda szélességéhez igazítottam, ez a kialakítás külön jó ahhoz, hogy látványos szerelést végezzünk, mert lehetőség van egy teljes hosszban futó (8mm széles) tartó alkalmazására - a potihoz terveztem egy fémkonzolt, így nem csak a forrasztások fogják mechanikailag tartani
Ma délután összeraktam a canopust , egy kicsit bátor elgondolás ,de élőben nem olyan vad mit a képen !
Elég impozáns és egyedi, gratulálok hozzá!
Ez igen!!Nagyon faintos,tetszik.
Gondolom minden alkatrész ólommentes A Greenpeace tagok biztos elájulnának tőle.
Teljesen rendben van.
Indokolt ekkora hűtőfelület? Mitől különleges ez a Canopus?
Néhány alkatrésszel megszerelve.
Idézet: „Indokolt ekkora hűtőfelület? ” Hát ez egy jó kérdés de holnap megmondom ! ma már nem volt kedvem a nyúzó próbához ! Annyi biztos hogy kell neki hűtés mert a nyugalmi áramot lehet tekerni szépen , az más kérdés hogy van -e neki hozadéka értem ezt a hangminőség javulásán . Alapból most 200mA a nyugalmi áram amit belőttem , az ajánlás az 100-200 közötti . Egyáltalán nem biztos hogy marad is ez a beálitás majd megfogom hallgatni különböző beálitásokkal és eldöntöm mi marad a végén , és akkor tudom a hűtésre tenni a pontot , ez a hőtőborda most csak a doboz méretéhez lett igazitva szóval az is lehet sok az is lehet kevés ?
A bolti árát jól látom, hogy 85000 HUF?
Hát / darab mono blokkonként!
Húhú! Ha tudnád mit kaptam egy másik fórumon azért mert felvetettem hogy mi kerül egy 20VA-es tápegységen 190ezer forintba. Jó hogy ültem. Én voltam a H...e, mert nem értem meg hogy ez nem csak az alkatrészek összerakásáról szól.
Az ősobelisk sem épp olcsó (HTA30).
Hát most kedvet kaptam a megépítéshez...
.Amúgy abban is biztos van valami, hogy nem mindegy a konstrukció. Nem is tudom, hol olvastam, hogy valaki az elkók papírját (műanyag köpenyét) is leveszi a hangzás miatt. Közben eszembe jutott, valamelyik gainclone-os cikkben.
Ezt hívják audiovudualitásnak.
|
Bejelentkezés
Hirdetés |





Kézzel rajzolt is jó.














