Fórum témák
» Több friss téma |
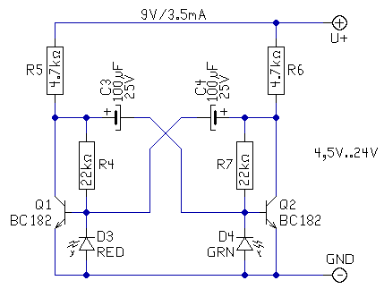
itt a kapcs rajz meg a nyák terv is!
Az elkó az elektrolitkondenzátor röviden. Azok kék feliratos álló bigyuszok. Fontos, hogy jó polaritással legyenek beforrasztva. A csíkos oldala felé eső lába a negatív kivezetés. Áramot adsz neki?
azt tudom ugy is raktam!
már cseréltem is meg hátha az a baj de nem! nem tudom mi lehet! am 4,5 voltra kapcsoltam az jó ugye?
Akkor lehet, hogy rossz értékűek az ellenállások, vagy a tranzisztorokat forrasztottad be rosszul, vagy a LED-ek vannak fordítva stb... Nagy betűvel kezdd a mondatot, és ne MSN- szlengben írj!
Azt hittem a két-LED-es villogóban nem érhet meglepetés!
De lám, ezzel a kapcsolással (Bővebben: Link) erre rácáfoltál! Hol siketült ezt a kapcsolást megtalálni!? [off] ( Ettől még a kapcsolás akár működhet is. DE nekem azért kicsit furcsa az elrendezés... Biztos bennem van a hiba. )
Akkor létszíves tudsz adni vmi tippet hogy tudom megoldani?
Vagy valami uj kapcsolási rajzot tudsz küldeni? Előre is kösz!
Milyen alkatrészeket építettél be? Biztosan nem keverted össze az ohm és kilo ohm értéket? A tranzisztorok típusa is az ami meg lett adva?
Ezek vannak nekem
biztos)2db 100uF(25v) Kondenzátor 2db ctbc182 B Tranzistor 2 db 22 K ohm ellenállás 2db 4,7 k ohm ellenállás 2db led (sárga,piros)
A nyák rajzolatod ugyanaz ami meg lett adva? Mintha más lenne... Nem maradt le valami?
Szerintem nem!
Az lehet a baj hogy a boltba azt mondtam 22 K ohmos ellenállást kérek,de az ellenállásokra az van írva hogy 22ok,meg hogy 1k8k,22bol csak egy van.Vagyis lehet hogy, 1.8 kohmos van bent!
Arra az esetre ha meg benezel ide.
Lehet kapni olcso muanyag ongyujtot ,Van benne piros/kek ket LED-es 'villogo" valamint egy feher LED zseblampakent hasznalatra. Ahogy gyujtod a langot ugy villog vagy 15-szor a kek es a piros LED .Meg nem szedtem szejjel hogy lassam mi inditja a villogot .A feher LED egy kapcsoloval mukodtetheto.
A Téma képei tele vannak a hagyományos felváltva villogókkal. (Bőve... Link)
Az alkatrészeket ki kellene mérned! Az a 22ok akár 220K ohm is lehet... A forrasztásokon is lehetne kicsit dolgozni még! :yes: Köszönöm kadaris a linket!
Szerinted milyen ellenállásokat tegyek be?
Olyan ellenállások kellenek, mint amilyenek a rajzon szerepelnek.
Összedobtam próbakapcsolásban! S a megadott alkatrészekkel a leírásnak megfelelően működik.
Ellenőrizd le a nyákot ( a forrasztásokat, és a vezető sávokat, hogy nincs e véletlen rossz forrasztás vagy zárlat a vezető sávok között. ) és mérd ki az alkatrészeket! A hibátlan áramkör azonnal életképes!
hy
Ezt építettem Bővebben: Link. Nem működik. Egyszer összeraktam próbapanelon majd marattam lapot de egyiken se működött tud vki segíteni? U.I elnézést ha rossz topikba írtam de nem leltem fel hibakeresős topikot
Helo.
Mivel a BC emitterkövetőbe van kötve, erősítése 1, azaz ha nem elég nagy a bemenő jel a LED ek sötétek maradnak. Kösd inkább földelt emitteresbe. A rajz készítője az áramkorlátot is lefelejtette. (habár szerintem a ledeknek "nincs idejük" tönkremenni)
tehát a tranzistor emitterét kössem rá pluszban még a földre?
Emitter a földre, kollektor a ledek katódjára, leddel sorba az áramkorlátozó ellenállás és az ellenállás másik vége a tápra. Bázis a bázisellenálláson és a kondin keresztül a jelforrásra.
Helo!
Hát ezt nem nagyon értem odáig oké hogy a bázis a földre a colektor ledek katódjára de utána hogyan illesszem rá sorosan az ellenállást? A bázisra a jel negatív és pozitív része is belekötődik? segítségedet köszönöm
Nem a bázis földre, hanem az emitter. A Led ek anódjára az ellenállás egyik vége, a másik a tápra. Hogy érted azt, hogy belekötődik? A tranyó B-E diódája egyenirányít.
tehát a jack csatlakozóból kijövő mindkét vezetéket bázisba kötöm
Nagyon köszi!
a kondenzátort mindegy hogy rakom tehát negatív lábát kötöm rá a bázisra úgy is jó? mert úgy tudom hogy polaritásfüggőnél mindig negatív láb megy a bázis fele
|
Bejelentkezés
Hirdetés |






Biztos bennem van a hiba. )
